SPRUII7B June   2018  – April 2020 TMS320F280040-Q1 , TMS320F280040C-Q1 , TMS320F280041 , TMS320F280041-Q1 , TMS320F280041C , TMS320F280041C-Q1 , TMS320F280045 , TMS320F280048-Q1 , TMS320F280048C-Q1 , TMS320F280049 , TMS320F280049-Q1 , TMS320F280049C , TMS320F280049C-Q1

 

  1.   1
    1.     2
    2.     3
      1.      4
      2.      5
      3.      6
      4.      7
      5.      8
      6.      9
      7.      10
        1.       11
        2.       12
    3.     13
      1.      14
        1.       15
        2.       16
        3.       17
        4.       18
        5.       19
        6.       20
        7.       21
          1.        22
        8.       23
        9.       24
          1.        25
          2.        26
          3.        27
          4.        28
        10.       29
      2.      30
        1.       31
        2.       32
        3.       33
      3.      34
        1.       35
        2.       36
        3.       37
          1.        38
          2.        39
        4.       40
        5.       41
        6.       42
    4.     43
      1.      44
      2.      45
      3.      46
      4.      47
    5.     48
      1.      49
      2.      50
      3.      51
      4.      52
    6.     53
      1.      54
      2.      55
  2.   56
    1.     57
  3.   58

Schematic

This section contains the complete schematics for the F28004x LaunchPad, as shown in Figure 4 to Figure 11.

The source files for the schematic are provided inC2000Ware_<version>\boards\LaunchPads\LAUNCHXL_F280049C\A\design files

spruii7-mcu025b-001-schematic-block-diagram.gifFigure 4. MCU025B_Block_Diagram.SchDoc
spruii7-mcu025b-001-schematic-2-connectors.gifFigure 5. MCU025B_Connectors.SchDoc
spruii7-mcu025b-001-schematic-3-alt-routing-misc.gifFigure 6. MCU025B_AltRouting_Misc.SchDoc
spruii7-mcu025b-001-schematic-4-f280049c-device.gifFigure 7. MCU025B_F280049C_Device.SchDoc
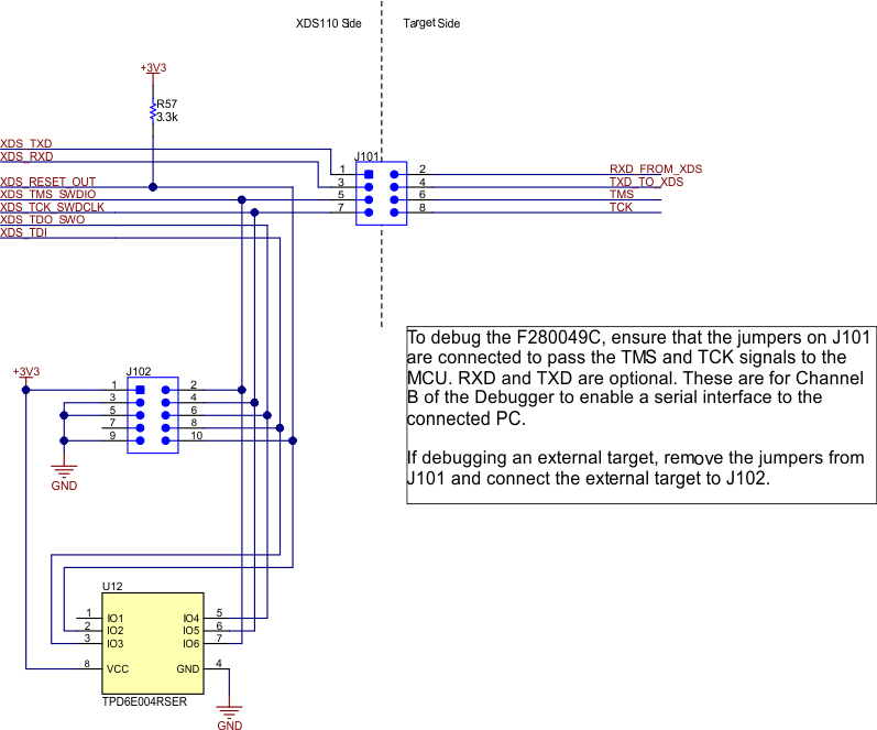
spruii7-mcu025b-001-schematic-5-xds110-target-interface.gifFigure 8. MCU025B_XDS110_Target_Interface.SchDoc
spruii7-mcu025b-001-schematic-6-xds110-usb-power.gifFigure 9. MCU025B_XDS110_USB_Power.SchDoc
spruii7-mcu025b-001-schematic-7-xds110-mcu.gifFigure 10. MCU025B_XDS110_MCU.SchDoc
spruii7-mcu025b-001-schematic-8-hardware.gifFigure 11. MCU025B_Hardware.SchDoc