SPRSP91C February 2023 – November 2025 AM68 , AM68A
PRODUCTION DATA
Refer to the PDF data sheet for device specific package drawings
| NO. | PARAMETER | DESCRIPTION | MODE(15) | MIN | MAX | UNIT |
|---|---|---|---|---|---|---|
| 133 MHz(16) | ||||||
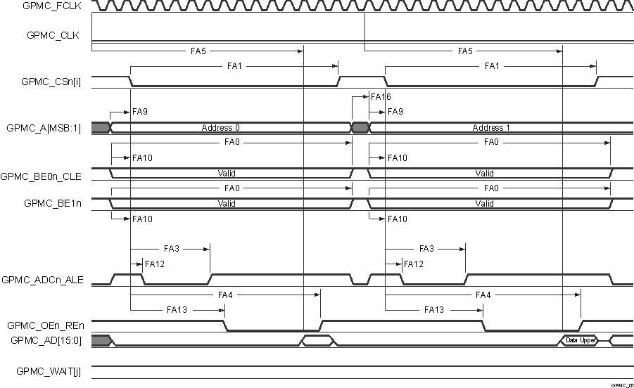
| FA0 | tw(be[x]nV) | Pulse duration, output lower-byte enable and command latch enable GPMC_BE0n_CLE, output upper-byte enable GPMC_BE1n valid time | Read | N(12) | ns | |
| Write | N(12) | |||||
| FA1 | tw(csnV) | Pulse duration, output chip select GPMC_CSn[i](13) low | Read | A(1) | ns | |
| Write | A(1) | |||||
| FA3 | td(csnV-advnIV) | Delay time, output chip select GPMC_CSn[i](13) valid to output address valid and address latch enable GPMC_ADVn_ALE invalid | Read | B(2)- 2.55 | B(2)+ 2.65 | ns |
| Write | B(2)- 2.55 | B(2)+ 2.65 | ||||
| FA4 | td(csnV-oenIV) | Delay time, output chip select GPMC_CSn[i](13) valid to output enable GPMC_OEn_REn invalid (Single read) | div_by_1_mode; GPMC_FCLK_MUX; TIMEPARAGRANULARITY_X1 | C(3)- 2.55 | C(3)+ 2.65 | ns |
| FA9 | td(aV-csnV) | Delay time, output address GPMC_A[27:1] valid to output chip select GPMC_CSn[i](13) valid | div_by_1_mode; GPMC_FCLK_MUX; TIMEPARAGRANULARITY_X1 | J(9)- 2.55 | J(9)+ 2.65 | ns |
| FA10 | td(be[x]nV-csnV) | Delay time, output lower-byte enable and command latch enable GPMC_BE0n_CLE, output upper-byte enable GPMC_BE1n valid to output chip select GPMC_CSn[i](13) valid | div_by_1_mode; GPMC_FCLK_MUX; TIMEPARAGRANULARITY_X1 | J(9)- 2.55 | J(9)+ 2.65 | ns |
| FA12 | td(csnV-advnV) | Delay time, output chip select GPMC_CSn[i](13) valid to output address valid and address latch enable GPMC_ADVn_ALE valid | div_by_1_mode; GPMC_FCLK_MUX; TIMEPARAGRANULARITY_X1 | K(10)- 2.55 | K(10)+ 2.65 | ns |
| FA13 | td(csnV-oenV) | Delay time, output chip select GPMC_CSn[i](13) valid to output enable GPMC_OEn_REn valid | div_by_1_mode; GPMC_FCLK_MUX; TIMEPARAGRANULARITY_X1 | L(11)- 2.55 | L(11)+ 2.65 | ns |
| FA16 | tw(aIV) | Pulse duration output address GPMC_A[26:1] invalid between 2 successive read and write accesses | div_by_1_mode; GPMC_FCLK_MUX; TIMEPARAGRANULARITY_X1 | G(7) | ns | |
| FA18 | td(csnV-oenIV) | Delay time, output chip select GPMC_CSn[i](13) valid to output enable GPMC_OEn_REn invalid (Burst read) | div_by_1_mode; GPMC_FCLK_MUX; TIMEPARAGRANULARITY_X1 | I(8)- 2.55 | I(8)+ 2.65 | ns |
| FA20 | tw(aV) | Pulse duration, output address GPMC_A[27:1] valid - 2nd, 3rd, and 4th accesses | div_by_1_mode; GPMC_FCLK_MUX; TIMEPARAGRANULARITY_X1 | D(4) | ns | |
| FA25 | td(csnV-wenV) | Delay time, output chip select GPMC_CSn[i](13) valid to output write enable GPMC_WEn valid | div_by_1_mode; GPMC_FCLK_MUX; TIMEPARAGRANULARITY_X1 | E(5)- 2.55 | E(5)+ 2.65 | ns |
| FA27 | td(csnV-wenIV) | Delay time, output chip select GPMC_CSn[i](13) valid to output write enable GPMC_WEn invalid | div_by_1_mode; GPMC_FCLK_MUX; TIMEPARAGRANULARITY_X1 | F(6)- 2.55 | F(6)+ 2.65 | ns |
| FA28 | td(wenV-dV) | Delay time, output write enable GPMC_WEn valid to output data GPMC_AD[15:0] valid | div_by_1_mode; GPMC_FCLK_MUX; TIMEPARAGRANULARITY_X1 | 2.65 | ns | |
| FA29 | td(dV-csnV) | Delay time, output data GPMC_AD[15:0] valid to output chip select GPMC_CSn[i](13) valid | div_by_1_mode; GPMC_FCLK_MUX; TIMEPARAGRANULARITY_X1 | J(9)- 2.55 | J(9)+ 2.65 | ns |
| FA37 | td(oenV-aIV) | Delay time, output enable GPMC_OEn_REn valid to output address GPMC_AD[15:0] phase end | div_by_1_mode; GPMC_FCLK_MUX; TIMEPARAGRANULARITY_X1 | 2.65 | ns | |





