SLOS191E February   1997  – July 2025 TLE2021AM , TLE2021B , TLE2021M-MIL , TLE2022AM-MIL , TLE2022BM , TLE2022M-MIL , TLE2024AM , TLE2024BM-MIL , TLE2024M

PRODUCTION DATA  

  1.   1
  2. Features
  3. Description
  4. Device Comparison Tables
  5. Pin Configuration and Functions
  6. Specifications
    1. 5.1  Absolute Maximum Ratings
    2. 5.2  Dissipation Ratings
    3. 5.3  Recommended Operating Conditions
    4. 5.4  Electrical Characteristics TLE2021xM, VCC = 5 V
    5. 5.5  Operating Characteristics TLE2021M, VCC = 5 V
    6. 5.6  Electrical Characteristics TLE2021xM, VCC = ±15 V
    7. 5.7  Operating Characteristics TLE2021M, VCC = ±15 V
    8. 5.8  Electrical Characteristics TLE2022xM, VCC = 5 V
    9. 5.9  Operating Characteristics TLE2022M, VCC = 5 V
    10. 5.10 Electrical Characteristics TLE2022xM, VCC = ±15 V
    11. 5.11 Operating Characteristics TLE2022M, VCC = ±15 V
    12. 5.12 Electrical Characteristics TLE2024xM, VCC = 5 V
    13. 5.13 Operating Characteristics TLE2024M, VCC = 5 V
    14. 5.14 Electrical Characteristics TLE2024xM, VCC = ±15 V
    15. 5.15 Operating Characteristics TLE2024M, VCC = ±15 V
    16. 5.16 Typical Characteristics
  7. Parameter Measurement Information
    1. 6.1 Typical Values
  8. Detailed Description
    1. 7.1 Functional Block Diagram
  9. Application and Implementation
    1. 8.1 Application Information
      1. 8.1.1 Voltage-Follower Applications
      2. 8.1.2 Input Offset Voltage Null
      3. 8.1.3 Macromodel Information
  10. Device and Documentation Support
    1. 9.1 Receiving Notification of Documentation Updates
    2. 9.2 Support Resources
    3. 9.3 Trademarks
    4. 9.4 Electrostatic Discharge Caution
    5. 9.5 Glossary
  11. 10Revision History
  12. 11Mechanical, Packaging, and Orderable Information

Package Options

Refer to the PDF data sheet for device specific package drawings

Mechanical Data (Package|Pins)
  • FK|20
  • JG|8
Thermal pad, mechanical data (Package|Pins)
Orderable Information

Functional Block Diagram

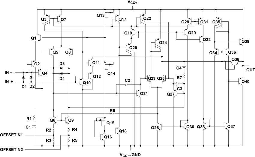
TLE2021AM TLE2021B TLE2021M-MIL  TLE2022AM-MIL TLE2022BM TLE2022M-MIL  TLE2024AM TLE2024BM-MIL TLE2024M Equivalent Schematic (Each
                    Amplifier) Figure 7-1 Equivalent Schematic (Each Amplifier)
Table 7-1 Actual Device Component Count
COMPONENT TLE2021 TLE2022 TLE2024
Transistors 40 80 160
Resistors 7 14 28
Diodes 4 8 16
Capacitors 4 8 16