SLOS191E February   1997  – July 2025 TLE2021AM , TLE2021B , TLE2021M-MIL , TLE2022AM-MIL , TLE2022BM , TLE2022M-MIL , TLE2024AM , TLE2024BM-MIL , TLE2024M

PRODUCTION DATA  

  1.   1
  2. Features
  3. Description
  4. Device Comparison Tables
  5. Pin Configuration and Functions
  6. Specifications
    1. 5.1  Absolute Maximum Ratings
    2. 5.2  Dissipation Ratings
    3. 5.3  Recommended Operating Conditions
    4. 5.4  Electrical Characteristics TLE2021xM, VCC = 5 V
    5. 5.5  Operating Characteristics TLE2021M, VCC = 5 V
    6. 5.6  Electrical Characteristics TLE2021xM, VCC = ±15 V
    7. 5.7  Operating Characteristics TLE2021M, VCC = ±15 V
    8. 5.8  Electrical Characteristics TLE2022xM, VCC = 5 V
    9. 5.9  Operating Characteristics TLE2022M, VCC = 5 V
    10. 5.10 Electrical Characteristics TLE2022xM, VCC = ±15 V
    11. 5.11 Operating Characteristics TLE2022M, VCC = ±15 V
    12. 5.12 Electrical Characteristics TLE2024xM, VCC = 5 V
    13. 5.13 Operating Characteristics TLE2024M, VCC = 5 V
    14. 5.14 Electrical Characteristics TLE2024xM, VCC = ±15 V
    15. 5.15 Operating Characteristics TLE2024M, VCC = ±15 V
    16. 5.16 Typical Characteristics
  7. Parameter Measurement Information
    1. 6.1 Typical Values
  8. Detailed Description
    1. 7.1 Functional Block Diagram
  9. Application and Implementation
    1. 8.1 Application Information
      1. 8.1.1 Voltage-Follower Applications
      2. 8.1.2 Input Offset Voltage Null
      3. 8.1.3 Macromodel Information
  10. Device and Documentation Support
    1. 9.1 Receiving Notification of Documentation Updates
    2. 9.2 Support Resources
    3. 9.3 Trademarks
    4. 9.4 Electrostatic Discharge Caution
    5. 9.5 Glossary
  11. 10Revision History
  12. 11Mechanical, Packaging, and Orderable Information

Package Options

Refer to the PDF data sheet for device specific package drawings

Mechanical Data (Package|Pins)
  • FK|20
  • JG|8
Thermal pad, mechanical data (Package|Pins)
Orderable Information

Voltage-Follower Applications

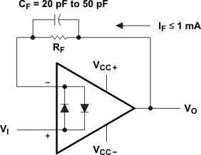
The TLE202xM circuitry includes input-protection diodes to limit the voltage across the input transistors; however, no provision is made in the circuit to limit the current if these diodes are forward biased. This condition sometimes occurs when the device is operated in the voltage-follower configuration and driven with a fast, large-signal pulse. Use a feedback resistor to limit the current to a maximum of 1mA to prevent degradation of the device. This feedback resistor forms a pole with the input capacitance of the device. For feedback resistor values greater than 10kΩ, this pole degrades the amplifier phase margin. Figure 8-1 shows that to alleviate this problem, add a capacitor (20pF to 50pF) in parallel with the feedback resistor.

TLE2021AM TLE2021B TLE2021M-MIL  TLE2022AM-MIL TLE2022BM TLE2022M-MIL  TLE2024AM TLE2024BM-MIL TLE2024M Voltage
                    Follower Figure 8-1 Voltage Follower