SPRSP45C March 2020 – April 2024 TMS320F280021 , TMS320F280021-Q1 , TMS320F280023 , TMS320F280023-Q1 , TMS320F280023C , TMS320F280025 , TMS320F280025-Q1 , TMS320F280025C , TMS320F280025C-Q1
PRODUCTION DATA
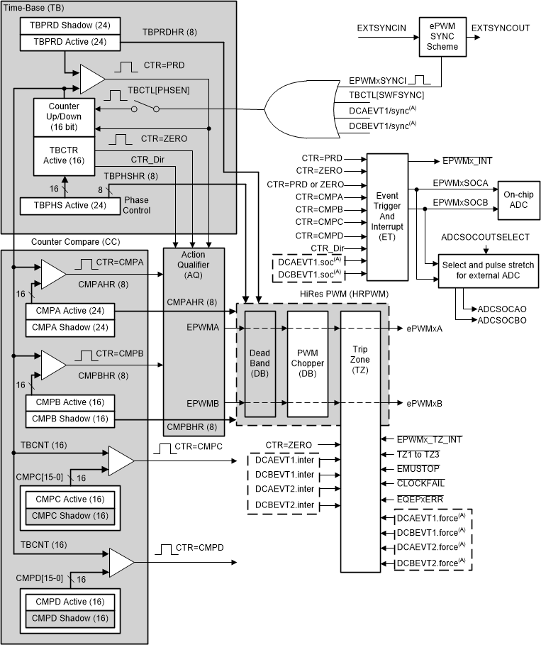
The ePWM peripheral is a key element in controlling many of the power electronic systems found in both commercial and industrial equipment. The ePWM type-4 module is able to generate complex pulse width waveforms with minimal CPU overhead by building the peripheral up from smaller modules with separate resources that can operate together to form a system. Some of the highlights of the ePWM type-4 module include complex waveform generation, dead-band generation, a flexible synchronization scheme, advanced trip-zone functionality, and global register reload capabilities.
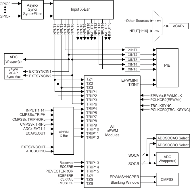
Figure 6-50 shows the ePWM module. Figure 6-51 shows the ePWM trip input connectivity.

Figure 6-51 ePWM Trip Input Connectivity