SPRSP14E may   2019  – june 2023 TMS320F28384D , TMS320F28384D-Q1 , TMS320F28384S , TMS320F28384S-Q1 , TMS320F28386D , TMS320F28386D-Q1 , TMS320F28386S , TMS320F28386S-Q1 , TMS320F28388D , TMS320F28388S

PRODUCTION DATA  

  1.   1
  2. Features
  3. Applications
  4. Description
    1. 3.1 Functional Block Diagram
  5. Revision History
  6. Device Comparison
    1. 5.1 Related Products
  7. Terminal Configuration and Functions
    1. 6.1 Pin Diagrams
    2. 6.2 Pin Attributes
    3. 6.3 Signal Descriptions
      1. 6.3.1 Analog Signals
      2. 6.3.2 Digital Signals
      3. 6.3.3 Power and Ground
      4. 6.3.4 Test, JTAG, and Reset
    4. 6.4 Pins With Internal Pullup and Pulldown
    5. 6.5 Pin Multiplexing
      1. 6.5.1 GPIO Muxed Pins Table
      2. 6.5.2 Input X-BAR
      3. 6.5.3 Output X-BAR, CLB X-BAR, CLB Output X-BAR, and ePWM X-BAR
      4. 6.5.4 USB Pin Muxing
      5. 6.5.5 High-Speed SPI Pin Muxing
      6. 6.5.6 High-Speed SSI Pin Muxing
    6. 6.6 Connections for Unused Pins
  8. Specifications
    1. 7.1  Absolute Maximum Ratings
    2. 7.2  ESD Ratings – Commercial
    3. 7.3  ESD Ratings – Automotive
    4. 7.4  Recommended Operating Conditions
    5. 7.5  Power Consumption Summary
      1. 7.5.1 System Current Consumption (External Supply)
      2. 7.5.2 Operating Mode Test Description
      3. 7.5.3 Current Consumption Graphs
      4. 7.5.4 Reducing Current Consumption
        1. 7.5.4.1 Typical Current Reduction per Disabled Peripheral
    6. 7.6  Electrical Characteristics
    7. 7.7  Thermal Resistance Characteristics for ZWT Package
    8. 7.8  Thermal Resistance Characteristics for PTP Package
    9. 7.9  Thermal Design Considerations
    10. 7.10 System
      1. 7.10.1  Power Management Module (PMM)
        1. 7.10.1.1 Introduction
        2. 7.10.1.2 Overview
          1. 7.10.1.2.1 Power Rail Monitors
          2. 7.10.1.2.2 I/O POR (Power-On Reset) Monitor
          3. 7.10.1.2.3 VDD POR (Power-On Reset) Monitor
          4. 7.10.1.2.4 External Supervisor Usage
          5. 7.10.1.2.5 Delay Blocks
        3. 7.10.1.3 External Components
          1. 7.10.1.3.1 Decoupling Capacitors
          2. 7.10.1.3.2 VDDIO Decoupling
        4. 7.10.1.4 Power Sequencing
          1. 7.10.1.4.1 Supply Pins Ganging
          2. 7.10.1.4.2 Signal Pins Power Sequence
          3. 7.10.1.4.3 Supply Pins Power Sequence
            1. 7.10.1.4.3.1 Power Supply Sequence
            2. 7.10.1.4.3.2 Supply Sequencing Summary and Effects of Violations
            3. 7.10.1.4.3.3 Supply Slew Rate
        5. 7.10.1.5 Power Management Module Electrical Data and Timing
          1. 7.10.1.5.1 Power Management Module Operating Conditions
          2. 7.10.1.5.2 Power Management Module Characteristics
      2. 7.10.2  Reset Timing
        1. 7.10.2.1 Reset Sources
        2. 7.10.2.2 Reset Electrical Data and Timing
          1. 7.10.2.2.1 Reset (XRSn) Timing Requirements
          2. 7.10.2.2.2 Reset (XRSn) Switching Characteristics
          3. 7.10.2.2.3 Reset Timing Diagrams
      3. 7.10.3  Clock Specifications
        1. 7.10.3.1 Clock Sources
        2. 7.10.3.2 Clock Frequencies, Requirements, and Characteristics
          1. 7.10.3.2.1 Input Clock Frequency and Timing Requirements, PLL Lock Times
            1. 7.10.3.2.1.1 Input Clock Frequency
            2. 7.10.3.2.1.2 XTAL Oscillator Characteristics
            3. 7.10.3.2.1.3 X1 Timing Requirements
            4. 7.10.3.2.1.4 AUXCLKIN Timing Requirements
            5. 7.10.3.2.1.5 APLL Characteristics
          2. 7.10.3.2.2 Internal Clock Frequencies
            1. 7.10.3.2.2.1 Internal Clock Frequencies
          3. 7.10.3.2.3 Output Clock Frequency and Switching Characteristics
            1. 7.10.3.2.3.1 XCLKOUT Switching Characteristics (PLL Bypassed or Enabled)
        3. 7.10.3.3 Input Clocks
        4. 7.10.3.4 XTAL Oscillator
          1. 7.10.3.4.1 Introduction
          2. 7.10.3.4.2 Overview
            1. 7.10.3.4.2.1 Electrical Oscillator
              1. 7.10.3.4.2.1.1 Modes of Operation
                1. 7.10.3.4.2.1.1.1 Crystal Mode of Operation
                2. 7.10.3.4.2.1.1.2 Single-Ended Mode of Operation
              2. 7.10.3.4.2.1.2 XTAL Output on XCLKOUT
            2. 7.10.3.4.2.2 Quartz Crystal
            3. 7.10.3.4.2.3 GPIO Modes of Operation
          3. 7.10.3.4.3 Functional Operation
            1. 7.10.3.4.3.1 ESR – Effective Series Resistance
            2. 7.10.3.4.3.2 Rneg – Negative Resistance
            3. 7.10.3.4.3.3 Start-up Time
              1. 7.10.3.4.3.3.1 X1/X2 Precondition
            4. 7.10.3.4.3.4 DL – Drive Level
          4. 7.10.3.4.4 How to Choose a Crystal
          5. 7.10.3.4.5 Testing
          6. 7.10.3.4.6 Common Problems and Debug Tips
          7. 7.10.3.4.7 Crystal Oscillator Specifications
            1. 7.10.3.4.7.1 Crystal Oscillator Electrical Characteristics
            2. 7.10.3.4.7.2 Crystal Equivalent Series Resistance (ESR) Requirements
            3. 7.10.3.4.7.3 Crystal Oscillator Parameters
            4. 7.10.3.4.7.4 Crystal Oscillator Electrical Characteristics
        5. 7.10.3.5 Internal Oscillators
          1. 7.10.3.5.1 INTOSC Characteristics
      4. 7.10.4  Flash Parameters
        1. 7.10.4.1 Flash Parameters 
        2.       111
      5. 7.10.5  RAM Specifications
      6. 7.10.6  ROM Specifications
      7. 7.10.7  Emulation/JTAG
        1. 7.10.7.1 JTAG Electrical Data and Timing
          1. 7.10.7.1.1 JTAG Timing Requirements
          2. 7.10.7.1.2 JTAG Switching Characteristics
          3. 7.10.7.1.3 JTAG Timing
      8. 7.10.8  GPIO Electrical Data and Timing
        1. 7.10.8.1 GPIO - Output Timing
          1. 7.10.8.1.1 General-Purpose Output Switching Characteristics
          2. 7.10.8.1.2 General-Purpose Output Timing
        2. 7.10.8.2 GPIO - Input Timing
          1. 7.10.8.2.1 General-Purpose Input Timing Requirements
          2. 7.10.8.2.2 Sampling Mode
        3. 7.10.8.3 Sampling Window Width for Input Signals
      9. 7.10.9  Interrupts
        1. 7.10.9.1 External Interrupt (XINT) Electrical Data and Timing
          1. 7.10.9.1.1 External Interrupt Timing Requirements
          2. 7.10.9.1.2 External Interrupt Switching Characteristics
          3. 7.10.9.1.3 External Interrupt Timing
      10. 7.10.10 Low-Power Modes
        1. 7.10.10.1 Clock-Gating Low-Power Modes
        2. 7.10.10.2 Low-Power Mode Wakeup Timing
          1. 7.10.10.2.1 IDLE Mode Timing Requirements
          2. 7.10.10.2.2 IDLE Mode Switching Characteristics
          3. 7.10.10.2.3 IDLE Entry and Exit Timing Diagram
          4. 7.10.10.2.4 STANDBY Mode Timing Requirements
          5. 7.10.10.2.5 STANDBY Mode Switching Characteristics
          6. 7.10.10.2.6 STANDBY Entry and Exit Timing Diagram
      11. 7.10.11 External Memory Interface (EMIF)
        1. 7.10.11.1 Asynchronous Memory Support
        2. 7.10.11.2 Synchronous DRAM Support
        3. 7.10.11.3 EMIF Electrical Data and Timing
          1. 7.10.11.3.1 Asynchronous RAM
            1. 7.10.11.3.1.1 EMIF Asynchronous Memory Timing Requirements
            2. 7.10.11.3.1.2 EMIF Asynchronous Memory Switching Characteristics
            3. 7.10.11.3.1.3 EMIF Asynchronous Memory Timing Diagrams
          2. 7.10.11.3.2 Synchronous RAM
            1. 7.10.11.3.2.1 EMIF Synchronous Memory Timing Requirements
            2. 7.10.11.3.2.2 EMIF Synchronous Memory Switching Characteristics
            3. 7.10.11.3.2.3 EMIF Synchronous Memory Timing Diagrams
    11. 7.11 C28x Analog Peripherals
      1. 7.11.1 Analog Subsystem
      2. 7.11.2 Analog-to-Digital Converter (ADC)
        1. 7.11.2.1 Result Register Mapping
        2. 7.11.2.2 ADC Configurability
          1. 7.11.2.2.1 Signal Mode
        3. 7.11.2.3 ADC Electrical Data and Timing
          1. 7.11.2.3.1 ADC Operating Conditions (16-bit Differential)
            1. 7.11.2.3.1.1 ADC Operating Conditions (16-bit Differential) Notes
          2. 7.11.2.3.2 ADC Characteristics (16-bit Differential)
          3. 7.11.2.3.3 ADC Operating Conditions (16-bit Single-Ended)
            1. 7.11.2.3.3.1 ADC Operating Conditions (16-bit Single-Ended) Notes
          4. 7.11.2.3.4 ADC Characteristics (16-bit Single-Ended)
          5. 7.11.2.3.5 ADC Operating Conditions (12-bit Single-Ended)
            1. 7.11.2.3.5.1 ADC Operating Conditions (12-bit Single-Ended) Notes
          6. 7.11.2.3.6 ADC Characteristics (12-bit Single-Ended)
          7. 7.11.2.3.7 ADCEXTSOC Timing Requirements
          8. 7.11.2.3.8 ADC Input Models
            1. 7.11.2.3.8.1 Single-Ended Input Model Parameters (12-bit Resolution)
            2. 7.11.2.3.8.2 Single-Ended Input Model Parameters (16-bit Resolution)
            3. 7.11.2.3.8.3 Single-Ended Input Model
            4. 7.11.2.3.8.4 Differential Input Model Parameters (16-bit Resolution)
            5. 7.11.2.3.8.5 Differential Input Model
          9. 7.11.2.3.9 ADC Timing Diagrams
            1. 7.11.2.3.9.1 ADC Timings in 12-Bit Mode (SYSCLK Cycles)
            2. 7.11.2.3.9.2 ADC Timings in 16-Bit Mode
        4. 7.11.2.4 Temperature Sensor Electrical Data and Timing
          1. 7.11.2.4.1 Temperature Sensor Characteristics
      3. 7.11.3 Comparator Subsystem (CMPSS)
        1. 7.11.3.1 CMPSS Electrical Data and Timing
          1. 7.11.3.1.1 Comparator Electrical Characteristics
          2. 7.11.3.1.2 CMPSS Comparator Input Referred Offset and Hysteresis
          3. 7.11.3.1.3 CMPSS DAC Static Electrical Characteristics
          4. 7.11.3.1.4 CMPSS Illustrative Graphs
          5. 7.11.3.1.5 CMPSS DAC Dynamic Error
      4. 7.11.4 Buffered Digital-to-Analog Converter (DAC)
        1. 7.11.4.1 Buffered DAC Electrical Data and Timing
          1. 7.11.4.1.1 Buffered DAC Operating Conditions
          2. 7.11.4.1.2 Buffered DAC Electrical Characteristics
          3. 7.11.4.1.3 Buffered DAC Notes and Illustrative Graphs
    12. 7.12 C28x Control Peripherals
      1. 7.12.1 Enhanced Capture and High-Resolution Capture (eCAP, HRCAP)
        1. 7.12.1.1 eCAP Synchronization
        2. 7.12.1.2 eCAP Electrical Data and Timing
          1. 7.12.1.2.1 eCAP Timing Requirements
          2. 7.12.1.2.2 eCAP Switching Charcteristics
        3. 7.12.1.3 HRCAP Electrical Data and Timing
          1. 7.12.1.3.1 HRCAP Switching Characteristics
          2. 7.12.1.3.2 HRCAP Graphs
      2. 7.12.2 Enhanced Pulse Width Modulator (ePWM)
        1. 7.12.2.1 Control Peripherals Synchronization
        2. 7.12.2.2 ePWM Electrical Data and Timing
          1. 7.12.2.2.1 ePWM Timing Requirements
          2. 7.12.2.2.2 ePWM Switching Characteristics
          3. 7.12.2.2.3 Trip-Zone Input Timing
            1. 7.12.2.2.3.1 Trip-Zone Input Timing Requirements
        3. 7.12.2.3 External ADC Start-of-Conversion Electrical Data and Timing
          1. 7.12.2.3.1 External ADC Start-of-Conversion Switching Characteristics
      3. 7.12.3 High-Resolution Pulse Width Modulator (HRPWM)
        1. 7.12.3.1 HRPWM Electrical Data and Timing
          1. 7.12.3.1.1 High-Resolution PWM Characteristics
      4. 7.12.4 Enhanced Quadrature Encoder Pulse (eQEP)
        1. 7.12.4.1 eQEP Electrical Data and Timing
          1. 7.12.4.1.1 eQEP Timing Requirements
          2. 7.12.4.1.2 eQEP Switching Characteristics
      5. 7.12.5 Sigma-Delta Filter Module (SDFM)
        1. 7.12.5.1 SDFM Electrical Data and Timing (Using ASYNC)
          1. 7.12.5.1.1 SDFM Timing Requirements When Using Asynchronous GPIO (ASYNC) Option
          2. 7.12.5.1.2 SDFM Timing Diagram
    13. 7.13 C28x Communications Peripherals
      1. 7.13.1 Controller Area Network (CAN)
      2. 7.13.2 Fast Serial Interface (FSI)
        1. 7.13.2.1 FSI Transmitter
          1. 7.13.2.1.1 FSITX Electrical Data and Timing
            1. 7.13.2.1.1.1 FSITX Switching Characteristics
            2. 7.13.2.1.1.2 FSITX Timings
        2. 7.13.2.2 FSI Receiver
          1. 7.13.2.2.1 FSIRX Electrical Data and Timing
            1. 7.13.2.2.1.1 FSIRX Timing Requirements
            2. 7.13.2.2.1.2 FSIRX Switching Characteristics
            3. 7.13.2.2.1.3 FSIRX Timing Diagram
        3. 7.13.2.3 SPI Signaling Mode
          1. 7.13.2.3.1 FSITX SPI Signaling Mode Electrical Data and Timing
            1. 7.13.2.3.1.1 FSITX SPI Signaling Mode Switching Characteristics
            2. 7.13.2.3.1.2 FSITX SPI Signaling Mode Timings
      3. 7.13.3 Inter-Integrated Circuit (I2C)
        1. 7.13.3.1 I2C Electrical Data and Timing
          1. 7.13.3.1.1 I2C Timing Requirements
          2. 7.13.3.1.2 I2C Switching Characteristics
          3. 7.13.3.1.3 I2C Timing Diagram
      4. 7.13.4 Multichannel Buffered Serial Port (McBSP)
        1. 7.13.4.1 McBSP Electrical Data and Timing
          1. 7.13.4.1.1 McBSP Transmit and Receive Timing
            1. 7.13.4.1.1.1 McBSP Timing Requirements
            2. 7.13.4.1.1.2 McBSP Switching Characteristics
            3. 7.13.4.1.1.3 McBSP Receive and Transmit Timing Diagrams
          2. 7.13.4.1.2 McBSP as SPI Master or Slave Timing
            1. 7.13.4.1.2.1 McBSP as SPI Master Timing Requirements
            2. 7.13.4.1.2.2 McBSP as SPI Master Switching Characteristics
            3. 7.13.4.1.2.3 McBSP as SPI Slave Timing Requirements
            4. 7.13.4.1.2.4 McBSP as SPI Slave Switching Characteristics
            5. 7.13.4.1.2.5 McBSP as SPI Master or Slave Timing Diagrams
      5. 7.13.5 Power Management Bus (PMBus)
        1. 7.13.5.1 PMBus Electrical Data and Timing
          1. 7.13.5.1.1 PMBus Electrical Characteristics
          2. 7.13.5.1.2 PMBus Fast Mode Switching Characteristics
          3. 7.13.5.1.3 PMBus Standard Mode Switching Characteristics
      6. 7.13.6 Serial Communications Interface (SCI)
      7. 7.13.7 Serial Peripheral Interface (SPI)
        1. 7.13.7.1 SPI Electrical Data and Timing
          1. 7.13.7.1.1 SPI Master Mode Timings
            1. 7.13.7.1.1.1 SPI Master Mode Timing Requirements
            2. 7.13.7.1.1.2 SPI Master Mode Switching Characteristics (Clock Phase = 0)
            3. 7.13.7.1.1.3 SPI Master Mode Switching Characteristics (Clock Phase = 1)
            4. 7.13.7.1.1.4 SPI Master Mode External Timing
          2. 7.13.7.1.2 SPI Slave Mode Timings
            1. 7.13.7.1.2.1 SPI Slave Mode Timing Requirements
            2. 7.13.7.1.2.2 SPI Slave Mode Switching Characteristics
            3. 7.13.7.1.2.3 SPI Slave Mode External Timing
      8. 7.13.8 EtherCAT Slave Controller (ESC)
        1. 7.13.8.1 ESC Features
        2. 7.13.8.2 ESC Subsystem Integrated Features
        3. 7.13.8.3 EtherCAT IP Block Diagram
        4. 7.13.8.4 EtherCAT Electrical Data and Timing
          1. 7.13.8.4.1 EtherCAT Timing Requirements
          2. 7.13.8.4.2 EtherCAT Switching Characteristics
          3. 7.13.8.4.3 EtherCAT Timing Diagrams
      9. 7.13.9 Universal Serial Bus (USB) Controller
        1. 7.13.9.1 USB Electrical Data and Timing
          1. 7.13.9.1.1 USB Input Ports DP and DM Timing Requirements
          2. 7.13.9.1.2 USB Output Ports DP and DM Switching Characteristics
    14. 7.14 Connectivity Manager (CM) Peripherals
      1. 7.14.1 Modular Controller Area Network (MCAN) [CAN FD]
      2. 7.14.2 Ethernet Media Access Controller (EMAC)
        1. 7.14.2.1 MAC Features
          1. 7.14.2.1.1 MAC Tx and Rx Features
          2. 7.14.2.1.2 MAC Tx Features
          3. 7.14.2.1.3 MAC Rx Features
        2. 7.14.2.2 Ethernet Electrical Data and Timing
          1. 7.14.2.2.1 Ethernet Timing Requirements
          2. 7.14.2.2.2 Ethernet Switching Characteristics
          3. 7.14.2.2.3 Ethernet Timing Diagrams
        3. 7.14.2.3 Ethernet REVMII Electrical Data and Timing
          1. 7.14.2.3.1 Ethernet REVMII Timing Requirements
          2. 7.14.2.3.2 Ethernet REVMII Switching Characteristics
      3. 7.14.3 Inter-Integrated Circuit (CM-I2C)
        1. 7.14.3.1 CM-I2C Electrical Data and Timing
          1. 7.14.3.1.1 CM-I2C Timing Requirements
          2. 7.14.3.1.2 CM-I2C Switching Characteristics
          3. 7.14.3.1.3 CM-I2C Timing Diagram
      4. 7.14.4 Synchronous Serial Interface (SSI)
        1. 7.14.4.1 SSI Electrical Data and Timing
          1. 7.14.4.1.1 SSI Timing Requirements
          2. 7.14.4.1.2 SSI Characteristics
          3. 7.14.4.1.3 SSI Timing Diagrams
      5. 7.14.5 Universal Asynchronous Receiver/Transmitter (CM-UART)
      6. 7.14.6 Trace Port Interface Unit (TPIU)
        1. 7.14.6.1 TPIU Electrical Data and Timing
          1. 7.14.6.1.1 Trace Port Switching Characteristics
  9. Detailed Description
    1. 8.1  Overview
    2. 8.2  Functional Block Diagram
    3. 8.3  Memory
      1. 8.3.1 C28x Memory Map
      2. 8.3.2 C28x Flash Memory Map
      3. 8.3.3 Peripheral Registers Memory Map
      4. 8.3.4 EMIF Chip Select Memory Map
      5. 8.3.5 CM Memory Map
      6. 8.3.6 CM Flash Memory Map
      7. 8.3.7 Peripheral Registers Memory Map (CM)
      8. 8.3.8 Memory Types
        1. 8.3.8.1 Dedicated RAM (Mx and Dx RAM)
        2. 8.3.8.2 Local Shared RAM (LSx RAM)
        3. 8.3.8.3 Global Shared RAM (GSx RAM)
        4. 8.3.8.4 CPU Message RAM (CPU MSGRAM)
        5. 8.3.8.5 CLA Message RAM (CLA MSGRAM)
        6. 8.3.8.6 CLA - DMA Message RAM (CLA-DMA MSGRAM)
        7. 8.3.8.7 CPUx - CM Message RAM (CPUx-CM MSGRAM)
        8. 8.3.8.8 Dedicated RAM (C0/C1 RAM)
        9. 8.3.8.9 Shared RAM (E0 and Sx RAM)
    4. 8.4  Identification
    5. 8.5  Bus Architecture – Peripheral Connectivity
    6. 8.6  Boot ROM and Peripheral Booting
      1. 8.6.1 Device Boot
      2. 8.6.2 Device Boot Modes
      3. 8.6.3 Device Boot Configurations
      4. 8.6.4 GPIO Assignments for CPU1
    7. 8.7  Dual Code Security Module (DCSM)
    8. 8.8  C28x (CPU1/CPU2) Subsystem
      1. 8.8.1  C28x Processor
        1. 8.8.1.1 Floating-Point Unit
        2. 8.8.1.2 Trigonometric Math Unit
        3. 8.8.1.3 Fast Integer Division Unit
        4. 8.8.1.4 VCRC Unit
      2. 8.8.2  Embedded Real-Time Analysis and Diagnostic (ERAD)
      3. 8.8.3  Background CRC-32 (BGCRC)
      4. 8.8.4  Control Law Accelerator (CLA)
      5. 8.8.5  Direct Memory Access (DMA)
      6. 8.8.6  Interprocessor Communication (IPC) Module
      7. 8.8.7  C28x Timers
      8. 8.8.8  Dual-Clock Comparator (DCC)
        1. 8.8.8.1 Features
        2. 8.8.8.2 Mapping of DCCx (DCC0, DCC1, and DCC2) Clock Source Inputs
      9. 8.8.9  Nonmaskable Interrupt With Watchdog Timer (NMIWD)
      10. 8.8.10 Watchdog
      11. 8.8.11 Configurable Logic Block (CLB)
    9. 8.9  Connectivity Manager (CM) Subsystem
      1. 8.9.1  Arm Cortex-M4 Processor
      2. 8.9.2  Nested Vectored Interrupt Controller (NVIC)
      3. 8.9.3  Advance Encryption Standard (AES) Accelerator
      4. 8.9.4  Generic Cyclic Redundancy Check (GCRC) Module
      5. 8.9.5  CM Nonmaskable Interrupt (CMNMI) Module
      6. 8.9.6  Memory Protection Unit (MPU)
      7. 8.9.7  Micro Direct Memory Access (µDMA)
      8. 8.9.8  Watchdog
      9. 8.9.9  CM Clocking
        1. 8.9.9.1 CM Clock Sources
      10. 8.9.10 CM Timers
    10. 8.10 Functional Safety
  10. Applications, Implementation, and Layout
    1. 9.1 Application and Implementation
    2. 9.2 Key Device Features
    3. 9.3 Application Information
      1. 9.3.1 Typical Application
        1. 9.3.1.1 High-Voltage Traction Inverter
          1. 9.3.1.1.1 System Block Diagram
          2. 9.3.1.1.2 High-Voltage Traction Inverter Resources
        2. 9.3.1.2 On-Board Charger (OBC)
          1. 9.3.1.2.1 System Block Diagram
          2. 9.3.1.2.2 OBC Resources
        3. 9.3.1.3 Servo Drive Control Module
          1. 9.3.1.3.1 System Block Diagram
          2. 9.3.1.3.2 Servo Drive Control Module Resources
        4. 9.3.1.4 Solar Micro Inverter
          1. 9.3.1.4.1 System Block Diagram
          2. 9.3.1.4.2 Solar Micro Inverter Resources
  11. 10Device and Documentation Support
    1. 10.1 Getting Started and Next Steps
    2. 10.2 Device and Development Support Tool Nomenclature
    3. 10.3 Markings
    4. 10.4 Tools and Software
    5. 10.5 Documentation Support
    6. 10.6 Support Resources
    7. 10.7 Trademarks
    8. 10.8 Electrostatic Discharge Caution
    9. 10.9 Glossary
  12. 11Mechanical, Packaging, and Orderable Information
    1. 11.1 Packaging Information

Package Options

Refer to the PDF data sheet for device specific package drawings

Mechanical Data (Package|Pins)
  • ZWT|337
  • PTP|176
Thermal pad, mechanical data (Package|Pins)
Orderable Information

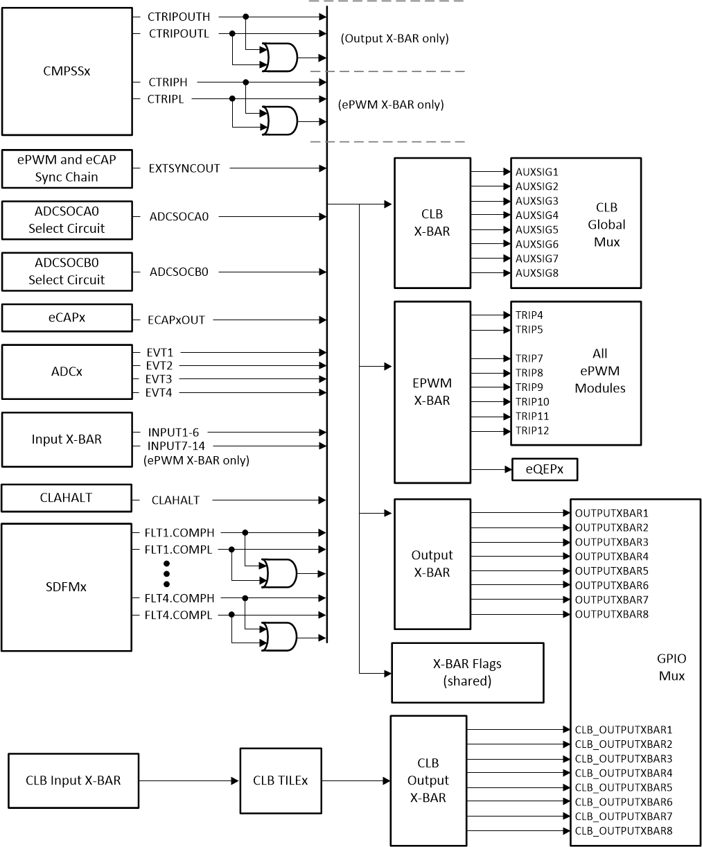
Output X-BAR, CLB X-BAR, CLB Output X-BAR, and ePWM X-BAR

The Output X-BAR has eight outputs that can be selected on the GPIO mux as OUTPUTXBARx. The CLB X-BAR has eight outputs that are connected to the CLB global mux as AUXSIGx. The CLB Output X-BAR has eight outputs that can be selected on the GPIO mux as CLB_OUTPUTXBARx. The ePWM X-BAR has eight outputs that are connected to the TRIPx inputs of the ePWM. The sources for the Output X-BAR, CLB X-BAR, CLB Output X-BAR, and ePWM X-BAR are shown in Figure 6-8. For details on the Output X-BAR, CLB X-BAR, CLB Output X-BAR, and ePWM X-BAR, see the Crossbar (X-BAR) chapter of the TMS320F2838x Real-Time Microcontrollers Technical Reference Manual.

GUID-FEE83C61-12B9-428D-994A-74814B7D1DD6-low.gif Figure 6-8 Output X-BAR, CLB X-BAR, CLB Output X-BAR, and ePWM X-BAR Sources