JAJSED2B August   2017  – January 2018 DAC5672A

PRODUCTION DATA.  

  1. 特長
  2. アプリケーション
  3. 概要
    1.     機能ブロック図
  4. 改訂履歴
  5. Pin Configuration and Functions
    1.     Pin Functions
  6. Specifications
    1. 6.1  Absolute Maximum Ratings
    2. 6.2  ESD Ratings
    3. 6.3  Recommended Operating Conditions
    4. 6.4  Thermal Information
    5. 6.5  Electrical Characteristics
    6. 6.6  Electrical Characteristics
    7. 6.7  Electrical Characteristics: AC Characteristics
    8. 6.8  Electrical Characteristics: Digital Characteristics
    9. 6.9  Switching Characteristics
    10. 6.10 Typical Characteristics
  7. Detailed Description
    1. 7.1 Overview
    2. 7.2 Functional Block Diagram
    3. 7.3 Feature Description
      1. 7.3.1 Input Interfaces
      2. 7.3.2 Dual-Bus Data Interface and Timing
      3. 7.3.3 Single-Bus Interleaved Data Interface and Timing
    4. 7.4 Device Functional Modes
      1. 7.4.1 DAC Transfer Function
      2. 7.4.2 Analog Outputs
      3. 7.4.3 Output Configurations
      4. 7.4.4 Differential With Transformer
      5. 7.4.5 Single-Ended Configuration
      6. 7.4.6 Reference Operation
        1. 7.4.6.1 Internal Reference
        2. 7.4.6.2 External Reference
        3. 7.4.6.3 Gain Setting Option
        4. 7.4.6.4 Sleep Mode
    5. 7.5 Programming
      1. 7.5.1 Digital Inputs and Timing
        1. 7.5.1.1 Digital Inputs
  8. Application and Implementation
    1. 8.1 Application Information
    2. 8.2 Typical Application
      1. 8.2.1 Design Requirements
      2. 8.2.2 Detailed Design Procedure
      3. 8.2.3 Application Curves
  9. Power Supply Recommendations
  10. 10Layout
    1. 10.1 Layout Guidelines
    2. 10.2 Layout Example
  11. 11デバイスおよびドキュメントのサポート
    1. 11.1 ドキュメントの更新通知を受け取る方法
    2. 11.2 コミュニティ・リソース
    3. 11.3 商標
    4. 11.4 静電気放電に関する注意事項
    5. 11.5 Glossary
  12. 12メカニカル、パッケージ、および注文情報

パッケージ・オプション

メカニカル・データ(パッケージ|ピン)
サーマルパッド・メカニカル・データ
発注情報

Analog Outputs

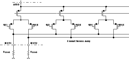
The DAC5672A provides two complementary current outputs, IOUT1 and IOUT2. The simplified circuit of the analog output stage representing the differential topology is shown in Figure 19. The output impedance of IOUT1 and IOUT2 results from the parallel combination of the differential switches, along with the current sources and associated parasitic capacitances.

DAC5672A AnalogOut_LAS440.gifFigure 19. Analog Outputs

The signal voltage swing that may develop at the two outputs, IOUT1 and IOUT2, is limited by a negative and positive compliance. The negative limit of –1 V is given by the breakdown voltage of the CMOS process and exceeding it compromises the reliability of the DAC5672A (or even causes permanent damage). With the full-scale output set to 20 mA, the positive compliance equals 1.2 V. Note that the compliance range decreases to about 1 V for a selected output current of IOUTFS = 2 mA. Care must be taken that the configuration of DAC5672A does not exceed the compliance range to avoid degradation of the distortion performance and integral linearity.

Best distortion performance is typically achieved with the maximum full-scale output signal limited to approximately 0.5 VPP. This is the case for a 50-Ω doubly-terminated load and a 20-mA full-scale output current. A variety of loads can be adapted to the output of the DAC5672A by selecting a suitable transformer while maintaining optimum voltage levels at IOUT1 and IOUT2. Furthermore, using the differential output configuration in combination with a transformer is instrumental for achieving excellent distortion performance. Common-mode errors, such as even-order harmonics or noise, can be substantially reduced. This is particularly the case with high output frequencies.

For those applications requiring the optimum distortion and noise performance, it is recommended to select a full-scale output of 20 mA. A lower full-scale range of 2 mA may be considered for applications that require low power consumption, but can tolerate a slight reduction in performance level.