JAJSFU4A July   2018  – January 2025 TPS650861

PRODUCTION DATA  

  1.   1
  2. 特長
  3. アプリケーション
  4. 概要
  5. Pin Configuration and Functions
  6. Specifications
    1. 5.1  Absolute Maximum Ratings
    2. 5.2  ESD Ratings
    3. 5.3  Recommended Operating Conditions
    4. 5.4  Thermal Information
    5. 5.5  Electrical Characteristics: Total Current Consumption
    6. 5.6  Electrical Characteristics: Reference and Monitoring System
    7. 5.7  Electrical Characteristics: Buck Controllers
    8. 5.8  Electrical Characteristics: Synchronous Buck Converters
    9. 5.9  Electrical Characteristics: LDOs
    10. 5.10 Electrical Characteristics: Load Switches
    11. 5.11 Digital Signals: I2C Interface
    12. 5.12 Digital Input Signals (CTLx)
    13. 5.13 Digital Output Signals (IRQB, GPOx)
    14. 5.14 Timing Requirements
    15. 5.15 Switching Characteristics
    16. 5.16 Typical Characteristics
  7. Detailed Description
    1. 6.1  Overview
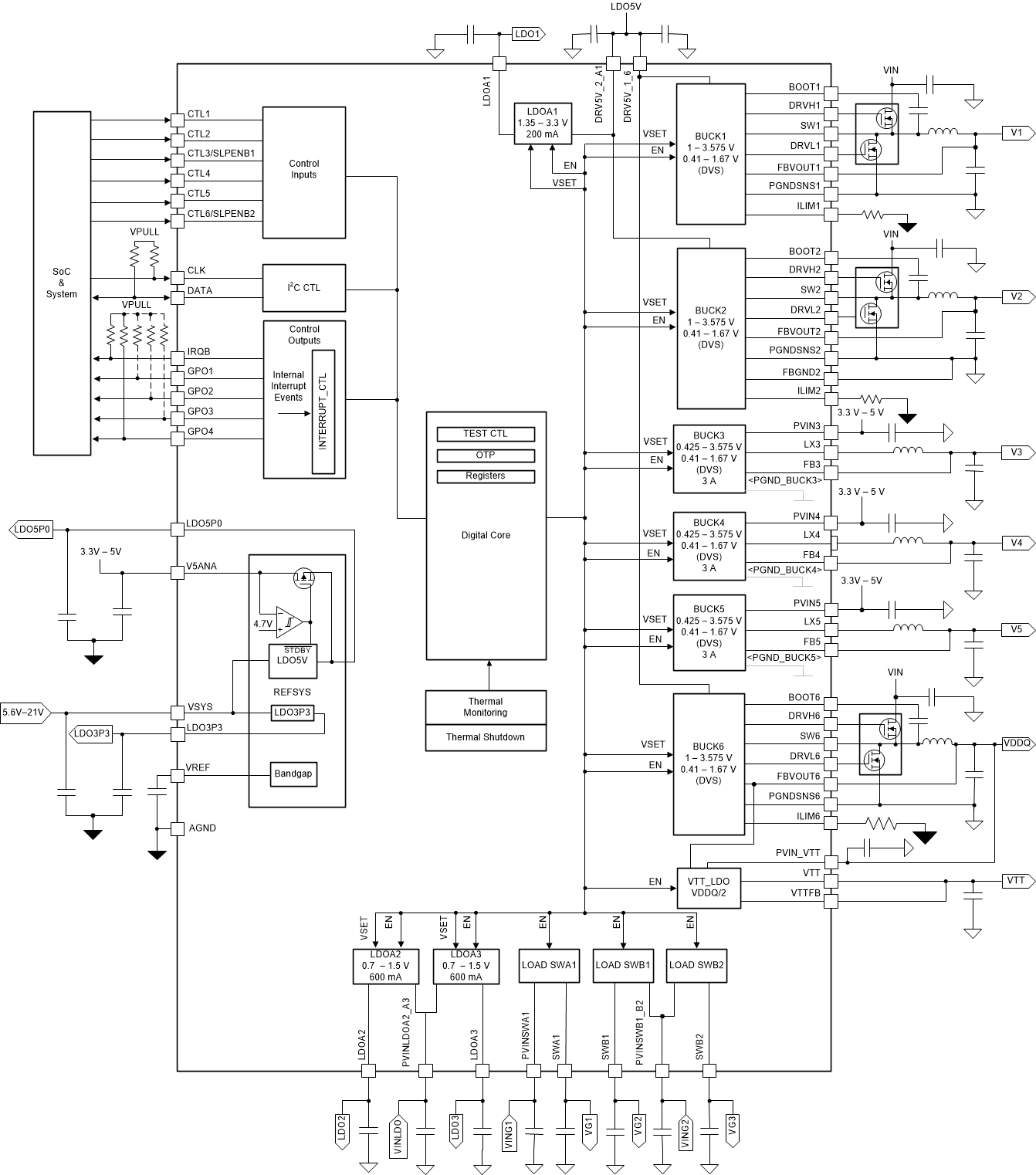
    2. 6.2  Functional Block Diagram
    3. 6.3  Programming the TPS650861
    4. 6.4  SMPS Voltage Regulators
      1. 6.4.1 Controller Overview
      2. 6.4.2 Converter Overview
      3. 6.4.3 DVS
      4. 6.4.4 Decay
      5. 6.4.5 Current Limit
    5. 6.5  LDOs and Load Switches
      1. 6.5.1 VTT LDO
      2. 6.5.2 LDOA1–LDOA3
      3. 6.5.3 Load Switches
    6. 6.6  Power Goods (PGOOD or PG) and GPOs
    7. 6.7  One-Time Programmable Memory
    8. 6.8  Power Sequencing and VR Control
      1. 6.8.1 CTLx Sequencing
      2. 6.8.2 PG Sequencing
      3. 6.8.3 Enable Delay
      4. 6.8.4 Power-Up Sequence
      5. 6.8.5 Power-Down Sequence
      6. 6.8.6 Sleep State Entry and Exit
      7. 6.8.7 Emergency Shutdown
    9. 6.9  Device Functional Modes
      1. 6.9.1 Off Mode
      2. 6.9.2 Standby Mode
      3. 6.9.3 Active Mode
    10. 6.10 I2C Interface
      1. 6.10.1 F/S-Mode Protocol
    11. 6.11 I2C Address: 0x5E Register Maps
      1. 6.11.1  Register Map Summary
      2. 6.11.2  DEVICEID1: 1st PMIC Device and Revision ID Register (offset = 00h) [reset = X]
      3. 6.11.3  DEVICEID2: 2nd PMIC Device and Revision ID Register (offset = 01h) [reset = X]
      4. 6.11.4  IRQ: PMIC Interrupt Register (offset = 02h) [reset = 0000 0000]
      5. 6.11.5  IRQ_MASK: PMIC Interrupt Mask Register (offset = 03h) [reset = 1111 1111]
      6. 6.11.6  PMICSTAT: PMIC Status Register (offset = 04h) [reset = 0000 0000]
      7. 6.11.7  SHUTDNSRC: PMIC Shut-Down Event Register (offset = 05h) [reset = 0000 0000]
      8. 6.11.8  BUCK1CTRL: BUCK1 Control Register (offset = 20h) [reset = X]
      9. 6.11.9  BUCK2CTRL: BUCK2 Control Register (offset = 21h) [reset = X]
      10. 6.11.10 BUCK3DECAY: BUCK3 Decay Control Register (offset = 22h) [reset = X]
      11. 6.11.11 BUCK3VID: BUCK3 VID Register (offset = 23h) [reset = X]
      12. 6.11.12 BUCK3SLPCTRL: BUCK3 Sleep Control VID Register (offset = 24h) [reset = X]
      13. 6.11.13 BUCK4CTRL: BUCK4 Control Register (offset = 25h) [reset = X]
      14. 6.11.14 BUCK5CTRL: BUCK5 Control Register (offset = 26h) [reset = X]
      15. 6.11.15 BUCK6CTRL: BUCK6 Control Register (offset = 27h) [reset = X]
      16. 6.11.16 LDOA2CTRL: LDOA2 Control Register (offset = 28h) [reset = X]
      17. 6.11.17 LDOA3CTRL: LDOA3 Control Register (offset = 29h) [reset = X]
      18. 6.11.18 DISCHCTRL1: 1st Discharge Control Register (offset = 40h) [reset = X]
      19. 6.11.19 DISCHCTRL2: 2nd Discharge Control Register (offset = 41h) [reset = X]
      20. 6.11.20 DISCHCTRL3: 3rd Discharge Control Register (offset = 42h) [reset = X]
      21. 6.11.21 PG_DELAY1: 1st Power Good Delay Register (offset = 43h) [reset = X]
      22. 6.11.22 FORCESHUTDN: Force Emergency Shutdown Control Register (offset = 91h) [reset = 0000 0000]
      23. 6.11.23 BUCK1SLPCTRL: BUCK1 Sleep Control Register (offset = 92h) [reset = X]
      24. 6.11.24 BUCK2SLPCTRL: BUCK2 Sleep Control Register (offset = 93h) [reset = X]
      25. 6.11.25 BUCK4VID: BUCK4 VID Register (offset = 94h) [reset = X]
      26. 6.11.26 BUCK4SLPVID: BUCK4 Sleep VID Register (offset = 95h) [reset = X]
      27. 6.11.27 BUCK5VID: BUCK5 VID Register (offset = 96h) [reset = X]
      28. 6.11.28 BUCK5SLPVID: BUCK5 Sleep VID Register (offset = 97h) [reset = X]
      29. 6.11.29 BUCK6VID: BUCK6 VID Register (offset = 98h) [reset = X]
      30. 6.11.30 BUCK6SLPVID: BUCK6 Sleep VID Register (offset = 99h) [reset = X]
      31. 6.11.31 LDOA2VID: LDOA2 VID Register (offset = 9Ah) [reset = X]
      32. 6.11.32 LDOA3VID: LDOA3 VID Register (offset = 9Bh) [reset = X]
      33. 6.11.33 BUCK123CTRL: BUCK1-3 Control Register (offset = 9Ch) [reset = X]
      34. 6.11.34 PG_DELAY2: 2nd Power Good Delay Register (offset = 9Dh) [reset = X]
      35. 6.11.35 SWVTT_DIS: SWVTT Disable Register (offset = 9Fh) [reset = X]
      36. 6.11.36 I2C_RAIL_EN1: 1st VR Pin Enable Override Register (offset = A0h) [reset = X]
      37. 6.11.37 I2C_RAIL_EN2/GPOCTRL: 2nd VR Pin Enable Override and GPO Control Register (offset = A1h) [reset = X]
      38. 6.11.38 PWR_FAULT_MASK1: 1st VR Power Fault Mask Register (offset = A2h) [reset = X]
      39. 6.11.39 PWR_FAULT_MASK2: 2nd VR Power Fault Mask Register (offset = A3h) [reset = X]
      40. 6.11.40 GPO1PG_CTRL1: 1st GPO1 PG Control Register (offset = A4h) [reset = X]
      41. 6.11.41 GPO1PG_CTRL2: 2nd GPO1 PG Control Register (offset = A5h) [reset = X]
      42. 6.11.42 GPO4PG_CTRL1: 1st GPO4 PG Control Register (offset = A6h) [reset = X]
      43. 6.11.43 GPO4PG_CTRL2: 2nd GPO4 PG Control Register (offset = A7h) [reset = X]
      44. 6.11.44 GPO2PG_CTRL1: 1st GPO2 PG Control Register (offset = A8h) [reset = X]
      45. 6.11.45 GPO2PG_CTRL2: 2nd GPO2 PG Control Register (offset = A9h) [reset = X]
      46. 6.11.46 GPO3PG_CTRL1: 1st GPO3 PG Control Register (offset = AAh) [reset = X]
      47. 6.11.47 GPO3PG_CTRL2: 2nd GPO3 PG Control Register (offset = ABh) [reset = X]
      48. 6.11.48 MISCSYSPG Register (offset = ACh) [reset = X]
        1. 6.11.48.1 VTT_DISCH_CTRL Register (offset = ADh) [reset = X]
      49. 6.11.49 LDOA1_SWB2_CTRL: LDOA1 and SWB2 Control Register (offset = AEh) [reset = X]
      50. 6.11.50 PG_STATUS1: 1st Power Good Status Register (offset = B0h) [reset = 0000 0000]
      51. 6.11.51 PG_STATUS2: 2nd Power Good Status Register (offset = B1h) [reset = 0000 0000]
      52. 6.11.52 PWR_FAULT_STATUS1: 1st Power Fault Status Register (offset = B2h) [reset = 0000 0000]
      53. 6.11.53 PWR_FAULT_STATUS2: 2nd Power Fault Status Register (offset = B3h) [reset = 0000 0000]
      54. 6.11.54 TEMPCRIT: Temperature Fault Status Register (offset = B4h) [reset = 0000 0000]
      55. 6.11.55 TEMPHOT: Temperature Hot Status Register (offset = B5h) [reset = 0000 0000]
      56. 6.11.56 OC_STATUS: Overcurrent Fault Status Register (offset = B6h) [reset = 0000 0000]
    12. 6.12 I2C Address: 0x38 Register Maps
      1. 6.12.1  Register Map Summary
      2. 6.12.2  OTP_CTRL1 (offset = 02h) [reset = 0010 0000]
      3. 6.12.3  OTP_CTRL2 (offset = 03h) [reset = X]
      4. 6.12.4  BUCK1_CTRL_EN1 (offset = 07h) [reset = X]
      5. 6.12.5  BUCK1_CTRL_EN2 (offset = 08h) [reset = X]
      6. 6.12.6  BUCK1_CTRL_EN3 (offset = 09h) [reset = X]
      7. 6.12.7  BUCK2_CTRL_EN1 (offset = 0Ah) [reset = X]
      8. 6.12.8  BUCK2_CTRL_EN2 (offset = 0Bh) [reset = X]
      9. 6.12.9  BUCK2_CTRL_EN3 (offset = 0Ch) [reset = X]
      10. 6.12.10 BUCK3_CTRL_EN1 (offset = 0Ah) [reset = X]
      11. 6.12.11 BUCK3_CTRL_EN2 (offset = 0Eh) [reset = X]
      12. 6.12.12 BUCK3_CTRL_EN3 (offset = 0Fh) [reset = X]
      13. 6.12.13 BUCK4_CTRL_EN1 (offset = 10h) [reset = X]
      14. 6.12.14 BUCK4_CTRL_EN2 (offset = 11h) [reset = X]
      15. 6.12.15 BUCK4_CTRL_EN3 (offset = 12h) [reset = X]
      16. 6.12.16 BUCK5_CTRL_EN1 (offset = 13h) [reset = X]
      17. 6.12.17 BUCK5_CTRL_EN2 (offset = 14h) [reset = X]
      18. 6.12.18 BUCK5_CTRL_EN3 (offset = 15h) [reset = X]
      19. 6.12.19 BUCK6_CTRL_EN1 (offset = 16h) [reset = X]
      20. 6.12.20 BUCK6_CTRL_EN2 (offset = 17h) [reset = X]
      21. 6.12.21 BUCK6_CTRL_EN3 (offset = 18h) [reset = X]
      22. 6.12.22 SWA1_CTRL_EN1 (offset = 19h) [reset = X]
      23. 6.12.23 SWA1_CTRL_EN2 (offset = 1Ah) [reset = X]
      24. 6.12.24 SWA1_CTRL_EN3 (offset = 1Bh) [reset = X]
      25. 6.12.25 LDOA2_CTRL_EN1 (offset = 1Ch) [reset = X]
      26. 6.12.26 LDOA2_CTRL_EN2 (offset = 1Dh) [reset = X]
      27. 6.12.27 LDOA2_CTRL_EN3 (offset = 1Eh) [reset = X]
      28. 6.12.28 LDOA3_CTRL_EN1 (offset = 1Fh) [reset = X]
      29. 6.12.29 LDOA3_CTRL_EN2 (offset = 20h) [reset = X]
      30. 6.12.30 LDOA3_CTRL_EN3 (offset = 21h) [reset = X]
      31. 6.12.31 SWB1_CTRL_EN1 (offset = 22h) [reset = X]
      32. 6.12.32 SWB1_CTRL_EN2 (offset = 23h) [reset = X]
      33. 6.12.33 SWB1_CTRL_EN3 (offset = 24h) [reset = X]
      34. 6.12.34 SWB2_LDOA1_CTRL_EN1 (offset = 25h) [reset = X]
      35. 6.12.35 SWB2_LDOA1_CTRL_EN2 (offset = 26h) [reset = X]
      36. 6.12.36 SWB2_LDOA1_CTRL_EN3 (offset = 27h) [reset = X]
      37. 6.12.37 SLP_PIN (offset = 29h) [reset = X]
      38. 6.12.38 OUTPUT_MODE (offset = 2Ah) [reset = X]
      39. 6.12.39 I2C_SLAVE_ADDR (offset = 5Fh) [reset = X]
  8. Applications, Implementation, and Layout
    1. 7.1 Application Information
    2. 7.2 Typical Application
      1. 7.2.1 Design Requirements
      2. 7.2.2 Detailed Design Procedure
        1. 7.2.2.1 Controller Design Procedure
          1. 7.2.2.1.1 Selecting the Inductor
          2. 7.2.2.1.2 Selecting the Output Capacitors
          3. 7.2.2.1.3 Selecting the FETs
          4. 7.2.2.1.4 Bootstrap Capacitor
          5. 7.2.2.1.5 Setting the Current Limit
          6. 7.2.2.1.6 Selecting the Input Capacitors
        2. 7.2.2.2 Converter Design Procedure
          1. 7.2.2.2.1 Selecting the Inductor
          2. 7.2.2.2.2 Selecting the Output Capacitors
          3. 7.2.2.2.3 Selecting the Input Capacitors
        3. 7.2.2.3 LDO Design Procedure
      3. 7.2.3 Application Curves
      4. 7.2.4 Layout
        1. 7.2.4.1 Layout Guidelines
        2. 7.2.4.2 Layout Example
      5. 7.2.5 VIN 5-V Application
        1. 7.2.5.1 Design Requirements
        2. 7.2.5.2 Design Procedure
        3. 7.2.5.3 Application Curves
    3. 7.3 Power Supply Coupling and Bulk Capacitors
    4. 7.4 Dos and Don'ts
  9. Device and Documentation Support
    1. 8.1 Device Support
      1. 8.1.1 サード・パーティ製品に関する免責事項
      2. 8.1.2 Development Support
    2. 8.2 Documentation Support
      1. 8.2.1 Related Documentation
    3. 8.3 ドキュメントの更新通知を受け取る方法
    4. 8.4 サポート・リソース
    5. 8.5 Trademarks
    6. 8.6 静電気放電に関する注意事項
    7. 8.7 用語集
  10. Revision History
  11. 10Mechanical, Packaging, and Orderable Information
Data Sheet

TPS650861 プログラマブル・マルチレール PMU、マルチコア・プロセッサ / FPGA / システム用

このリソースの元の言語は英語です。 翻訳は概要を便宜的に提供するもので、自動化ツール (機械翻訳) を使用していることがあり、TI では翻訳の正確性および妥当性につきましては一切保証いたしません。 実際の設計などの前には、ti.com で必ず最新の英語版をご参照くださいますようお願いいたします。

最新の英語版をダウンロード