SLLA284G July   2022  – September 2023 ISO5451 , ISO5452 , ISO5851 , ISO5852S , ISO7142CC , ISO7142CC-Q1 , ISO721 , ISO721-Q1 , ISO721M , ISO721M-EP , ISO722 , ISO7220A , ISO7220M , ISO7221A , ISO7221B , ISO7221C , ISO7221M , ISO722M , ISO7230C , ISO7230M , ISO7231C , ISO7231M , ISO7240C , ISO7240CF , ISO7240M , ISO7241C , ISO7241M , ISO7242C , ISO7242M , ISO7310-Q1 , ISO7310C , ISO7340-Q1 , ISO7340C , ISO7340FC , ISO7341-Q1 , ISO7341C , ISO7341FC , ISO7342-Q1 , ISO7342C , ISO7342FC , ISO7740 , ISO7741 , ISO7742 , ISO7760 , ISO7761 , ISO7762 , ISO7810 , ISO7820 , ISO7821 , ISO7830 , ISO7831 , ISO7840 , ISO7841 , ISO7842

 

  1.   1
  2.   Digital Isolator Design Guide
  3.   Trademarks
  4. 1Operating Principle
    1. 1.1 Edge-Based Communication
    2. 1.2 On-Off Keying (OOK) Based Communication
  5. 2Typical Applications for Digital Isolators and Isolated Functions
  6. 3Digital Isolator Selection Guide
    1. 3.1 Parameters of Interest
    2. 3.2 Isolator Families
  7. 4PCB Design Guidelines
    1. 4.1 PCB Material
    2. 4.2 Layer Stack
    3. 4.3 Creepage Distance
    4. 4.4 Controlled Impedance Transmission Lines
    5. 4.5 Reference Planes
    6. 4.6 Routing
    7. 4.7 Vias
    8. 4.8 Decoupling Capacitors
  8. 5Summary
  9. 6References
  10. 7Revision History

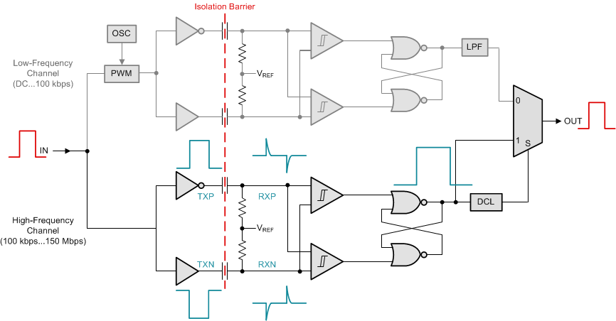
Edge-Based Communication

The conceptual block diagram of edge-based communication is shown in Figure 1-1. The isolators of ISO73xx, ISO74xx, ISO71xx, ISO76xx, ISO75xx, and ISO72xx families use this architecture in some form.

The device consists of at least two data channels, a high-frequency channel (HF) with a bandwidth from 100kbps up to 150Mbps, and a low-frequency channel (LF) covering the range from 100kbps down to dc.

In principle, a single-ended input signal entering the HF-channel is split into a differential signal via the inverter gate at the input. The following capacitor-resistor networks differentiate the signal into small and narrow transients, which then are converted into rail-to-rail differential pulses by two comparators. The comparator outputs drive a NOR-gate flip-flop whose output feeds an output multiplexer. A decision logic (DCL) at the driving output of the flip-flop measures the durations between signal transients. If the duration between two consecutive transients exceeds a certain time limit (as in the case of a low-frequency signal) the DCL forces the output-multiplexer to switch from the high-frequency to the low-frequency channel.

Because low-frequency input signals require the internal capacitors to assume prohibitively large values, these signals are pulse-width modulated (PWM) with the carrier frequency of an internal oscillator, thus creating a sufficiently high frequency, capable of passing the capacitive barrier. As the input is modulated, a low-pass filter (LPF) is needed to remove the high-frequency carrier from the actual data before passing it on to the output multiplexer.

GUID-7454465B-3386-4109-9337-C051B4A29984-low.gifFigure 1-1 Conceptual Block Diagram of Edge-Based Architecture