SLLA497 September   2020 TMS320F28P550SG , TMS320F28P550SJ , TMS320F28P559SG-Q1 , TMS320F28P559SJ-Q1

 

  1.   1
  2.   2
    1.     3
    2.     4
  3.   5
    1.     6
    2.     7
  4.   8
    1.     9
    2.     10
    3.     11
    4.     12
    5.     13
    6.     14
    7.     15
  5.   16
    1.     17
    2.     18
    3.     19
    4.     20
    5.     21
  6.   22
    1.     23
    2.     24
  7.   25
  8.   26

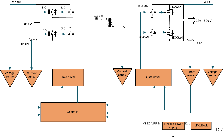
Dual Active Bridge (DAB)

Figure 4-2 depicts the basic topology of the Dual Active Bridge converter. It consists of full bridge with active switches on both the primary and secondary sides connected together by a high-frequency transformer. Because of the inherent lagging current in one of the bridges, the current discharges the output capacitance of switches of one bridge (say secondary side) and some switches of the primary side thereby enabling ZVS turn on. In addition to this lossless capacitive snubbers can be used across the switches to reduce turn off losses. The main advantages of this converter are its inherent bidirectional capability which is achieved by controlling the phase angle between the two bridges and its modularity that allows for it to be scaled to higher power levels.

GUID-20200626-SS0I-3DGC-1XS3-PBWS76GFMC6H-low.gifFigure 4-2 Dual Active Bridge.

The control of the DAB ranges from simple (or single phase shift modulation) to complex (for extended, dual and triple phase shift modulation). This topology can be used to cover a wide variation of battery voltages with single phase shift modulation but circulating currents in the transformer increase which drastically reduces efficiency. But with advanced modulation schemes like triple phase shift, the converter can theoretically achieve ZVS over the entire operating range. The utilization of the output power to the transformer KVA rating is high for this topology. The required output capacitor to handle the ripple currents is also low for this converter. This converter with the relatively fewer number of devices, soft-switching commutations, low cost, and high efficiency is used in applications where the power density, cost, weight, isolation, and reliability are critical factors. Another limiting feature is that the converter often requires an additional shim inductor which is needed for ZVS operation and it can make the converter bulky and can hamper power density. The Bi-directional, dual active bridge reference design for level 3 electric vehicle charging stations TI reference design contains details on the implementation of this converter.