SLLA497 September   2020 TMS320F28P550SG , TMS320F28P550SJ , TMS320F28P559SG-Q1 , TMS320F28P559SJ-Q1

 

  1.   1
  2.   2
    1.     3
    2.     4
  3.   5
    1.     6
    2.     7
  4.   8
    1.     9
    2.     10
    3.     11
    4.     12
    5.     13
    6.     14
    7.     15
  5.   16
    1.     17
    2.     18
    3.     19
    4.     20
    5.     21
  6.   22
    1.     23
    2.     24
  7.   25
  8.   26

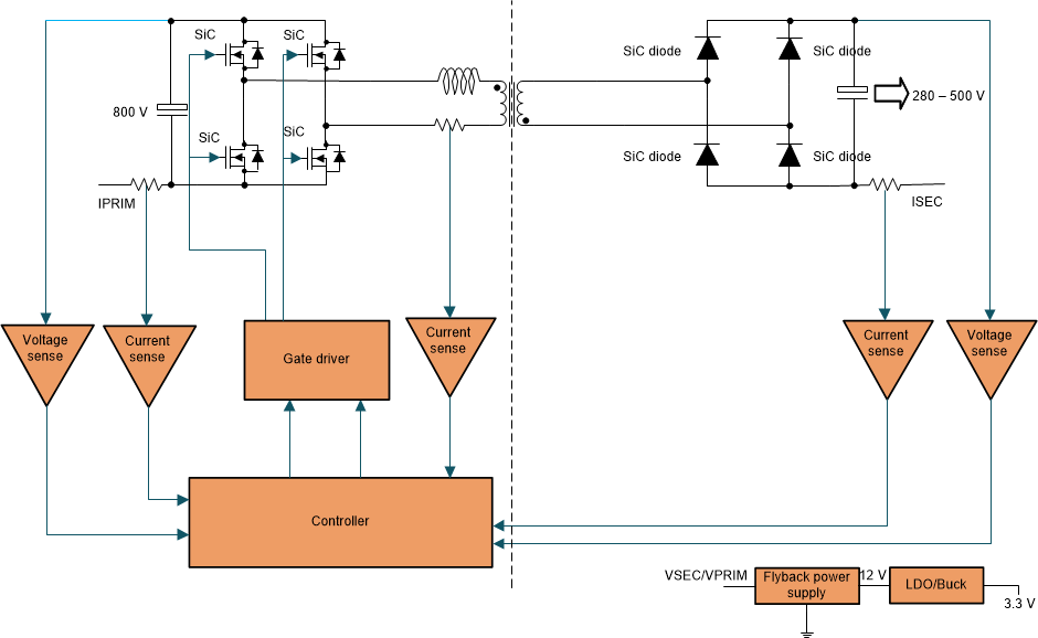
Conventional Phase-shifted Full Bridge (PSFB)

Figure 4-1 shows the basic topology of the phase shifted full bridge converter. The phase shifted full bridge belongs to the family of Dual Active Bridge converters where the active switches on the secondary are replaced with diodes. Due to this, it allows only unidirectional power transfer. The Phase-Shifted Full Bridge DC/DC Power Converter TI reference design contains details on the implementation of this converter.

GUID-20200626-SS0I-JK6R-G48L-WWPWF4HNWV6D-low.gifFigure 4-1 Phase-shifted Full Bridge.

The power transfer between the primary and secondary is controlled by varying the phase between the switch legs of the primary bridge. As a result it is possible to obtain ZVS turn on of one leg and low voltage turn on of the other leg minimizing losses. The passive diodes on the secondary can experience hard switching and result in more conduction losses which can reduce the efficiency of this converter. This converter suffers non ZVS turn on loss at light load condition and non ZVS turn off. Typically burst mode of operation is used to maintain ZVS at light load condition. This converter is also modular and it can be paralleled to obtain higher power throughput in EV charging stations. In PSFB, dithering can be easily implemented to reduce the conducted EMI signature. This topology requires a DC blocking capacitor which is needed to block DC voltage offset saturating the transformer in voltage mode control. This converter often requires an additional shim inductor which is needed for ZVS operation and it can make the converter bulky and can hamper power density.