SWRS215E April 2019 – December 2024 CC3235S , CC3235SF
PRODUCTION DATA
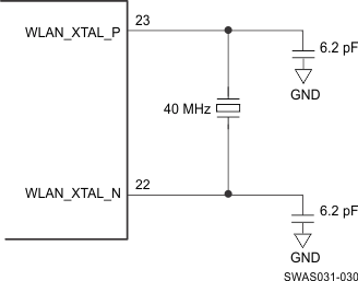
The CC3235x device also incorporates an internal crystal oscillator to support a crystal-based fast clock. The crystal is fed directly between WLAN_XTAL_P (pin 23) and WLAN_XTAL_N (pin 22) with suitable loading capacitors.
Figure 7-11 shows the crystal connections for the fast clock.

Table 7-20 lists the WLAN fast-clock crystal requirements.