SLUS223H April 1997 – October 2024 UC1842 , UC1843 , UC1844 , UC1845 , UC2842 , UC2843 , UC2844 , UC2845 , UC3842 , UC3843 , UC3844 , UC3845
PRODUCTION DATA
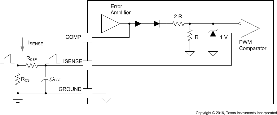
An external series resistor, RCS, senses the current and converts this current into a voltage that becomes the input to the ISENSE pin. The ISENSE pin is the noninverting input to the PWM comparator. The ISENSE input is compared to a signal proportional to the error amplifier output voltage; the gain of the current sense amplifier is typically 3 V/V. The peak ISENSE current is determined by Equation 6:

The typical value for VISENSE is 1 V. A small RC filter, RCSF and CCSF, can be required to suppress switch transients caused by the reverse recovery of a secondary side diode or equivalent capacitive loading in addition to parasitic circuit impedances. The time constant of this filter can be considerably less than the switching period of the converter.
Figure 7-3 Current-Sense Circuit Schematic