SPRUI33H November 2015 – June 2024 TMS320F280040-Q1 , TMS320F280040C-Q1 , TMS320F280041 , TMS320F280041-Q1 , TMS320F280041C , TMS320F280041C-Q1 , TMS320F280045 , TMS320F280048-Q1 , TMS320F280048C-Q1 , TMS320F280049 , TMS320F280049-Q1 , TMS320F280049C , TMS320F280049C-Q1
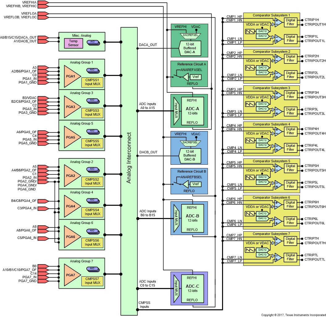
The following analog subsystem block diagrams show the connections between the different integrated analog modules to the device pins. These pins fall into two categories: analog module inputs/outputs and reference pins.
The analog pins are organized into analog groups around a PGA and CMPSS module. The block diagram shows which pins connect to each group, but does not show the specific connections from the pins to the ADC, DAC, CMPSS, or PGA modules.
The VDAC reference pin can be used to set an alternate range for DAC A, DAC B and for the DACs inside the CMPSS modules (the CMPSS DACs are referenced to VDDA and VSSA by default). Using this pin as a reference prevents the channel from being used as an ADC input (but the ADC can be used to sample the VDAC voltage, if desired). The choice of reference is configurable per-module for each CMPSS or buffered DAC, and the selection is made using the module’s configuration registers.
The following notes apply to all packages:
Figure 12-4 shows how each analog group is structured. Table 12-2 lists the analog pins and internal connections.
Figure 12-1 Analog Subsystem Block Diagram (100-Pin PZ LQFP)
Figure 12-2 Analog Subsystem Block Diagram (64-Pin PM LQFP)
Figure 12-3 Analog Subsystem Block Diagram (56-Pin RSH VQFN)