SPRUIW9C October 2021 – March 2024 TMS320F280033 , TMS320F280034 , TMS320F280034-Q1 , TMS320F280036-Q1 , TMS320F280036C-Q1 , TMS320F280037 , TMS320F280037-Q1 , TMS320F280037C , TMS320F280037C-Q1 , TMS320F280038-Q1 , TMS320F280038C-Q1 , TMS320F280039 , TMS320F280039-Q1 , TMS320F280039C , TMS320F280039C-Q1
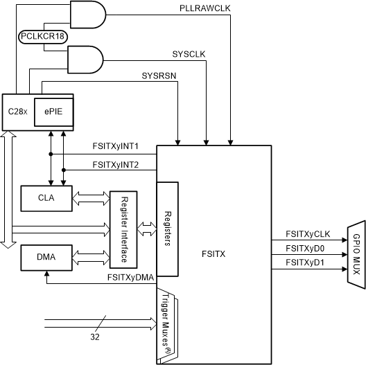
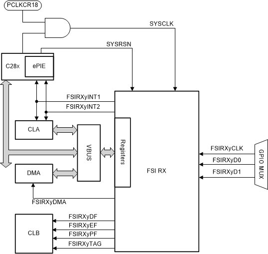
The following diagrams show the CPU interface of each FSI module.

Figure 31-2 FSI Receiver (FSIRX) CPU
Interface with CLB