SLUSBV4C June   2018  – June 2025 BQ40Z80

PRODUCTION DATA  

  1.   1
  2. Features
  3. Applications
  4. Description
  5. Pin Configuration and Functions
  6. Specifications
    1. 5.1 Absolute Maximum Ratings
    2. 5.2 ESD Ratings
    3. 5.3 Recommended Operating Conditions
    4. 5.4 Thermal Information
    5. 5.5 Electrical Characteristics
    6. 5.6 Typical Characteristics
  7. Detailed Description
    1. 6.1 Overview
    2. 6.2 Functional Block Diagram
    3. 6.3 Feature Description
      1. 6.3.1  Primary (1st Level) Safety Features
      2. 6.3.2  Secondary (2nd Level) Safety Features
      3. 6.3.3  Charge Control Features
      4. 6.3.4  Gas Gauging
      5. 6.3.5  Multifunction Pins
      6. 6.3.6  Configuration
        1. 6.3.6.1 Oscillator Function
        2. 6.3.6.2 System Present Operation
        3. 6.3.6.3 Emergency Shutdown
        4. 6.3.6.4 2-Series, 3-Series, 4-Series, 5-Series, or 6-Series Cell Configuration
        5. 6.3.6.5 Cell Balancing
      7. 6.3.7  Battery Parameter Measurements
        1. 6.3.7.1 Charge and Discharge Counting
      8. 6.3.8  Lifetime Data Logging Features
      9. 6.3.9  Authentication
      10. 6.3.10 Tamper Protection
      11. 6.3.11 LED Display
      12. 6.3.12 IATA Support
      13. 6.3.13 Voltage
      14. 6.3.14 Current
      15. 6.3.15 Temperature
      16. 6.3.16 Communications
        1. 6.3.16.1 SMBus On and Off State
        2. 6.3.16.2 SBS Commands
    4. 6.4 Device Functional Modes
  8. Applications and Implementation
    1. 7.1 Application Information Disclaimer
    2. 7.2 Application Information
    3. 7.3 Typical Applications
      1. 7.3.1 Design Requirements
      2. 7.3.2 Detailed Design Procedure
        1. 7.3.2.1 Using the BQ40Z80EVM with BQSTUDIO
        2. 7.3.2.2 High-Current Path
          1. 7.3.2.2.1 Protection FETs
          2. 7.3.2.2.2 Chemical Fuse
          3. 7.3.2.2.3 Lithium-Ion Cell Connections
          4. 7.3.2.2.4 Sense Resistor
          5. 7.3.2.2.5 ESD Mitigation
        3. 7.3.2.3 Gas Gauge Circuit
          1. 7.3.2.3.1 Coulomb-Counting Interface
          2. 7.3.2.3.2 Power Supply Decoupling and PBI
          3. 7.3.2.3.3 System Present
          4. 7.3.2.3.4 SMBus Communication
          5. 7.3.2.3.5 FUSE Circuitry
        4. 7.3.2.4 Secondary-Current Protection
          1. 7.3.2.4.1 Cell and Battery Inputs
          2. 7.3.2.4.2 External Cell Balancing
          3. 7.3.2.4.3 PACK and FET Control
          4. 7.3.2.4.4 Pre-Discharge Control
          5. 7.3.2.4.5 Temperature Output
          6. 7.3.2.4.6 LEDs
      3. 7.3.3 Application Curve
    4. 7.4 Power Supply Recommendations
    5. 7.5 Layout
      1. 7.5.1 Layout Guidelines
        1. 7.5.1.1 Protector FET Bypass and Pack Terminal Bypass Capacitors
        2. 7.5.1.2 ESD Spark Gap
      2. 7.5.2 Layout Examples
  9. Device and Documentation Support
    1. 8.1 Device Support
      1. 8.1.1 Third-Party Products Disclaimer
    2. 8.2 Documentation Support
      1. 8.2.1 Related Documentation
    3. 8.3 Receiving Notification of Documentation Updates
    4. 8.4 Support Resources
    5. 8.5 Trademarks
    6. 8.6 Electrostatic Discharge Caution
    7. 8.7 Glossary
  10. Revision History
  11. 10Mechanical, Packaging, and Orderable Information

Package Options

Mechanical Data (Package|Pins)
Thermal pad, mechanical data (Package|Pins)
Orderable Information

Description

The BQ40Z80 device is a fully integrated, single-chip option that incorporates patented Impedance Track technology. The BQ40Z80 device provides a range of features for gas gauging, protection, and authentication, supporting 2-series to 6-series cell Li-ion and Li-polymer battery packs.

Using integrated high-performance analog peripherals, the BQ40Z80 device measures and maintains an accurate record of available capacity, voltage, current, temperature, and other critical parameters in Li-ion or Li-polymer batteries. The record is reported to the system host controller over an SMBus v1.1 compatible interface.

Elliptic curve cryptography (ECC) or SHA-1 authentication with secure memory for authentication keys enables identification of genuine battery packs.

The BQ40Z80 device supports TURBO Mode 2.0/Intel Dynamic Battery Power Technology (DBPTv2) by providing the available max power and max current to the host system. The device has eight multifunction pins that can be configured as thermal inputs, ADC inputs, general purpose input/output (GPIO) pins, a presence pin, LED functions, display button input, or other functions. Status and flag registers are mappable to the GPIOs and used as interrupts to the host processor.

The BQ40Z80 device provides software-based 1st- and 2nd-level safety protection against overvoltage, undervoltage, overcurrent, short-circuit current, overload, and overtemperature conditions, as well as other pack-related and cell-related faults. The compact 32-lead QFN package minimizes the cost and size for smart batteries, while providing maximum functionality and safety for battery gauging applications.

Package Information
PART NUMBER PACKAGE(1) PACKAGE SIZE(2)
BQ40Z80 VQFN (RSM, 32) 4.00mm × 4.00mm
The package size (length × width) is a nominal value and includes pins, where applicable.
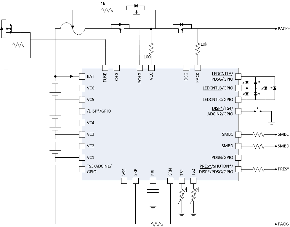
BQ40Z80 Simplified Schematic Simplified Schematic