SLUSBV4C June   2018  – June 2025 BQ40Z80

PRODUCTION DATA  

  1.   1
  2. Features
  3. Applications
  4. Description
  5. Pin Configuration and Functions
  6. Specifications
    1. 5.1 Absolute Maximum Ratings
    2. 5.2 ESD Ratings
    3. 5.3 Recommended Operating Conditions
    4. 5.4 Thermal Information
    5. 5.5 Electrical Characteristics
    6. 5.6 Typical Characteristics
  7. Detailed Description
    1. 6.1 Overview
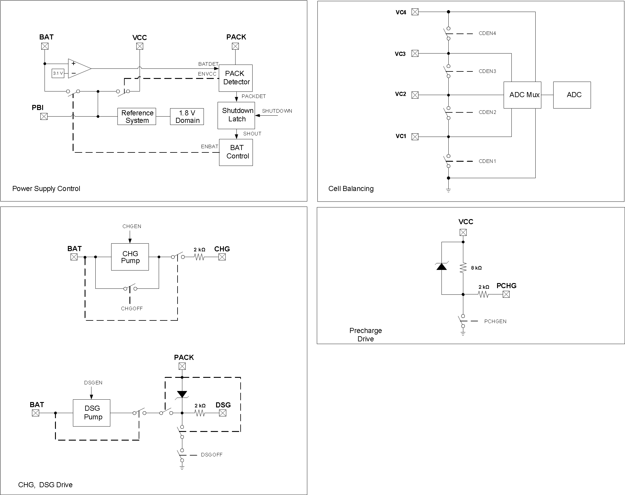
    2. 6.2 Functional Block Diagram
    3. 6.3 Feature Description
      1. 6.3.1  Primary (1st Level) Safety Features
      2. 6.3.2  Secondary (2nd Level) Safety Features
      3. 6.3.3  Charge Control Features
      4. 6.3.4  Gas Gauging
      5. 6.3.5  Multifunction Pins
      6. 6.3.6  Configuration
        1. 6.3.6.1 Oscillator Function
        2. 6.3.6.2 System Present Operation
        3. 6.3.6.3 Emergency Shutdown
        4. 6.3.6.4 2-Series, 3-Series, 4-Series, 5-Series, or 6-Series Cell Configuration
        5. 6.3.6.5 Cell Balancing
      7. 6.3.7  Battery Parameter Measurements
        1. 6.3.7.1 Charge and Discharge Counting
      8. 6.3.8  Lifetime Data Logging Features
      9. 6.3.9  Authentication
      10. 6.3.10 Tamper Protection
      11. 6.3.11 LED Display
      12. 6.3.12 IATA Support
      13. 6.3.13 Voltage
      14. 6.3.14 Current
      15. 6.3.15 Temperature
      16. 6.3.16 Communications
        1. 6.3.16.1 SMBus On and Off State
        2. 6.3.16.2 SBS Commands
    4. 6.4 Device Functional Modes
  8. Applications and Implementation
    1. 7.1 Application Information Disclaimer
    2. 7.2 Application Information
    3. 7.3 Typical Applications
      1. 7.3.1 Design Requirements
      2. 7.3.2 Detailed Design Procedure
        1. 7.3.2.1 Using the BQ40Z80EVM with BQSTUDIO
        2. 7.3.2.2 High-Current Path
          1. 7.3.2.2.1 Protection FETs
          2. 7.3.2.2.2 Chemical Fuse
          3. 7.3.2.2.3 Lithium-Ion Cell Connections
          4. 7.3.2.2.4 Sense Resistor
          5. 7.3.2.2.5 ESD Mitigation
        3. 7.3.2.3 Gas Gauge Circuit
          1. 7.3.2.3.1 Coulomb-Counting Interface
          2. 7.3.2.3.2 Power Supply Decoupling and PBI
          3. 7.3.2.3.3 System Present
          4. 7.3.2.3.4 SMBus Communication
          5. 7.3.2.3.5 FUSE Circuitry
        4. 7.3.2.4 Secondary-Current Protection
          1. 7.3.2.4.1 Cell and Battery Inputs
          2. 7.3.2.4.2 External Cell Balancing
          3. 7.3.2.4.3 PACK and FET Control
          4. 7.3.2.4.4 Pre-Discharge Control
          5. 7.3.2.4.5 Temperature Output
          6. 7.3.2.4.6 LEDs
      3. 7.3.3 Application Curve
    4. 7.4 Power Supply Recommendations
    5. 7.5 Layout
      1. 7.5.1 Layout Guidelines
        1. 7.5.1.1 Protector FET Bypass and Pack Terminal Bypass Capacitors
        2. 7.5.1.2 ESD Spark Gap
      2. 7.5.2 Layout Examples
  9. Device and Documentation Support
    1. 8.1 Device Support
      1. 8.1.1 Third-Party Products Disclaimer
    2. 8.2 Documentation Support
      1. 8.2.1 Related Documentation
    3. 8.3 Receiving Notification of Documentation Updates
    4. 8.4 Support Resources
    5. 8.5 Trademarks
    6. 8.6 Electrostatic Discharge Caution
    7. 8.7 Glossary
  10. Revision History
  11. 10Mechanical, Packaging, and Orderable Information

Package Options

Mechanical Data (Package|Pins)
Thermal pad, mechanical data (Package|Pins)
Orderable Information

Pin Configuration and Functions

BQ40Z80 RSM Package32-Pin VQFN with Exposed
                        Thermal Pad
                    Top View Figure 4-1 RSM Package32-Pin VQFN with Exposed Thermal Pad Top View
Table 4-1 Pin Functions
PIN TYPE DESCRIPTION
NAME NUMBER
VC5 1 AI(1) Sense voltage input pin for the fifth cell from the bottom of the stack, balance current input for the fifth cell from the bottom of the stack, and return balance current for the sixth cell from the bottom of the stack. Connect to the positive terminal of the fifth cell from the bottom of stack with a 100Ω series resistor and a 0.1µF capacitor to VC4. If not used, connect to VC4.
VC4 2 AI Sense voltage input pin for the fourth cell from the bottom of the stack, balance current input for the fourth cell from the bottom of the stack, and return balance current for the fifth cell from the bottom of the stack. Connect to the positive terminal of the fourth cell from the bottom of stack with a 100Ω series resistor and a 0.1µF capacitor to VC3. If not used, connect to VC3.
VC3 3 AI Sense voltage input pin for the third cell from the bottom of the stack, balance current input for the third cell from the bottom of the stack, and return balance current for the fourth cell from the bottom of the stack. Connect to the positive terminal of the third cell from the bottom of stack with a 100Ω series resistor and a 0.1µF capacitor to VC2. If not used, connect to VC2.
VC2 4 AI Sense voltage input pin for the second cell from the bottom of the stack, balance current input for the second cell from the bottom of the stack, and return balance current for the third cell from the bottom of the stack. Connect to the positive terminal of the second cell from the bottom of stack with a 100Ω series resistor and a 0.1µF capacitor to VC1. If not used, connect to VC1.
VC1 5 AI Sense voltage input pin for the first cell from the bottom of the stack, balance current input for the first cell from the bottom of the stack, and return balance current for the second cell from the bottom of the stack. Connect to the positive terminal of the first cell from the bottom of stack with a 100Ω series resistor and a 0.1µF capacitor to VSS.
SRN 6 I Analog input pin connected to the internal coulomb counter peripheral for integrating a small voltage between SRP and SRN, where SRP is the top of the sense resistor and charging current flows from SRP to SRN. Connect through an RC filter to the sense resistor terminal connected to PACK– (not CELL–).
NC 7 Not internally connected
SRP 8 I Analog input pin connected to the internal coulomb counter peripheral for integrating a small voltage between SRP and SRN, where SRP is the top of the sense resistor and charging current flows from SRP to SRN. Connect through an RC filter to the sense resistor positive terminal, which is connected to the least-positive cells negative terminal.
VSS 9 P Device ground
TS1 10 AI Temperature sensor 1 thermistor input pin. Connect to thermistor-1. If not used, connect directly to VSS and configure data flash accordingly.
TS2 11 AI Temperature sensor 2 thermistor input pin. Connect to thermistor-2. If not used, connect directly to VSS and configure data flash accordingly.
TS3/ADCIN1/
GPIO
12 IO Multifunction pin for TS3, ADCIN1, and GPIO. Can be configured in the control registers. If not used, connect directly to VSS and configure data flash accordingly.
TS3: Temperature sensor 3 thermistor input pin. Connect to thermistor-3.
ADCIN1: General-purpose ADCIN pin. Connect properly scaled input to this pin.
GPIO: Customizable GPIO
DISP/TS4/ADCIN2/GPIO 13 IO Multifunction pin for the display button, temperature sensor input, ADC input, or GPIO. Can be configured in the control registers. If not used, connect directly to VSS and configure data flash accordingly.
DISP: Connect to the display button or LED.
TS4: Temperature sensor 4 thermistor input pin. Connect to thermistor-4.
ADCIN2: General-purpose ADCIN pin. Connect properly scaled input to this pin.
GPIO: Customizable GPIO
NC 14 Not internally connected
DISP/GPIO 15 I/OD Multifunction pin for the display button, or GPIO. Can be configured in the control registers. If not used, connect directly to VSS and configure data flash accordingly.
DISP: Connect to the display button or LED.
GPIO: Customizable GPIO
PDSG/GPIO 16 I/OD Multifunction pin for pre-discharge FET control, or GPIO. Can be configured in the control registers. If not used, connect directly to VSS and configure data flash accordingly.
PDSG: Connect to the N-channel FET to control PRE-DISCHARGE mode.
GPIO: Customizable GPIO
PRES/ SHUTDN/ DISP/
PDSG/GPIO
17 I/OD Multifunction pin for host system present input, emergency system shutdown, LED button control, pre-discharge control, or GPIO. Can be configured in the control registers. If not used, connect directly to VSS and configure data flash accordingly.
PRES: Connect to host to detect system present input for a removable battery pack. Do not pullup this pin.
SHUTDN: Emergency shutdown input for an embedded battery pack
DISP: Connect to the display button or LED.
PDSG: Connect to the N-channel FET to control PRE-DISCHARGE mode.
GPIO: Customizable GPIO
SMBD 18 I/OD SMBus data pin
SMBC 19 I/OD SMBus clock pin
LEDCNTLA/PDSG/GPIO 20 O Multifunction pin for LED display, pre-discharge, or GPIO. If not used, connect to VSS with a 20-kΩ resistor.
LEDCNTLA: LED display segment that drives the external LEDs, depending on the firmware configuration.
PDSG: Connect to the N-channel FET to control PRE-DISCHARGE mode.
GPIO: Customizable GPIO
LEDCNTLB/GPIO 21 O Multifunction pin for LED display or GPIO. If not used, connect to VSS with a 20-kΩ resistor.
LEDCNTLB: LED display segment that drives the external LEDs, depending on the firmware configuration.
GPIO: Customizable GPIO
LEDCNTLC/GPIO 22 O Multifunction pin for LED display or GPIO. If not used, connect to VSS with a 20-kΩ resistor.
LEDCNTLC: LED display segment that drives the external LEDs, depending on the firmware configuration
GPIO: Customizable GPIO
FUSE 23 O Fuse drive output pin. Can be OR'ed together into the fuse N-channel FET gate drive with secondary protector. If not used, connect directly to VSS.
VCC 24 P Secondary power supply input. Connect to the middle of protection FETs through the series resistor.
PACK 25 AI Pack sense input pin. Connect through the series resistor to PACK+.
DSG 26 O NMOS discharge FET drive output pin. Connect to the DSG FET gate.
NC 27 Not internally connected.
PCHG 28 O PMOS precharge FET drive output pin. Connect to the PCHG FET gate if the precharge function is used. Leave floating if not used.
CHG 29 O NMOS charge FET drive output pin. Connect to the CHG FET gate.
BAT 30 P Primary power supply input pin. Connect through the diode and series resistor to the top of the cell stack.
PBI 31 P Power supply backup input pin. Connect to the 2.2µF capacitor to VSS.
VC6 32 AI Sense voltage input pin for the sixth cell from the bottom of the stack, balance current input for the sixth cell from the bottom of the stack. Connect to the positive terminal of the sixth cell from the bottom of stack with 100Ω series resistor and a 0.1µF capacitor to VC5. If not used, connect to VC5.
P = Power Connection, O = Digital Output, AI = Analog Input, I = Digital Input, I/OD = Digital Input/Output
BQ40Z80 Pin
                    Equivalent Diagram 1 Figure 4-2 Pin Equivalent Diagram 1
BQ40Z80 Pin
                    Equivalent Diagram 2 Figure 4-3 Pin Equivalent Diagram 2