SCDS390B September   2018  – March 2025 TMUX1511

PRODUCTION DATA  

  1.   1
  2. Features
  3. Applications
  4. Description
  5. Pin Configuration and Functions
    1.     Pin Functions
  6. Specifications
    1. 5.1 Absolute Maximum Ratings
    2. 5.2 ESD Ratings
    3. 5.3 Recommended Operating Conditions
    4. 5.4 Thermal Information
    5. 5.5 Electrical Characteristics
    6. 5.6 Dynamic Characteristics
    7. 5.7 Timing Requirements
    8. 5.8 Typical Characteristics
      1. 5.8.1 Eye Diagrams
  7. Parameter Measurement Information
    1. 6.1  On-Resistance
    2. 6.2  Off-Leakage Current
    3. 6.3  On-Leakage Current
    4. 6.4  IPOFF Leakage Current
    5. 6.5  Transition Time
    6. 6.6  TON (VDD) and TOFF (VDD) Time
    7. 6.7  Propagation Delay
    8. 6.8  Skew
    9. 6.9  Charge Injection
    10. 6.10 Capacitance
    11. 6.11 Off Isolation
    12. 6.12 Channel-to-Channel Crosstalk
    13. 6.13 Bandwidth
  8. Detailed Description
    1. 7.1 Overview
    2. 7.2 Functional Block Diagram
    3. 7.3 Feature Description
      1. 7.3.1 Bidirectional Operation
      2. 7.3.2 Beyond Supply Operation
      3. 7.3.3 1.8V Logic Compatible Inputs
      4. 7.3.4 Powered-off Protection
      5. 7.3.5 Fail-Safe Logic
      6. 7.3.6 Low Capacitance
      7. 7.3.7 Integrated Pull-Down Resistors
    4. 7.4 Device Functional Modes
    5. 7.5 Truth Tables
  9. Application and Implementation
    1. 8.1 Application Information
    2. 8.2 Typical Application
      1. 8.2.1 Protocol / Signal Isolation
        1. 8.2.1.1 Design Requirements
        2. 8.2.1.2 Detailed Design Procedure
        3. 8.2.1.3 Application Curves
      2. 8.2.2 Transimpedance Amplifier Feedback Control
        1. 8.2.2.1 Design Requirements
        2. 8.2.2.2 Detailed Design Procedure
        3. 8.2.2.3 Application Curves
  10. Power Supply Recommendations
  11. 10Layout
    1. 10.1 Layout Guidelines
    2. 10.2 Layout Example
  12. 11Device and Documentation Support
    1. 11.1 Third-Party Products Disclaimer
    2. 11.2 Documentation Support
      1. 11.2.1 Related Documentation
    3. 11.3 Receiving Notification of Documentation Updates
    4. 11.4 Support Resources
    5. 11.5 Trademarks
    6. 11.6 Electrostatic Discharge Caution
    7. 11.7 Glossary
  13. 12Revision History
  14. 13Mechanical, Packaging, and Orderable Information

Package Options

Mechanical Data (Package|Pins)
Thermal pad, mechanical data (Package|Pins)
Orderable Information

On-Leakage Current

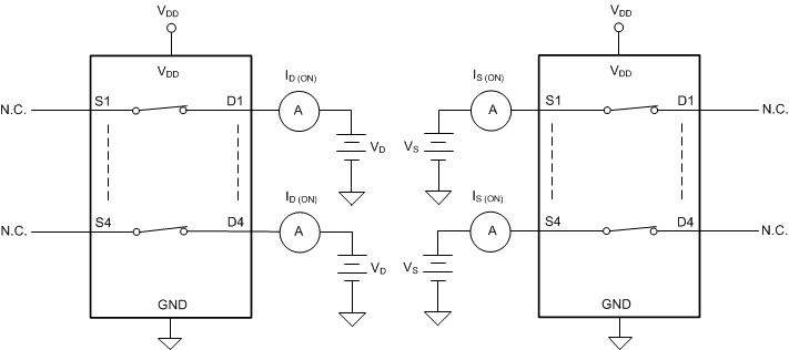
Source on-leakage current is defined as the leakage current flowing into or out of the source pin when the switch is on. This current is denoted by the symbol IS(ON).

Drain on-leakage current is defined as the leakage current flowing into or out of the drain pin when the switch is on. This current is denoted by the symbol ID(ON).

Either the source pin or drain pin is left floating during the measurement. Figure 6-3 shows the circuit used for measuring the on-leakage current, denoted by IS(ON) or ID(ON).

TMUX1511 On-Leakage Measurement SetupFigure 6-3 On-Leakage Measurement Setup