JAJA831D May   2021  – April 2025 DP83867CR , DP83867CS , DP83867E , DP83867IR , DP83867IS , DP83869HM

 

  1.   1
  2.   概要
  3.   商標
  4. 1規格とシステム要件
    1. 1.1 規格
    2. 1.2 テスト装置サプライヤ
    3. 1.3 テストのシステム要件
    4. 1.4 ソフトウェアのセットアップとインストール
  5. 2イーサネット物理レイヤ準拠テスト
    1. 2.1 規格テスト構成と手順
    2. 2.2 1000BASE-T
      1. 2.2.1 テスト モード 1
        1. 2.2.1.1 テンプレート
        2. 2.2.1.2 ピーク電圧
        3. 2.2.1.3 ドループ
      2. 2.2.2 テスト モード 2
        1. 2.2.2.1 マスタ フィルタなしのジッタ
      3. 2.2.3 テスト モード 4
        1. 2.2.3.1 歪み
        2. 2.2.3.2 同相電圧
        3. 2.2.3.3 リターン ロス
        4. 2.2.3.4 同相ノイズ除去
    3. 2.3 100BASE-TX
      1. 2.3.1  テンプレート(アクティブ出力インターフェイス)
      2. 2.3.2  差動出力電圧
      3. 2.3.3  信号振幅シンメトリ
      4. 2.3.4  立ち上がりおよび立ち下がり時間
      5. 2.3.5  波形オーバーシュート
      6. 2.3.6  ジッタ
      7. 2.3.7  デューティ サイクルの歪み
      8. 2.3.8  リターン ロス
      9. 2.3.9  同相電圧
      10. 2.3.10 同相ノイズ除去
    4. 2.4 10BASE-Te
      1. 2.4.1 リンク パルス
      2. 2.4.2 10BASE-Te 規格
        1. 2.4.2.1 TP_IDL
        2. 2.4.2.2 MAU、内部
        3. 2.4.2.3 TPM ありのジッタ
        4. 2.4.2.4 TPM なしのジッタ
        5. 2.4.2.5 差動電圧
        6. 2.4.2.6 同相電圧
        7. 2.4.2.7 リターン ロス
        8. 2.4.2.8 高調波コンテンツ
        9. 2.4.2.9 同相信号除去
  6. 3デバッグ試験メソッド
  7. 4参考資料
  8. 5改訂履歴
  9.   A 付録 A:DP8386x 用のイーサネット準拠テストの概要
  10.   B 付録 B:DP8386x 用イーサネット準拠試験の MDIO レジスタへの書き込み

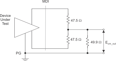
同相電圧

目的:同相電圧が規定の範囲内であることを確認します。

合格条件:同相電圧の振幅が 50mVpp 以内であること。

具体的なテスト構成:正しいテスト用治具の接続を検証します。付録 B の 1000 Base テスト モード 4 に従って MDIO レジスタを設定して、テスト モード 4 を出力するように PHY を構成します。

適切な測定のために、DUT グランドをテスト用治具のグランドに接続します (図 2-8 の IEEE 802.3 で概説)。

 IEEE 定義 CM 電圧テスト設定図 2-8 IEEE 定義 CM 電圧テスト設定