SPRUHJ1I January 2013 – October 2021 TMS320F2802-Q1 , TMS320F28026-Q1 , TMS320F28026F , TMS320F28027-Q1 , TMS320F28027F , TMS320F28027F-Q1 , TMS320F28052-Q1 , TMS320F28052F , TMS320F28052F-Q1 , TMS320F28052M , TMS320F28052M-Q1 , TMS320F28054-Q1 , TMS320F28054F , TMS320F28054F-Q1 , TMS320F28054M , TMS320F28054M-Q1 , TMS320F2806-Q1 , TMS320F28062-Q1 , TMS320F28062F , TMS320F28062F-Q1 , TMS320F28068F , TMS320F28068M , TMS320F28069-Q1 , TMS320F28069F , TMS320F28069F-Q1 , TMS320F28069M , TMS320F28069M-Q1
It turns out that the control of the d-axis and q-axis currents are not independent from one another. Within the motor, the q-axis current has an effect on the d-axis current and vice-versa. This is substantiated by the differential equations below for a PMSM.


Where:
From Equation 72 we see that the d-axis current is not only affected by the output voltage of the d-axis current regulator (Vd), but also a voltage which is a function of iq. From Equation 73, Vq is also competing with the voltage "ω(Ls id + Ke)" for control of the iq level. For both regulators, this cross-coupling effect manifests itself as an unwanted disturbance which is most prominent during transient conditions at high speeds. To correct for this situation, feed-forward decoupling should be applied to each axis which exactly cancels these competing voltage terms. This correction results in each regulator acting on the equivalent of a simple RL circuit, just like we have with a DC motor. The result is the regulator topology shown in Figure 12-19. To judge the effectiveness of this technique, consider the simulation results of Figure 12-20 which show a step response in Q-axis current and how it affect the d-axis current, with and without decoupling compensation.
Figure 11-19 Decoupled PI Controllers for a PMSM
Figure 11-20 Simulated Effectiveness of Current Regulator DecouplingFor AC Induction Motors, the correction becomes a little more complicated. The differential equations defining AC induction motor operation are shown below:


Where:
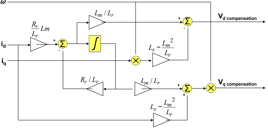
Similar to the situation with a PMSM machine, we see that there are other voltages besides Vd and Vq competing for control of id and iq respectively. As a result, compensation voltages are added to Vd and Vq which nullify these other voltage terms. This results in each axis acting on the equivalent of a simple RL circuit, again just like we have with a DC motor. But with an ACIM, please remember that the inductance value used for calculating
and
is the stator inductance multiplied by the leakage factor σ, as indicated by Equation 71. The compensation block used to provide correction voltages to the outputs of the Id and Iq regulators is shown in Figure 12-21.
Figure 11-21 Compensation Block Used for Axis Decoupling with ACIMs