SWRA640H December   2018  – May 2024 CC1310 , CC1312R , CC1314R10 , CC1350 , CC1352P , CC1352R , CC1354P10 , CC1354R10 , CC2620 , CC2630 , CC2640 , CC2640R2F , CC2640R2F-Q1 , CC2642R , CC2642R-Q1 , CC2650 , CC2652P , CC2652R , CC2652R7 , CC2652RB , CC2652RSIP , CC2674P10 , CC2674R10

 

  1.   1
  2.   Abstract
  3.   Trademarks
  4. Reference Design
    1. 1.1 Sub-1GHz LaunchPads
      1. 1.1.1 LAUNCHXL-CC1310
      2. 1.1.2 LAUNCHXL-CC1312R
    2. 1.2 2.4GHz LaunchPads
      1. 1.2.1 LAUNCHXL-CC2640R2
      2. 1.2.2 LAUNCHXL-CC26x2R
      3. 1.2.3 LP-CC26x1
    3. 1.3 Dual-Band LaunchPads
      1. 1.3.1 LAUNCHXL-CC1350EU/US
      2. 1.3.2 LAUNCHXL-CC1350-4
      3. 1.3.3 LAUNCHXL-CC1352R
      4. 1.3.4 LAUNCHXL-CC1352P1
      5. 1.3.5 LAUNCHXL-CC1352P-2
      6. 1.3.6 LAUNCHXL-CC1352P-4
      7. 1.3.7 LP-CC1352P7-1
      8. 1.3.8 LP-CC1352P7-4
      9. 1.3.9 LP-EM-CC1354P10-6
    4. 1.4 Reference Design Overview
  5. Front-End Configurations
    1. 2.1 Overview of Front-end Configurations
    2. 2.2 Configuring the Front-End Mode
    3. 2.3 CC13xx Single-Ended Mode
      1. 2.3.1 Single-Ended Modes
      2. 2.3.2 Single-Ended TX-Only
      3. 2.3.3 Single-Ended RX-Only
      4. 2.3.4 Single-Ended Modes - 2.4GHz
    4. 2.4 CC26xx Single-End Mode
  6. Schematic
    1. 3.1 Schematic Overview
      1. 3.1.1 24/48MHz Crystal
      2. 3.1.2 32.768kHz Crystal
      3. 3.1.3 Balun
      4. 3.1.4 Filter
      5. 3.1.5 RX_TX Pin
      6. 3.1.6 Decoupling Capacitors
      7. 3.1.7 Antenna Components
      8. 3.1.8 RF Shield
      9. 3.1.9 I/O Pins Drive Strength
    2. 3.2 Bootloader Pins
    3. 3.3 AUX Pins
      1. 3.3.1 Reference
      2. 3.3.2 CC26x2/CC13x2 AUX Pins
      3. 3.3.3 CC26x0/CC13x0 AUX Pins
    4. 3.4 JTAG Pins
  7. PCB Layout
    1. 4.1  Board Stack-Up
    2. 4.2  Balun - Sub-1GHz
    3. 4.3  Balun - 2.4GHz
      1. 4.3.1 Recommended Layout and Considerations for 20dBm
    4. 4.4  LC Filter
    5. 4.5  Decoupling Capacitors
    6. 4.6  Placement of Crystal Load Capacitors
    7. 4.7  Current Return Path
    8. 4.8  DC/DC Regulator
    9. 4.9  Antenna Matching Components
    10. 4.10 Transmission Lines
    11. 4.11 Electromagnetic Simulation
  8. Antenna
    1. 5.1 Single-Band Antenna
    2. 5.2 Dual-Band Antenna
      1. 5.2.1 Dual-Band Antenna Match Example: 863-928 MHz and 2.4 GHz
      2. 5.2.2 Dual-Band Antenna Match: 433-510MHz and 2.4GHz
  9. Crystal Tuning
    1. 6.1 CC13xx/CC26xx Crystal Oscillators
    2. 6.2 Crystal Selection
    3. 6.3 Tuning the LF Crystal Oscillator
    4. 6.4 Tuning the HF Oscillator
  10. TCXO Support
    1. 7.1 Hardware
    2. 7.2 Software
    3. 7.3 Example: Usage of TCXO on CC1312R Launchpad
  11. Integrated Passive Component (IPC)
  12. Optimum Load Impedance
  13. 10PA Table
  14. 11Power Supply Configuration
    1. 11.1 Introduction
    2. 11.2 DC/DC Converter Mode
    3. 11.3 Global LDO Mode
    4. 11.4 External Regulator Mode
  15. 12Board Bring-Up
    1. 12.1 Power On
    2. 12.2 RF Test: SmartRF Studio
    3. 12.3 RF Test: Conducted Measurements
      1. 12.3.1 Sensitivity
      2. 12.3.2 Output Power
    4. 12.4 Software Bring-Up
    5. 12.5 Hardware Troubleshooting
      1. 12.5.1 No Link: RF Settings
      2. 12.5.2 No Link: Frequency Offset
      3. 12.5.3 Poor Link: Antenna
      4. 12.5.4 Bluetooth Low Energy: Device Does Advertising But Cannot Connect
      5. 12.5.5 Poor Sensitivity: DCDC Layout
      6. 12.5.6 Poor Sensitivity: Background noise
      7. 12.5.7 High Sleep Power Consumption
  16. 13References
  17. 14Revision History

LC Filter

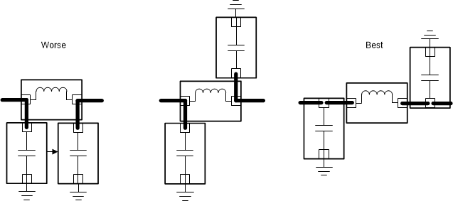
The LC filter should be laid out so that crosstalk between the shunt components is minimized. Figure 4-4 shows three different layouts from worse to best. The advantage with the layout to the right is that the parasitic inductance in the PCB track (in black) between the shunt capacitor and the series inductor is in series with the inductor. In the middle figure, the parasitic inductance is in series with the shunt capacitor forming a series LC circuit. The placement of C12, L13, C13, L14, and C14 in Figure 4-2 shows good design practice.

If the design cannot use the reference design as-is (for example, use of a different component size) the filter balun will most likely have to be re-tuned. Simulate both the TI reference design and the custom design using an electromagnetic simulator. The two designs should have the same S21/S22.

CC1354P10-6 LC Filter PCB Layout Design
                    Guideline Figure 4-4 LC Filter PCB Layout Design Guideline