SLVSEE9D April   2020  – April 2021 DRV8889-Q1

PRODUCTION DATA  

  1. Features
  2. Applications
  3. Description
  4. Revision History
  5. Pin Configuration and Functions
    1.     Pin Functions
  6. Specifications
    1. 6.1 Absolute Maximum Ratings
    2. 6.2 ESD Ratings
    3. 6.3 Recommended Operating Conditions
    4. 6.4 Thermal Information
    5. 6.5 Electrical Characteristics
    6. 6.6 SPI Timing Requirements
    7. 6.7 Indexer Timing Requirements
    8. 6.8 Typical Characteristics
  7. Detailed Description
    1. 7.1 Overview
    2. 7.2 Functional Block Diagram
    3. 7.3 Feature Description
      1. 7.3.1  Stepper Motor Driver Current Ratings
        1. 7.3.1.1 Peak Current Rating
        2. 7.3.1.2 rms Current Rating
        3. 7.3.1.3 Full-Scale Current Rating
      2. 7.3.2  PWM Motor Drivers
      3. 7.3.3  Microstepping Indexer
      4. 7.3.4  Controlling VREF with an MCU DAC
      5. 7.3.5  Current Regulation
      6. 7.3.6  Decay Modes
        1. 7.3.6.1 Slow Decay for Increasing and Decreasing Current
        2. 7.3.6.2 Slow Decay for Increasing Current, Mixed Decay for Decreasing Current
        3. 7.3.6.3 Mode 4: Slow Decay for Increasing Current, Fast Decay for Decreasing current
        4. 7.3.6.4 Mixed Decay for Increasing and Decreasing Current
        5. 7.3.6.5 Smart tune Dynamic Decay
        6. 7.3.6.6 Smart tune Ripple Control
      7. 7.3.7  Blanking Time
      8. 7.3.8  Charge Pump
      9. 7.3.9  Linear Voltage Regulators
      10. 7.3.10 Logic Level Pin Diagrams
        1. 7.3.10.1 nFAULT Pin
      11. 7.3.11 Protection Circuits
        1. 7.3.11.1 VM Undervoltage Lockout (UVLO)
        2. 7.3.11.2 VCP Undervoltage Lockout (CPUV)
        3. 7.3.11.3 Overcurrent Protection (OCP)
          1. 7.3.11.3.1 Latched Shutdown (OCP_MODE = 0b)
          2. 7.3.11.3.2 Automatic Retry (OCP_MODE = 1b)
        4. 7.3.11.4 Open-Load Detection (OL)
        5. 7.3.11.5 Stall Detection
        6. 7.3.11.6 Thermal Shutdown (OTSD)
          1. 7.3.11.6.1 Latched Shutdown (OTSD_MODE = 0b)
          2. 7.3.11.6.2 Automatic Recovery (OTSD_MODE = 1b)
        7. 7.3.11.7 Overtemperature Warning (OTW)
        8. 7.3.11.8 Undertemperature Warning (UTW)
        9.       53
    4. 7.4 Device Functional Modes
      1. 7.4.1 Sleep Mode (nSLEEP = 0)
      2. 7.4.2 Disable Mode (nSLEEP = 1, DRVOFF = 1)
      3. 7.4.3 Operating Mode (nSLEEP = 1, DRVOFF = 0)
      4. 7.4.4 nSLEEP Reset Pulse
      5.      59
    5. 7.5 Programming
      1. 7.5.1 Serial Peripheral Interface (SPI) Communication
        1. 7.5.1.1 SPI Format
        2. 7.5.1.2 SPI for a Single Slave Device
        3. 7.5.1.3 SPI for Multiple Slave Devices in Parallel Configuration
        4. 7.5.1.4 SPI for Multiple Slave Devices in Daisy Chain Configuration
    6. 7.6 Register Maps
  8. Application and Implementation
    1. 8.1 Application Information
    2. 8.2 Typical Application
      1. 8.2.1 Design Requirements
      2. 8.2.2 Detailed Design Procedure
        1. 8.2.2.1 Stepper Motor Speed
        2. 8.2.2.2 Current Regulation
        3. 8.2.2.3 Decay Modes
      3. 8.2.3 Application Curves
      4. 8.2.4 Thermal Application
        1. 8.2.4.1 Power Dissipation
          1. 8.2.4.1.1 Conduction Loss
          2. 8.2.4.1.2 Switching Loss
          3. 8.2.4.1.3 Power Dissipation Due to Quiescent Current
          4. 8.2.4.1.4 Total Power Dissipation
        2. 8.2.4.2 PCB Types
        3. 8.2.4.3 Thermal Parameters for HTSSOP Package
        4. 8.2.4.4 Thermal Parameters for VQFN Package
        5. 8.2.4.5 Device Junction Temperature Estimation
  9. Power Supply Recommendations
    1. 9.1 Bulk Capacitance
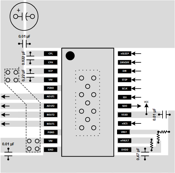
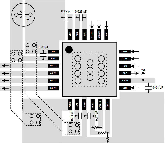
  10. 10Layout
    1. 10.1 Layout Guidelines
    2. 10.2 Layout Example
  11. 11Device and Documentation Support
    1. 11.1 Documentation Support
      1. 11.1.1 Related Documentation
    2. 11.2 Receiving Notification of Documentation Updates
    3. 11.3 Support Resources
    4. 11.4 Trademarks
    5. 11.5 Electrostatic Discharge Caution
    6. 11.6 Glossary
  12. 12Mechanical, Packaging, and Orderable Information

Package Options

Mechanical Data (Package|Pins)
Thermal pad, mechanical data (Package|Pins)
Orderable Information

Layout Example

GUID-BA3625E2-A05B-4B11-8174-AC344E94F7C1-low.gifFigure 10-1 HTSSOP Layout Recommendation
GUID-77AC155D-A75F-4BDF-81B6-1B1D98B36D2A-low.gif Figure 10-2 QFN Layout Recommendation