SLOS970B January   2018  – January 2025 TPA6404-Q1

PRODUCTION DATA  

  1.   1
  2. Features
  3. Applications
  4. Description
  5. Pin Configuration and Functions
  6. Specifications
    1. 5.1 Absolute Maximum Ratings
    2. 5.2 ESD Ratings
    3. 5.3 Recommended Operating Conditions
    4. 5.4 Thermal Information
    5. 5.5 Electrical Characteristics
    6. 5.6 Typical Characteristics
  7. Parameter measurement Information
  8. Detailed description
    1. 7.1 Overview
    2. 7.2 Functional Block Diagram
    3. 7.3 Feature Description
      1. 7.3.1 Differential Analog inputs
      2. 7.3.2 Gain Control and AC-Coupling
      3. 7.3.3 High-Frequency Pulse-Width Modulator (PWM)
      4. 7.3.4 Gate Drive
      5. 7.3.5 Power FETs
      6. 7.3.6 Load Diagnostics
        1. 7.3.6.1 DC Load Diagnostics
          1. 7.3.6.1.1 Automatic DC Load Diagnostics
          2. 7.3.6.1.2 I2C Controlled DC Load Diagnostics
        2. 7.3.6.2 Line Output Diagnostics
        3. 7.3.6.3 AC Load Diagnostics
          1. 7.3.6.3.1 Impedance Phase Reference Measurement
          2. 7.3.6.3.2 Impedance Phase Measurement
          3. 7.3.6.3.3 Impedance Magnitude Measurement
      7. 7.3.7 Protection and Monitoring
        1. 7.3.7.1 Over current Limit (ILIMIT)
        2. 7.3.7.2 Over current Shutdown (ISD)
        3. 7.3.7.3 DC Detect
        4. 7.3.7.4 Clip Detect
        5. 7.3.7.5 Global Over Temperature Warning (OTW), Over Temperature Shutdown (OTSD) and Thermal Foldback (TFB)
        6. 7.3.7.6 Channel Over Temperature Warning [OTW(i)] and Shutdown [OTSD(i)]
        7. 7.3.7.7 Thermal Foldback
        8. 7.3.7.8 Undervoltage (UV) and Power-On-Reset (POR)
        9. 7.3.7.9 Over Voltage (OV) and Load Dump
      8. 7.3.8 Power Supply
        1. 7.3.8.1 Power-Supply Sequence
      9. 7.3.9 Hardware Control Pins
        1. 7.3.9.1 FAULT
        2. 7.3.9.2 WARN
        3. 7.3.9.3 MUTE
        4. 7.3.9.4 STANDBY
    4. 7.4 Device Functional Modes
      1. 7.4.1 Operating Modes and Faults
    5. 7.5 Programming
      1. 7.5.1 I2C Serial Communication Bus
      2. 7.5.2 I2C Bus Protocol
      3. 7.5.3 Random Write
      4. 7.5.4 Sequential Write
      5. 7.5.5 Random Read
      6. 7.5.6 Sequential Read
  9. Registers
    1. 8.1 Register Maps
      1. 8.1.1  Mode Control Register (address = 0x00) [default = 0x00]
      2. 8.1.2  Miscellaneous Control 1 Register (address = 0x01) [default = 0x32]
      3. 8.1.3  Miscellaneous Control 2 Register (address = 0x02) [default = 0x62]
      4. 8.1.4  Channel State Control Register (address = 0x04) [default = 0x55]
      5. 8.1.5  DC Load Diagnostic Control 1 Register (address = 0x09) [default = 0x00]
      6. 8.1.6  DC Load Diagnostic Control 2 Register (address = 0x0A) [default = 0x11]
      7. 8.1.7  DC Load Diagnostic Control 3 Register (address = 0x0B) [default = 0x11]
      8. 8.1.8  DC Load Diagnostic Report 1 Register (address = 0x0C) [default = 0x00]
      9. 8.1.9  DC Load Diagnostic Report 2 Register (address = 0x0D) [default = 0x00]
      10. 8.1.10 DC Load Diagnostics Report 3—Line Output—Register (address = 0x0E) [default = 0x00]
      11. 8.1.11 Channel State Reporting Register (address = 0x0F) [default = 0x55]
      12. 8.1.12 Channel Faults (Over current, DC Detection) Register (address = 0x10) [default = 0x00]
      13. 8.1.13 Global Faults 1 Register (address = 0x11) [default = 0x00]
      14. 8.1.14 Global Faults 2 Register (address = 0x12) [default = 0x00]
      15. 8.1.15 Warnings Register (address = 0x13) [default = 0x20]
      16. 8.1.16 Pin Control Register (address = 0x14) [default = 0x00]
      17. 8.1.17 AC Load Diagnostic Control 1 Register (address = 0x15) [default = 0x00]
      18. 8.1.18 AC Load Diagnostic Control 2 Register (address = 0x16) [default = 0x00]
      19. 8.1.19 AC Load Diagnostic Report Ch1 through CH4 Registers (address = 0x17–0x1A) [default = 0x00]
      20. 8.1.20 AC Load Diagnostic Report Phase High Register (address = 0x1B) [default = 0x00]
      21. 8.1.21 AC Load Diagnostic Report Phase Low Register (address = 0x1C) [default = 0x00]
      22. 8.1.22 AC Load Diagnostic Report STI High Register (address = 0x1D) [default = 0x00]
      23. 8.1.23 AC Load Diagnostic Report STI Low Register (address = 0x1E) [default = 0x00]
      24. 8.1.24 Miscellaneous Control 3 Register (address = 0x21) [default = 0x00]
      25. 8.1.25 Clip Control Register (address = 0x22) [default = 0x01]
      26. 8.1.26 Clip Warning Register (address = 0x24) [default = 0x00]
      27. 8.1.27 Current LIMIT Status Register (address = 0x25) [default = 0x00]
      28. 8.1.28 Fault and Warning Pin Control Register (address = 0x27) [default = 0x7F]
      29. 8.1.29 Thermal Foldback Control Register (address = 0x28) [default = 0x00]
      30. 8.1.30 AC Diagnostic Frequency Control Register (address = 0x2A) [default = 0x32]
      31. 8.1.31 SYNC PIN Control Register (address = 0x2B) [default = 0x02]
  10. Application and Implementation
    1. 9.1 Application Information
      1. 9.1.1 AM Radio Avoidance
      2. 9.1.2 Parallel BTL Operation (PBTL)
      3. 9.1.3 Reconstruction Filter Design
      4. 9.1.4 Line Driver Applications
    2. 9.2 Typical Applications
      1. 9.2.1 BTL Application
        1. 9.2.1.1 Design Requirements
        2. 9.2.1.2 Detailed Design Procedure
          1. 9.2.1.2.1 Hardware Design
          2. 9.2.1.2.2 Bootstrap Capacitors
          3. 9.2.1.2.3 Output Reconstruction Filter
        3. 9.2.1.3 Application Curves
        4. 9.2.1.4 PBTL Application
          1. 9.2.1.4.1 Design Requirements
          2. 9.2.1.4.2 Detailed Design Procedure
            1. 9.2.1.4.2.1 Hardware Design
          3. 9.2.1.4.3 Application Curves
    3. 9.3 Power Supply Recommendations
    4. 9.4 Layout
      1. 9.4.1 Layout Guidelines
        1. 9.4.1.1 Electrical Connection of Thermal pad and Heat Sink
        2. 9.4.1.2 EMI Considerations
        3. 9.4.1.3 General Considerations
      2. 9.4.2 Layout Example
      3. 9.4.3 Thermal Considerations
  11. 10Device and Documentation Support
    1. 10.1 Documentation Support
      1. 10.1.1 Related Documentation
    2. 10.2 Receiving Notification of Documentation Updates
    3. 10.3 Electrostatic Discharge Caution
    4. 10.4 Glossary
    5. 10.5 Support Resources
    6. 10.6 Trademarks
  12. 11Revision History
  13. 12Mechanical, Packaging, and Orderable Information
    1. 12.1 Package Option Addendum
      1. 12.1.1 Packaging Information
      2. 12.1.2 Tape and Reel Information

Package Options

Refer to the PDF data sheet for device specific package drawings

Mechanical Data (Package|Pins)
  • DKQ|56
Thermal pad, mechanical data (Package|Pins)
Orderable Information

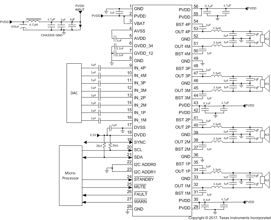
BTL Application

Figure 9-2 shows the schematic of a typical 4-channel solution for a head unit application.

TPA6404-Q1 Typical 4-Channel BTL Application SchematicFigure 9-2 Typical 4-Channel BTL Application Schematic