SBAU315B July   2018  – March 2025 ADS9224R , ADS9234R

 

  1.   1
  2.   ADS9224REVM-PDK
  3.   Trademarks
  4. 1Overview
    1. 1.1 ADS9224REVM-PDK Features
    2. 1.2 ADS9224REVM Features
  5. 2Analog Interface
    1. 2.1 Connectors for Signal Source
    2. 2.2 ADC Differential Input Signal Driver
      1. 2.2.1 Input Signal Path
    3. 2.3 ADS9224R Internal Reference
  6. 3Digital Interfaces
    1. 3.1 multiSPI for ADC Digital IO
  7. 4Power Supplies
  8. 5Setup
    1. 5.1 Default Jumper Settings
    2. 5.2 EVM Graphical User Interface (GUI) Software Installation
  9. 6Operation
    1. 6.1 EVM GUI Global Settings for ADC Control
    2. 6.2 Register Map Configuration Tool
    3. 6.3 Time Domain Display Tool
    4. 6.4 Spectral Analysis Tool
    5. 6.5 Histogram Tool
  10. 7ADS9224REVM Bill of Materials, PCB Layout, and Schematics
    1. 7.1 Bill of Materials
    2. 7.2 PCB Layout
    3. 7.3 Schematics
  11. 8Revision History

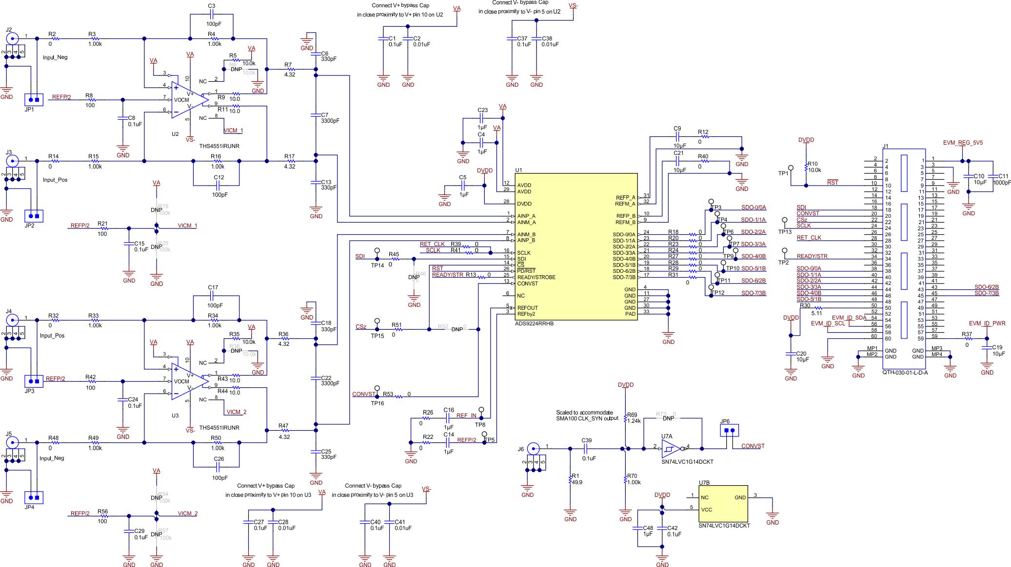
Schematics

Figure 7-6 and Figure 7-7 illustrate the EVM schematics.

 ADS9224REVM Schematic Diagram 1 Figure 7-6 ADS9224REVM Schematic Diagram 1
 ADS9224REVM Schematic Diagram 2Figure 7-7 ADS9224REVM Schematic Diagram 2