SNLA239D May   2021  – April 2025 DP83867CR , DP83867CS , DP83867E , DP83867IR , DP83867IS , DP83869HM

 

  1.   1
  2.   Abstract
  3.   Trademarks
  4. 1Standards and System Requirements
    1. 1.1 Standards
    2. 1.2 Test Equipment Suppliers
    3. 1.3 Test System Requirements
    4. 1.4 Software Setup and Installation
  5. 2Ethernet Physical Layer Compliance Testing
    1. 2.1 Standard Test Setup and Procedures
    2. 2.2 1000BASE-T
      1. 2.2.1 Test Mode 1
        1. 2.2.1.1 Template
        2. 2.2.1.2 Peak Voltage
        3. 2.2.1.3 Droop
      2. 2.2.2 Test Mode 2
        1. 2.2.2.1 Jitter Master Unfiltered
      3. 2.2.3 Test Mode 4
        1. 2.2.3.1 Distortion
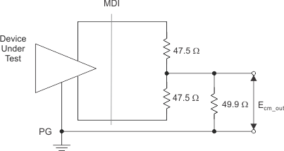
        2. 2.2.3.2 Common-Mode Voltage
        3. 2.2.3.3 Return Loss
        4. 2.2.3.4 Common-Mode Noise Rejection
    3. 2.3 100BASE-TX
      1. 2.3.1  Template (Active Output Interface)
      2. 2.3.2  Differential Output Voltage
      3. 2.3.3  Signal Amplitude Symmetry
      4. 2.3.4  Rise and Fall Time
      5. 2.3.5  Waveform Overshoot
      6. 2.3.6  Jitter
      7. 2.3.7  Duty Cycle Distortion
      8. 2.3.8  Return Loss
      9. 2.3.9  Common-Mode Voltage
      10. 2.3.10 Common-Mode Noise Rejection
    4. 2.4 10BASE-Te
      1. 2.4.1 Link Pulse
      2. 2.4.2 10Base-Te Standard
        1. 2.4.2.1 TP_IDL
        2. 2.4.2.2 MAU, Internal
        3. 2.4.2.3 Jitter With TPM
        4. 2.4.2.4 Jitter Without TPM
        5. 2.4.2.5 Differential Voltage
        6. 2.4.2.6 Common-Mode Voltage
        7. 2.4.2.7 Return Loss
        8. 2.4.2.8 Harmonic Content
        9. 2.4.2.9 Common-Mode Rejection
  6. 3Debug Test Methods
  7. 4References
  8. 5Revision History
  9.   A Appendix A: Outline of Ethernet Compliance Tests for DP8386x
  10.   B Appendix B: Ethernet Compliance Testing MDIO Register Writes for DP8386x

Common-Mode Voltage

Purpose: To make sure that the Common-Mode Voltage is within the specified bounds.

Pass Condition: The magnitude of the Common-Mode Voltage needs to be within 50 mVpp.

Specific Test Setup: Verify the correct test fixture connections. Configure PHY to output Test Mode 4 by setting MDIO registers according to 1000 Base Test Mode 4 in Appendix B.

Connect the DUT ground to test fixture ground for proper measurements (as outlined in IEEE 802.3 in Figure 2-8).

 IEEE Defined CM Voltage Test SetupFigure 2-8 IEEE Defined CM Voltage Test Setup