SBOS998D June   2021  – July 2025 BUF802

PRODUCTION DATA  

  1.   1
  2. Features
  3. Applications
  4. Description
  5. Pin Configuration and Functions
  6. Specifications
    1. 5.1 Absolute Maximum Ratings
    2. 5.2 ESD Ratings
    3. 5.3 Recommended Operating Conditions
    4. 5.4 Thermal Information
    5. 5.5 Electrical Characteristics Wide Bandwidth Mode
    6. 5.6 Electrical Characteristics Low Quiescent Current Mode
    7. 5.7 Typical Characteristics
  7. Parameter Measurement Information
  8. Detailed Description
    1. 7.1 Overview
    2. 7.2 Functional Block Diagram
    3. 7.3 Feature Description
      1. 7.3.1 Input and Output Overvoltage Clamp
      2. 7.3.2 Adjustable Quiescent Current
      3. 7.3.3 ESD Structure
    4. 7.4 Device Functional Modes
      1. 7.4.1 Buffer Mode (BF Mode)
      2. 7.4.2 Composite Loop Mode (CL Mode)
  9. Application and Implementation
    1. 8.1 Application Information
    2. 8.2 Typical Applications
      1. 8.2.1 Oscilloscope Front-End Amplifier Design
        1. 8.2.1.1 Design Requirements
        2. 8.2.1.2 Detailed Design Procedure
        3. 8.2.1.3 Application Curves
      2. 8.2.2 Transforming a Wide-Bandwidth, 50‑Ω Input Signal Chain to High-Input Impedance
        1. 8.2.2.1 Detailed Design Procedure
        2. 8.2.2.2 Application Curves
    3. 8.3 Power Supply Recommendations
    4. 8.4 Layout
      1. 8.4.1 Layout Guidelines
      2. 8.4.2 Layout Example
  10. Device and Documentation Support
    1. 9.1 Documentation Support
      1. 9.1.1 Related Documentation
    2. 9.2 Receiving Notification of Documentation Updates
    3. 9.3 Support Resources
    4. 9.4 Trademarks
    5. 9.5 Electrostatic Discharge Caution
    6. 9.6 Glossary
  11. 10Revision History
  12. 11Mechanical, Packaging, and Orderable Information

Package Options

Refer to the PDF data sheet for device specific package drawings

Mechanical Data (Package|Pins)
  • RGT|16
Thermal pad, mechanical data (Package|Pins)
Orderable Information

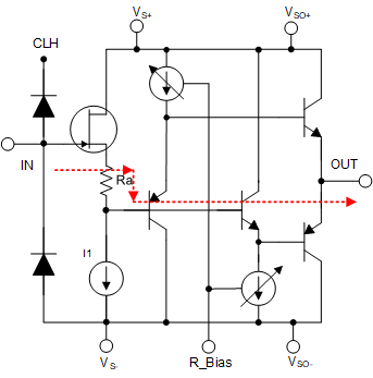
Buffer Mode (BF Mode)

BUF802 Internal Schematic – BF
                            ModeFigure 7-9 Internal Schematic – BF Mode

The wide large-signal bandwidth and fast slew rate of the BUF802 coupled with Hi-Z input are useful in a variety of high-frequency signal chain applications. Figure 7-9 shows that the BUF802 uses the Main Path and operates the JFET and transistors as source follower and emitter followers to reproduce signal applied on IN, at the output of BUF802. The pins associated with only CL Mode (Pin No. 6, 4, and 3) are left floating while operating in BF Mode.

BUF802 Composite Loop Using BF
                        Mode Figure 7-10 Composite Loop Using BF Mode

Figure 7-10 shows how the BUF802 is also used in a composite loop while being operated in BF Mode. The operation of BUF802 in Figure 7-10 is still called BF Mode because the signal is being transferred through the Main Path only. The Auxiliary path and the pins associated with the Auxiliary path and CL Mode are kept disabled. The low-frequency and high-frequency signal components are combined externally through the discrete components R1 and C1 before being applied at the IN pin.