JAJU732E June 2019 – April 2024 TMS320F28P550SG , TMS320F28P550SJ , TMS320F28P559SG-Q1 , TMS320F28P559SJ-Q1
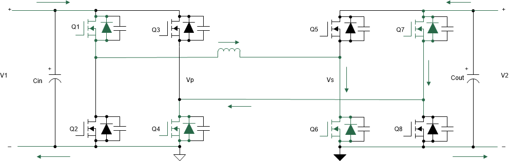
単相デュアル アクティブ ブリッジでは、1 次側と 2 次側のブリッジを同時に制御します。すべてのスイッチは 50% のデューティ比で動作します。各ブリッジの出力が方形波になるように、対角線上のスイッチが同時にオン / オフします。このセクションでは、コンバータのスイッチング シーケンスについて詳しく説明します。簡略化のため、トランスの巻線比は n = 1:1 と仮定します。スイッチング シーケンスの説明においては、このトランスは取り除くことができます。
スイッチング シーケンスは、インダクタ電流の波形、およびトランスの 1 次側と 2 次側の電圧間の位相シフトに基づいて、 4 つの期間に分割されます。電圧および電流の波形を 図 2-10 に示します。期間 1 では、インダクタ電流の波形は正と負の両方になるため、電流整流は 図 2-4 および 図 2-5 に示す方法で行います。この期間中、1 次側でスイッチ Q1 と Q4、2 次側でスイッチ Q6 と Q7 をオンにします。
図 2-4 期間 1:負のインダクタ電流
図 2-5 期間 1:正のインダクタ電流この期間中、1 次側の電圧 Vp は V1 に等しく、2 次側の電圧 Vs は V2 に等しくなります。これらの電圧間の差は漏れインダクタの両端に現れ、この期間の電流の勾配は 式 2 で概算できます。

期間 2 では、インダクタ電流は正です。トランス 1 次側の電圧は正で V1 と等しく、2 次側巻線の電圧は正で V2 と等しくなります。したがって、これら 2 つの電圧の差は漏れインダクタの両端に現れ、この期間中の立ち上がり電流の勾配は 式 3 で計算できます。

この期間中、スイッチ Q1 および Q4 はオンのままですが、インダクタ電流が正で、2 次側の電圧が V2 なので、スイッチ Q5 および Q8 がオンになって電流が流れます。Q6 および Q7 がオフになってから Q5 および Q8 がオンになるまでの間には、短いデッドタイムがあります。このデッドタイム中に、ゼロ電圧スイッチング (ZVS) が発生します。これについては、次のセクションで詳細に説明します。2 番目の期間の整流シーケンスを 図 2-6 に示します 。
図 2-6 期間 2期間 3 では、図 2-10 に示すように、インダクタ電流は正のピークから負の値に向かって減少し始めます 。この期間中、1 次側の電圧は -V1 で、2 次側の電圧は V2 です。インダクタの両端に、これらの電圧の差 (-V1-V2) が現れます。このため、式 4 に示すように、電流は負の勾配で減少します 。

この期間中、スイッチ Q5 および Q8 は引き続きオンになっていますが、 1 次側の電圧が -V1 なので、スイッチ Q2 および Q3 がオンになって電流が流れます。インダクタ電流が IL > 0 の場合および IL < 0 の場合、両方向の導通状況をそれぞれ 図 2-7 および図 2-8 に示します 。
図 2-7 期間 3:正のインダクタ電流
図 2-8 期間 3:負のインダクタ電流期間 4 では、インダクタ電流は引き続き負の値です。この期間中、1 次側の電圧は -V1 で、2 次側の電圧は -V2 です。これらの電圧の差 (-V1+V2) は、インダクタの両端に現れます。このため、式 5 に示すように、電流は負の勾配で減少します 。

この期間中、スイッチ Q2 および Q3 はオンのままですが、 2 次側の電圧が –V2 なので、図 2-9 に示すようにスイッチ Q6 および Q7 がオンになって電流が流れます。
図 2-9 期間 4図 2-10 に、1 次側と 2 次側のスイッチのゲーティング パルスを示します。変数 Ø は、1 次側と 2 次側の PWM パルス間の位相シフトを表します。Vp および Vs は、トランスの 1 次巻線と 2 次巻線の電圧を表します。IL はトランスの電流を表します。
図 2-10 ゲート信号、トランスの 1 次側および 2 次側電圧、インダクタ電流