SLASE54D March 2016 – January 2021 MSP430FR5962 , MSP430FR5964 , MSP430FR5992 , MSP430FR5994 , MSP430FR59941
PRODUCTION DATA
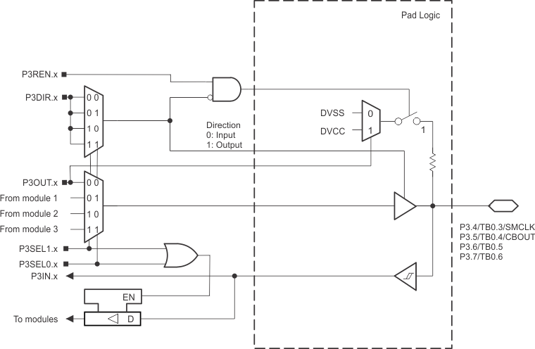
Figure 9-11 shows the port diagram. Table 9-28 summarizes the selection of the pin functions.

| PIN NAME (P3.x) | x | FUNCTION | CONTROL BITS AND SIGNALS(1) | ||
|---|---|---|---|---|---|
| P3DIR.x | P3SEL1.x | P3SEL0.x | |||
| P3.4/TB0.3/SMCLK | 4 | P3.4 (I/O) | 0 = Input, 1 = Output | 0 | 0 |
| TB0.CCI3A | 0 | 0 | 1 | ||
| TB0.3 | 1 | ||||
| N/A | 0 | 1 | X | ||
| SMCLK | 1 | ||||
| P3.5/TB0.4/COUT | 5 | P3.5 (I/O) | 0 = Input, 1 = Output | 0 | 0 |
| TB0.CCI4A | 0 | 0 | 1 | ||
| TB0.4 | 1 | ||||
| N/A | 0 | 1 | X | ||
| COUT | 1 | ||||
| P3.6/TB0.5 | 6 | P3.6 (I/O) | 0 = Input, 1 = Output | 0 | 0 |
| TB0.CCI5A | 0 | 0 | 1 | ||
| TB0.5 | 1 | ||||
| N/A | 0 | 1 | X | ||
| Internally tied to DVSS | 1 | ||||
| P3.7/TB0.6 | 7 | P3.7 (I/O) | 0 = Input, 1 = Output | 0 | 0 |
| TB0.CCI6A | 0 | 0 | 1 | ||
| TB0.6 | 1 | ||||
| N/A | 0 | 1 | X | ||
| Internally tied to DVSS | 1 | ||||