SLASE54D March 2016 – January 2021 MSP430FR5962 , MSP430FR5964 , MSP430FR5992 , MSP430FR5994 , MSP430FR59941
PRODUCTION DATA
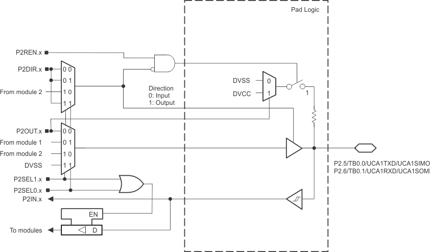
Figure 9-8 shows the port diagram. Table 9-25 summarizes the selection of the pin functions.

| PIN NAME (P2.x) | x | FUNCTION | CONTROL BITS AND SIGNALS(1) | ||
|---|---|---|---|---|---|
| P2DIR.x | P2SEL1.x | P2SEL0.x | |||
| P2.5/TB0.0/UCA1TXD/UCA1SIMO | 5 | P2.5(I/O) | 0 = Input, 1 = Output | 0 | 0 |
| TB0.CCI0B | 0 | 0 | 1 | ||
| TB0.0 | 1 | ||||
| UCA1TXD/UCA1SIMO | X(2) | 1 | 0 | ||
| N/A | 0 | 1 | 1 | ||
| Internally tied to DVSS | 1 | ||||
| P2.6/TB0.1/UCA1RXD/UCA1SOMI | 6 | P2.6(I/O) | 0 = Input, 1 = Output | 0 | 0 |
| N/A | 0 | 0 | 1 | ||
| TB0.1 | 1 | ||||
| UCA1RXD/UCA1SOMI | X(2) | 1 | 0 | ||
| N/A | 0 | 1 | 1 | ||
| Internally tied to DVSS | 1 | ||||