SLUSCK1C July   2016  – June 2018 TPS546C20A

PRODUCTION DATA.  

  1. Features
  2. Applications
  3. Description
    1.     Device Images
      1.      Simplified Application
  4. Revision History
  5. Pin Configuration and Functions
    1.     Pin Functions
  6. Specifications
    1. 6.1 Absolute Maximum Ratings
    2. 6.2 ESD Ratings
    3. 6.3 Recommended Operating Conditions
    4. 6.4 Thermal Information
    5. 6.5 Electrical Characteristics
    6. 6.6 Typical Characteristics
  7. Detailed Description
    1. 7.1 Overview
    2. 7.2 Functional Block Diagram
    3. 7.3 Feature Description
      1. 7.3.1  2-Phase Application
      2. 7.3.2  Linear Regulators BP3 and BP6
      3. 7.3.3  Input Undervoltage Lockout (UVLO)
      4. 7.3.4  Turnon and Turnoff Delay and Sequencing
      5. 7.3.5  Voltage Reference
      6. 7.3.6  Differential Remote Sense and Compensation
      7. 7.3.7  Set Output Voltage and Adaptive Voltage Scaling (AVS)
        1. 7.3.7.1 VOUT_COMMAND
        2. 7.3.7.2 VREF_TRIM
        3. 7.3.7.3 MARGIN
        4. 7.3.7.4 Use VSEL to Set Default Output Voltage
      8. 7.3.8  Reset VOUT
      9. 7.3.9  Switching Frequency and Synchronization
        1. 7.3.9.1 Synchronization
          1. 7.3.9.1.1 Stand-Alone Device
          2. 7.3.9.1.2 Master-Slave Configuration
          3. 7.3.9.1.3 SYNC Fault
      10. 7.3.10 Current Sharing
      11. 7.3.11 Soft-Start Time and TON_RISE Command
      12. 7.3.12 Prebiased Output Start-Up
      13. 7.3.13 Soft-Stop time and TOFF_FALL Command
      14. 7.3.14 Output Current Telemetry and Low-Side MOSFET Overcurrent Protection
        1. 7.3.14.1 Output Current Telemetry
        2. 7.3.14.2 Low-Side MOSFET Overcurrent Protection
        3. 7.3.14.3 Negative Overcurrent Protection
      15. 7.3.15 High-Side MOSFET Short-Circuit Protection
      16. 7.3.16 Die Temperature Telemetry and Overtemperature Protection
      17. 7.3.17 Output Voltage Telemetry and Over-/Under-voltage Protection
        1. 7.3.17.1 Output Voltage Telemetry
        2. 7.3.17.2 Output Overvoltage and Undervoltage Protection
      18. 7.3.18 TON_MAX Fault
      19. 7.3.19 Power Good (PGOOD) Indicator
      20. 7.3.20 Fault Protection Responses
      21. 7.3.21 Switching Node
      22. 7.3.22 PMBus General Description
      23. 7.3.23 PMBus Address
      24. 7.3.24 PMBus Connections
      25. 7.3.25 Auto ARA (Alert Response Address) Response
    4. 7.4 Device Functional Modes
      1. 7.4.1 Continuous Conduction Mode
      2. 7.4.2 Operation with CNTL Signal Control
      3. 7.4.3 Operation with OPERATION Control
      4. 7.4.4 Operation with CNTL and OPERATION Control
    5. 7.5 Programming
      1. 7.5.1 Supported PMBus Commands
    6. 7.6 Register Maps
      1. 7.6.1  OPERATION (01h)
        1. 7.6.1.1 On Bit
        2. 7.6.1.2 Off Bit
        3. 7.6.1.3 Margin Bit
      2. 7.6.2  ON_OFF_CONFIG (02h)
        1. 7.6.2.1 pu Bit
        2. 7.6.2.2 cmd Bit
        3. 7.6.2.3 cpr Bit
        4. 7.6.2.4 pol Bit
        5. 7.6.2.5 cpa Bit
      3. 7.6.3  CLEAR_FAULTS (03h)
      4. 7.6.4  WRITE_PROTECT (10h)
        1. 7.6.4.1 bit5
        2. 7.6.4.2 bit6
        3. 7.6.4.3 bit7
      5. 7.6.5  STORE_DEFAULT_ALL (11h)
      6. 7.6.6  RESTORE_DEFAULT_ALL (12h)
      7. 7.6.7  STORE_USER_ALL (11h)
      8. 7.6.8  RESTORE_USER_ALL (12h)
      9. 7.6.9  CAPABILITY (19h)
      10. 7.6.10 SMBALERT_MASK (1Bh)
      11. 7.6.11 VOUT_MODE (20h)
        1. 7.6.11.1 Mode Bit
        2. 7.6.11.2 Exponent Bit
      12. 7.6.12 VOUT_COMMAND (21h)
        1. 7.6.12.1 Exponent
        2. 7.6.12.2 Mantissa
      13. 7.6.13 VOUT_MAX (24h)
        1. 7.6.13.1 Exponent
        2. 7.6.13.2 Mantissa
      14. 7.6.14 VOUT_TRANSITION_RATE (27h)
        1. 7.6.14.1 Exponent
        2. 7.6.14.2 Mantissa
      15. 7.6.15 VOUT_SCALE_LOOP (29h)
        1. 7.6.15.1 Exponent
        2. 7.6.15.2 Mantissa
      16. 7.6.16 VOUT_MIN (2Bh)
        1. 7.6.16.1 Exponent
        2. 7.6.16.2 Mantissa
      17. 7.6.17 VIN_ON (35h)
        1. 7.6.17.1 Exponent
        2. 7.6.17.2 Mantissa
      18. 7.6.18 VIN_OFF (36h)
        1. 7.6.18.1 Exponent
        2. 7.6.18.2 Mantissa
      19. 7.6.19 IOUT_CAL_OFFSET (39h)
        1. 7.6.19.1 Exponent
        2. 7.6.19.2 Mantissa
      20. 7.6.20 VOUT_OV_FAULT_RESPONSE (41h)
        1. 7.6.20.1 RSP[1] Bit
        2. 7.6.20.2 RS[2:0] Bits
        3. 7.6.20.3 TD[2:0] Bits
      21. 7.6.21 VOUT_UV_FAULT_RESPONSE (45h)
        1. 7.6.21.1 RSP[1] Bit
        2. 7.6.21.2 RS[2:0] Bits
        3. 7.6.21.3 TD[2:0] Bits
      22. 7.6.22 IOUT_OC_FAULT_LIMIT (46h)
        1. 7.6.22.1 Exponent
        2. 7.6.22.2 Mantissa
      23. 7.6.23 IOUT_OC_FAULT_RESPONSE (47h)
        1. 7.6.23.1 RSP[1:0] Bits
        2. 7.6.23.2 RS[2:0] Bits
        3. 7.6.23.3 TD[2:0] Bits
      24. 7.6.24 IOUT_OC_WARN_LIMIT (4Ah)
        1. 7.6.24.1 Exponent
        2. 7.6.24.2 Mantissa
      25. 7.6.25 OT_FAULT_LIMIT (4Fh)
        1. 7.6.25.1 Exponent
        2. 7.6.25.2 Mantissa
      26. 7.6.26 OT_FAULT_RESPONSE (50h)
        1. 7.6.26.1 RSP[1] Bit
        2. 7.6.26.2 RS[2:0] Bits
        3. 7.6.26.3 TD[2:0] Bits
      27. 7.6.27 OT_WARN_LIMIT (51h)
        1. 7.6.27.1 Exponent
        2. 7.6.27.2 Mantissa
      28. 7.6.28 TON_DELAY (60h)
        1. 7.6.28.1 Exponent
        2. 7.6.28.2 Mantissa
      29. 7.6.29 TON_RISE (61h)
        1. 7.6.29.1 Exponent
        2. 7.6.29.2 Mantissa
      30. 7.6.30 TON_MAX_FAULT_LIMIT (62h)
        1. 7.6.30.1 Exponent
        2. 7.6.30.2 Mantissa
      31. 7.6.31 TON_MAX_FAULT_RESPONSE (63h)
        1. 7.6.31.1 RSP[1] Bit
        2. 7.6.31.2 RS[2:0] Bits
        3. 7.6.31.3 TD[2:0] Bits
      32. 7.6.32 TOFF_DELAY (64h)
        1. 7.6.32.1 Exponent
        2. 7.6.32.2 Mantissa
      33. 7.6.33 TOFF_FALL (65h)
        1. 7.6.33.1 Exponent
        2. 7.6.33.2 Mantissa
      34. 7.6.34 STATUS_BYTE (78h)
      35. 7.6.35 STATUS_WORD (79h)
      36. 7.6.36 STATUS_VOUT (7Ah)
      37. 7.6.37 STATUS_IOUT (7Bh)
      38. 7.6.38 STATUS_INPUT (7Ch)
      39. 7.6.39 STATUS_TEMPERATURE (7Dh)
      40. 7.6.40 STATUS_CML (7Eh)
      41. 7.6.41 STATUS_MFR_SPECIFIC (80h)
      42. 7.6.42 READ_VOUT (8Bh)
        1. 7.6.42.1 Exponent
        2. 7.6.42.2 Mantissa
      43. 7.6.43 READ_IOUT (8Ch)
        1. 7.6.43.1 Exponent
        2. 7.6.43.2 Mantissa
      44. 7.6.44 READ_TEMPERATURE_1 (8Dh)
        1. 7.6.44.1 Exponent
        2. 7.6.44.2 Mantissa
      45. 7.6.45 PMBUS_REVISION (98h)
      46. 7.6.46 IC_DEVICE_ID (ADh)
      47. 7.6.47 IC_DEVICE_REV (AEh)
      48. 7.6.48 MFR_SPECIFIC_00 (D0h)
      49. 7.6.49 VREF_TRIM (MFR_SPECIFIC_04) (D4h)
      50. 7.6.50 STEP_VREF_MARGIN_HIGH (MFR_SPECIFIC_05) (D5h)
      51. 7.6.51 STEP_VREF_MARGIN_LOW (MFR_SPECIFIC_06) (D6h)
      52. 7.6.52 PCT_OV_UV_WRN_FLT_LIMITS (MFR_SPECIFIC_07) (D7h)
      53. 7.6.53 OPTIONS (MFR_SPECIFIC_21) (E5h)
        1. 7.6.53.1  DIS_NEGILIM Bit
        2. 7.6.53.2  EN_RESET_B Bit
        3. 7.6.53.3  EN_ADC_CNTL Bit
        4. 7.6.53.4  VSM Bit
        5. 7.6.53.5  DLO Bit
        6. 7.6.53.6  AVG_PROG[1:0] Bits
        7. 7.6.53.7  EN_AUTO_ARA Bit
        8. 7.6.53.8  READ_VOUT_RANGE[1:0] Bits
        9. 7.6.53.9  EN_DRV_IV_VSEL Bit
        10. 7.6.53.10 RST_VOUT_oSD Bit
        11. 7.6.53.11 DIS_VSEL Bit
        12. 7.6.53.12 RSMLO_VAL Bit
        13. 7.6.53.13 RSMHI_VAL Bit
      54. 7.6.54 MISC_CONFIG_OPTIONS (MFR_SPECIFIC_32) (F0h)
        1. 7.6.54.1 OV_RESP_SEL Bit
        2. 7.6.54.2 HSOC_USER_TRIM[1:0] Bits
        3. 7.6.54.3 EN_AVS_USER Bit
        4. 7.6.54.4 FORCE_SYNC_OUT Bit
        5. 7.6.54.5 FORCE_SYNC_IN Bit
        6. 7.6.54.6 SYNC_FAULT_DIS Bit
  8. Application and Implementation
    1. 8.1 Application Information
    2. 8.2 Typical Application
      1. 8.2.1 4.5-V to 18-V Input, 1-V Typical Output, 35-A Converter
        1. 8.2.1.1 Design Requirements
        2. 8.2.1.2 Detailed Design Procedure
          1. 8.2.1.2.1  Custom Design With WEBENCH® Tools
          2. 8.2.1.2.2  Switching Frequency Selection
          3. 8.2.1.2.3  Inductor Selection
          4. 8.2.1.2.4  Output Capacitor Selection
          5. 8.2.1.2.5  Output Voltage Deviation During Load Transient
          6. 8.2.1.2.6  Output Voltage Ripple
          7. 8.2.1.2.7  Input Capacitor Selection
          8. 8.2.1.2.8  AVIN, BP6, BP3 Bypass Capacitor
          9. 8.2.1.2.9  Bootstrap Capacitor Selection
          10. 8.2.1.2.10 R-C Snubber
          11. 8.2.1.2.11 Output Voltage Setting and Frequency Compensation Selection
          12. 8.2.1.2.12 Key PMBus Parameter Selection
          13. 8.2.1.2.13 Enable, UVLO
          14. 8.2.1.2.14 Soft-Start Time
          15. 8.2.1.2.15 Overcurrent Threshold and Response
        3. 8.2.1.3 Application Curves
  9. Power Supply Recommendations
  10. 10Layout
    1. 10.1 Layout Guidelines
    2. 10.2 Layout Example
    3. 10.3 Mounting and Thermal Profile Recommendation
  11. 11Device and Documentation Support
    1. 11.1 Development Support
      1. 11.1.1 Custom Design With WEBENCH® Tools
      2. 11.1.2 Texas Instruments Fusion Digital Power Designer
    2. 11.2 Receiving Notification of Documentation Updates
    3. 11.3 Community Resources
    4. 11.4 Trademarks
    5. 11.5 Electrostatic Discharge Caution
    6. 11.6 Glossary
  12. 12Mechanical, Packaging, and Orderable Information

Package Options

Refer to the PDF data sheet for device specific package drawings

Mechanical Data (Package|Pins)
  • RVF|40
Thermal pad, mechanical data (Package|Pins)
Orderable Information

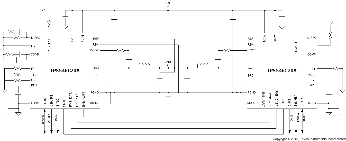
2-Phase Application

Figure 23 shows the setup for a 2-phase application using two devices.

TPS546C20A Application_C20A_Stack.gifFigure 23. 2-Phase Application