JAJSGS5Q April 2009 – January 2024 TMS320F28030 , TMS320F28030-Q1 , TMS320F28031 , TMS320F28031-Q1 , TMS320F28032 , TMS320F28032-Q1 , TMS320F28033 , TMS320F28033-Q1 , TMS320F28034 , TMS320F28034-Q1 , TMS320F28035 , TMS320F28035-Q1
PRODUCTION DATA
本デバイスは 4 ピンのシリアル ペリフェラル インターフェイス (SPI) モジュールを内蔵しています。最大 2 つの SPI モジュールを使用できます。SPI は、設定された長さ (1~16 ビット) のシリアル ビット ストリームを、プログラム可能なビット転送レートで、1 ビットずつ本デバイスに入力または本デバイスから出力できる高速な同期シリアル I/O ポートです。通常、SPI は、MCU と、外部ペリフェラルや他のコントローラとの間の通信に使用されます。代表的な用途には、シフト レジスタ、ディスプレイ ドライバ、ADC などのデバイスを使用した外部 I/O またはペリフェラル拡張が含まれます。マルチデバイス通信は、SPI のマスタ / スレーブ動作によってサポートされています。
SPI モジュールの主な特長は次のとおりです。
SPI モジュールを使用しない場合は、4 本のピンすべてを GPIO として使用できます。

拡張機能:
SPI ポートの動作は、表 7-27 と表 7-28 に示すレジスタによって設定および制御されます。
| 名称 | アドレス | サイズ (x16) | EALLOW 保護 | 説明 (1) |
|---|---|---|---|---|
| SPICCR | 0x7040 | 1 | なし | SPI-A 構成制御レジスタ |
| SPICTL | 0x7041 | 1 | なし | SPI-A 動作制御レジスタ |
| SPISTS | 0x7042 | 1 | なし | SPI-A ステータス レジスタ |
| SPIBRR | 0x7044 | 1 | なし | SPI-A ボーレート レジスタ |
| SPIRXEMU | 0x7046 | 1 | なし | SPI-A 受信エミュレーション バッファ レジスタ |
| SPIRXBUF | 0x7047 | 1 | なし | SPI-A シリアル入力バッファ レジスタ |
| SPITXBUF | 0x7048 | 1 | なし | SPI-A シリアル出力バッファ レジスタ |
| SPIDAT | 0x7049 | 1 | なし | SPI-A シリアル データ レジスタ |
| SPIFFTX | 0x704A | 1 | なし | SPI-A FIFO 送信レジスタ |
| SPIFFRX | 0x704B | 1 | なし | SPI-A FIFO 受信レジスタ |
| SPIFFCT | 0x704C | 1 | なし | SPI-A FIFO 制御レジスタ |
| SPIPRI | 0x704F | 1 | なし | SPI-A 優先度制御レジスタ |
| 名称 | アドレス | サイズ (x16) | EALLOW 保護 | 説明 (1) |
|---|---|---|---|---|
| SPICCR | 0x7740 | 1 | なし | SPI-B 構成制御レジスタ |
| SPICTL | 0x7741 | 1 | なし | SPI-B 動作制御レジスタ |
| SPISTS | 0x7742 | 1 | なし | SPI-B ステータス レジスタ |
| SPIBRR | 0x7744 | 1 | なし | SPI-B ボーレート レジスタ |
| SPIRXEMU | 0x7746 | 1 | なし | SPI-B 受信エミュレーション バッファ レジスタ |
| SPIRXBUF | 0x7747 | 1 | なし | SPI-B シリアル入力バッファ レジスタ |
| SPITXBUF | 0x7748 | 1 | なし | SPI-B シリアル出力バッファ レジスタ |
| SPIDAT | 0x7749 | 1 | なし | SPI-B シリアル データ レジスタ |
| SPIFFTX | 0x774A | 1 | なし | SPI-B FIFO 送信レジスタ |
| SPIFFRX | 0x774B | 1 | なし | SPI-B FIFO 受信レジスタ |
| SPIFFCT | 0x774C | 1 | なし | SPI-B FIFO 制御レジスタ |
| SPIPRI | 0x774F | 1 | なし | SPI-B 優先度制御レジスタ |
SPI の詳細については、『TMS320F2803x リアルタイム マイクロコントローラ テクニカル リファレンス マニュアル』の「シリアル ペリフェラル インターフェイス (SPI)」の章を参照してください。
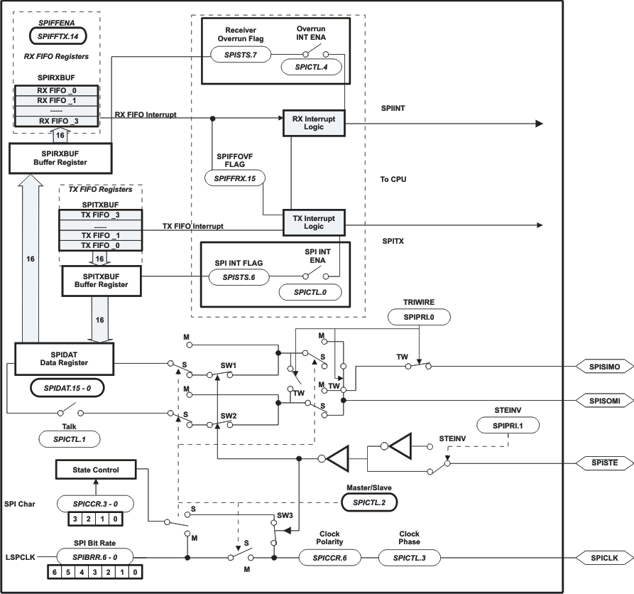
図 7-28 は、スレーブ モードの SPI のブロック図です。
