SLAU278AH May   2009  – March 2021

 

  1. 1Read This First
    1. 1.1 How to Use This Manual
    2. 1.1 Information About Cautions and Warnings
    3. 1.1 Related Documentation From Texas Instruments
    4. 1.1 If You Need Assistance
    5. 1.1 Trademarks
  2. 1Get Started Now!
    1. 1.1  Kit Contents, MSP-TS430xx
    2. 1.2  Kit Contents, MSP-FET430xx
    3. 1.3  Kit Contents, MSP-FET
    4. 1.4  Kit Contents, MSP-FET430UIF
    5. 1.5  Kit Contents, MSP-FET430PIF
    6. 1.6  Kit Contents, eZ430-F2013
    7. 1.7  Kit Contents, eZ430-T2012
    8. 1.8  Kit Contents, eZ430-RF2500
    9. 1.9  Kit Contents, eZ430-RF2500T
    10. 1.10 Kit Contents, eZ430-RF2500-SEH
    11. 1.11 Kit Contents, eZ430-Chronos-xxx
    12. 1.12 Kit Contents, FET430F6137RF900
    13. 1.13 Kit Contents, EM430Fx1x7RF900
    14. 1.14 Hardware Installation, MSP-FET and MSP-FET430UIF
    15. 1.15 Hardware Installation, MSP-TS430xxx, MSP-FET430Uxx, FET430F6137RF900, EM430Fx1x7RF900
    16. 1.16 Hardware Installation, eZ430-XXXX, MSP-EXP430G2, MSP-EXP430FR5739, MSPEXP430F5529
    17. 1.17 Important MSP430 Documents on the Web
  3. 2Design Considerations for In-Circuit Programming
    1. 2.1 Signal Connections for In-System Programming and Debugging
    2. 2.2 External Power
    3. 2.3 Bootloader (BSL)
      1.      A Frequently Asked Questions and Known Issues
        1.       A.1 Hardware FAQs
        2.       A.2 Known Issues
          1.        MSP-FET430UIF
          2.        MSP-FET430PIF
            1.         B Hardware
              1.          B.1 MSP-TS430D8
              2.          B.2 MSP-TS430PW14
              3.          B.3 MSP-TS430L092
              4.          B.4 MSP-TS430L092 Active Cable
              5.          B.5 MSP-TS430PW20
              6.          B.6 MSP-TS430RHL20
              7.          B.7 MSP-TS430PW24
              8.          B.8 MSP-TS430RGE24A
              9.          B.9 MSP-TS430DW28
              10.          B.10 MSP-TS430PW28
              11.          B.11 MSP-TS430PW28A
              12.          B.12 MSP-TS430RHB32A
              13.          B.13 MSP-TS430DA38
              14.          B.14 MSP-TS430QFN23x0
              15.          B.15 MSP-TS430RSB40
              16.          B.16 MSP-TS430RHA40A
              17.          B.17 MSP-TS430DL48
              18.          B.18 MSP-TS430PT48
              19.          B.19 MSP-TS430PT48A
              20.          B.20 MSP-TS430RGZ48B
              21.          B.21 MSP-TS430RGZ48C
              22.          B.22 MSP-TS430PM64
              23.          B.23 MSP-TS430PM64A
              24.          B.24 MSP-TS430PM64D
              25.          B.25 MSP-TS430PM64F
              26.          B.26 MSP-TS430RGC64B
              27.          B.27 MSP-TS430RGC64C
              28.          B.28 MSP-TS430RGC64USB
              29.          B.29 MSP-TS430PN80
              30.          B.30 MSP-TS430PN80A
              31.          B.31 MSP-TS430PN80B
              32.          B.32 MSP-TS430PN80C
              33.          B.33 MSP-TS430PN80USB
              34.          B.34 MSP-TS430PZ100
              35.          B.35 MSP-TS430PZ100A
              36.          B.36 MSP-TS430PZ100B
              37.          B.37 MSP-TS430PZ100C
              38.          B.38 MSP-TS430PZ100D
              39.          B.39 MSP-TS430PZ100E
              40.          B.40 MSP-TS430PZ5x100
              41.          B.41 MSP-TS430PZ100USB
              42.          B.42 MSP-TS430PZ100AUSB
              43.          B.43 MSP-TS430PEU128
              44.          B.44 EM430F5137RF900
              45.          B.45 EM430F6137RF900
              46.          B.46 EM430F6147RF900
                1.           C Hardware Installation Guide
                  1.            D Revision History

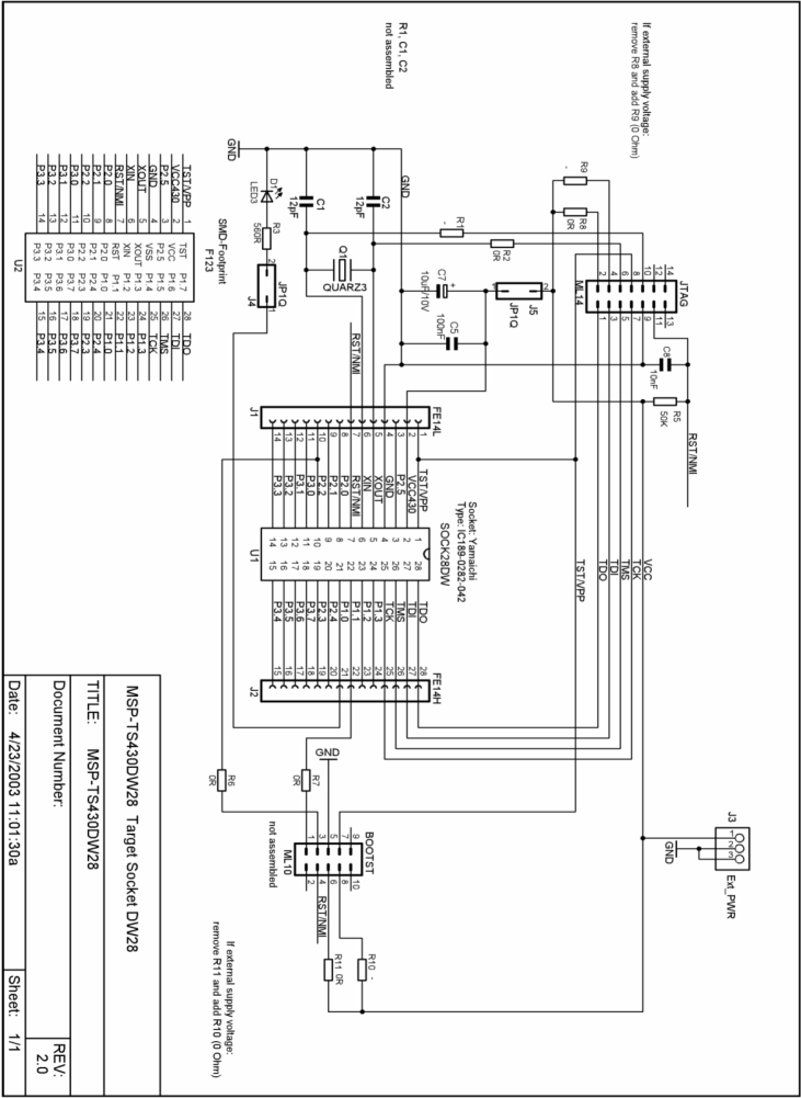
MSP-TS430DW28

GUID-4A38A621-AA8A-4DE6-BF33-4E74958967B7-low.gif Figure 4-18 MSP-TS430DW28 Target Socket Module, Schematic
GUID-802E580F-6D9F-4385-8D9C-6CA8B5B75EAF-low.gif Figure 4-19 MSP-TS430DW28 Target Socket Module, PCB
Table 4-10 MSP-TS430DW28 Bill of Materials
PositionRef DesNo. per BoardDescriptionDigi-Key Part No.Comment
1C1, C2012pF, SMD0805DNP: C1, C2, Cover holes while soldering
2C51100nF, SMD0805
3C7110uF, 10V Tantal Elko B
4C8110nFSMD0805
5D11LED3 T1 3mm yellowRS: 228-4991
6Q10QUARZ, CrystalMicro Crystal MS1V-T1K 32.768kHz, C(Load) = 12.5pFDNP: Cover holes while soldering
7J1, J2214-pin header, TH maleDNP: Headers and receptacles enclosed with kit. Keep vias free of solder.
: Header
: Receptacle
7.1214-pin header, TH femaleDNP: Headers and receptacles enclosed with kit. Keep vias free of solder.
: Header
: Receptacle
8J313-Pin Connector, male
9J4, J522-Pin Connector, maleWith jumper
10BOOTST0ML10, 10-Pin Conn., mRS: 482-115DNP, Cover holes while soldering
11JTAG1ML14, 14-Pin Conn., mRS: 482-121
12R1, R2, R6, R7, R8,R9, R10, R1140R, SMD0805DNP: R1, R2, R9, R10
13R31560R, SMD0805
14R5147K, SMD0805
15U11SOP28DW socketYamaichi: IC189-0282-042
16U20TSSOPDNP