JAJSER5B February 2018 – February 2025 LMK05028
PRODUCTION DATA
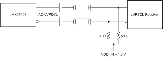
Figure 7-29 to Figure 7-33 show the recommended output interfacing and termination circuits. Unused clock outputs can be left floating and powered down by programming.

| Same applies for 1.8-V LVCMOS output to 1.8-V LVCMOS receiver. |
Figure 7-30 AC-LVDS Output to LVDS Receiver With Internal Termination/Biasing
Figure 7-31 AC-CML Output to CML Receiver With Internal Termination/Biasing
Figure 7-32 AC-LVPECL Output to LVPECL Receiver With External Termination/Biasing
| If HCSL Internal Termination (50-Ω to GND) is enabled, replace 33-Ω with 0-Ω and remove 50-Ω external resistors. |