SBAS813 June   2018 ADS8688AT

PRODUCTION DATA.  

  1. Features
  2. Applications
  3. Description
  4. Revision History
  5. Pin Configuration and Functions
    1.     Pin Functions
  6. Specifications
    1. 6.1 Absolute Maximum Ratings
    2. 6.2 ESD Ratings
    3. 6.3 Recommended Operating Conditions
    4. 6.4 Thermal Information
    5. 6.5 Electrical Characteristics
    6. 6.6 Timing Requirements: Serial Interface
    7. 6.7 Switching Characteristics: Serial Interface
    8. 6.8 Typical Characteristics
  7. Detailed Description
    1. 7.1 Overview
    2. 7.2 Functional Block Diagram
    3. 7.3 Feature Description
      1. 7.3.1  Analog Inputs
      2. 7.3.2  Analog Input Impedance
      3. 7.3.3  Input Overvoltage Protection Circuit
      4. 7.3.4  Programmable Gain Amplifier (PGA)
      5. 7.3.5  Second-Order, Low-Pass Filter (LPF)
      6. 7.3.6  ADC Driver
      7. 7.3.7  Multiplexer (MUX)
      8. 7.3.8  Reference
        1. 7.3.8.1 Internal Reference
        2. 7.3.8.2 External Reference
      9. 7.3.9  Auxiliary Channel
        1. 7.3.9.1 Input Driver for the AUX Channel
      10. 7.3.10 ADC Transfer Function
      11. 7.3.11 Alarm Feature
    4. 7.4 Device Functional Modes
      1. 7.4.1 Device Interface
        1. 7.4.1.1 Digital Pin Description
          1. 7.4.1.1.1 CS (Input)
          2. 7.4.1.1.2 SCLK (Input)
          3. 7.4.1.1.3 SDI (Input)
          4. 7.4.1.1.4 SDO (Output)
          5. 7.4.1.1.5 DAISY (Input)
          6. 7.4.1.1.6 RST/PD (Input)
        2. 7.4.1.2 Data Acquisition Example
        3. 7.4.1.3 Host-to-Device Connection Topologies
          1. 7.4.1.3.1 Daisy-Chain Topology
          2. 7.4.1.3.2 Star Topology
      2. 7.4.2 Device Modes
        1. 7.4.2.1 Continued Operation in the Selected Mode (NO_OP)
        2. 7.4.2.2 Frame Abort Condition (FRAME_ABORT)
        3. 7.4.2.3 STANDBY Mode (STDBY)
        4. 7.4.2.4 Power-Down Mode (PWR_DN)
        5. 7.4.2.5 Auto Channel Enable With Reset (AUTO_RST)
        6. 7.4.2.6 Manual Channel n Select (MAN_Ch_n)
        7. 7.4.2.7 Channel Sequencing Modes
        8. 7.4.2.8 Reset Program Registers (RST)
    5. 7.5 Register Maps
      1. 7.5.1 Command Register Description
      2. 7.5.2 Program Register Description
        1. 7.5.2.1 Program Register Read/Write Operation
        2. 7.5.2.2 Program Register Map
        3. 7.5.2.3 Program Register Descriptions
          1. 7.5.2.3.1 Auto-Scan Sequencing Control Registers
            1. 7.5.2.3.1.1 Auto-Scan Sequence Enable Register (address = 01h)
              1. Table 11. AUTO_SEQ_EN Field Descriptions
            2. 7.5.2.3.1.2 Channel Power Down Register (address = 02h)
              1. Table 12. Channel Power Down Register Field Descriptions
          2. 7.5.2.3.2 Device Features Selection Control Register (address = 03h)
            1. Table 13. Feature Select Register Field Descriptions
          3. 7.5.2.3.3 Range Select Registers (addresses 05h-0Ch)
            1. Table 16. Channel n Input Range Registers Field Descriptions
          4. 7.5.2.3.4 Alarm Flag Registers (Read-Only)
            1. 7.5.2.3.4.1 ALARM Overview Tripped-Flag Register (address = 10h)
              1. Table 17. ALARM Overview Tripped-Flag Register Field Descriptions
            2. 7.5.2.3.4.2 Alarm Flag Registers: Tripped and Active (address = 11h to 14h)
              1. Table 18. ALARM Ch0-3 Tripped-Flag Register Field Descriptions
              2. Table 19. ALARM Ch0-3 Active-Flag Register Field Descriptions
              3. Table 20. ALARM Ch4-7 Tripped-Flag Register Field Descriptions
              4. Table 21. ALARM Ch4-7 Active-Flag Register Field Descriptions
          5. 7.5.2.3.5 Alarm Threshold Setting Registers
            1. Table 22. Channel n Hysteresis Register Field Descriptions (n = 0 to 7)
            2. Table 23. Channel n High Threshold MSB Register Field Descriptions (n = 0 to 7)
            3. Table 24. Channel n High Threshold LSB Register Field Descriptions (n = 0 to 7)
            4. Table 25. Channel n Low Threshold MSB Register Field Descriptions (n = 0 to 7)
            5. Table 26. Channel n Low Threshold MSB Register Field Descriptions (n = 0 to 7)
          6. 7.5.2.3.6 Command Read-Back Register (address = 3Fh)
            1. Table 27. Command Read-Back Register Field Descriptions
  8. Application and Implementation
    1. 8.1 Application Information
    2. 8.2 Typical Applications
      1. 8.2.1 Phase-Compensated, 8-Channel, Multiplexed Data Acquisition System for Power Automation
        1. 8.2.1.1 Design Requirements
        2. 8.2.1.2 Detailed Design Procedure
        3. 8.2.1.3 Application Curve
      2. 8.2.2 16-Bit, 8-Channel, Integrated Analog Input Module for Programmable Logic Controllers (PLCs)
        1. 8.2.2.1 Design Requirements
        2. 8.2.2.2 Detailed Design Procedure
        3. 8.2.2.3 Application Curve
  9. Power Supply Recommendations
  10. 10Layout
    1. 10.1 Layout Guidelines
    2. 10.2 Layout Example
  11. 11Device and Documentation Support
    1. 11.1 Documentation Support
      1. 11.1.1 Related Documentation
    2. 11.2 Receiving Notification of Documentation Updates
    3. 11.3 Community Resources
    4. 11.4 Trademarks
    5. 11.5 Electrostatic Discharge Caution
    6. 11.6 Glossary
  12. 12Mechanical, Packaging, and Orderable Information

Package Options

Mechanical Data (Package|Pins)
Thermal pad, mechanical data (Package|Pins)
Orderable Information

Internal Reference

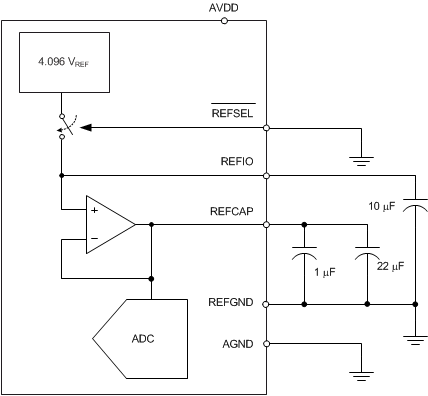
The device has an internal 4.096-V (nominal value) reference. In order to select the internal reference, the REFSEL pin must be tied low or connected to AGND. When the internal reference is used, REFIO (pin 5) becomes an output pin with the internal reference value. Figure 71 shows that placing a 10-µF (minimum) decoupling capacitor between the REFIO pin and REFGND (pin 6) is recommended. The capacitor must be placed as close to the REFIO pin as possible. The output impedance of the internal band-gap circuit creates a low-pass filter with this capacitor to band-limit the noise of the reference. The use of a smaller capacitor value allows higher reference noise in the system, thus degrading SNR and SINAD performance. Do not use the REFIO pin to drive external ac or dc loads because REFIO has limited current output capability. The REFIO pin can be used as a source if followed by a suitable op amp buffer (such as the OPA320).

ADS8688AT an_reference_int_sbas582.gifFigure 71. Device Connections for Using an Internal 4.096-V Reference

The device internal reference is trimmed to a maximum initial accuracy of ±1 mV. The histogram in Figure 72 shows the distribution of the internal voltage reference output taken from more than 3300 production devices.

ADS8688AT C064_SBAS582.pngFigure 72. Internal Reference Accuracy at Room Temperature Histogram

The initial accuracy specification for the internal reference can be degraded if the die is exposed to any mechanical or thermal stress. Heating the device when being soldered to a printed circuit board (PCB) and any subsequent solder reflow is a primary cause for shifts in the VREF value. The main cause of thermal hysteresis is a change in die stress and therefore is a function of the package, die-attach material, and molding compound, as well as the layout of the device itself.

In order to illustrate this effect, 80 devices were soldered using lead-free solder paste with the manufacturer suggested reflow profile, as explained in application report SNOA550. The internal voltage reference output is measured before and after the reflow process and Figure 73 shows the typical shift in value. Although all tested units exhibit a positive shift in their output voltages, negative shifts are also possible. The histogram in Figure 73 shows the typical shift for exposure to a single reflow profile. Exposure to multiple reflows, which is common on PCBs with surface-mount components on both sides, causes additional shifts in the output voltage. If the PCB is to be exposed to multiple reflows, solder the ADS8688AT in the later pass to minimize device exposure to thermal stress.

ADS8688AT C065_SBAS582.pngFigure 73. Solder Heat Shift Distribution Histogram

The internal reference is also temperature compensated to provide excellent temperature drift over an extended industrial temperature range of –55°C to +125°C. Figure 74 shows the variation of the internal reference voltage across temperature for different values of the AVDD supply voltage. The typical specified value of the reference voltage drift over temperature is 6 ppm/°C (Figure 75) and the maximum specified temperature drift is equal to 17 ppm/°C.

ADS8688AT D053_SBAS813.gif
Figure 74. Variation of the Internal Reference Output (REFIO) Across Supply and Temperature
ADS8688AT D054_SBAS813.gif
AVDD = 5 V, number of devices = 30, ΔT = –55°C to +125°C
Figure 75. Internal Reference Temperature Drift Histogram