SPRACN0F October   2021  – March 2023 F29H850TU , F29H859TU-Q1 , TMS320F280021 , TMS320F280021-Q1 , TMS320F280023 , TMS320F280023-Q1 , TMS320F280023C , TMS320F280025 , TMS320F280025-Q1 , TMS320F280025C , TMS320F280025C-Q1 , TMS320F280033 , TMS320F280034 , TMS320F280034-Q1 , TMS320F280036-Q1 , TMS320F280036C-Q1 , TMS320F280037 , TMS320F280037-Q1 , TMS320F280037C , TMS320F280037C-Q1 , TMS320F280038-Q1 , TMS320F280038C-Q1 , TMS320F280039 , TMS320F280039-Q1 , TMS320F280039C , TMS320F280039C-Q1 , TMS320F280040-Q1 , TMS320F280040C-Q1 , TMS320F280041 , TMS320F280041-Q1 , TMS320F280041C , TMS320F280041C-Q1 , TMS320F280045 , TMS320F280048-Q1 , TMS320F280048C-Q1 , TMS320F280049 , TMS320F280049-Q1 , TMS320F280049C , TMS320F280049C-Q1 , TMS320F28374D , TMS320F28374S , TMS320F28375D , TMS320F28375S , TMS320F28375S-Q1 , TMS320F28376D , TMS320F28376S , TMS320F28377S , TMS320F28377S-Q1 , TMS320F28378D , TMS320F28378S , TMS320F28379D , TMS320F28379D-Q1 , TMS320F28379S , TMS320F28384D , TMS320F28384S , TMS320F28386D , TMS320F28386S , TMS320F28388D , TMS320F28388S , TMS320F28P650DH , TMS320F28P650DK , TMS320F28P650SH , TMS320F28P650SK , TMS320F28P659DH-Q1 , TMS320F28P659DK-Q1 , TMS320F28P659SH-Q1

 

  1.    The Essential Guide for Developing With C2000™ Real-Time Microcontrollers
  2.   Trademarks
  3. 1C2000 and Real-Time Control
    1. 1.1 Getting Started Resources
    2. 1.2 Processing
    3. 1.3 Control
    4. 1.4 Sensing
    5. 1.5 Interface
    6. 1.6 Functional Safety
  4. 2Sensing Key Technologies
    1. 2.1 Accurate Digital Domain Representation of Analog Signals
      1. 2.1.1 Value Proposition
      2. 2.1.2 In Depth
      3. 2.1.3 Device List
      4. 2.1.4 Hardware Platforms and Software Examples
      5. 2.1.5 Documentation
    2. 2.2 Optimizing Acquisition Time vs Circuit Complexity for Analog Inputs
      1. 2.2.1 Value Proposition
      2. 2.2.2 In Depth
      3. 2.2.3 Device List
      4. 2.2.4 Hardware Platforms and Software Examples
      5. 2.2.5 Documentation
    3. 2.3 Hardware Based Monitoring of Dual-Thresholds Using a Single Pin Reference
      1. 2.3.1 Value Proposition
      2. 2.3.2 In Depth
      3. 2.3.3 Device List
      4. 2.3.4 Hardware Platforms and Software Examples
      5. 2.3.5 Documentation
    4. 2.4 Resolving Tolerance and Aging Effects During ADC Sampling
      1. 2.4.1 Value Proposition
      2. 2.4.2 In Depth
      3. 2.4.3 Device List
      4. 2.4.4 Hardware Platforms and Software Examples
      5. 2.4.5 Documentation
    5. 2.5 Realizing Rotary Sensing Solutions Using C2000 Configurable Logic Block
      1. 2.5.1 Value Proposition
      2. 2.5.2 In Depth
      3. 2.5.3 Device List
      4. 2.5.4 Hardware Platforms and Software Examples
      5. 2.5.5 Documentation
    6. 2.6 Smart Sensing Across An Isolation Boundary
      1. 2.6.1 Value Proposition
      2. 2.6.2 In Depth
      3. 2.6.3 Device List
      4. 2.6.4 Hardware Platforms and Software Examples
      5. 2.6.5 Documentation
    7. 2.7 Enabling Intra-Period Updates in High Bandwidth Control Topologies
      1. 2.7.1 Value Proposition
      2. 2.7.2 In Depth
      3. 2.7.3 Device List
      4. 2.7.4 Hardware Platforms and Software Examples
      5. 2.7.5 Documentation
    8. 2.8 Accurate Monitoring of Real-Time Control System Events Without the Need for Signal Conditioning
      1. 2.8.1 Value Proposition
      2. 2.8.2 In Depth
      3. 2.8.3 Device List
      4. 2.8.4 Hardware Platforms and Software Examples
      5. 2.8.5 Documentation
  5. 3Processing Key Technologies
    1. 3.1 Accelerated Trigonometric Math Functions
      1. 3.1.1 Value Proposition
      2. 3.1.2 In Depth
      3. 3.1.3 Device List
      4. 3.1.4 Hardware Platforms and Software Examples
      5. 3.1.5 Documentation
    2. 3.2 Fast Onboard Integer Division
      1. 3.2.1 Value Proposition
      2. 3.2.2 In Depth
      3. 3.2.3 Device List
      4. 3.2.4 Hardware Platforms and Software Platforms
      5. 3.2.5 Documentation
    3. 3.3 Hardware Support for Double-Precision Floating-Point Operations
      1. 3.3.1 Value Proposition
      2. 3.3.2 In Depth
      3. 3.3.3 Device List
      4. 3.3.4 Hardware Platforms and Software Examples
      5. 3.3.5 Documentation
    4. 3.4 Increasing Control Loop Bandwidth With An Independent Processing Unit
      1. 3.4.1 Value Proposition
      2. 3.4.2 In Depth
      3. 3.4.3 Device List
      4. 3.4.4 Hardware Platforms and Software Examples
      5. 3.4.5 Documentation
    5. 3.5 Flexible System Interconnect: C2000 X-Bar
      1. 3.5.1 Value Proposition
      2. 3.5.2 In Depth
      3. 3.5.3 Device List
      4. 3.5.4 Hardware Platforms and Software Examples
      5. 3.5.5 Documentation
    6. 3.6 Improving Control Performance With Nonlinear PID Control
      1. 3.6.1 Value Proposition
      2. 3.6.2 In Depth
      3. 3.6.3 Device List
      4. 3.6.4 Hardware Platforms and Software Examples
      5. 3.6.5 Documentation
    7. 3.7 Understanding Flash Memory Performance In Real-Time Control Applications
      1. 3.7.1 Value Proposition
      2. 3.7.2 In Depth
      3. 3.7.3 Device List
      4. 3.7.4 Hardware Platforms and Software Examples
      5. 3.7.5 Documentation
    8. 3.8 Deterministic Program Execution With the C28x DSP Core
      1. 3.8.1 Value Proposition
      2. 3.8.2 In Depth
      3. 3.8.3 Device List
      4. 3.8.4 Hardware Platforms and Software Examples
      5. 3.8.5 Documentation
    9. 3.9 Efficient Live Firmware Updates (LFU) and Firmware Over-The-Air (FOTA) updates
      1. 3.9.1 Value Proposition
      2. 3.9.2 In Depth
      3. 3.9.3 Device List
      4. 3.9.4 Hardware Platforms and Software Examples
      5. 3.9.5 Documentation
  6. 4Control Key Technologies
    1. 4.1 Reducing Limit Cycling in Control Systems With C2000 HRPWMs
      1. 4.1.1 Value Proposition
      2. 4.1.2 In Depth
      3. 4.1.3 Device List
      4. 4.1.4 Hardware Platforms and Software Examples
      5. 4.1.5 Documentation
    2. 4.2 Shoot Through Prevention for Current Control Topologies With Configurable Deadband
      1. 4.2.1 Value Proposition
      2. 4.2.2 In Depth
      3. 4.2.3 Device List
      4. 4.2.4 Documentation
    3. 4.3 On-Chip Hardware Customization Using the C2000 Configurable Logic Block
      1. 4.3.1 Value Proposition
      2. 4.3.2 In Depth
      3. 4.3.3 Device List
      4. 4.3.4 Hardware Platforms and Software Examples
      5. 4.3.5 Documentation
    4. 4.4 Fast Detection of Over and Under Currents and Voltages
      1. 4.4.1 Value Proposition
      2. 4.4.2 In Depth
      3. 4.4.3 Device List
      4. 4.4.4 Hardware Platforms and Software Examples
      5. 4.4.5 Documentation
    5. 4.5 Improving System Power Density With High Resolution Phase Control
      1. 4.5.1 Value Proposition
      2. 4.5.2 In Depth
      3. 4.5.3 Device List
      4. 4.5.4 Hardware Platforms and Software Examples
      5. 4.5.5 Documentation
    6. 4.6 Safe and Optimized PWM Updates in High-Frequency, Multi-Phase and Variable Frequency Topologies
      1. 4.6.1 Value Proposition
      2. 4.6.2 In Depth
      3. 4.6.3 Device List
      4. 4.6.4 Hardware Platforms and Software Examples
      5. 4.6.5 Documentation
    7. 4.7 Solving Event Synchronization Across Multiple Controllers in Decentralized Control Systems
      1. 4.7.1 Value Proposition
      2. 4.7.2 In Depth
      3. 4.7.3 Device List
      4. 4.7.4 Hardware Platforms and Software Examples
      5. 4.7.5 Documentation
  7. 5Interface Key Technologies
    1. 5.1 Direct Host Control of C2000 Peripherals
      1. 5.1.1 Value Proposition
      2. 5.1.2 In Depth
        1. 5.1.2.1 HIC Bridge for FSI Applications
        2. 5.1.2.2 HIC Bridge for Position Encoder Applications Using CLB
      3. 5.1.3 Device List
      4. 5.1.4 Hardware Platforms and Software Examples
      5. 5.1.5 Documentation
    2. 5.2 Securing External Communications and Firmware Updates With an AES Engine
      1. 5.2.1 Value Proposition
      2. 5.2.2 In Depth
      3. 5.2.3 Device List
      4. 5.2.4 Hardware Platforms and Software Examples
      5. 5.2.5 Documentation
    3. 5.3 Distributed Real-Time Control Across an Isolation Boundary
      1. 5.3.1 Value Proposition
      2. 5.3.2 In Depth
      3. 5.3.3 Device List
      4. 5.3.4 Hardware Platforms and Software Examples
      5. 5.3.5 Documentation
    4. 5.4 Custom Tests and Data Pattern Generation Using the Embedded Pattern Generator (EPG)
      1. 5.4.1 Value Proposition
      2. 5.4.2 In Depth
      3. 5.4.3 Device List
      4. 5.4.4 Hardware Platforms and Software Examples
      5. 5.4.5 Documentation
  8. 6Safety Key Technologies
    1. 6.1 Non-Intrusive Run Time Monitoring and Diagnostics as Part of the Control Loop
      1. 6.1.1 Value Proposition
      2. 6.1.2 In Depth
      3. 6.1.3 Device List
      4. 6.1.4 Hardware Platforms and Software Examples
      5. 6.1.5 Documentation
    2. 6.2 Hardware Built-In Self-Test of the C28x CPU
      1. 6.2.1 Value Proposition
      2. 6.2.2 In Depth
      3. 6.2.3 Device List
      4. 6.2.4 Hardware Platforms and Software Examples
      5. 6.2.5 Documentation
    3. 6.3 Zero CPU Overhead Cyclic Redundancy Check for Embedded On-Chip Memories
      1. 6.3.1 Value Proposition
      2. 6.3.2 In Depth
      3. 6.3.3 Device List
      4. 6.3.4 Hardware Platforms and Software Examples
      5. 6.3.5 Documentation
    4. 6.4 Boot Code Authentication Prior To Code Execution
      1. 6.4.1 Value Proposition
      2. 6.4.2 In Depth
      3. 6.4.3 Device List
      4. 6.4.4 Hardware Platforms and Software Examples
        1. 6.4.4.1 Documentation
  9. 7References
    1. 7.1 Device List
    2. 7.2 Hardware/Software Resources
    3. 7.3 Documentation
  10. 8Revision History

In Depth

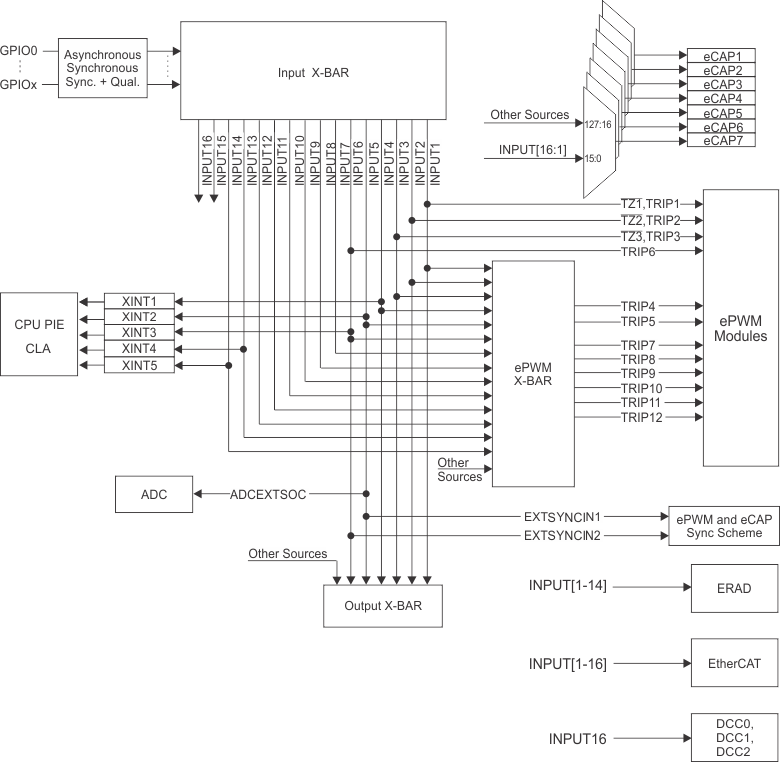
The inter-dependence of the Sensing and Actuation subsystems in a real-time control MCU is an obvious one. Whether it is incoming signals into the device, signals generated by on-chip logic (comparator, SDFM, ADC, and so forth), or outgoing signals; routing these signals in the system can be challenging at best. The on-chip X-bars provide a flexible mechanism to do that in hardware inside the MCU. There are three key benefits that these modules provide to the system:

  • Simple routing of external signals into the chip: Any GPIO can go to multiple modules on-chip (#T5843526-24). For example, this allows the eCAP module to choose from any input pin as its source, or any input pin to go to the CPU/CLA as an external interrupt. This also gives flexibility in signal routing and layout of the Printed Circuit Board (PCB) since pins are not hard configured for a set group of functions.
    GUID-4414642F-DB49-480B-9091-06734AC8A7F2-low.gif Figure 3-7 Input X-Bar on the TMS320F2837xD MCU
  • Lower system latency: For simple point-to-point transactions, there is no need for the main C28x CPU or the CLA to spend cycles routing signals from one domain to another when using the X-bars. Inside of each X-bar, there is also a simple logical OR (#T5843526-34) that allows combination of any of the inputs to the X-bar in hardware. This not only saves cycles for the processors, but allows flexibility of the system since the mux selections are all controlled in software and can be changed dynamically as needed.
    GUID-E5DCA345-86DC-4807-9A33-F827FD3BC5C0-low.gif Figure 3-8 Local Mux and Logical OR on the TMS320F2837xD MCU
  • Consistent timing: Similar to the above, since there is no CPU involvement, the signal propagates at the system clock in real time as it happens and is not contingent on another block to allow the signal to pass (#T5843526-25). This results in more predictable and repeatable system behavior. Given that the nature of many of the signals is to pass into the actuation sub-system timing is especially critical.
    GUID-DDE91B10-6390-45B1-BE1A-B0E51D142B8E-low.gif Figure 3-9 X-Bar Sources and Destinations on the TMS320F2837xD MCU