JAJU922A October 2022 – February 2024
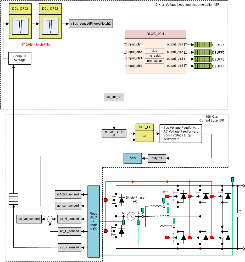
BUILD 2 では、内部電流ループが閉じているため、電流補償器 Gi を使用してインダクタ電流を制御します。DC バスと出力電圧フィード フォワードの両方をこの電流補償器の出力に印加して、インバータのデューティ サイクルを生成します。これにより、電流補償器用構成が簡素になり、比例(P)コントローラを使用して内部電流のループを調整できます。電流ループのモデルが導き出されています。このビルドのソフトウェア構成図を 図 5-32 に示します (TIDM-02013 は 2 相インターリーブ TTPPLPFC であることに注意してください)。

このビルドのソフトウェア構成図を図 5-32に示します。
図 5-32 ビルド レベル 2 の制御ソフトウェア構成図:閉電流ループ