SCAS928D May   2012  – April 2019 CDCUN1208LP

PRODUCTION DATA.  

  1. Features
  2. Applications
  3. Description
    1.     Pin Configuration Overview
  4. Revision History
  5. Pin Configuration and Functions
    1.     Pin Functions
  6. Specifications
    1. 6.1  Absolute Maximum Ratings
    2. 6.2  ESD Ratings
    3. 6.3  Recommended Operating Conditions
    4. 6.4  Thermal Information
    5. 6.5  Digital Input Electrical Characteristics – OE (SCL), INSEL, ITTP, OTTP, Divide (SDA/MOSI), ERC(ADDR/CS), Mode
    6. 6.6  Universal Input (IN1, IN2) Characteristics
    7. 6.7  Clock Output Buffer Characteristics (Output Mode = LVDS)
    8. 6.8  Clock Output Buffer Characteristics (Output Mode = HCSL)
    9. 6.9  Clock Output Buffer Electrical Characteristics (Output Mode = LVCMOS)
    10. 6.10 Clock Output Buffer Electrical Characteristics (Output Mode = LVCMOS) (Continued)
    11. 6.11 Clock Output Buffer Electrical Characteristics (Output Mode = LVCMOS) (Continued)
    12. 6.12 Typical Characteristics
  7. Parameter Measurement Information
    1. 7.1 Test Configurations
  8. Detailed Description
    1. 8.1 Overview
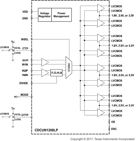
    2. 8.2 Functional Block Diagrams
    3. 8.3 Feature Description
      1. 8.3.1 Device Control Using Configuration Pins
        1. 8.3.1.1 Configuration of Output Type (OTTP)
        2. 8.3.1.2 Configuration of Edge Rate Control (ERC)
        3. 8.3.1.3 Control of Output Enable (OE)
      2. 8.3.2 Input Ports (IN1, IN2)
        1. 8.3.2.1 Configuration of the Input Type (ITTP)
        2. 8.3.2.2 Configuration of the IN2 Divider (INDIV)
      3. 8.3.3 Smart Input Multiplexer (INMUX)
        1. 8.3.3.1 Pin Configuration of the Smart Input Multiplexer (INMUX)
    4. 8.4 Device Functional Modes
      1. 8.4.1 Device Control Using the Host Interface
        1. 8.4.1.1 OE and INSEL in Host Configuration Mode
    5. 8.5 Programming
      1. 8.5.1 Host Interface Hardware Information
        1. 8.5.1.1 SPI Communication
          1. 8.5.1.1.1 CDCUN1208LP SPI Addressing
          2. 8.5.1.1.2 Writing to the CDCUN1208LP
          3. 8.5.1.1.3 Reading From the CDCUN1208LP
          4. 8.5.1.1.4 Block Write/Read Operation
        2. 8.5.1.2 I2C Communication
          1. 8.5.1.2.1 Message Transmission
            1. 8.5.1.2.1.1 Data and Address Bits
            2. 8.5.1.2.1.2 Special Symbols – Start (S) and Stop (P)
            3. 8.5.1.2.1.3 Special Symbols – Acknowledge (ACK)
            4. 8.5.1.2.1.4 Generic Message Frame
            5. 8.5.1.2.1.5 CDCUN1208LP Message Format
            6. 8.5.1.2.1.6 CDCUN1208LP Device Addressing (I2C Address)
            7. 8.5.1.2.1.7 CDCUN1208LP Device Addressing (Register Address)
          2. 8.5.1.2.2 I2C Master and Slave Handshaking
          3. 8.5.1.2.3 Block Read/Write
          4. 8.5.1.2.4 I2C Timing
    6. 8.6 Register Maps
      1. 8.6.1 Device Registers
        1. 8.6.1.1 Device Registers: Register 00-07
  9. Application and Implementation
    1. 9.1 Application Information
    2. 9.2 Typical Application
      1. 9.2.1 PCI Express Applications
        1. 9.2.1.1 Design Requirements
        2. 9.2.1.2 Detailed Design Procedure
        3. 9.2.1.3 Application Curves
    3. 9.3 Systems Examples
  10. 10Power Supply Recommendations
    1. 10.1 CDCUN1208LP Power Consumption
    2. 10.2 Device Power Supply Connections and Sequencing
    3. 10.3 Device Inputs (IN1, IN2)
  11. 11Layout
    1. 11.1 Layout Guidelines
    2. 11.2 Layout Example
  12. 12Device and Documentation Support
    1. 12.1 Receiving Notification of Documentation Updates
    2. 12.2 Community Resources
    3. 12.3 Trademarks
    4. 12.4 Electrostatic Discharge Caution
    5. 12.5 Glossary
  13. 13Mechanical, Packaging, and Orderable Information

Package Options

Mechanical Data (Package|Pins)
Thermal pad, mechanical data (Package|Pins)
Orderable Information

Functional Block Diagrams

CDCUN1208LP typ_app_example_cas928.gifFigure 26. CDCUN1208LP Typical Application Example – LVCMOS Output Mode
CDCUN1208LP typ_app_cas928.gifFigure 27. CDCUN1208LP Applications – HCSL and LVDS Fan-Out Buffer Mode