JAJA675B November   2018  – October 2021 DRV10866 , DRV10963 , DRV10964 , DRV10970 , DRV10974 , DRV10975 , DRV10983 , DRV10983-Q1 , DRV10987 , DRV11873 , DRV3205-Q1 , DRV3220-Q1 , DRV3245E-Q1 , DRV3245Q-Q1 , DRV8301 , DRV8302 , DRV8303 , DRV8304 , DRV8305 , DRV8305-Q1 , DRV8306 , DRV8307 , DRV8308 , DRV8312 , DRV8313 , DRV8320 , DRV8320R , DRV8323 , DRV8323R , DRV8332 , DRV8343-Q1 , DRV8350 , DRV8350R , DRV8353 , DRV8353R , DRV8412 , DRV8701 , DRV8702-Q1 , DRV8702D-Q1 , DRV8703-Q1 , DRV8703D-Q1 , DRV8704 , DRV8711 , DRV8800 , DRV8801 , DRV8801-Q1 , DRV8801A-Q1 , DRV8802 , DRV8802-Q1 , DRV8803 , DRV8804 , DRV8805 , DRV8806 , DRV8811 , DRV8812 , DRV8813 , DRV8814 , DRV8816 , DRV8818 , DRV8821 , DRV8823 , DRV8823-Q1 , DRV8824 , DRV8824-Q1 , DRV8825 , DRV8828 , DRV8829 , DRV8830 , DRV8832 , DRV8832-Q1 , DRV8833 , DRV8833C , DRV8834 , DRV8835 , DRV8836 , DRV8837 , DRV8837C , DRV8838 , DRV8839 , DRV8840 , DRV8841 , DRV8842 , DRV8843 , DRV8844 , DRV8846 , DRV8847 , DRV8848 , DRV8850 , DRV8860 , DRV8870 , DRV8871 , DRV8871-Q1 , DRV8872 , DRV8872-Q1 , DRV8873-Q1 , DRV8880 , DRV8881 , DRV8884 , DRV8885 , DRV8886 , DRV8886AT , DRV8889-Q1

 

  1.   商標
  2. 1グランド配線の最適化
    1. 1.1 よく使用される用語 / 接続
    2. 1.2 グランド・プレーンの使用
      1. 1.2.1 2 層基板技術
    3. 1.3 共通の問題
      1. 1.3.1 容量性および誘導性結合
      2. 1.3.2 同相および差動ノイズ
    4. 1.4 EMC に関する考慮事項
  3. 2熱の概要
    1. 2.1 PCB の熱伝導および対流
    2. 2.2 連続的な最上層のサーマル・パッド
    3. 2.3 銅厚
    4. 2.4 サーマル・ビアの接続
    5. 2.5 サーマル・ビアの幅
    6. 2.6 熱設計のまとめ
  4. 3ビア
    1. 3.1 ビアの電流容量
    2. 3.2 ビアのレイアウトに関する推奨事項
      1. 3.2.1 複数ビアのレイアウト
      2. 3.2.2 ビアの配置
  5. 4一般的な配線手法
  6. 5バルクおよびバイパス・コンデンサの配置
    1. 5.1 バルク・コンデンサの配置
    2. 5.2 チャージ・ポンプ・コンデンサ
    3. 5.3 バイパス / デカップリング・コンデンサの配置
      1. 5.3.1 電源の近く
      2. 5.3.2 電力段の近く
      3. 5.3.3 スイッチ電流源の近く
      4. 5.3.4 電流センス・アンプの近く
      5. 5.3.5 電圧レギュレータの近く
  7. 6MOSFET の配置と電力段の配線
    1. 6.1 一般的なパワー MOSFET パッケージ
      1. 6.1.1 DPAK
      2. 6.1.2 D2PAK
      3. 6.1.3 TO-220
      4. 6.1.4 8 ピン SON
    2. 6.2 MOSFET のレイアウト構成
    3. 6.3 電力段のレイアウト設計
      1. 6.3.1 スイッチ・ノード
      2. 6.3.2 大電流ループ経路
      3. 6.3.3 VDRAIN センス・ピン
  8. 7電流センス・アンプの配線
    1. 7.1 シングル・ハイサイド電流シャント
    2. 7.2 シングル・ローサイド電流シャント
    3. 7.3 2 相および 3 相電流シャント・アンプ
    4. 7.4 部品選定
    5. 7.5 配置
    6. 7.6 配線
    7. 7.7 便利なツール (ネット・タイと差動ペア)
    8. 7.8 入力および出力フィルタ
    9. 7.9 必須事項と禁止事項
  9. 8関連資料
  10. 9改訂履歴

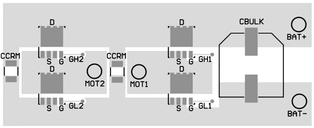
スイッチ電流源の近く

これらのコンデンサの適切なレイアウトと配置は、コンデンサが効果的に機能する上で非常に重要です。容量とスイッチング電流源の間に追加の寄生インダクタンスがあると、コンデンサの効果は低下します。理想的には、スイッチング電流源 (この場合はモーターと MOSFET) にできるだけ近づけてコンデンサを配置します。図 5-7 に、前述の回路図例に基づくレイアウト例を示します。

GUID-702CAFCA-07CD-4129-9980-291334FDE490-low.gif図 5-7 バイパス・コンデンサのレイアウト例