JAJSX70B July   2010  – September 2025 UCC28070-Q1

PRODUCTION DATA  

  1.   1
  2. 特長
  3. アプリケーション
  4. 説明
  5. ピン構成および機能
  6. 仕様
    1. 5.1 絶対最大定格
    2. 5.2 ESD 定格
    3. 5.3 推奨動作条件
    4. 5.4 熱に関する情報
    5. 5.5 電気的特性
    6. 5.6 代表的特性
  7. 詳細説明
    1. 6.1 概要
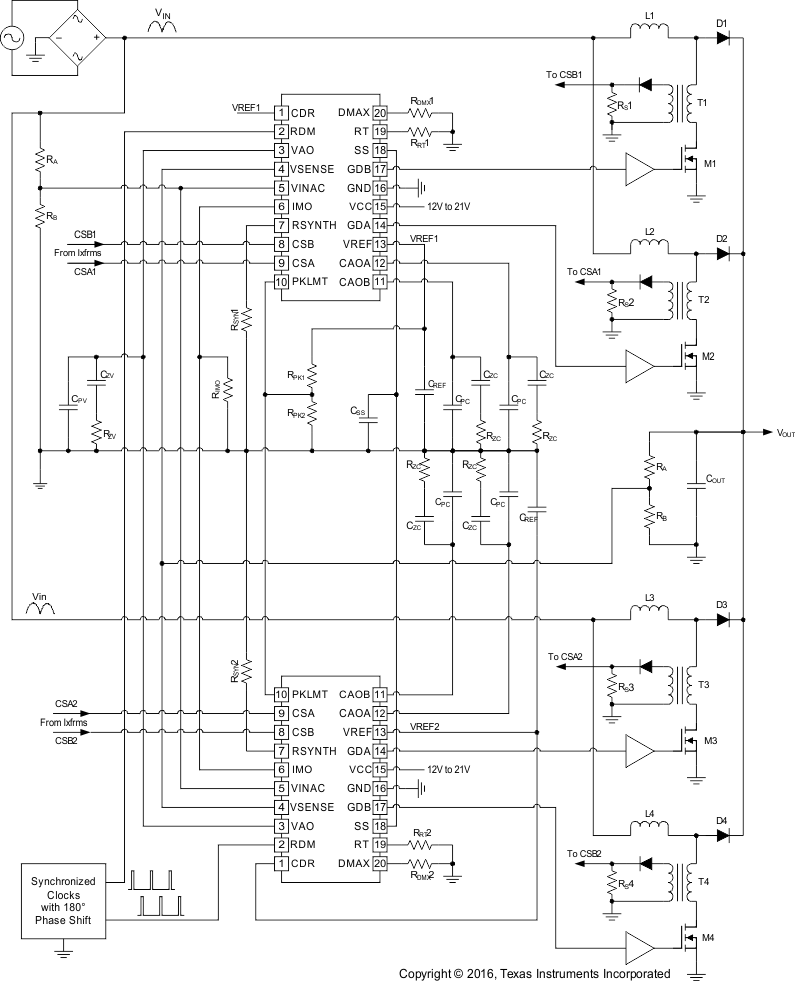
    2. 6.2 機能ブロック図
    3. 6.3 機能説明
      1. 6.3.1  インターリーブ
      2. 6.3.2  PWM 周波数と最大デューティ サイクル クランプの設定
      3. 6.3.3  周波数ディザリング (振幅およびレート)
      4. 6.3.4  外部クロック同期
      5. 6.3.5  マルチフェーズ動作
      6. 6.3.6  VSENSE と VINAC 抵抗の構成
      7. 6.3.7  VSENSE および VINAC 開路保護
      8. 6.3.8  電流シンセサイザ
      9. 6.3.9  プログラム可能なピーク電流制限
      10. 6.3.10 リニア マルチプライヤおよび量子化電圧フィードフォワード
      11. 6.3.11 拡張過渡応答 (VA スルーレート補正)
      12. 6.3.12 バイアス電圧 (VCC および VREF)
      13. 6.3.13 PFC の有効化と無効化
      14. 6.3.14 アダプティブ ソフトスタート
      15. 6.3.15 PFC スタートアップ ホールドオフ
      16. 6.3.16 出力過電圧保護 (OVP)
      17. 6.3.17 ゼロ電力検出
      18. 6.3.18 サーマル シャットダウン
      19. 6.3.19 電流ループ補償
      20. 6.3.20 電圧ループ補償
    4. 6.4 デバイスの機能モード
  8. アプリケーションと実装
    1. 7.1 アプリケーション情報
    2. 7.2 代表的なアプリケーション
      1. 7.2.1 設計要件
      2. 7.2.2 詳細な設計手順
        1. 7.2.2.1 出力電流の計算
        2. 7.2.2.2 ブリッジ整流器
        3. 7.2.2.3 PFC インダクタ (L1 および L2)
        4. 7.2.2.4 PFC MOSFET (M1 および M2)
        5. 7.2.2.5 PFC ダイオード
        6. 7.2.2.6 PFC 出力コンデンサ
        7. 7.2.2.7 電流ループ帰還構成 (電流トランスの巻線比 NCT と電流検出抵抗 RSの最適化)
        8. 7.2.2.8 電流センス オフセットと PWM ランプにより ノイズ耐性を向上
      3. 7.2.3 アプリケーション曲線
    3. 7.3 電源に関する推奨事項
    4. 7.4 レイアウト
      1. 7.4.1 レイアウトのガイドライン
      2. 7.4.2 レイアウト例
  9. デバイスおよびドキュメントのサポート
    1. 8.1 ドキュメントのサポート
      1. 8.1.1 関連資料
    2. 8.2 ドキュメントの更新通知を受け取る方法
    3. 8.3 サポート・リソース
    4. 8.4 商標
    5. 8.5 静電気放電に関する注意事項
    6. 8.6 用語集
  10. 改訂履歴
  11. 10メカニカル、パッケージ、および注文情報

VSENSE および VINAC 開路保護

VSENSE ピンおよび VINAC ピンには内部 250nA の電流シンクが設計されており、どちらかのピンがオープン回路になった場合でも電圧が不定にならず、UCC28070-Q1 が安全な動作モードを維持できるようになっています。

UCC28070-Q1 2 つの UCC28070-Q1 デバイスを使用した 4 相アプリケーションの概略図図 6-1 2 つの UCC28070-Q1 デバイスを使用した 4 相アプリケーションの概略図