SPRUIU1D July   2020  â€“ December 2024 DRA821U , DRA821U-Q1

 

  1.   1
  2.   Read This First
    1.     About This Manual
    2.     Related Documentation From Texas Instruments
    3.     Support Resources
    4.     Glossary
    5.     Export Control Notice
    6.     Trademarks
  3. Introduction
    1. 1.1 Device Overview
    2. 1.2 Device Block Diagram
    3. 1.3 Device Main Domain
      1. 1.3.1  Arm Cortex-A72 Subsystem
      2. 1.3.2  Arm Cortex-R5F Processor
      3. 1.3.3  Navigator Subsystem
      4. 1.3.4  Region-based Address Translation Module
      5. 1.3.5  Multicore Shared Memory Controller
      6. 1.3.6  DDR Subsystem
      7. 1.3.7  General Purpose Input/Output Interface
      8. 1.3.8  Inter-Integrated Circuit Interface
      9. 1.3.9  Improved Inter-Integrated Circuit Interface
      10. 1.3.10 Multi-channel Serial Peripheral Interface
      11. 1.3.11 Universal Asynchronous Receiver/Transmitter
      12. 1.3.12 Gigabit Ethernet Switch
      13. 1.3.13 Peripheral Component Interconnect Express Subsystem
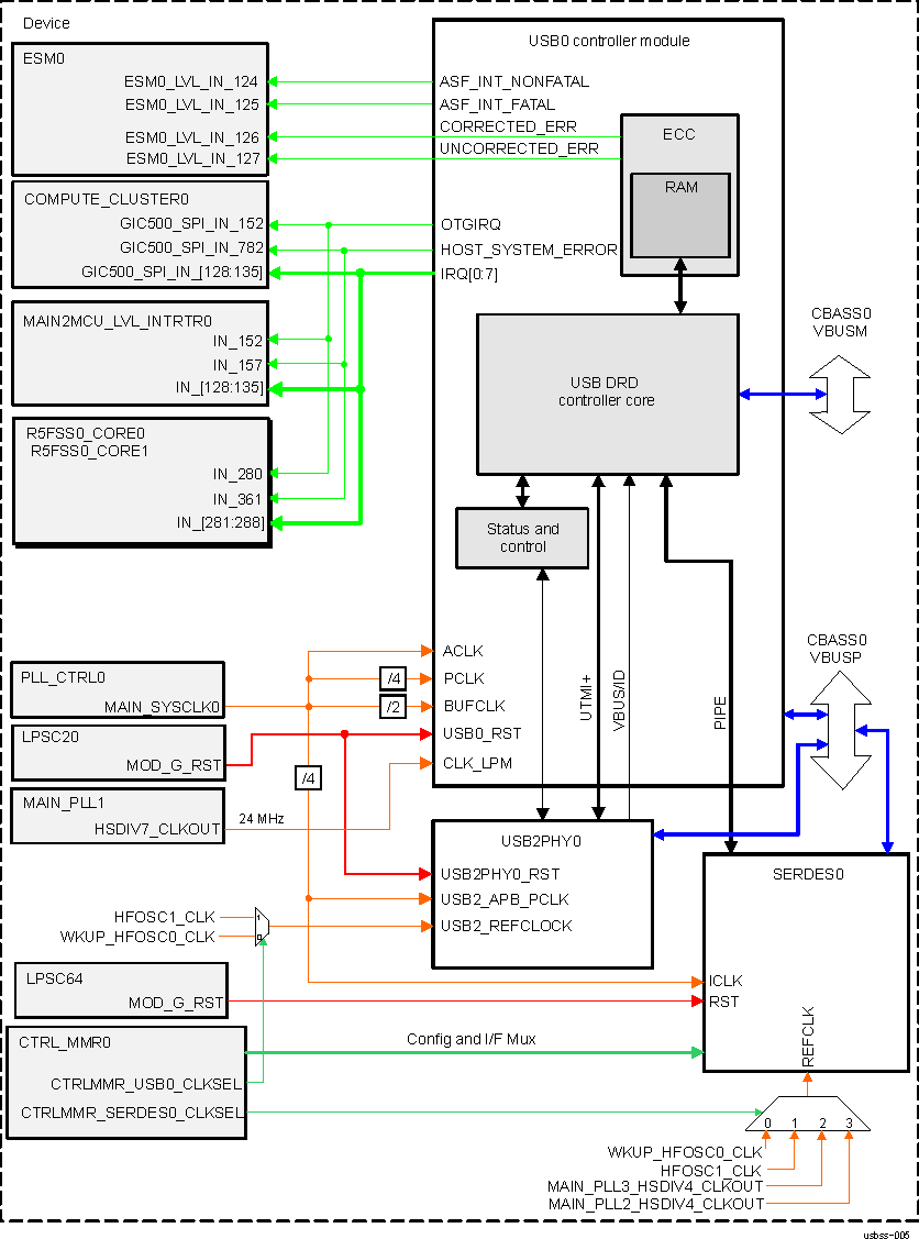
      14. 1.3.14 Universal Serial Bus (USB) Subsystem
      15. 1.3.15 SerDes
      16. 1.3.16 General Purpose Memory Controller with Error Location Module
      17. 1.3.17 Multimedia Card/Secure Digital Interface
      18. 1.3.18 Enhanced Capture Module
      19. 1.3.19 Enhanced Pulse-Width Modulation Module
      20. 1.3.20 Enhanced Quadrature Encoder Pulse Module
      21. 1.3.21 Controller Area Network
      22. 1.3.22 Audio Tracking Logic
      23. 1.3.23 Multi-channel Audio Serial Port
      24. 1.3.24 Timers
      25. 1.3.25 Internal Diagnostics Modules
    4. 1.4 Device MCU Domain
      1. 1.4.1  MCU Arm Cortex-R5F Processor
      2. 1.4.2  MCU Region-based Address Translation Module
      3. 1.4.3  MCU Navigator Subsystem
      4. 1.4.4  MCU Analog-to-Digital Converter
      5. 1.4.5  MCU Inter-Integrated Circuit Interface
      6. 1.4.6  MCU Improved Inter-Integrated Circuit Interface
      7. 1.4.7  MCU Multi-channel Serial Peripheral Interface
      8. 1.4.8  MCU Universal Asynchronous Receiver/Transmitter
      9. 1.4.9  MCU Gigabit Ethernet Switch
      10. 1.4.10 MCU Octal Serial Peripheral Interface and HyperBus Memory Controller as a Flash Subsystem
      11. 1.4.11 MCU Controller Area Network
      12. 1.4.12 MCU Timers
      13. 1.4.13 MCU Internal Diagnostics Modules
    5. 1.5 Device WKUP Domain
      1. 1.5.1 WKUP Device Management and Security Controller
      2. 1.5.2 WKUP General Purpose Input/Output Interface
      3. 1.5.3 WKUP Inter-Integrated Circuit Interface
      4. 1.5.4 WKUP Universal Asynchronous Receiver/Transmitter
      5. 1.5.5 WKUP Internal Diagnostics Modules
    6. 1.6 Device Identification
  4. Memory Map
    1. 2.1 MAIN Domain Memory Map
    2. 2.2 MCU Domain Memory Map
    3. 2.3 WKUP Domain Memory Map
    4. 2.4 Processors View Memory Map
    5. 2.5 Region-based Address Translation
  5. System Interconnect
    1. 3.1 System Interconnect Overview
    2. 3.2 System Interconnect Integration
      1. 3.2.1 Interconnect Integration in WKUP Domain
      2. 3.2.2 Interconnect Integration in MCU Domain
      3. 3.2.3 Interconnect Integration in MAIN Domain
    3. 3.3 System Interconnect Functional Description
      1. 3.3.1 Master-Slave Connections
      2. 3.3.2 Quality of Service (QoS)
      3. 3.3.3 Route ID
      4. 3.3.4 Initiator-Side Security Controls and Firewalls
        1. 3.3.4.1 Initiator-Side Security Controls (ISC)
          1. 3.3.4.1.1 Special System Level Priv-ID
          2. 3.3.4.1.2 Priv ID and ISC Assignment
        2. 3.3.4.2 Firewalls (FW)
          1. 3.3.4.2.1 Peripheral Firewalls (FW)
          2. 3.3.4.2.2 Memory or Region-based Firewalls
            1. 3.3.4.2.2.1 Region Based Firewall Functional Description
          3. 3.3.4.2.3 Channelized Firewalls
            1. 3.3.4.2.3.1 Channelized Firewall Functional Description
      5. 3.3.5 Null Error Reporting
      6. 3.3.6 VBUSM_TIMEOUT_GASKET (MCU_TIMEOUT_64B2)
        1. 3.3.6.1 Overview and Feature List
          1. 3.3.6.1.1 Features Supported
          2. 3.3.6.1.2 Features Not Supported
        2. 3.3.6.2 Functional Description
          1. 3.3.6.2.1 Functional Operation
            1. 3.3.6.2.1.1  Overview
            2. 3.3.6.2.1.2  FIFOs
            3. 3.3.6.2.1.3  ID Allocator
            4. 3.3.6.2.1.4  Timer
            5. 3.3.6.2.1.5  Timeout Queue
            6. 3.3.6.2.1.6  Write Scoreboard
            7. 3.3.6.2.1.7  Read Scoreboard
            8. 3.3.6.2.1.8  Flush Mode
            9. 3.3.6.2.1.9  Flushing
            10. 3.3.6.2.1.10 Timeout Error Reporting
            11. 3.3.6.2.1.11 Command Timeout Error Reporting
            12. 3.3.6.2.1.12 Unexpected Response Reporting
            13. 3.3.6.2.1.13 Latency and Stalls
            14. 3.3.6.2.1.14 Bypass
            15. 3.3.6.2.1.15 Safety
        3. 3.3.6.3 Interrupt Conditions
          1. 3.3.6.3.1 Transaction Error Interrupt
            1. 3.3.6.3.1.1 Transaction Timeout
            2. 3.3.6.3.1.2 Unexpected Response
            3. 3.3.6.3.1.3 Command Timeout
        4. 3.3.6.4 Memory Map
          1. 3.3.6.4.1  Revision Register (Base Address + 0x00)
          2. 3.3.6.4.2  Configuration Register (Base Address + 0x04)
          3. 3.3.6.4.3  Info Register (Base Address + 0x08)
          4. 3.3.6.4.4  Enable Register (Base Address + 0x0C)
          5. 3.3.6.4.5  Flush Register (Base Address + 0x10)
          6. 3.3.6.4.6  Timeout Value Register (Base Address + 0x14)
          7. 3.3.6.4.7  Timer Register (Base Address + 0x18)
          8. 3.3.6.4.8  Error Interrupt Raw Status/Set Register (Base Address + 0x20)
          9. 3.3.6.4.9  Error Interrupt Enabled Status/Clear Register (Base Address + 0x24)
          10. 3.3.6.4.10 Error Interrupt Mask Set Register (Base Address + 0x28)
          11. 3.3.6.4.11 Error Interrupt Mask Clear Register (Base Address + 0x2C)
          12. 3.3.6.4.12 Timeout Error Info Register (Base Address + 0x30)
          13. 3.3.6.4.13 Unexpected Response Info Register (Base Address + 0x34)
          14. 3.3.6.4.14 Error Transaction Valid/Dir/RouteID Register (Base Address + 0x38)
          15. 3.3.6.4.15 Error Transaction Tag/CommandID Register (Base Address + 0x3C)
          16. 3.3.6.4.16 Error Transaction Bytecnt Register (Base Address + 0x40)
          17. 3.3.6.4.17 Error Transaction Upper Address Register (Base Address + 0x44)
          18. 3.3.6.4.18 Error Transaction Lower Address Register (Base Address + 0x48)
        5. 3.3.6.5 Integration Overview
          1. 3.3.6.5.1 Parameterization Requirements
        6. 3.3.6.6 I/O Description
          1. 3.3.6.6.1 Clockstop Idle
          2. 3.3.6.6.2 Flush
          3. 3.3.6.6.3 Module I/O
        7. 3.3.6.7 User’s Guide
          1. 3.3.6.7.1 Programmer’s Guide
            1. 3.3.6.7.1.1 Initialization
            2. 3.3.6.7.1.2 Software Flush
      7. 3.3.7 Timeout Gasket (TOG)
    4. 3.4 System Interconnect Registers
      1. 3.4.1 QoS Registers
      2. 3.4.2 Firewall Exception Registers
      3. 3.4.3 Firewall Region Registers
      4. 3.4.4 Null Error Reporting Registers
  6. Initialization
    1. 4.1 Initialization Overview
      1. 4.1.1 ROM Code Overview
      2. 4.1.2 Bootloader Modes
      3. 4.1.3 Terminology
    2. 4.2 Boot Process
      1. 4.2.1 MCU ROM Code Architecture
        1. 4.2.1.1 Main Module
        2. 4.2.1.2 X509 Module
        3. 4.2.1.3 Buffer Manager Module
        4. 4.2.1.4 Log and Trace Module
        5. 4.2.1.5 System Module
        6. 4.2.1.6 Protocol Module
        7. 4.2.1.7 Driver Module
      2. 4.2.2 DMSC ROM Description
      3. 4.2.3 Boot Process Flow
      4. 4.2.4 MCU Only vs Normal Boot
    3. 4.3 Boot Mode Pins
      1. 4.3.1  MCU_BOOTMODE Pin Mapping
      2. 4.3.2  BOOTMODE Pin Mapping
        1. 4.3.2.1 Primary Boot Mode Selection
        2. 4.3.2.2 Backup Boot Mode Selection When MCU Only = 0
        3. 4.3.2.3 Primary Boot Mode Configuration
        4. 4.3.2.4 Backup Boot Mode Configuration
      3. 4.3.3  No-boot/Dev-boot Configuration
      4. 4.3.4  Hyperflash Boot Device Configuration
      5. 4.3.5  OSPI Boot Device Configuration
      6. 4.3.6  QSPI Boot Device Configuration
      7. 4.3.7  SPI Boot Device Configuration
      8. 4.3.8  xSPI Boot Device Configuration
      9. 4.3.9  I2C Boot Device Configuration
      10. 4.3.10 MMC/SD Card Boot Device Configuration
      11. 4.3.11 eMMC Boot Device Configuration
        1. 4.3.11.1 eMMC Flash
      12. 4.3.12 Ethernet Boot Device Configuration
      13. 4.3.13 USB Boot Device Configuration
      14. 4.3.14 PCIe Boot Device Configuration
      15. 4.3.15 UART Boot Device Configuration
      16. 4.3.16 PLL Configuration
        1. 4.3.16.1 MCU_PLL0, MCU_PLL2, Main PLL0, and Main PLL3
        2. 4.3.16.2 MCU_PLL1
        3. 4.3.16.3 Main PLL1
        4. 4.3.16.4 Main PLL2
        5. 4.3.16.5 HSDIV Values
        6. 4.3.16.6 191
    4. 4.4 Boot Parameter Tables
      1. 4.4.1  Common Header
      2. 4.4.2  PLL Setup
      3. 4.4.3  PCIe Boot Parameter Table
      4. 4.4.4  I2C Boot Parameter Table
      5. 4.4.5  OSPI/QSPI/SPI Boot Parameter Table
      6. 4.4.6  Ethernet Boot Parameter Table
      7. 4.4.7  USB Boot Parameter Table
      8. 4.4.8  MMCSD Boot Parameter Table
      9. 4.4.9  UART Boot Parameter Table
      10. 4.4.10 Hyperflash Boot Parameter Table
    5. 4.5 Boot Image Format
      1. 4.5.1 Overall Structure
      2. 4.5.2 X.509 Certificate
      3. 4.5.3 Organizational Identifier (OID)
      4. 4.5.4 X.509 Extensions Specific to Boot
        1. 4.5.4.1 Boot Info (OID 1.3.6.1.4.1.294.1.1)
        2. 4.5.4.2 Image Integrity (OID 1.3.6.1.4.1.294.1.2)
      5. 4.5.5 Extended Boot Info Extension
        1. 4.5.5.1 Impact on HS Device
        2. 4.5.5.2 Extended Boot Info Details
        3. 4.5.5.3 Certificate / Component Types
        4. 4.5.5.4 Extended Boot Encryption Info
        5. 4.5.5.5 Component Ordering
        6. 4.5.5.6 Memory Load Sections Overlap with Executable Components
        7. 4.5.5.7 Device Type and Extended Boot Extension
      6. 4.5.6 Generating X.509 Certificates
        1. 4.5.6.1 Key Generation
          1. 4.5.6.1.1 Degenerate RSA Keys
        2. 4.5.6.2 Configuration Script
      7. 4.5.7 Image Data
    6. 4.6 Boot Modes
      1. 4.6.1 I2C Bootloader Operation
        1. 4.6.1.1 I2C Initialization Process
          1. 4.6.1.1.1 Block Size
          2. 4.6.1.1.2 227
        2. 4.6.1.2 I2C Loading Process
          1. 4.6.1.2.1 Loading a Boot Image From EEPROM
      2. 4.6.2 SPI Bootloader Operation
        1. 4.6.2.1 SPI Initialization Process
        2. 4.6.2.2 SPI Loading Process
      3. 4.6.3 QSPI Bootloader Operation
        1. 4.6.3.1 QSPI Initialization Process
        2. 4.6.3.2 QSPI Loading Process
      4. 4.6.4 OSPI Bootloader Operation
        1. 4.6.4.1 OSPI Initialization Process
        2. 4.6.4.2 OSPI Loading Process
      5. 4.6.5 PCIe Bootloader Operation
        1. 4.6.5.1 PCIe Initialization Process
        2. 4.6.5.2 PCIe Loading Process
      6. 4.6.6 Ethernet Bootloader Operation
        1. 4.6.6.1 Ethernet Initialization Process
        2. 4.6.6.2 Ethernet Loading Process
          1. 4.6.6.2.1 Ethernet Boot Data Formats
            1. 4.6.6.2.1.1 Limitations
            2. 4.6.6.2.1.2 BOOTP Request
              1. 4.6.6.2.1.2.1 MAC Header (DIX)
              2. 4.6.6.2.1.2.2 IPv4 Header
              3. 4.6.6.2.1.2.3 UDP Header
              4. 4.6.6.2.1.2.4 BOOTP Payload
              5. 4.6.6.2.1.2.5 TFTP
        3. 4.6.6.3 Ethernet Hand Over Process
      7. 4.6.7 USB Bootloader Operation
        1. 4.6.7.1 USB-Specific Attributes
          1. 4.6.7.1.1 DFU Device Mode
      8. 4.6.8 MMCSD Bootloader Operation
      9. 4.6.9 UART Bootloader Operation
        1. 4.6.9.1 Initialization Process
        2. 4.6.9.2 UART Loading Process
          1. 4.6.9.2.1 UART XMODEM
        3. 4.6.9.3 UART Hand-Over Process
    7. 4.7 Boot Memory Maps
      1. 4.7.1 Memory Layout/MPU
      2. 4.7.2 Global Memory Addresses Used by ROM Code
      3. 4.7.3 Memory Reserved by ROM Code
  7. Device Configuration
    1. 5.1 Control Module (CTRL_MMR)
      1. 5.1.1 WKUP_CTRL_MMR0
        1. 5.1.1.1 WKUP_CTRL_MMR0 Overview
        2. 5.1.1.2 WKUP_CTRL_MMR0 Integration
        3. 5.1.1.3 WKUP_CTRL_MMR0 Functional Description
          1. 5.1.1.3.1 Description for WKUP_CTRL_MMR0 Register Types
            1. 5.1.1.3.1.1  Pad Configuration Registers
            2. 5.1.1.3.1.2  Kick Protection Registers
            3. 5.1.1.3.1.3  WKUP_CTRL_MMR0 Module Interrupts
            4. 5.1.1.3.1.4  Clock Selection Registers
            5. 5.1.1.3.1.5  Device Feature Registers
            6. 5.1.1.3.1.6  POK Module Registers
            7. 5.1.1.3.1.7  Power and Reset Related Registers
            8. 5.1.1.3.1.8  PRG Related Registers
            9. 5.1.1.3.1.9  Voltage Glitch Detect Control and Status Registers
            10. 5.1.1.3.1.10 I/O Debounce Control Registers
        4. 5.1.1.4 WKUP_CTRL_MMR0 Registers
      2. 5.1.2 MCU_CTRL_MMR0
        1. 5.1.2.1 MCU_CTRL_MMR0 Overview
        2. 5.1.2.2 MCU_CTRL_MMR0 Integration
        3. 5.1.2.3 MCU_CTRL_MMR0 Functional Description
          1. 5.1.2.3.1 Description for MCU_CTRL_MMR0 Register Types
            1. 5.1.2.3.1.1 Kick Protection Registers
            2. 5.1.2.3.1.2 MCU_CTRL_MMR0 Module Interrupts
            3. 5.1.2.3.1.3 Inter-processor Communication Registers
            4. 5.1.2.3.1.4 Timer I/O Muxing Control Registers
            5. 5.1.2.3.1.5 Clock Muxing and Division Registers
            6. 5.1.2.3.1.6 MCU_CPSW0 MAC Address Registers
        4. 5.1.2.4 MCU_CTRL_MMR0 Registers
        5. 5.1.2.5 MCU_SEC_MMR0_DBG_CTRL Registers
        6. 5.1.2.6 MCU_SEC_MMR0_BOOT_CTRL Registers
      3. 5.1.3 CTRL_MMR0
        1. 5.1.3.1 CTRL_MMR0 Overview
        2. 5.1.3.2 CTRL_MMR0 Integration
        3. 5.1.3.3 CTRL_MMR0 Functional Description
          1. 5.1.3.3.1 Description for CTRL_MMR0 Register Types
            1. 5.1.3.3.1.1  Pad Configuration Registers
            2. 5.1.3.3.1.2  Kick Protection Registers
            3. 5.1.3.3.1.3  CTRL_MMR0 Module Interrupts
            4. 5.1.3.3.1.4  Inter-processor Communication Registers
            5. 5.1.3.3.1.5  Timer I/O Muxing Control Registers
            6. 5.1.3.3.1.6  EHRPWM/EQEP Control and Status Registers
            7. 5.1.3.3.1.7  Clock Muxing and Division Registers
            8. 5.1.3.3.1.8  Ethernet Port Operation Control Registers
            9. 5.1.3.3.1.9  SERDES Lane Function Control Registers
            10. 5.1.3.3.1.10 DDRSS Dynamic Frequency Change Registers
        4. 5.1.3.4 CTRL_MMR0 Registers
        5. 5.1.3.5 SEC_MMR0_DBG_CTRL Registers
        6. 5.1.3.6 SEC_MMR0_BOOT_CTRL Registers
    2. 5.2 Power
      1. 5.2.1 Power Management Overview
      2. 5.2.2 Power Management Subsystems
        1. 5.2.2.1 Power Subsystems Overview
          1. 5.2.2.1.1 POK Overview
          2. 5.2.2.1.2 PRG / PRG_PP Overview
          3. 5.2.2.1.3 POR Overview
          4. 5.2.2.1.4 POK / PRG(_PP) /POR Overview
          5. 5.2.2.1.5 Timing
          6. 5.2.2.1.6 Restrictions
        2. 5.2.2.2 Power System Modules
          1. 5.2.2.2.1 Power OK (POK) Modules
            1. 5.2.2.2.1.1 POK Programming Model
              1. 5.2.2.2.1.1.1 POK Threshold Setting Programming Sequence
          2. 5.2.2.2.2 Power on Reset (POR) Module
            1. 5.2.2.2.2.1 POR Overview
            2. 5.2.2.2.2.2 POR Integration
            3. 5.2.2.2.2.3 POR Programming Model
          3. 5.2.2.2.3 PoR/Reset Generator (PRG_PP) Modules
            1. 5.2.2.2.3.1 PRG_PP Overview
            2. 5.2.2.2.3.2 PRG_PP Integration
            3. 5.2.2.2.3.3 PRG_PP Programming Model
          4. 5.2.2.2.4 Power Glitch Detect (PGD) Modules
          5. 5.2.2.2.5 Voltage and Thermal Manager (VTM)
            1. 5.2.2.2.5.1 VTM Overview
              1. 5.2.2.2.5.1.1 VTM Features
              2. 5.2.2.2.5.1.2 VTM Not Supported Features
            2. 5.2.2.2.5.2 VTM Integration
            3. 5.2.2.2.5.3 VTM Functional Description
              1. 5.2.2.2.5.3.1 VTM Temperature Status and Thermal Management
                1. 5.2.2.2.5.3.1.1 10-bit Temperature Values Versus Temperature
              2. 5.2.2.2.5.3.2 VTM Temperature Driven Alerts and Interrupts
              3. 5.2.2.2.5.3.3 VTM VID Voltage Domains
              4. 5.2.2.2.5.3.4 VTM Clocking
              5. 5.2.2.2.5.3.5 VTM Retention Interface
              6. 5.2.2.2.5.3.6 VTM ECC Aggregator
              7. 5.2.2.2.5.3.7 VTM Programming Model
                1. 5.2.2.2.5.3.7.1 VTM Maximum Temperature Outrange Alert
                2. 5.2.2.2.5.3.7.2 Temperature Monitor during Low Power Modes
                3. 5.2.2.2.5.3.7.3 Sensors Programming Sequences
              8. 5.2.2.2.5.3.8 AVS-Class0
          6. 5.2.2.2.6 Distributed Power Clock and Reset Controller (DPCR)
        3. 5.2.2.3 Power Control Modules
          1. 5.2.2.3.1 Power Sleep Controller and Local Power Sleep Controllers
            1. 5.2.2.3.1.1 PSC Terminology
            2. 5.2.2.3.1.2 PSC Features
            3. 5.2.2.3.1.3 PSC: Device Power-Management Layout
              1. 5.2.2.3.1.3.1 WKUP_PSC0 Device-Specific Information
              2. 5.2.2.3.1.3.2 PSC0 Device-Specific Information
              3. 5.2.2.3.1.3.3 LPSC Dependences Overview
            4. 5.2.2.3.1.4 PSC: Power Domain and Module States
              1. 5.2.2.3.1.4.1 Power Domain States
              2. 5.2.2.3.1.4.2 Module States
              3. 5.2.2.3.1.4.3 Local Reset
            5. 5.2.2.3.1.5 PSC: Executing State Transitions
              1. 5.2.2.3.1.5.1 Power Domain State Transitions
              2. 5.2.2.3.1.5.2 Module State Transitions
              3. 5.2.2.3.1.5.3 Concurrent Power Domain/Module State Transitions
              4. 5.2.2.3.1.5.4 Recommendations for Power Domain/Module Sequencing
            6. 5.2.2.3.1.6 PSC: Emulation Support in the PSC
            7. 5.2.2.3.1.7 PSC: A72SS, MSMC, MCU Cortex-R5F, C71SS0, and C66SS Subsystem Power-Up and Power-Down Sequences
              1. 5.2.2.3.1.7.1 ARMi_COREn Power State Transition
              2. 5.2.2.3.1.7.2 A72SS Power State Transition
              3. 5.2.2.3.1.7.3 GIC0 Sequencing to Support A72SS Power Management
              4. 5.2.2.3.1.7.4 MSMC0 Clkstop/Powerdown/Disconnect Sequencing
              5. 5.2.2.3.1.7.5 MCU Cortex-R5F Power Modes
          2. 5.2.2.3.2 Integrated Power Management (DMSC)
            1. 5.2.2.3.2.1 DMSC Power Management Overview
              1. 5.2.2.3.2.1.1 DMSC Power Management Features
      3. 5.2.3 Device Power States
        1. 5.2.3.1 Overview of Device Low-Power Modes
        2. 5.2.3.2 Voltage Domains
        3. 5.2.3.3 Power Domains
        4. 5.2.3.4 Clock Sources States
        5. 5.2.3.5 Wake-up Sources
        6. 5.2.3.6 Device Power States and Transitions
          1. 5.2.3.6.1 LPM Entry Sequences
          2. 5.2.3.6.2 LPM Exit Sequences
          3. 5.2.3.6.3 IO Retention
          4. 5.2.3.6.4 DDRSS Self-Refresh
      4. 5.2.4 Dynamic Power Management
        1. 5.2.4.1 AVS Support
        2. 5.2.4.2 Dynamic Frequency Scaling (DFS) Operations
      5. 5.2.5 Thermal Management
      6. 5.2.6 Registers
        1. 5.2.6.1 WKUP_VTM0 Registers
        2. 5.2.6.2 PSC Registers
    3. 5.3 Reset
      1. 5.3.1 Reset Overview
      2. 5.3.2 Reset Sources
      3. 5.3.3 Reset Status
      4. 5.3.4 Reset Control
      5. 5.3.5 BOOTMODE Pins
      6. 5.3.6 Reset Sequences
        1. 5.3.6.1 MCU_PORz Overview
        2. 5.3.6.2 MCU_PORz Sequence
        3. 5.3.6.3 MCU_RESETz Sequence
        4. 5.3.6.4 PORz Sequence
        5. 5.3.6.5 RESET_REQz Sequence
      7. 5.3.7 PLL Behavior on Reset
    4. 5.4 Clocking
      1. 5.4.1 Overview
      2. 5.4.2 Clock Inputs
        1. 5.4.2.1 Overview
        2. 5.4.2.2 Mapping of Clock Inputs
      3. 5.4.3 Clock Outputs
        1. 5.4.3.1 Observation Clock Pins
          1. 5.4.3.1.1 MCU_OBSCLK0 Pin
          2. 5.4.3.1.2 425
          3. 5.4.3.1.3 OBSCLK0, OBSCLK1, and OBSCLK2 Pins
        2. 5.4.3.2 System Clock Pins
          1. 5.4.3.2.1 MCU_SYSCLKOUT0
          2. 5.4.3.2.2 SYSCLKOUT0
      4. 5.4.4 Device Oscillators
        1. 5.4.4.1 Device Oscillators Integration
          1. 5.4.4.1.1 Oscillators with External Crystal
          2. 5.4.4.1.2 Internal RC Oscillator
        2. 5.4.4.2 Oscillator Clock Loss Detection
      5. 5.4.5 PLLs
        1. 5.4.5.1 WKUP and MCU Domains PLL Overview
        2. 5.4.5.2 MAIN Domain PLLs Overview
        3. 5.4.5.3 PLL Reference Clocks
          1. 5.4.5.3.1 PLLs in MCU Domain
          2. 5.4.5.3.2 PLLs in MAIN Domain
        4. 5.4.5.4 Generic PLL Overview
          1. 5.4.5.4.1 PLLs Output Clocks Parameters
            1. 5.4.5.4.1.1 PLLs Input Clocks
            2. 5.4.5.4.1.2 PLL Output Clocks
              1. 5.4.5.4.1.2.1 PLLTS16FFCLAFRAC2 Type Output Clocks
              2. 5.4.5.4.1.2.2 PLLTS16FFCLAFRACF Type Output Clocks
              3. 5.4.5.4.1.2.3 PLL Lock
              4. 5.4.5.4.1.2.4 HSDIVIDER
              5. 5.4.5.4.1.2.5 ICG Module
              6. 5.4.5.4.1.2.6 PLL Power Down
              7. 5.4.5.4.1.2.7 PLL Calibration
          2. 5.4.5.4.2 PLL Spread Spectrum Modulation Module
            1. 5.4.5.4.2.1 Definition of SSMOD
            2. 5.4.5.4.2.2 SSMOD Configuration
        5. 5.4.5.5 PLLs Device-Specific Information
          1. 5.4.5.5.1 SSMOD Related Bitfields Table
          2. 5.4.5.5.2 Clock Synthesis Inputs to the PLLs
          3. 5.4.5.5.3 Clock Output Parameter
          4. 5.4.5.5.4 Calibration Related Bitfields
        6. 5.4.5.6 PLL and PLL Controller Connection
        7. 5.4.5.7 PLL, PLLCTRL, and HSDIV Controllers Programming Guide
          1. 5.4.5.7.1 PLL Initialization
            1. 5.4.5.7.1.1 Kick Protection Mechanism
            2. 5.4.5.7.1.2 PLL Initialization to PLL Mode
            3. 5.4.5.7.1.3 PLL Programming Requirements
          2. 5.4.5.7.2 HSDIV PLL Programming
          3. 5.4.5.7.3 PLL Controllers Programming - Dividers PLLDIVn and GO Operation
            1. 5.4.5.7.3.1 GO Operation
            2. 5.4.5.7.3.2 Software Steps to Modify PLLDIV Ratios
          4. 5.4.5.7.4 Entire Sequence for Programming PLLCTRL, HSDIV, and PLL
      6. 5.4.6 Registers
        1. 5.4.6.1 MCU_PLL0_CFG Registers
        2. 5.4.6.2 PLL0_CFG Registers
        3. 5.4.6.3 PLLCTRL0 Registers
  8. Processors and Accelerators
    1. 6.1 Compute Cluster
      1. 6.1.1 Compute Cluster Overview
      2. 6.1.2 Compute Cluster Functional Description
        1. 6.1.2.1 Compute Cluster Memory Regions
        2. 6.1.2.2 Compute Cluster Firewalls
        3. 6.1.2.3 Compute Cluster ECC Aggregators
      3. 6.1.3 Compute Cluster Registers
    2. 6.2 Dual-A72 MPU Subsystem
      1. 6.2.1 A72SS Overview
        1. 6.2.1.1 A72SS Introduction
        2. 6.2.1.2 A72SS Features
      2. 6.2.2 A72SS Integration
      3. 6.2.3 A72SS Functional Description
        1. 6.2.3.1  A72SS Block Diagram
        2. 6.2.3.2  A72SS A72 Cluster
        3. 6.2.3.3  A72SS Interfaces and Async Bridges
        4. 6.2.3.4  A72SS Interrupts
          1. 6.2.3.4.1 A72SS Interrupt Inputs
          2. 6.2.3.4.2 A72SS Interrupt Outputs
        5. 6.2.3.5  A72SS Power Management, Clocking and Reset
          1. 6.2.3.5.1 A72SS Power Management
          2. 6.2.3.5.2 A72SS Clocking
        6. 6.2.3.6  A72SS Debug Support
        7. 6.2.3.7  A72SS Timestamps
        8. 6.2.3.8  A72SS Watchdog
        9. 6.2.3.9  A72SS Internal Diagnostics
          1. 6.2.3.9.1 A72SS ECC Aggregators During Low Power States
          2. 6.2.3.9.2 A72SS CBASS Diagnostics
          3. 6.2.3.9.3 A72SS SRAM Diagnostics
          4. 6.2.3.9.4 A72SS SRAM ECC Aggregator Configurations
        10. 6.2.3.10 A72SS Cache Pre-Warming
        11. 6.2.3.11 A72SS Boot
        12. 6.2.3.12 A72SS IPC with Other CPUs
      4. 6.2.4 A72SS Registers
        1. 6.2.4.1 Arm A72 Cluster Registers
        2. 6.2.4.2 A72SS ECC Aggregator Registers
          1. 6.2.4.2.1 A72SS CLUSTER ECC Registers
          2. 6.2.4.2.2 A72SS CORE0 ECC Registers
          3. 6.2.4.2.3 A72SS CORE1 ECC Registers
    3. 6.3 Dual-R5F MCU Subsystem
      1. 6.3.1 R5FSS Overview
        1. 6.3.1.1 R5FSS Features
        2. 6.3.1.2 R5FSS Not Supported Features
      2. 6.3.2 R5FSS Integration
        1. 6.3.2.1 R5FSS Integration in MCU Domain
        2. 6.3.2.2 R5FSS Integration in MAIN Domain
      3. 6.3.3 R5FSS Functional Description
        1. 6.3.3.1  R5FSS Block Diagram
        2. 6.3.3.2  R5FSS Cortex-R5F Core
          1. 6.3.3.2.1 L1 Caches
          2. 6.3.3.2.2 Tightly-Coupled Memories (TCMs)
          3. 6.3.3.2.3 R5FSS Special Signals
        3. 6.3.3.3  R5FSS Interfaces
          1. 6.3.3.3.1 R5FSS Master Interfaces
          2. 6.3.3.3.2 R5FSS Slave Interfaces
        4. 6.3.3.4  R5FSS Power, Clocking and Reset
          1. 6.3.3.4.1 R5FSS Power
          2. 6.3.3.4.2 R5FSS Clocking
            1. 6.3.3.4.2.1 Changing MCU_R5FSS0 CPU Clock Frequency
          3. 6.3.3.4.3 R5FSS Reset
        5. 6.3.3.5  R5FSS Lockstep Error Detection Logic
          1. 6.3.3.5.1 CPU Output Compare Block
            1. 6.3.3.5.1.1 Operating Modes
            2. 6.3.3.5.1.2 Compare Block Active Mode
            3. 6.3.3.5.1.3 Self Test Mode
            4. 6.3.3.5.1.4 Compare Match Test
            5. 6.3.3.5.1.5 Compare Mismatch Test
            6. 6.3.3.5.1.6 Error Forcing Mode
            7. 6.3.3.5.1.7 Self Test Error Forcing Mode
          2. 6.3.3.5.2 Inactivity Monitor Block
            1. 6.3.3.5.2.1 Operating Modes
            2. 6.3.3.5.2.2 Compare Block Active Mode
            3. 6.3.3.5.2.3 Self Test Mode
            4. 6.3.3.5.2.4 Compare Match Test
            5. 6.3.3.5.2.5 Compare Mismatch Test
            6. 6.3.3.5.2.6 Error Forcing Mode
            7. 6.3.3.5.2.7 Self Test Error Forcing Mode
          3. 6.3.3.5.3 Polarity Inversion Logic
        6. 6.3.3.6  R5FSS Vectored Interrupt Manager (VIM)
          1. 6.3.3.6.1 VIM Overview
          2. 6.3.3.6.2 VIM Interrupt Inputs
          3. 6.3.3.6.3 VIM Interrupt Outputs
          4. 6.3.3.6.4 VIM Interrupt Vector Table (VIM RAM)
          5. 6.3.3.6.5 VIM Interrupt Prioritization
          6. 6.3.3.6.6 VIM ECC Support
          7. 6.3.3.6.7 VIM Lockstep Mode
          8. 6.3.3.6.8 VIM IDLE State
          9. 6.3.3.6.9 VIM Interrupt Handling
            1. 6.3.3.6.9.1 Servicing IRQ Through Vector Interface
            2. 6.3.3.6.9.2 Servicing IRQ Through MMR Interface
            3. 6.3.3.6.9.3 Servicing IRQ Through MMR Interface (Alternative)
            4. 6.3.3.6.9.4 Servicing FIQ
            5. 6.3.3.6.9.5 Servicing FIQ (Alternative)
        7. 6.3.3.7  R5FSS Region Address Translation (RAT)
          1. 6.3.3.7.1 RAT Overview
          2. 6.3.3.7.2 RAT Operation
          3. 6.3.3.7.3 RAT Error Logging
          4. 6.3.3.7.4 RAT Protection
        8. 6.3.3.8  R5FSS ECC Support
        9. 6.3.3.9  R5FSS Memory View
        10. 6.3.3.10 R5FSS Interrupts
        11. 6.3.3.11 R5FSS Debug and Trace
        12. 6.3.3.12 R5FSS Boot Options
        13. 6.3.3.13 R5FSS Core Memory ECC Events
      4. 6.3.4 R5FSS Registers
        1. 6.3.4.1 R5FSS_CCMR5 Registers
        2. 6.3.4.2 R5FSS_CPU0_ECC_AGGR_CFG_REGS Registers
        3. 6.3.4.3 R5FSS_CPU1_ECC_AGGR_CFG_REGS Registers
        4. 6.3.4.4 R5FSS_VIM Registers
        5. 6.3.4.5 R5FSS_RAT Registers
        6. 6.3.4.6 R5FSS_EVNT_BUS_VBUSP_MMRS Registers
  9. Interprocessor Communication
    1. 7.1 Mailbox
      1. 7.1.1 Mailbox Overview
        1. 7.1.1.1 Mailbox Features
        2. 7.1.1.2 Mailbox Parameters
        3. 7.1.1.3 Mailbox Not Supported Features
      2. 7.1.2 Mailbox Integration
        1. 7.1.2.1 System Mailbox Integration
      3. 7.1.3 Mailbox Functional Description
        1. 7.1.3.1 Mailbox Block Diagram
        2. 7.1.3.2 Mailbox Software Reset
        3. 7.1.3.3 Mailbox Power Management
        4. 7.1.3.4 Mailbox Interrupt Requests
        5. 7.1.3.5 Mailbox Assignment
          1. 7.1.3.5.1 Description
        6. 7.1.3.6 Sending and Receiving Messages
          1. 7.1.3.6.1 Description
        7. 7.1.3.7 Example of Communication
      4. 7.1.4 Mailbox Programming Guide
        1. 7.1.4.1 Mailbox Low-level Programming Models
          1. 7.1.4.1.1 Global Initialization
            1. 7.1.4.1.1.1 Surrounding Modules Global Initialization
            2. 7.1.4.1.1.2 Mailbox Global Initialization
              1. 7.1.4.1.1.2.1 Main Sequence - Mailbox Global Initialization
          2. 7.1.4.1.2 Mailbox Operational Modes Configuration
            1. 7.1.4.1.2.1 Mailbox Processing modes
              1. 7.1.4.1.2.1.1 Main Sequence - Sending a Message (Polling Method)
              2. 7.1.4.1.2.1.2 Main Sequence - Sending a Message (Interrupt Method)
              3. 7.1.4.1.2.1.3 Main Sequence - Receiving a Message (Polling Method)
              4. 7.1.4.1.2.1.4 Main Sequence - Receiving a Message (Interrupt Method)
          3. 7.1.4.1.3 Mailbox Events Servicing
            1. 7.1.4.1.3.1 Events Servicing in Sending Mode
            2. 7.1.4.1.3.2 Events Servicing in Receiving Mode
    2. 7.2 Spinlock
      1. 7.2.1 Spinlock Overview
        1. 7.2.1.1 Spinlock Not Supported Features
      2. 7.2.2 Spinlock Integration
      3. 7.2.3 Spinlock Functional Description
        1. 7.2.3.1 Spinlock Software Reset
        2. 7.2.3.2 Spinlock Power Management
        3. 7.2.3.3 About Spinlocks
        4. 7.2.3.4 Spinlock Functional Operation
      4. 7.2.4 Spinlock Programming Guide
        1. 7.2.4.1 Spinlock Low-level Programming Models
          1. 7.2.4.1.1 Surrounding Modules Global Initialization
          2. 7.2.4.1.2 Basic Spinlock Operations
            1. 7.2.4.1.2.1 Spinlocks Clearing After a System Bug Recovery
            2. 7.2.4.1.2.2 Take and Release Spinlock
  10. Memory Controllers
    1. 8.1 Multicore Shared Memory Controller (MSMC)
      1. 8.1.1 MSMC Overview
        1. 8.1.1.1 MSMC Not Supported Features
      2. 8.1.2 MSMC Integration
        1. 8.1.2.1 MSMC Integration in MAIN Domain
        2. 8.1.2.2 641
      3. 8.1.3 MSMC Functional Description
        1. 8.1.3.1  MSMC Block Diagram
        2. 8.1.3.2  MSMC On-Chip Memory Banking
        3. 8.1.3.3  MSMC Snoop Filter and Data Cache
          1. 8.1.3.3.1 Way Partitioning
          2. 8.1.3.3.2 Cache Size Configuration and Associativity
        4. 8.1.3.4  MSMC Access Protection Checks
        5. 8.1.3.5  MSMC Null Slave
        6. 8.1.3.6  MSMC Resource Arbitration
        7. 8.1.3.7  MSMC Error Detection and Correction
          1. 8.1.3.7.1 On-chip SRAM and Pipeline Data Protection
          2. 8.1.3.7.2 On-chip SRAM L3 Cache Tag and Snoop Filter Protection
          3. 8.1.3.7.3 On-chip SRAM Memory Mapped SRAM Snoop Filter Protection
          4. 8.1.3.7.4 Background Parity Refresh (Scrubbing)
        8. 8.1.3.8  MSMC Interrupts
          1. 8.1.3.8.1 Raw Interrupt Registers
          2. 8.1.3.8.2 Interrupt Enable Registers
          3. 8.1.3.8.3 Triggered and Enabled Interrupts
        9. 8.1.3.9  MSMC Memory Regions
        10. 8.1.3.10 MSMC Hardware Coherence
          1. 8.1.3.10.1 Snoop Filter Broadcast Mode
        11. 8.1.3.11 MSMC Quality-of-Service
        12. 8.1.3.12 MSMC Memory Regions Protection
        13. 8.1.3.13 MSMC Cache Tag View
      4. 8.1.4 MSMC Registers
    2. 8.2 DDR Subsystem (DDRSS)
      1. 8.2.1 DDRSS Overview
        1. 8.2.1.1 DDRSS Not Supported Features
      2. 8.2.2 DDRSS Environment
      3. 8.2.3 DDRSS Integration
        1. 8.2.3.1 DDRSS Integration in MAIN Domain
      4. 8.2.4 DDRSS Functional Description
        1. 8.2.4.1 DDRSS MSMC2DDR Bridge
          1. 8.2.4.1.1 VBUSM.C Threads
          2. 8.2.4.1.2 Class of Service (CoS)
          3. 8.2.4.1.3 AXI Write Data All-Strobes
          4. 8.2.4.1.4 Inline ECC for SDRAM Data
            1. 8.2.4.1.4.1 ECC Cache
            2. 8.2.4.1.4.2 ECC Statistics
          5. 8.2.4.1.5 Opcode Checking
          6. 8.2.4.1.6 Address Alias Prevention
          7. 8.2.4.1.7 Data Error Detection and Correction
          8. 8.2.4.1.8 AXI Bus Timeout
        2. 8.2.4.2 DDRSS Interrupts
        3. 8.2.4.3 DDRSS Memory Regions
        4. 8.2.4.4 DDRSS ECC Support
        5. 8.2.4.5 DDRSS Dynamic Frequency Change Interface
        6. 8.2.4.6 DDR Controller Functional Description
          1. 8.2.4.6.1  DDR PHY Interface (DFI)
          2. 8.2.4.6.2  Command Queue
            1. 8.2.4.6.2.1 Placement Logic
            2. 8.2.4.6.2.2 Command Selection Logic
          3. 8.2.4.6.3  Low Power Control
          4. 8.2.4.6.4  Transaction Processing
          5. 8.2.4.6.5  BIST Engine
          6. 8.2.4.6.6  ECC Engine
          7. 8.2.4.6.7  Address Mapping
          8. 8.2.4.6.8  Paging Policy
          9. 8.2.4.6.9  DDR Controller Initialization
          10. 8.2.4.6.10 Programming LPDDR4 Memories
            1. 8.2.4.6.10.1 Frequency Set Point (FSP)
              1. 8.2.4.6.10.1.1 FSP Mode Register Programming During Initialization
              2. 8.2.4.6.10.1.2 FSP Mode Register Programming During Normal Operation
              3. 8.2.4.6.10.1.3 FSP Mode Register Programming During Dynamic Frequency Scaling
            2. 8.2.4.6.10.2 Data Bus Inversion (DBI)
            3. 8.2.4.6.10.3 On-Die Termination
              1. 8.2.4.6.10.3.1 LPDDR4 DQ ODT
              2. 8.2.4.6.10.3.2 LPDDR4 CA ODT
            4. 8.2.4.6.10.4 Byte Lane Swapping
            5. 8.2.4.6.10.5 DQS Interval Oscillator
              1. 8.2.4.6.10.5.1 Oscillator State Machine
            6. 8.2.4.6.10.6 Per-Bank Refresh (PBR)
              1. 8.2.4.6.10.6.1 Normal Operation
              2. 8.2.4.6.10.6.2 Continuous Refresh Request Mode
        7. 8.2.4.7 DDR PHY Functional Description
          1. 8.2.4.7.1  Data Slice
          2. 8.2.4.7.2  Address Slice
            1. 8.2.4.7.2.1 Address Swapping
          3. 8.2.4.7.3  Address/Control Slice
          4. 8.2.4.7.4  Clock Slice
          5. 8.2.4.7.5  DDR PHY Initialization
          6. 8.2.4.7.6  DDR PHY Dynamic Frequency Scaling (DFS)
          7. 8.2.4.7.7  Chip Select and Frequency Based Register Settings
          8. 8.2.4.7.8  Low-Power Modes
          9. 8.2.4.7.9  Training Support
            1. 8.2.4.7.9.1 Write Leveling
            2. 8.2.4.7.9.2 Read Gate Training
            3. 8.2.4.7.9.3 Read Data Eye Training
            4. 8.2.4.7.9.4 Write DQ Training
            5. 8.2.4.7.9.5 CA Training
            6. 8.2.4.7.9.6 CS Training
          10. 8.2.4.7.10 Data Bus Inversion (DBI)
          11. 8.2.4.7.11 I/O Pad Calibration
          12. 8.2.4.7.12 DQS Error
        8. 8.2.4.8 PI Functional Description
          1. 8.2.4.8.1 PI Initialization
      5. 8.2.5 DDRSS Registers
        1. 8.2.5.1 DDR Subsystem Registers
        2. 8.2.5.2 DDR Controller Registers
        3. 8.2.5.3 PI Registers
        4. 8.2.5.4 DDR PHY Registers
        5. 8.2.5.5 DDRSS0_ECC_AGGR_CTL Registers
        6. 8.2.5.6 DDRSS0_ECC_AGGR_VBUS Registers
        7. 8.2.5.7 DDRSS0_ECC_AGGR_CFG Registers
    3. 8.3 Peripheral Virtualization Unit (PVU)
      1. 8.3.1 PVU Overview
        1. 8.3.1.1 PVU Features
        2. 8.3.1.2 PVU Parameters
        3. 8.3.1.3 PVU Not Supported Features
      2. 8.3.2 PVU Integration
      3. 8.3.3 PVU Functional Description
        1. 8.3.3.1  Functional Operation Overview
        2. 8.3.3.2  PVU Channels
        3. 8.3.3.3  TLB
        4. 8.3.3.4  TLB Entry
        5. 8.3.3.5  TLB Selection
        6. 8.3.3.6  DMA Classes
        7. 8.3.3.7  General virtIDs
        8. 8.3.3.8  TLB Lookup
        9. 8.3.3.9  TLB Miss
        10. 8.3.3.10 Multiple Matching Entries
        11. 8.3.3.11 TLB Disable
        12. 8.3.3.12 TLB Chaining
        13. 8.3.3.13 TLB Permissions
        14. 8.3.3.14 Translation
        15. 8.3.3.15 Memory Attributes
        16. 8.3.3.16 Faulted Transactions
        17. 8.3.3.17 Non-Virtual Transactions
        18. 8.3.3.18 Allowed virtIDs
        19. 8.3.3.19 Software Control
        20. 8.3.3.20 Fault Logging
        21. 8.3.3.21 Alignment Restrictions
      4. 8.3.4 PVU Registers
        1. 8.3.4.1 NAVSS_PVU_CFG Registers
        2. 8.3.4.2 NAVSS0_PVU_CFG_TLBIF Registers
    4. 8.4 Region-based Address Translation (RAT) Module
      1. 8.4.1 RAT Functional Description
        1. 8.4.1.1 RAT Availability
        2. 8.4.1.2 RAT Operation
        3. 8.4.1.3 RAT Error Logging
      2. 8.4.2 RAT Registers
  11. Interrupts
    1. 9.1 Interrupt Architecture
    2. 9.2 Interrupt Controllers
      1. 9.2.1 Generic Interrupt Controller (GIC)
        1. 9.2.1.1 GIC Overview
          1. 9.2.1.1.1 GIC Features
          2. 9.2.1.1.2 GIC Not Supported Features
        2. 9.2.1.2 GIC Integration
        3. 9.2.1.3 GIC Functional Description
          1. 9.2.1.3.1 GIC Block Diagram
          2. 9.2.1.3.2 Arm GIC-500
          3. 9.2.1.3.3 GIC Interrupt Types
          4. 9.2.1.3.4 GIC Interfaces
          5. 9.2.1.3.5 GIC Interrupt Outputs
          6. 9.2.1.3.6 GIC ECC Support
          7. 9.2.1.3.7 GIC AXI2VBUSM and VBUSM2AXI Bridges
        4. 9.2.1.4 GIC Registers
          1. 9.2.1.4.1 Arm GIC-500 Registers
          2. 9.2.1.4.2 GIC_ECC_AGGR Registers
      2. 9.2.2 Other Interrupt Controllers
    3. 9.3 Interrupt Routers
      1. 9.3.1 INTRTR Overview
      2. 9.3.2 INTRTR Integration
        1. 9.3.2.1 WKUP_GPIOMUX_INTRTR0 Integration
        2. 9.3.2.2 GPIOMUX_INTRTR0 Integration
        3. 9.3.2.3 MAIN2MCU_LVL_INTRTR0 Integration
        4. 9.3.2.4 MAIN2MCU_PLS_INTRTR0 Integration
      3. 9.3.3 INTRTR Registers
        1. 9.3.3.1 WKUP_GPIOMUX_INTRTR0 Registers
        2. 9.3.3.2 GPIOMUX_INTRTR0 Registers
        3. 9.3.3.3 MAIN2MCU_LVL_INTRTR0 Registers
        4. 9.3.3.4 MAIN2MCU_PLS_INTRTR0 Registers
    4. 9.4 Interrupt Sources
      1. 9.4.1 WKUP Domain Interrupt Maps
        1. 9.4.1.1 WKUP_DMSC0 Interrupt Map
        2. 9.4.1.2 WKUP_GPIOMUX_INTRTR0 Interrupt Map
        3. 9.4.1.3 WKUP_GPIO0_VIRT Interrupt Map
        4. 9.4.1.4 WKUP_ESM0 Interrupt Map
      2. 9.4.2 MCU Domain Interrupt Maps
        1. 9.4.2.1 MCU_R5FSS0_CORE0 Interrupt Map
        2. 9.4.2.2 MCU_R5FSS0_CORE1 Interrupt Map
        3. 9.4.2.3 MCU_ESM0 Interrupt Map
      3. 9.4.3 MAIN Domain Interrupt Maps
        1. 9.4.3.1 COMPUTE_CLUSTER0 Interrupt Map
          1. 9.4.3.1.1 GIC500 PPI Interrupt Map
          2. 9.4.3.1.2 GIC500 SPI Interrupt Map
          3. 9.4.3.1.3 SoC Event Output Interrupt Map
        2. 9.4.3.2 R5FSS0_CORE0 Interrupt Map
        3. 9.4.3.3 R5FSS0_CORE1 Interrupt Map
        4. 9.4.3.4 MAIN2MCU_LVL_INTRTR0 Interrupt Map
        5. 9.4.3.5 MAIN2MCU_PLS_INTRTR0 Interrupt Map
        6. 9.4.3.6 GPIOMUX_INTRTR0 Interrupt Map
        7. 9.4.3.7 GPIO0_VIRT Interrupt Map
        8. 9.4.3.8 ESM0 Interrupt Map
  12. 10Data Movement Architecture (DMA)
    1. 10.1 DMA Architecture
      1. 10.1.1 Overview
        1. 10.1.1.1  Navigator Subsystem
        2. 10.1.1.2  Ring Accelerator (RA)
        3. 10.1.1.3  Proxy
        4. 10.1.1.4  Secure Proxy
        5. 10.1.1.5  Interrupt Aggregator (INTA)
        6. 10.1.1.6  Interrupt Router (IR)
        7. 10.1.1.7  Unified DMA – Third Party Channel Controller (UDMA-C)
        8. 10.1.1.8  Unified Transfer Controller (UTC)
        9. 10.1.1.9  Data Routing Unit (DRU)
        10. 10.1.1.10 Unified DMA – Peripheral Root Complex (UDMA-P)
          1. 10.1.1.10.1 Channel Classes
        11. 10.1.1.11 Peripheral DMA (PDMA)
        12. 10.1.1.12 Embedded DMA
        13. 10.1.1.13 Definition of Terms
      2. 10.1.2 DMA Hardware/Software Interface
        1. 10.1.2.1 Data Buffers
        2. 10.1.2.2 Descriptors
          1. 10.1.2.2.1 Host Packet Descriptor
          2. 10.1.2.2.2 Host Buffer Descriptor
          3. 10.1.2.2.3 Monolithic Packet Descriptor
          4. 10.1.2.2.4 Transfer Request Descriptor
        3. 10.1.2.3 Transfer Request Record
          1. 10.1.2.3.1 Overview
          2. 10.1.2.3.2 Addressing Algorithm
            1. 10.1.2.3.2.1 Linear Addressing (Forward)
          3. 10.1.2.3.3 Transfer Request Formats
          4. 10.1.2.3.4 Flags Field Definition
            1. 10.1.2.3.4.1 Type: TR Type Field
            2. 10.1.2.3.4.2 STATIC: Static Field Definition
            3. 10.1.2.3.4.3 EVENT_SIZE: Event Generation Definition
            4. 10.1.2.3.4.4 TRIGGER INFO: TR Triggers
            5. 10.1.2.3.4.5 TRIGGERX_TYPE: Trigger Type
            6. 10.1.2.3.4.6 TRIGGERX: Trigger Selection
            7. 10.1.2.3.4.7 CMD ID: Command ID Field Definition
            8. 10.1.2.3.4.8 Configuration Specific Flags Definition
          5. 10.1.2.3.5 TR Address and Size Attributes
            1. 10.1.2.3.5.1  ICNT0
            2. 10.1.2.3.5.2  ICNT1
            3. 10.1.2.3.5.3  ADDR
            4. 10.1.2.3.5.4  DIM1
            5. 10.1.2.3.5.5  ICNT2
            6. 10.1.2.3.5.6  ICNT3
            7. 10.1.2.3.5.7  DIM2
            8. 10.1.2.3.5.8  DIM3
            9. 10.1.2.3.5.9  DDIM1
            10. 10.1.2.3.5.10 DADDR
            11. 10.1.2.3.5.11 DDIM2
            12. 10.1.2.3.5.12 DDIM3
            13. 10.1.2.3.5.13 DICNT0
            14. 10.1.2.3.5.14 DICNT1
            15. 10.1.2.3.5.15 DICNT2
            16. 10.1.2.3.5.16 DICNT3
          6. 10.1.2.3.6 FMTFLAGS
            1. 10.1.2.3.6.1 AMODE: Addressing Mode Definition
              1. 10.1.2.3.6.1.1 Linear Addressing
              2. 10.1.2.3.6.1.2 Circular Addressing
            2. 10.1.2.3.6.2 DIR: Addressing Mode Direction Definition
            3. 10.1.2.3.6.3 ELTYPE: Element Type Definition
            4. 10.1.2.3.6.4 DFMT: Data Formatting Algorithm Definition
            5. 10.1.2.3.6.5 SECTR: Secondary Transfer Request Definition
              1. 10.1.2.3.6.5.1 Secondary TR Formats
              2. 10.1.2.3.6.5.2 Secondary TR FLAGS
                1. 10.1.2.3.6.5.2.1 SEC_TR_TYPE: Secondary TR Type Field
                2. 10.1.2.3.6.5.2.2 Multiple Buffer Interleave
            6. 10.1.2.3.6.6 AMODE SPECIFIC: Addressing Mode Field
              1. 10.1.2.3.6.6.1 Circular Address Mode Specific Flags
                1. 10.1.2.3.6.6.1.1 CBK0 and CBK1: Circular Block Size Selection
                2. 10.1.2.3.6.6.1.2 Amx: Addressing Mode Selection
            7. 10.1.2.3.6.7 Cache Flags
        4. 10.1.2.4 Transfer Response Record
          1. 10.1.2.4.1 STATUS Field Definition
            1. 10.1.2.4.1.1 STATUS_TYPE Definition
              1. 10.1.2.4.1.1.1 Transfer Error
              2. 10.1.2.4.1.1.2 Aborted Error
              3. 10.1.2.4.1.1.3 Submission Error
              4. 10.1.2.4.1.1.4 Unsupported Feature
              5. 10.1.2.4.1.1.5 Transfer Exception
              6. 10.1.2.4.1.1.6 Teardown Flush
        5. 10.1.2.5 Queues
          1. 10.1.2.5.1 Queue Types
            1. 10.1.2.5.1.1 Transmit Queues (Pass By Reference)
            2. 10.1.2.5.1.2 Transmit Queues (Pass By Value)
            3. 10.1.2.5.1.3 Transmit Completion Queues (Pass By Reference)
            4. 10.1.2.5.1.4 Transmit Completion Queues (Pass By Value)
            5. 10.1.2.5.1.5 Receive Queues
            6. 10.1.2.5.1.6 Free Descriptor Queues
            7. 10.1.2.5.1.7 Free Descriptor/Buffer Queues
          2. 10.1.2.5.2 Ring Accelerator Queues Implementation
      3. 10.1.3 Operational Description
        1. 10.1.3.1  Resource Allocation
        2. 10.1.3.2  Ring Accelerator Operation
          1. 10.1.3.2.1 Queue Initialization
          2. 10.1.3.2.2 Queuing packets (Exposed Ring Mode)
          3. 10.1.3.2.3 De-queuing packets (Exposed Ring Mode)
          4. 10.1.3.2.4 Queuing packets (Queue Mode)
          5. 10.1.3.2.5 De-queuing packets (Queue Mode)
        3. 10.1.3.3  UDMA Internal Transmit Channel Setup (All Packet Types)
        4. 10.1.3.4  UDMA Internal Transmit Channel Teardown (All Packet Types)
        5. 10.1.3.5  UDMA External Transmit Channel Setup
        6. 10.1.3.6  UDMA Transmit External Channel Teardown
        7. 10.1.3.7  UDMA-P Transmit Channel Pause
        8. 10.1.3.8  UDMA-P Transmit Operation (Host Packet Type)
        9. 10.1.3.9  UDMA-P Transmit Operation (Monolithic Packet)
        10. 10.1.3.10 UDMA Transmit Operation (TR Packet)
        11. 10.1.3.11 UDMA Transmit Operation (Direct TR)
        12. 10.1.3.12 UDMA Transmit Error/Exception Handling
          1. 10.1.3.12.1 Null Icnt0 Error
          2. 10.1.3.12.2 Unsupported TR Type
          3. 10.1.3.12.3 Bus Errors
        13. 10.1.3.13 UDMA Receive Channel Setup (All Packet Types)
        14. 10.1.3.14 UDMA Receive Channel Teardown
        15. 10.1.3.15 UDMA-P Receive Channel Pause
        16. 10.1.3.16 UDMA-P Receive Free Descriptor/Buffer Queue Setup (Host Packets)
        17. 10.1.3.17 UDMA-P Receive FlowID Firewall Operation
        18. 10.1.3.18 UDMA-P Receive Operation (Host Packet)
        19. 10.1.3.19 UDMA-P Receive Operation (Monolithic Packet)
        20. 10.1.3.20 UDMA Receive Operation (TR Packet)
        21. 10.1.3.21 UDMA Receive Operation (Direct TR)
        22. 10.1.3.22 UDMA Receive Error/Exception Handling
          1. 10.1.3.22.1 Error Conditions
            1. 10.1.3.22.1.1 Bus Errors
            2. 10.1.3.22.1.2 Null Icnt0 Error
            3. 10.1.3.22.1.3 Unsupported TR Type
          2. 10.1.3.22.2 Exception Conditions Exception Conditions
            1. 10.1.3.22.2.1 Descriptor Starvation
            2. 10.1.3.22.2.2 Protocol Errors
            3. 10.1.3.22.2.3 Dropped Packets
            4. 10.1.3.22.2.4 Reception of EOL Delimiter
            5. 10.1.3.22.2.5 EOP Asserted Prematurely (Short Packet)
            6. 10.1.3.22.2.6 EOP Asserted Late (Long Packets)
        23. 10.1.3.23 UTC Operation
        24. 10.1.3.24 UTC Receive Error/Exception Handling
          1. 10.1.3.24.1 Error Handling
            1. 10.1.3.24.1.1 Null Icnt0 Error
            2. 10.1.3.24.1.2 Unsupported TR Type
          2. 10.1.3.24.2 Exception Conditions
            1. 10.1.3.24.2.1 Reception of EOL Delimiter
            2. 10.1.3.24.2.2 EOP Asserted Prematurely (Short Packet)
            3. 10.1.3.24.2.3 EOP Asserted Late (Long Packets)
    2. 10.2 Navigator Subsystem (NAVSS)
      1. 10.2.1  Main Navigator Subsystem (NAVSS)
        1. 10.2.1.1 NAVSS Overview
        2. 10.2.1.2 NAVSS Integration
          1. 10.2.1.2.1 NAVSS Interrupt Router Configuration
          2. 10.2.1.2.2 Global Event Map
          3. 10.2.1.2.3 PSI-L System Thread Map (All NAVSS)
          4. 10.2.1.2.4 NAVSS VBUSM Route ID Table
        3. 10.2.1.3 NAVSS Functional Description
        4. 10.2.1.4 NAVSS Interrupt Configuration
          1. 10.2.1.4.1 NAVSS Event and Interrupt Flow
            1. 10.2.1.4.1.1 NAVSS Interrupts Description
            2. 10.2.1.4.1.2 Application Example
        5. 10.2.1.5 NAVSS Top-level Registers
          1. 10.2.1.5.1 NAVSS0_CFG Registers
          2. 10.2.1.5.2 INTR0_INTR_ROUTER_CFG Registers
          3. 10.2.1.5.3 VIRTID_CFG_MMRS Registers
      2. 10.2.2  MCU Navigator Subsystem (MCU NAVSS)
        1. 10.2.2.1 MCU NAVSS Overview
        2. 10.2.2.2 MCU NAVSS Integration
          1. 10.2.2.2.1  MCU NAVSS Interrupt Router Configuration
          2. 10.2.2.2.2  MCU NAVSS UDMASS Interrupt Aggregator Configuration
          3. 10.2.2.2.3  MCU NAVSS UDMA Configuration
          4. 10.2.2.2.4  MCU NAVSS Ring Accelerator Configuration
          5. 10.2.2.2.5  MCU NAVSS Proxy Configuration
          6. 10.2.2.2.6  MCU NAVSS Secure Proxy Configuration
          7. 10.2.2.2.7  Global Event Map
          8. 10.2.2.2.8  PSI-L System Thread Map (All NAVSS)
          9. 10.2.2.2.9  MCU NAVSS VBUSM Route ID Table
          10. 10.2.2.2.10 1008
        3. 10.2.2.3 MCU NAVSS Functional Description
        4. 10.2.2.4 MCU NAVSS Top-Level Registers
          1. 10.2.2.4.1 MCU_NAVSS0_CFG Registers
          2. 10.2.2.4.2 MCU_NAVSS0_UDMASS_ECCAGGR0 Registers
      3. 10.2.3  Unified DMA Controller (UDMA)
        1. 10.2.3.1 UDMA Overview
          1. 10.2.3.1.1 UDMA Features
          2. 10.2.3.1.2 UDMA Parameters
        2. 10.2.3.2 UDMA Integration
        3. 10.2.3.3 UDMA Functional Description
          1. 10.2.3.3.1 Block Diagram
          2. 10.2.3.3.2 General Functionality
            1. 10.2.3.3.2.1  Operational States
            2. 10.2.3.3.2.2  Tx Channel Allocation
            3. 10.2.3.3.2.3  Rx Channel Allocation
            4. 10.2.3.3.2.4  Tx Teardown
            5. 10.2.3.3.2.5  Rx Teardown
            6. 10.2.3.3.2.6  Tx Clock Stop
            7. 10.2.3.3.2.7  Rx Clock Stop
            8. 10.2.3.3.2.8  Rx Thread Enables
            9. 10.2.3.3.2.9  Events
              1. 10.2.3.3.2.9.1 Local Event Inputs
              2. 10.2.3.3.2.9.2 Inbound Tx PSI-L Events
              3. 10.2.3.3.2.9.3 Outbound Rx PSI-L Events
            10. 10.2.3.3.2.10 Emulation Control
          3. 10.2.3.3.3 Packet Oriented Transmit Operation
            1. 10.2.3.3.3.1 Packet Mode VBUSM Master Interface Command ID Selection
          4. 10.2.3.3.4 Packet Oriented Receive Operation
            1. 10.2.3.3.4.1 Rx Packet Drop
            2. 10.2.3.3.4.2 Rx Starvation and the Starvation Timer
          5. 10.2.3.3.5 Third Party Mode Operation
            1. 10.2.3.3.5.1 Events and Flow Control
              1. 10.2.3.3.5.1.1 Channel Triggering
              2. 10.2.3.3.5.1.2 Internal TR Completion Events
            2. 10.2.3.3.5.2 Transmit Operation
              1. 10.2.3.3.5.2.1 Transfer Request
              2. 10.2.3.3.5.2.2 Transfer Response
              3. 10.2.3.3.5.2.3 Data Transfer
              4. 10.2.3.3.5.2.4 Memory Interface Transactions
              5. 10.2.3.3.5.2.5 Error Handling
            3. 10.2.3.3.5.3 Receive Operation
              1. 10.2.3.3.5.3.1 Transfer Request
              2. 10.2.3.3.5.3.2 Transfer Response
              3. 10.2.3.3.5.3.3 Error Handling
            4. 10.2.3.3.5.4 Data Transfer
              1. 10.2.3.3.5.4.1 Memory Interface Transactions
              2. 10.2.3.3.5.4.2 Rx Packet Drop
        4. 10.2.3.4 UDMA Registers
          1. 10.2.3.4.1 UDMASS_UDMAP0_CFG Registers
          2. 10.2.3.4.2 UDMASS_UDMAP0_CFG_TCHAN Registers
          3. 10.2.3.4.3 UDMASS_UDMAP0_CFG_RCHAN Registers
          4. 10.2.3.4.4 UDMASS_UDMAP0_CFG_RFLOW Registers
          5. 10.2.3.4.5 UDMASS_UDMAP0_CFG_RCHANRT Registers
          6. 10.2.3.4.6 UDMASS_UDMAP0_CFG_TCHANRT Registers
      4. 10.2.4  Ring Accelerator (RINGACC)
        1. 10.2.4.1 RINGACC Overview
          1. 10.2.4.1.1 RINGACC Features
          2. 10.2.4.1.2 RINGACC Not Supported Features
          3. 10.2.4.1.3 RINGACC Parameters
        2. 10.2.4.2 RINGACC Integration
        3. 10.2.4.3 RINGACC Functional Description
          1. 10.2.4.3.1 Block Diagram
            1. 10.2.4.3.1.1  Configuration Registers
            2. 10.2.4.3.1.2  Source Command FIFO
            3. 10.2.4.3.1.3  Source Write Data FIFO
            4. 10.2.4.3.1.4  Source Read Data FIFO
            5. 10.2.4.3.1.5  Source Write Status FIFO
            6. 10.2.4.3.1.6  Main State Machine
            7. 10.2.4.3.1.7  Destination Command FIFO
            8. 10.2.4.3.1.8  Destination Write Data FIFO
            9. 10.2.4.3.1.9  Destination Read Data FIFO
            10. 10.2.4.3.1.10 Destination Write Status FIFO
          2. 10.2.4.3.2 RINGACC Functional Operation
            1. 10.2.4.3.2.1 Queue Modes
              1. 10.2.4.3.2.1.1 Ring Mode
              2. 10.2.4.3.2.1.2 Messaging Mode
              3. 10.2.4.3.2.1.3 Credentials Mode
              4. 10.2.4.3.2.1.4 Queue Manager Mode
              5. 10.2.4.3.2.1.5 Peek Support
              6. 10.2.4.3.2.1.6 Index Register Operation
            2. 10.2.4.3.2.2 VBUSM Slave Ring Operations
            3. 10.2.4.3.2.3 VBUSM Master Interface Command ID Selection
            4. 10.2.4.3.2.4 Ring Push Operation (VBUSM Write to Source Interface)
            5. 10.2.4.3.2.5 Ring Pop Operation (VBUSM Read from Source Interface)
            6. 10.2.4.3.2.6 Host Doorbell Access
            7. 10.2.4.3.2.7 Queue Push Operation (VBUSM Write to Source Interface)
            8. 10.2.4.3.2.8 Queue Pop Operation (VBUSM Read from Source Interface)
            9. 10.2.4.3.2.9 Mismatched Element Size Handling
          3. 10.2.4.3.3 Events
          4. 10.2.4.3.4 Bus Error Handling
          5. 10.2.4.3.5 Monitors
            1. 10.2.4.3.5.1 Threshold Monitor
            2. 10.2.4.3.5.2 Watermark Monitor
            3. 10.2.4.3.5.3 Starvation Monitor
            4. 10.2.4.3.5.4 Statistics Monitor
            5. 10.2.4.3.5.5 Overflow
            6. 10.2.4.3.5.6 Ring Update Port
            7. 10.2.4.3.5.7 Tracing
        4. 10.2.4.4 RINGACC Registers
          1. 10.2.4.4.1 NAVSS0_UDMASS_RINGACC0_CFG Registers
          2. 10.2.4.4.2 NAVSS0_UDMASS_RINGACC0_GCFG Registers
          3. 10.2.4.4.3 NAVSS0_UDMASS_RINGACC0_CFG_MON Registers
          4. 10.2.4.4.4 NAVSS0_UDMASS_RINGACC0_CFG_RT Registers
          5. 10.2.4.4.5 NAVSS0_UDMASS_RINGACC0_SRC_FIFOS Registers
      5. 10.2.5  Proxy
        1. 10.2.5.1 Proxy Overview
          1. 10.2.5.1.1 Proxy Features
          2. 10.2.5.1.2 Proxy Parameters
          3. 10.2.5.1.3 Proxy Not Supported Features
        2. 10.2.5.2 Proxy Integration
        3. 10.2.5.3 Proxy Functional Description
          1. 10.2.5.3.1  Targets
            1. 10.2.5.3.1.1 Ring Accelerator
          2. 10.2.5.3.2  Proxy Sizes
          3. 10.2.5.3.3  Proxy Interleaving
          4. 10.2.5.3.4  Proxy Host States
          5. 10.2.5.3.5  Proxy Host Channel Selection
          6. 10.2.5.3.6  Proxy Host Access
            1. 10.2.5.3.6.1 Proxy Host Writes
            2. 10.2.5.3.6.2 Proxy Host Reads
          7. 10.2.5.3.7  Permission Inheritance
          8. 10.2.5.3.8  Buffer Size
          9. 10.2.5.3.9  Error Events
          10. 10.2.5.3.10 Debug Reads
        4. 10.2.5.4 Proxy Registers
          1. 10.2.5.4.1 NAVSS0_PROXY0_CFG_BUF_CFG Registers
          2. 10.2.5.4.2 NAVSS0_PROXY0_BUF_CFG Registers
          3. 10.2.5.4.3 NAVSS0_PROXY_BUF Registers
          4. 10.2.5.4.4 NAVSS0_PROXY_TARGET0_DATA Registers
      6. 10.2.6  Secure Proxy
        1. 10.2.6.1 Secure Proxy Overview
          1. 10.2.6.1.1 Secure Proxy Features
          2. 10.2.6.1.2 Secure Proxy Parameters
          3. 10.2.6.1.3 Secure Proxy Not Supported Features
        2. 10.2.6.2 Secure Proxy Integration
        3. 10.2.6.3 Secure Proxy Functional Description
          1. 10.2.6.3.1  Targets
            1. 10.2.6.3.1.1 Ring Accelerator
          2. 10.2.6.3.2  Buffers
            1. 10.2.6.3.2.1 Proxy Credits
            2. 10.2.6.3.2.2 Proxy Private Word
            3. 10.2.6.3.2.3 Completion Byte
          3. 10.2.6.3.3  Proxy Thread Sizes
          4. 10.2.6.3.4  Proxy Thread Interleaving
          5. 10.2.6.3.5  Proxy States
          6. 10.2.6.3.6  Proxy Host Access
            1. 10.2.6.3.6.1 Proxy Host Writes
            2. 10.2.6.3.6.2 Proxy Host Reads
            3. 10.2.6.3.6.3 Buffer Accesses
            4. 10.2.6.3.6.4 Target Access
            5. 10.2.6.3.6.5 Error State
          7. 10.2.6.3.7  Permission Inheritance
          8. 10.2.6.3.8  Resource Association
          9. 10.2.6.3.9  Direction
          10. 10.2.6.3.10 Threshold Events
          11. 10.2.6.3.11 Error Events
          12. 10.2.6.3.12 Bus Errors and Credits
          13. 10.2.6.3.13 Debug
        4. 10.2.6.4 Secure Proxy Registers
          1. 10.2.6.4.1 NAVSS0_SEC_PROXY0_CFG_MMRS Registers
          2. 10.2.6.4.2 NAVSS0_SEC_PROXY0_CFG_RT Registers
          3. 10.2.6.4.3 NAVSS0_SEC_PROXY0_CFG_SCFG Registers
          4. 10.2.6.4.4 NAVSS0_SEC_PROXY0_SRC_TARGET_DATA Registers
      7. 10.2.7  Interrupt Aggregator (INTR_AGGR)
        1. 10.2.7.1 INTR_AGGR Overview
          1. 10.2.7.1.1 INTR_AGGR Features
          2. 10.2.7.1.2 INTR_AGGR Parameters
        2. 10.2.7.2 INTR_AGGR Integration
        3. 10.2.7.3 INTR_AGGR Functional Description
          1. 10.2.7.3.1 Submodule Descriptions
            1. 10.2.7.3.1.1 Status/Mask Registers
            2. 10.2.7.3.1.2 Interrupt Mapping Block
            3. 10.2.7.3.1.3 Global Event Input (GEVI) Counters
            4. 10.2.7.3.1.4 Local Event Input (LEVI) to Global Event Conversion
            5. 10.2.7.3.1.5 Global Event Multicast
          2. 10.2.7.3.2 General Functionality
            1. 10.2.7.3.2.1 Event to Interrupt Bit Steering
            2. 10.2.7.3.2.2 Interrupt Status
            3. 10.2.7.3.2.3 Interrupt Masked Status
            4. 10.2.7.3.2.4 Enabling/Disabling Individual Interrupt Source Bits
            5. 10.2.7.3.2.5 Interrupt Output Generation
            6. 10.2.7.3.2.6 Global Event Counting
            7. 10.2.7.3.2.7 Local Event to Global Event Conversion
            8. 10.2.7.3.2.8 Global Event Multicast
        4. 10.2.7.4 INTR_AGGR Registers
          1. 10.2.7.4.1  MODSS_INTA_CFG Registers
          2. 10.2.7.4.2  MODSS_INTA_CFG_IMAP Registers
          3. 10.2.7.4.3  MODSS_INTA_CFG_INTR Registers
          4. 10.2.7.4.4  UDMASS_INTA0_CFG Registers
          5. 10.2.7.4.5  UDMASS_INTA0_CFG_INTR Registers
          6. 10.2.7.4.6  UDMASS_INTA0_CFG_IMAP Registers
          7. 10.2.7.4.7  UDMASS_INTA0_CFG_L2G Registers
          8. 10.2.7.4.8  UDMASS_INTA0_CFG_MCAST Registers
          9. 10.2.7.4.9  UDMASS_INTA0_CFG_GCNTCFG Registers
          10. 10.2.7.4.10 UDMASS_INTA0_CFG_GCNTRTI Registers
      8. 10.2.8  Packet Streaming Interface Link (PSI-L)
        1. 10.2.8.1 PSI-L Overview
        2. 10.2.8.2 PSI-L Functional Description
          1. 10.2.8.2.1 PSI-L Introduction
          2. 10.2.8.2.2 PSI-L Operation
            1. 10.2.8.2.2.1 Event Transport
            2. 10.2.8.2.2.2 Threads
            3. 10.2.8.2.2.3 Arbitration Protocol
            4. 10.2.8.2.2.4 Thread Configuration
              1. 10.2.8.2.2.4.1 Thread Pairing
                1. 10.2.8.2.2.4.1.1 Configuration Transaction Pairing
              2. 10.2.8.2.2.4.2 Configuration Registers Region
        3. 10.2.8.3 PSI-L Configuration Registers
        4. 10.2.8.4 PSI-L CFG_PROXY Registers
      9. 10.2.9  PSIL Subsystem (PSILSS)
        1. 10.2.9.1 PSILSS Overview
          1. 10.2.9.1.1 PSILSS Features
        2. 10.2.9.2 PSILSS Functional Description
          1. 10.2.9.2.1 PSILSS Basic Operation
          2. 10.2.9.2.2 PSILSS Event Routing
          3. 10.2.9.2.3 PSILSS Link Down Detection
          4. 10.2.9.2.4 PSILSS Configuration
        3. 10.2.9.3 PSILSS Registers
          1. 10.2.9.3.1 PDMA_USART_PSILSS0 Registers
          2. 10.2.9.3.2 PDMA_SPI_PSILSS0 Registers
      10. 10.2.10 NAVSS North Bridge (NB)
        1. 10.2.10.1 NB Overview
          1. 10.2.10.1.1 Features Supported
          2. 10.2.10.1.2 NB Parameters
            1. 10.2.10.1.2.1 Compliance to Standards
            2. 10.2.10.1.2.2 Features Not Supported
        2. 10.2.10.2 NB Functional Description
          1. 10.2.10.2.1  VBUSM Slave Interfaces
          2. 10.2.10.2.2  VBUSM Master Interface
          3. 10.2.10.2.3  VBUSM.C Interfaces
            1. 10.2.10.2.3.1 Multi-Threading
            2. 10.2.10.2.3.2 Write Command Crediting
            3. 10.2.10.2.3.3 Early Credit Response
            4. 10.2.10.2.3.4 Priority Escalation
          4. 10.2.10.2.4  Source M2M Bridges
          5. 10.2.10.2.5  Destination M2M Bridge
          6. 10.2.10.2.6  M2C Bridge
          7. 10.2.10.2.7  Memory Attribute Tables
          8. 10.2.10.2.8  Outstanding Read Data Limiter
          9. 10.2.10.2.9  Ordering
          10. 10.2.10.2.10 Quality of Service
          11. 10.2.10.2.11 IDLE Behavior
          12. 10.2.10.2.12 Clock Power Management
        3. 10.2.10.3 NB Registers
          1. 10.2.10.3.1 NAVSS0_NBSS_CFG_REGS0_MMRS Registers
          2. 10.2.10.3.2 NAVSS0_NBSS_NB_CFG_MMRS Registers
    3. 10.3 Peripheral DMA (PDMA)
      1. 10.3.1 PDMA Controller
        1. 10.3.1.1 PDMA Overview
          1. 10.3.1.1.1 PDMA Features
            1. 10.3.1.1.1.1  MCU_PDMA0 (MCU_PDMA_MISC_G0) Features
            2. 10.3.1.1.1.2  MCU_PDMA1 (MCU_PDMA_MISC_G1) Features
            3. 10.3.1.1.1.3  MCU_PDMA2 (MCU_PDMA_MISC_G2) Features
            4. 10.3.1.1.1.4  MCU_PDMA3 (MCU_PDMA_ADC) Features
            5. 10.3.1.1.1.5  PDMA2 (PDMA_DEBUG_CCMCU) Features
            6. 10.3.1.1.1.6  PDMA5 (PDMA_MCAN) Features
            7. 10.3.1.1.1.7  PDMA6 (PDMA_MCASP_G0) Features
            8. 10.3.1.1.1.8  PDMA9 (PDMA_SPI_G0) Features
            9. 10.3.1.1.1.9  PDMA10 (PDMA_SPI_G1) Features
            10. 10.3.1.1.1.10 PDMA13 (PDMA_USART_G0) Features
            11. 10.3.1.1.1.11 PDMA14 (PDMA_USART_G1) Features
            12. 10.3.1.1.1.12 PDMA15 (PDMA_USART_G2) Features
        2. 10.3.1.2 PDMA Integration
          1. 10.3.1.2.1 PDMA Integration in MCU Domain
          2. 10.3.1.2.2 PDMA Integration in MAIN Domain
        3. 10.3.1.3 PDMA Functional Description
          1. 10.3.1.3.1 PDMA Functional Blocks
            1. 10.3.1.3.1.1 Scheduler
            2. 10.3.1.3.1.2 Tx Per-Channel Buffers (TCP FIFO)
            3. 10.3.1.3.1.3 Tx DMA Unit (Tx Engine)
            4. 10.3.1.3.1.4 Rx Per-Channel Buffers (RCP FIFO)
            5. 10.3.1.3.1.5 Rx DMA Unit (Rx Engine)
          2. 10.3.1.3.2 PDMA General Functionality
            1. 10.3.1.3.2.1 Operational States
            2. 10.3.1.3.2.2 Clock Stop
            3. 10.3.1.3.2.3 Emulation Control
          3. 10.3.1.3.3 PDMA Events and Flow Control
            1. 10.3.1.3.3.1 Channel Types
              1. 10.3.1.3.3.1.1 X-Y FIFO Mode
              2. 10.3.1.3.3.1.2 MCAN Mode
              3. 10.3.1.3.3.1.3 AASRC Mode
              4. 10.3.1.3.3.1.4 1290
            2. 10.3.1.3.3.2 Channel Triggering
            3. 10.3.1.3.3.3 Completion Events
          4. 10.3.1.3.4 PDMA Transmit Operation
            1. 10.3.1.3.4.1 Destination (Tx) Channel Allocation
            2. 10.3.1.3.4.2 Destination (Tx) Channel Out-of-Band Signals
            3. 10.3.1.3.4.3 Destination Channel Initialization
              1. 10.3.1.3.4.3.1 PSI-L Destination Thread Pairing
              2. 10.3.1.3.4.3.2 Static Transfer Request Setup
              3. 10.3.1.3.4.3.3 1299
              4. 10.3.1.3.4.3.4 PSI-L Destination Thread Enables
            4. 10.3.1.3.4.4 Data Transfer
              1. 10.3.1.3.4.4.1 X-Y FIFO Mode Channel
                1. 10.3.1.3.4.4.1.1 X-Y FIFO Burst Mode
              2. 10.3.1.3.4.4.2 MCAN Mode Channel
                1. 10.3.1.3.4.4.2.1 MCAN Burst Mode
              3. 10.3.1.3.4.4.3 AASRC Mode Channel
            5. 10.3.1.3.4.5 Tx Pause
            6. 10.3.1.3.4.6 Tx Teardown
            7. 10.3.1.3.4.7 Tx Channel Reset
            8. 10.3.1.3.4.8 Tx Debug/State Registers
          5. 10.3.1.3.5 PDMA Receive Operation
            1. 10.3.1.3.5.1 Source (Rx) Channel Allocation
            2. 10.3.1.3.5.2 Source Channel Initialization
              1. 10.3.1.3.5.2.1 PSI-L Source Thread Pairing
              2. 10.3.1.3.5.2.2 Static Transfer Request Setup
              3. 10.3.1.3.5.2.3 PSI-L Source Thread Enables
            3. 10.3.1.3.5.3 Data Transfer
              1. 10.3.1.3.5.3.1 X-Y FIFO Mode Channel
              2. 10.3.1.3.5.3.2 MCAN Mode Channel
                1. 10.3.1.3.5.3.2.1 MCAN Burst Mode
              3. 10.3.1.3.5.3.3 AASRC Mode Channel
            4. 10.3.1.3.5.4 Rx Pause
            5. 10.3.1.3.5.5 Rx Teardown
            6. 10.3.1.3.5.6 Rx Channel Reset
            7. 10.3.1.3.5.7 Rx Debug/State Register
          6. 10.3.1.3.6 PDMA ECC Support
        4. 10.3.1.4 PDMA Registers
          1. 10.3.1.4.1 PDMA5 ECC Registers
          2. 10.3.1.4.2 PDMA9 ECC Registers
          3. 10.3.1.4.3 PDMA10 ECC Registers
          4. 10.3.1.4.4 PDMA PSI-L TX Configuration Registers
          5. 10.3.1.4.5 PDMA PSI-L RX Configuration Registers
      2. 10.3.2 PDMA Sources
        1. 10.3.2.1 MCU Domain PDMA Event Maps
          1. 10.3.2.1.1 MCU_PDMA_MISC_G0 Event Map
          2. 10.3.2.1.2 MCU_PDMA_MISC_G1 Event Map
          3. 10.3.2.1.3 MCU_PDMA_MISC_G2 Event Map
          4. 10.3.2.1.4 MCU_PDMA_ADC Event Map
        2. 10.3.2.2 MAIN Domain PDMA Event Maps
          1. 10.3.2.2.1 PDMA_DEBUG_CCMCU Event Map
          2. 10.3.2.2.2 PDMA_MCAN Event Map
          3. 10.3.2.2.3 PDMA_MCASP_G0 Event Map
          4. 10.3.2.2.4 PDMA_SPI_G0 Event Map
          5. 10.3.2.2.5 PDMA_SPI_G1 Event Map
          6. 10.3.2.2.6 PDMA_USART_G0 Event Map
          7. 10.3.2.2.7 PDMA_USART_G1 Event Map
          8. 10.3.2.2.8 PDMA_USART_G2 Event Map
  13. 11Time Sync
    1. 11.1 Time Sync Module (CPTS)
      1. 11.1.1 CPTS Overview
        1. 11.1.1.1 CPTS Features
        2. 11.1.1.2 CPTS Not Supported Features
      2. 11.1.2 CPTS Integration
      3. 11.1.3 CPTS Functional Description
        1. 11.1.3.1  CPTS Architecture
        2. 11.1.3.2  CPTS Initialization
        3. 11.1.3.3  32-bit Time Stamp Value
        4. 11.1.3.4  64-bit Time Stamp Value
          1. 11.1.3.4.1 64-Bit Timestamp Nudge
          2. 11.1.3.4.2 64-bit Timestamp PPM
        5. 11.1.3.5  Event FIFO
        6. 11.1.3.6  Timestamp Compare Output
          1. 11.1.3.6.1 Non-Toggle Mode
          2. 11.1.3.6.2 Toggle Mode
        7. 11.1.3.7  Timestamp Sync Output
        8. 11.1.3.8  Timestamp GENF Output
          1. 11.1.3.8.1 GENFn Nudge
          2. 11.1.3.8.2 GENFn PPM
        9. 11.1.3.9  Time Sync Events
          1. 11.1.3.9.1 Time Stamp Push Event
          2. 11.1.3.9.2 Time Stamp Counter Rollover Event (32-bit mode only)
          3. 11.1.3.9.3 Time Stamp Counter Half-rollover Event (32-bit mode only)
          4. 11.1.3.9.4 Hardware Time Stamp Push Event
        10. 11.1.3.10 Timestamp Compare Event
        11. 11.1.3.11 CPTS Interrupt Handling
      4. 11.1.4 CPTS Registers
    2. 11.2 Timer Manager
      1. 11.2.1 Timer Manager Overview
        1. 11.2.1.1 Timer Manager Features
        2. 11.2.1.2 Timer Manager Not Supported Features
      2. 11.2.2 Timer Manager Integration
      3. 11.2.3 Timer Manager Functional Description
        1. 11.2.3.1 Timer Manager Function Overview
        2. 11.2.3.2 Timer Counter
          1. 11.2.3.2.1 Timer Counter Rollover
        3. 11.2.3.3 Timer Control Module (FSM)
        4. 11.2.3.4 Timer Reprogramming
          1. 11.2.3.4.1 Periodic Hardware Timers
        5. 11.2.3.5 Event FIFO
        6. 11.2.3.6 Output Event Lookup (OES RAM)
      4. 11.2.4 Timer Manager Programming Guide
        1. 11.2.4.1 Timer Manager Low-level Programming Models
          1. 11.2.4.1.1 Surrounding Modules Global Initialization
          2. 11.2.4.1.2 Initialization Sequence
          3. 11.2.4.1.3 Real-time Operating Requirements
            1. 11.2.4.1.3.1 Timer Touch
            2. 11.2.4.1.3.2 Timer Disable
            3. 11.2.4.1.3.3 Timer Enable
          4. 11.2.4.1.4 Power Up/Power Down Sequence
      5. 11.2.5 Timer Manager Registers
        1. 11.2.5.1 TIMERMGR_CFG_CFG Registers
        2. 11.2.5.2 TIMERMGR_CFG_OES Registers
        3. 11.2.5.3 TIMERMGR_CFG_TIMERS Registers
    3. 11.3 Time Sync and Compare Events
      1. 11.3.1 Time Sync Architecture
        1. 11.3.1.1 Time Sync Architecture Overview
      2. 11.3.2 Time Sync Routers
        1. 11.3.2.1 Time Sync Routers Overview
        2. 11.3.2.2 Time Sync Routers Integration
          1. 11.3.2.2.1 TIMESYNC_INTRTR0 Integration
          2. 11.3.2.2.2 CMPEVT_INTRTR0 Integration
        3. 11.3.2.3 Time Sync Routers Registers
          1. 11.3.2.3.1 TIMESYNC_INTRTR0 Registers
          2. 11.3.2.3.2 CMPEVT_INTRTR0 Registers
      3. 11.3.3 Time Sync Event Sources
        1. 11.3.3.1 CMPEVT_INTRTR0 Event Map
        2. 11.3.3.2 TIMESYNC_INTRTR0 Event Map
        3. 11.3.3.3 DMSS0 Sync Event Map
        4. 11.3.3.4 PCIE1 Sync Event Map
        5. 11.3.3.5 MCU_CPSW0 Sync Event Map
        6. 11.3.3.6 CPSW0 Sync Event Map
        7. 11.3.3.7 I/O Sync Event Map
  14. 12Peripherals
    1. 12.1 General Connectivity Peripherals
      1. 12.1.1 Analog-to-Digital Converter (ADC)
        1. 12.1.1.1 ADC Overview
          1. 12.1.1.1.1 ADC Features
          2. 12.1.1.1.2 ADC Not Supported Features
        2. 12.1.1.2 ADC Environment
          1. 12.1.1.2.1 ADC Interface Signals
        3. 12.1.1.3 ADC Integration
          1. 12.1.1.3.1 ADC Integration in MCU Domain
        4. 12.1.1.4 ADC Functional Description
          1. 12.1.1.4.1 ADC FSM Sequencer Functional Description
            1. 12.1.1.4.1.1 Step Enable
            2. 12.1.1.4.1.2 Step Configuration
              1. 12.1.1.4.1.2.1 One-Shot (Single) or Continuous Mode
              2. 12.1.1.4.1.2.2 Software- or Hardware-Enabled Steps
              3. 12.1.1.4.1.2.3 Averaging of Samples
              4. 12.1.1.4.1.2.4 Analog Multiplexer Input Select
              5. 12.1.1.4.1.2.5 Differential Control
              6. 12.1.1.4.1.2.6 FIFO Select
              7. 12.1.1.4.1.2.7 Range Check Interrupt Enable
            3. 12.1.1.4.1.3 Open Delay and Sample Delay
              1. 12.1.1.4.1.3.1 Open Delay
              2. 12.1.1.4.1.3.2 Sample Delay
            4. 12.1.1.4.1.4 Interrupts
            5. 12.1.1.4.1.5 Power Management
            6. 12.1.1.4.1.6 DMA Requests
          2. 12.1.1.4.2 ADC AFE Functional Description
            1. 12.1.1.4.2.1 AFE Functional Block Diagram
            2. 12.1.1.4.2.2 ADC GPI Integration
          3. 12.1.1.4.3 ADC FIFOs and DMA
            1. 12.1.1.4.3.1 FIFOs
            2. 12.1.1.4.3.2 DMA
          4. 12.1.1.4.4 ADC Error Correcting Code (ECC)
            1. 12.1.1.4.4.1 Testing ECC Error Injection
          5. 12.1.1.4.5 ADC Functional Internal Diagnostic Debug Mode
        5. 12.1.1.5 ADC Programming Guide
          1. 12.1.1.5.1 ADC Low-Level Programming Models
            1. 12.1.1.5.1.1 Global Initialization
              1. 12.1.1.5.1.1.1 Surrounding Modules Global Initialization
              2. 12.1.1.5.1.1.2 General Programming Model
            2. 12.1.1.5.1.2 During Operation
        6. 12.1.1.6 ADC Registers
      2. 12.1.2 General-Purpose Interface (GPIO)
        1. 12.1.2.1 GPIO Overview
          1. 12.1.2.1.1 GPIO Features
          2. 12.1.2.1.2 GPIO Not Supported Features
        2. 12.1.2.2 GPIO Environment
          1. 12.1.2.2.1 GPIO Interface Signals
        3. 12.1.2.3 GPIO Integration
          1. 12.1.2.3.1 GPIO Integration in WKUP Domain
          2. 12.1.2.3.2 GPIO Integration in MAIN Domain
        4. 12.1.2.4 GPIO Functional Description
          1. 12.1.2.4.1 GPIO Block Diagram
          2. 12.1.2.4.2 GPIO Function
          3. 12.1.2.4.3 GPIO Interrupt and Event Generation
            1. 12.1.2.4.3.1 Interrupt Enable (per Bank)
            2. 12.1.2.4.3.2 Trigger Configuration (per Bit)
            3. 12.1.2.4.3.3 Interrupt Status and Clear (per Bit)
          4. 12.1.2.4.4 GPIO Interrupt Connectivity
          5. 12.1.2.4.5 GPIO DeepSleep Mode
          6. 12.1.2.4.6 GPIO Emulation Halt Operation
        5. 12.1.2.5 GPIO Programming Guide
          1. 12.1.2.5.1 GPIO Low-Level Programming Models
            1. 12.1.2.5.1.1 Global Initialization
              1. 12.1.2.5.1.1.1 Surrounding Modules Global Initialization
              2. 12.1.2.5.1.1.2 GPIO Module Global Initialization
            2. 12.1.2.5.1.2 GPIO Operational Modes Configuration
              1. 12.1.2.5.1.2.1 GPIO Read Input Register
              2. 12.1.2.5.1.2.2 GPIO Set Bit Function
              3. 12.1.2.5.1.2.3 GPIO Clear Bit Function
        6. 12.1.2.6 GPIO Registers
      3. 12.1.3 Inter-Integrated Circuit (I2C) Interface
        1. 12.1.3.1 I2C Overview
          1. 12.1.3.1.1 I2C Features
          2. 12.1.3.1.2 I2C Not Supported Features
        2. 12.1.3.2 I2C Environment
          1. 12.1.3.2.1 I2C Typical Application
            1. 12.1.3.2.1.1 I2C Pins for Typical Connections in I2C Mode
            2. 12.1.3.2.1.2 I2C Interface Typical Connections
            3. 12.1.3.2.1.3 1503
          2. 12.1.3.2.2 I2C Typical Connection Protocol and Data Format
            1. 12.1.3.2.2.1  I2C Serial Data Format
            2. 12.1.3.2.2.2  I2C Data Validity
            3. 12.1.3.2.2.3  I2C Start and Stop Conditions
            4. 12.1.3.2.2.4  I2C Addressing
              1. 12.1.3.2.2.4.1 Data Transfer Formats in F/S Mode
              2. 12.1.3.2.2.4.2 Data Transfer Format in HS Mode
            5. 12.1.3.2.2.5  I2C Controller Transmitter
            6. 12.1.3.2.2.6  I2C Controller Receiver
            7. 12.1.3.2.2.7  I2C Target Transmitter
            8. 12.1.3.2.2.8  I2C Target Receiver
            9. 12.1.3.2.2.9  I2C Bus Arbitration
            10. 12.1.3.2.2.10 I2C Clock Generation and Synchronization
        3. 12.1.3.3 I2C Integration
          1. 12.1.3.3.1 I2C Integration in WKUP Domain
          2. 12.1.3.3.2 I2C Integration in MCU Domain
          3. 12.1.3.3.3 I2C Integration in MAIN Domain
        4. 12.1.3.4 I2C Functional Description
          1. 12.1.3.4.1 I2C Block Diagram
          2. 12.1.3.4.2 I2C Clocks
            1. 12.1.3.4.2.1 I2C Clocking
            2. 12.1.3.4.2.2 I2C Automatic Blocking of the I2C Clock Feature
          3. 12.1.3.4.3 I2C Software Reset
          4. 12.1.3.4.4 I2C Power Management
          5. 12.1.3.4.5 I2C Interrupt Requests
          6. 12.1.3.4.6 I2C Programmable Multitarget Channel Feature
          7. 12.1.3.4.7 I2C FIFO Management
            1. 12.1.3.4.7.1 I2C FIFO Interrupt Mode
            2. 12.1.3.4.7.2 I2C FIFO Polling Mode
            3. 12.1.3.4.7.3 I2C Draining Feature
          8. 12.1.3.4.8 I2C Noise Filter
          9. 12.1.3.4.9 I2C System Test Mode
        5. 12.1.3.5 I2C Programming Guide
          1. 12.1.3.5.1 I2C Low-Level Programming Models
            1. 12.1.3.5.1.1 I2C Programming Model
              1. 12.1.3.5.1.1.1 Main Program
                1. 12.1.3.5.1.1.1.1 Configure the Module Before Enabling the I2C Controller
                2. 12.1.3.5.1.1.1.2 Initialize the I2C Controller
                3. 12.1.3.5.1.1.1.3 Configure Target Address and the Data Control Register
                4. 12.1.3.5.1.1.1.4 Initiate a Transfer
                5. 12.1.3.5.1.1.1.5 Receive Data
                6. 12.1.3.5.1.1.1.6 Transmit Data
              2. 12.1.3.5.1.1.2 Interrupt Subroutine Sequence
              3. 12.1.3.5.1.1.3 Programming Flow-Diagrams
        6. 12.1.3.6 I2C Registers
      4. 12.1.4 Improved Inter-Integrated Circuit (I3C) Interface
        1. 12.1.4.1 I3C Overview
          1. 12.1.4.1.1 I3C Features
          2. 12.1.4.1.2 I3C Not Supported Features
        2. 12.1.4.2 I3C Environment
          1. 12.1.4.2.1 I3C Typical Application
            1. 12.1.4.2.1.1 I3C Pins for Typical Connections
            2. 12.1.4.2.1.2 I3C Interface Typical Connections
            3. 12.1.4.2.1.3 1557
        3. 12.1.4.3 I3C Integration
          1. 12.1.4.3.1 I3C Integration in MCU Domain
          2. 12.1.4.3.2 I3C Integration in MAIN Domain
        4. 12.1.4.4 I3C Functional Description
          1. 12.1.4.4.1  I3C Block Diagram
          2. 12.1.4.4.2  I3C Clock Configuration
            1. 12.1.4.4.2.1 Setting Base Frequencies
            2. 12.1.4.4.2.2 Asymmetric Push-Pull SCL Timing
            3. 12.1.4.4.2.3 Open-Drain SCL Timing
            4. 12.1.4.4.2.4 Changing Programmed Frequencies
          3. 12.1.4.4.3  I3C Interrupt Requests
          4. 12.1.4.4.4  I3C Power Configuration
          5. 12.1.4.4.5  I3C Dynamic Address Management
          6. 12.1.4.4.6  I3C Retaining Registers Space
          7. 12.1.4.4.7  I3C Dynamic Address Assignment Procedure
          8. 12.1.4.4.8  I3C Sending CCC Messages
          9. 12.1.4.4.9  I3C In-Band Interrupt
            1. 12.1.4.4.9.1 Regular I3C Slave In-Band Interrupt
            2. 12.1.4.4.9.2 Current Master Takeover In-Band Interrupt
          10. 12.1.4.4.10 I3C Hot-Join Request
          11. 12.1.4.4.11 I3C Immediate Commands
          12. 12.1.4.4.12 I3C Host Commands
          13. 12.1.4.4.13 I3C Sending Private Data in SDR Messages
            1. 12.1.4.4.13.1 SDR Private Write Message
            2. 12.1.4.4.13.2 SDR Private Read Message
            3. 12.1.4.4.13.3 SDR Payload Length Adjustment
        5. 12.1.4.5 I3C Programming Guide
          1. 12.1.4.5.1 I3C Power-On Programming Model
          2. 12.1.4.5.2 I3C Static Devices Programming
          3. 12.1.4.5.3 I3C DAA Procedure Initiation
          4. 12.1.4.5.4 I3C SDR Write Message Programming Model
          5. 12.1.4.5.5 I3C SDR Read Message Programming Model
          6. 12.1.4.5.6 I3C DDR Write Message Programming Model
          7. 12.1.4.5.7 I3C DDR Read Message Programming Model
        6. 12.1.4.6 I3C Registers
      5. 12.1.5 Multichannel Serial Peripheral Interface (MCSPI)
        1. 12.1.5.1 MCSPI Overview
          1. 12.1.5.1.1 SPI Features
          2. 12.1.5.1.2 MCSPI Not Supported Features
        2. 12.1.5.2 MCSPI Environment
          1. 12.1.5.2.1 Basic MCSPI Pins for Master Mode
          2. 12.1.5.2.2 Basic MCSPI Pins for Slave Mode
          3. 12.1.5.2.3 MCSPI Internal Connectivity
          4. 12.1.5.2.4 MCSPI Protocol and Data Format
            1. 12.1.5.2.4.1 Transfer Format
          5. 12.1.5.2.5 MCSPI in Controller Mode
          6. 12.1.5.2.6 MCSPI in Peripheral Mode
        3. 12.1.5.3 MCSPI Integration
          1. 12.1.5.3.1 MCSPI Integration in MCU Domain
          2. 12.1.5.3.2 MCSPI Integration in MAIN Domain
        4. 12.1.5.4 MCSPI Functional Description
          1. 12.1.5.4.1 SPI Block Diagram
          2. 12.1.5.4.2 MCSPI Reset
          3. 12.1.5.4.3 MCSPI Controller Mode
            1. 12.1.5.4.3.1 Controller Mode Features
            2. 12.1.5.4.3.2 Controller Transmit-and-Receive Mode (Full Duplex)
            3. 12.1.5.4.3.3 Controller Transmit-Only Mode (Half Duplex)
            4. 12.1.5.4.3.4 Controller Receive-Only Mode (Half Duplex)
            5. 12.1.5.4.3.5 Single-Channel Controller Mode
              1. 12.1.5.4.3.5.1 Programming Tips When Switching to Another Channel
              2. 12.1.5.4.3.5.2 Force SPIEN[i] Mode
              3. 12.1.5.4.3.5.3 Turbo Mode
            6. 12.1.5.4.3.6 Start-Bit Mode
            7. 12.1.5.4.3.7 Chip-Select Timing Control
            8. 12.1.5.4.3.8 Programmable MCSPI Clock (SPICLK)
              1. 12.1.5.4.3.8.1 Clock Ratio Granularity
          4. 12.1.5.4.4 MCSPI Peripheral Mode
            1. 12.1.5.4.4.1 Dedicated Resources
            2. 12.1.5.4.4.2 Peripheral Transmit-and-Receive Mode
            3. 12.1.5.4.4.3 Peripheral Transmit-Only Mode
            4. 12.1.5.4.4.4 Peripheral Receive-Only Mode
          5. 12.1.5.4.5 MCSPI 3-Pin or 4-Pin Mode
          6. 12.1.5.4.6 MCSPI FIFO Buffer Management
            1. 12.1.5.4.6.1 Buffer Almost Full
            2. 12.1.5.4.6.2 Buffer Almost Empty
            3. 12.1.5.4.6.3 End of Transfer Management
            4. 12.1.5.4.6.4 Multiple MCSPI Word Access
            5. 12.1.5.4.6.5 First MCSPI Word Delay
          7. 12.1.5.4.7 MCSPI Interrupts
            1. 12.1.5.4.7.1 Interrupt Events in Controller Mode
              1. 12.1.5.4.7.1.1 TXx_EMPTY
              2. 12.1.5.4.7.1.2 TXx_UNDERFLOW
              3. 12.1.5.4.7.1.3 RXx_ FULL
              4. 12.1.5.4.7.1.4 End Of Word Count
            2. 12.1.5.4.7.2 Interrupt Events in Peripheral Mode
              1. 12.1.5.4.7.2.1 TXx_EMPTY
              2. 12.1.5.4.7.2.2 TXx_UNDERFLOW
              3. 12.1.5.4.7.2.3 RXx_FULL
              4. 12.1.5.4.7.2.4 RX0_OVERFLOW
              5. 12.1.5.4.7.2.5 End Of Word Count
            3. 12.1.5.4.7.3 Interrupt-Driven Operation
            4. 12.1.5.4.7.4 Polling
          8. 12.1.5.4.8 MCSPI DMA Requests
          9. 12.1.5.4.9 MCSPI Power Saving Management
            1. 12.1.5.4.9.1 Normal Mode
            2. 12.1.5.4.9.2 Idle Mode
              1. 12.1.5.4.9.2.1 Force-Idle Mode
        5. 12.1.5.5 MCSPI Programming Guide
          1. 12.1.5.5.1 MCSPI Global Initialization
            1. 12.1.5.5.1.1 Surrounding Modules Global Initialization
            2. 12.1.5.5.1.2 MCSPI Global Initialization
              1. 12.1.5.5.1.2.1 Main Sequence – MCSPI Global Initialization
          2. 12.1.5.5.2 MCSPI Operational Mode Configuration
            1. 12.1.5.5.2.1 MCSPI Operational Modes
              1. 12.1.5.5.2.1.1 Common Transfer Sequence
              2. 12.1.5.5.2.1.2 End of Transfer Sequences
              3. 12.1.5.5.2.1.3 Transmit-and-Receive (Controller and Peripheral)
              4. 12.1.5.5.2.1.4 Transmit-Only (Controller and Peripheral)
                1. 12.1.5.5.2.1.4.1 Based on Interrupt Requests
                2. 12.1.5.5.2.1.4.2 Based on DMA Write Requests
              5. 12.1.5.5.2.1.5 Controller Normal Receive-Only
                1. 12.1.5.5.2.1.5.1 Based on Interrupt Requests
                2. 12.1.5.5.2.1.5.2 Based on DMA Read Requests
              6. 12.1.5.5.2.1.6 Controller Turbo Receive-Only
                1. 12.1.5.5.2.1.6.1 Based on Interrupt Requests
                2. 12.1.5.5.2.1.6.2 Based on DMA Read Requests
              7. 12.1.5.5.2.1.7 Peripheral Receive-Only
              8. 12.1.5.5.2.1.8 Transfer Procedures With FIFO
                1. 12.1.5.5.2.1.8.1 Common Transfer Sequence in FIFO Mode
                2. 12.1.5.5.2.1.8.2 End of Transfer Sequences in FIFO Mode
                3. 12.1.5.5.2.1.8.3 Transmit-and-Receive With Word Count
                4. 12.1.5.5.2.1.8.4 Transmit-and-Receive Without Word Count
                5. 12.1.5.5.2.1.8.5 Transmit-Only
                6. 12.1.5.5.2.1.8.6 Receive-Only With Word Count
                7. 12.1.5.5.2.1.8.7 Receive-Only Without Word Count
              9. 12.1.5.5.2.1.9 Common Transfer Procedures Without FIFO – Polling Method
                1. 12.1.5.5.2.1.9.1 Receive-Only Procedure – Polling Method
                2. 12.1.5.5.2.1.9.2 Receive-Only Procedure – Interrupt Method
                3. 12.1.5.5.2.1.9.3 Transmit-Only Procedure – Polling Method
                4. 12.1.5.5.2.1.9.4 Transmit-and-Receive Procedure – Polling Method
        6. 12.1.5.6 MCSPI Registers
      6. 12.1.6 Universal Asynchronous Receiver/Transmitter (UART)
        1. 12.1.6.1 UART Overview
          1. 12.1.6.1.1 UART Features
          2. 12.1.6.1.2 IrDA Features
          3. 12.1.6.1.3 CIR Features
          4. 12.1.6.1.4 UART Not Supported Features
        2. 12.1.6.2 UART Environment
          1. 12.1.6.2.1 UART Functional Interfaces
            1. 12.1.6.2.1.1 System Using UART Communication With Hardware Handshake
            2. 12.1.6.2.1.2 UART Interface Description
            3. 12.1.6.2.1.3 UART Protocol and Data Format
            4. 12.1.6.2.1.4 UART 9-bit Mode Data Format
          2. 12.1.6.2.2 RS-485 Functional Interfaces
            1. 12.1.6.2.2.1 System Using RS-485 Communication
            2. 12.1.6.2.2.2 RS-485 Interface Description
          3. 12.1.6.2.3 IrDA Functional Interfaces
            1. 12.1.6.2.3.1 System Using IrDA Communication Protocol
            2. 12.1.6.2.3.2 IrDA Interface Description
            3. 12.1.6.2.3.3 IrDA Protocol and Data Format
              1. 12.1.6.2.3.3.1 SIR Mode
                1. 12.1.6.2.3.3.1.1 Frame Format
                2. 12.1.6.2.3.3.1.2 Asynchronous Transparency
                3. 12.1.6.2.3.3.1.3 Abort Sequence
                4. 12.1.6.2.3.3.1.4 Pulse Shaping
                5. 12.1.6.2.3.3.1.5 Encoder
                6. 12.1.6.2.3.3.1.6 Decoder
                7. 12.1.6.2.3.3.1.7 IR Address Checking
              2. 12.1.6.2.3.3.2 SIR Free-Format Mode
              3. 12.1.6.2.3.3.3 MIR Mode
                1. 12.1.6.2.3.3.3.1 MIR Encoder/Decoder
                2. 12.1.6.2.3.3.3.2 SIP Generation
              4. 12.1.6.2.3.3.4 FIR Mode
          4. 12.1.6.2.4 CIR Functional Interfaces
            1. 12.1.6.2.4.1 System Using CIR Communication Protocol With Remote Control
            2. 12.1.6.2.4.2 CIR Interface Description
            3. 12.1.6.2.4.3 CIR Protocol and Data Format
              1. 12.1.6.2.4.3.1 Carrier Modulation
              2. 12.1.6.2.4.3.2 Pulse Duty Cycle
              3. 12.1.6.2.4.3.3 Consumer IR Encoding/Decoding
        3. 12.1.6.3 UART Integration
          1. 12.1.6.3.1 UART Integration in WKUP Domain
          2. 12.1.6.3.2 UART Integration in MCU Domain
          3. 12.1.6.3.3 UART Integration in MAIN Domain
        4. 12.1.6.4 UART Functional Description
          1. 12.1.6.4.1 UART Block Diagram
          2. 12.1.6.4.2 UART Clock Configuration
          3. 12.1.6.4.3 UART Software Reset
            1. 12.1.6.4.3.1 Independent TX/RX
          4. 12.1.6.4.4 UART Power Management
            1. 12.1.6.4.4.1 UART Mode Power Management
              1. 12.1.6.4.4.1.1 Module Power Saving
              2. 12.1.6.4.4.1.2 System Power Saving
            2. 12.1.6.4.4.2 IrDA Mode Power Management
              1. 12.1.6.4.4.2.1 Module Power Saving
              2. 12.1.6.4.4.2.2 System Power Saving
            3. 12.1.6.4.4.3 CIR Mode Power Management
              1. 12.1.6.4.4.3.1 Module Power Saving
              2. 12.1.6.4.4.3.2 System Power Saving
            4. 12.1.6.4.4.4 Local Power Management
          5. 12.1.6.4.5 UART Interrupt Requests
            1. 12.1.6.4.5.1 UART Mode Interrupt Management
              1. 12.1.6.4.5.1.1 UART Interrupts
              2. 12.1.6.4.5.1.2 Wake-Up Interrupt
            2. 12.1.6.4.5.2 IrDA Mode Interrupt Management
              1. 12.1.6.4.5.2.1 IrDA Interrupts
              2. 12.1.6.4.5.2.2 Wake-Up Interrupts
            3. 12.1.6.4.5.3 CIR Mode Interrupt Management
              1. 12.1.6.4.5.3.1 CIR Interrupts
              2. 12.1.6.4.5.3.2 Wake-Up Interrupts
          6. 12.1.6.4.6 UART FIFO Management
            1. 12.1.6.4.6.1 FIFO Trigger
              1. 12.1.6.4.6.1.1 Transmit FIFO Trigger
              2. 12.1.6.4.6.1.2 Receive FIFO Trigger
            2. 12.1.6.4.6.2 FIFO Interrupt Mode
            3. 12.1.6.4.6.3 FIFO Polled Mode Operation
            4. 12.1.6.4.6.4 FIFO DMA Mode Operation
              1. 12.1.6.4.6.4.1 DMA sequence to disable TX DMA
              2. 12.1.6.4.6.4.2 DMA Transfers (DMA Mode 1, 2, or 3)
              3. 12.1.6.4.6.4.3 DMA Transmission
              4. 12.1.6.4.6.4.4 DMA Reception
          7. 12.1.6.4.7 UART Mode Selection
            1. 12.1.6.4.7.1 Register Access Modes
              1. 12.1.6.4.7.1.1 Operational Mode and Configuration Modes
              2. 12.1.6.4.7.1.2 Register Access Submode
              3. 12.1.6.4.7.1.3 Registers Available for the Register Access Modes
            2. 12.1.6.4.7.2 UART/RS-485/IrDA (SIR, MIR, FIR)/CIR Mode Selection
              1. 12.1.6.4.7.2.1 Registers Available for the UART Function
              2. 12.1.6.4.7.2.2 Registers Available for the IrDA Function
              3. 12.1.6.4.7.2.3 Registers Available for the CIR Function
          8. 12.1.6.4.8 UART Protocol Formatting
            1. 12.1.6.4.8.1 UART Mode
              1. 12.1.6.4.8.1.1 UART Clock Generation: Baud Rate Generation
              2. 12.1.6.4.8.1.2 Choosing the Appropriate Divisor Value
              3. 12.1.6.4.8.1.3 UART Data Formatting
                1. 12.1.6.4.8.1.3.1 Frame Formatting
                2. 12.1.6.4.8.1.3.2 Hardware Flow Control
                3. 12.1.6.4.8.1.3.3 Software Flow Control
                  1. 1.6.4.8.1.3.3.1 Receive (RX)
                  2. 1.6.4.8.1.3.3.2 Transmit (TX)
                4. 12.1.6.4.8.1.3.4 Autobauding Modes
                5. 12.1.6.4.8.1.3.5 Error Detection
                6. 12.1.6.4.8.1.3.6 Overrun During Receive
                7. 12.1.6.4.8.1.3.7 Time-Out and Break Conditions
                  1. 1.6.4.8.1.3.7.1 Time-Out Counter
                  2. 1.6.4.8.1.3.7.2 Break Condition
            2. 12.1.6.4.8.2 RS-485 Mode
              1. 12.1.6.4.8.2.1 RS-485 External Transceiver Direction Control
            3. 12.1.6.4.8.3 IrDA Mode
              1. 12.1.6.4.8.3.1 IrDA Clock Generation: Baud Generator
              2. 12.1.6.4.8.3.2 Choosing the Appropriate Divisor Value
              3. 12.1.6.4.8.3.3 IrDA Data Formatting
                1. 12.1.6.4.8.3.3.1  IR RX Polarity Control
                2. 12.1.6.4.8.3.3.2  IrDA Reception Control
                3. 12.1.6.4.8.3.3.3  IR Address Checking
                4. 12.1.6.4.8.3.3.4  Frame Closing
                5. 12.1.6.4.8.3.3.5  Store and Controlled Transmission
                6. 12.1.6.4.8.3.3.6  Error Detection
                7. 12.1.6.4.8.3.3.7  Underrun During Transmission
                8. 12.1.6.4.8.3.3.8  Overrun During Receive
                9. 12.1.6.4.8.3.3.9  Status FIFO
                10. 12.1.6.4.8.3.3.10 Multi-drop Parity Mode with Address Match
                11. 12.1.6.4.8.3.3.11 Time-guard
              4. 12.1.6.4.8.3.4 SIR Mode Data Formatting
                1. 12.1.6.4.8.3.4.1 Abort Sequence
                2. 12.1.6.4.8.3.4.2 Pulse Shaping
                3. 12.1.6.4.8.3.4.3 SIR Free Format Programming
              5. 12.1.6.4.8.3.5 MIR and FIR Mode Data Formatting
            4. 12.1.6.4.8.4 CIR Mode
              1. 12.1.6.4.8.4.1 CIR Mode Clock Generation
              2. 12.1.6.4.8.4.2 CIR Data Formatting
                1. 12.1.6.4.8.4.2.1 IR RX Polarity Control
                2. 12.1.6.4.8.4.2.2 CIR Transmission
                3. 12.1.6.4.8.4.2.3 CIR Reception
        5. 12.1.6.5 UART Programming Guide
          1. 12.1.6.5.1 UART Global Initialization
            1. 12.1.6.5.1.1 Surrounding Modules Global Initialization
            2. 12.1.6.5.1.2 UART Module Global Initialization
          2. 12.1.6.5.2 UART Mode selection
          3. 12.1.6.5.3 UART Submode selection
          4. 12.1.6.5.4 UART Load FIFO trigger and DMA mode settings
            1. 12.1.6.5.4.1 DMA mode Settings
            2. 12.1.6.5.4.2 FIFO Trigger Settings
          5. 12.1.6.5.5 UART Protocol, Baud rate and interrupt settings
            1. 12.1.6.5.5.1 Baud rate settings
            2. 12.1.6.5.5.2 Interrupt settings
            3. 12.1.6.5.5.3 Protocol settings
            4. 12.1.6.5.5.4 UART/RS-485/IrDA(SIR/MIR/FIR)/CIR
            5. 12.1.6.5.5.5 UART Multi-drop Parity Address Match Mode Configuration
          6. 12.1.6.5.6 UART Hardware and Software Flow Control Configuration
            1. 12.1.6.5.6.1 Hardware Flow Control Configuration
            2. 12.1.6.5.6.2 Software Flow Control Configuration
          7. 12.1.6.5.7 IrDA Programming Model
            1. 12.1.6.5.7.1 SIR mode
              1. 12.1.6.5.7.1.1 Receive
              2. 12.1.6.5.7.1.2 Transmit
            2. 12.1.6.5.7.2 MIR mode
              1. 12.1.6.5.7.2.1 Receive
              2. 12.1.6.5.7.2.2 Transmit
            3. 12.1.6.5.7.3 FIR mode
              1. 12.1.6.5.7.3.1 Receive
              2. 12.1.6.5.7.3.2 Transmit
        6. 12.1.6.6 UART Registers
    2. 12.2 High-speed Serial Interfaces
      1. 12.2.1 Gigabit Ethernet MAC (MCU_CPSW0)
        1. 12.2.1.1 MCU_CPSW0 Overview
          1. 12.2.1.1.1 MCU_CPSW0 Features
          2. 12.2.1.1.2 MCU_CPSW0 Not Supported Features
          3. 12.2.1.1.3 Terminology
        2. 12.2.1.2 MCU_CPSW0 Environment
          1. 12.2.1.2.1 MCU_CPSW0 RMII Interface
          2. 12.2.1.2.2 MCU_CPSW0 RGMII Interface
        3. 12.2.1.3 MCU_CPSW0 Integration
        4. 12.2.1.4 MCU_CPSW0 Functional Description
          1. 12.2.1.4.1 Functional Block Diagram
          2. 12.2.1.4.2 CPSW Ports
            1. 12.2.1.4.2.1 Interface Mode Selection
          3. 12.2.1.4.3 Clocking
            1. 12.2.1.4.3.1 Subsystem Clocking
            2. 12.2.1.4.3.2 Interface Clocking
              1. 12.2.1.4.3.2.1 RGMII Interface Clocking
              2. 12.2.1.4.3.2.2 RMII Interface Clocking
              3. 12.2.1.4.3.2.3 MDIO Clocking
          4. 12.2.1.4.4 Software IDLE
          5. 12.2.1.4.5 Interrupt Functionality
            1. 12.2.1.4.5.1 EVNT_PEND Interrupt
            2. 12.2.1.4.5.2 Statistics Interrupt (STAT_PEND0)
            3. 12.2.1.4.5.3 ECC DED Level Interrupt (ECC_DED_INT)
            4. 12.2.1.4.5.4 ECC SEC Level Interrupt (ECC_SEC_INT)
            5. 12.2.1.4.5.5 MDIO Interrupts
          6. 12.2.1.4.6 CPSW_2G
            1. 12.2.1.4.6.1  Address Lookup Engine (ALE)
              1. 12.2.1.4.6.1.1  Error Handling
              2. 12.2.1.4.6.1.2  Bypass Operations
              3. 12.2.1.4.6.1.3  OUI Deny or Accept
              4. 12.2.1.4.6.1.4  Statistics Counting
              5. 12.2.1.4.6.1.5  Automotive Security Features
              6. 12.2.1.4.6.1.6  CPSW Switching Solutions
                1. 12.2.1.4.6.1.6.1 Basics of 2-port Switch Type
              7. 12.2.1.4.6.1.7  VLAN Routing and OAM Operations
                1. 12.2.1.4.6.1.7.1 InterVLAN Routing
                2. 12.2.1.4.6.1.7.2 OAM Operations
              8. 12.2.1.4.6.1.8  Supervisory packets
              9. 12.2.1.4.6.1.9  Address Table Entry
                1. 12.2.1.4.6.1.9.1 Free Table Entry
                2. 12.2.1.4.6.1.9.2 Multicast Address Table Entry
                3. 12.2.1.4.6.1.9.3 VLAN/Multicast Address Table Entry
                4. 12.2.1.4.6.1.9.4 Unicast Address Table Entry
                5. 12.2.1.4.6.1.9.5 OUI Unicast Address Table Entry
                6. 12.2.1.4.6.1.9.6 VLAN/Unicast Address Table Entry
                7. 12.2.1.4.6.1.9.7 VLAN Table Entry
              10. 12.2.1.4.6.1.10 ALE Policing and Classification
                1. 12.2.1.4.6.1.10.1 ALE Classification
                  1. 2.1.4.6.1.10.1.1 Classifier to CPPI Transmit Flow ID Mapping
              11. 12.2.1.4.6.1.11 DSCP
              12. 12.2.1.4.6.1.12 Packet Forwarding Processes
                1. 12.2.1.4.6.1.12.1 Ingress Filtering Process
                2. 12.2.1.4.6.1.12.2 VLAN_Aware Lookup Process
                3. 12.2.1.4.6.1.12.3 Egress Process
                4. 12.2.1.4.6.1.12.4 Learning/Updating/Touching Processes
                  1. 2.1.4.6.1.12.4.1 Learning Process
                  2. 2.1.4.6.1.12.4.2 Updating Process
                  3. 2.1.4.6.1.12.4.3 Touching Process
              13. 12.2.1.4.6.1.13 VLAN Aware Mode
              14. 12.2.1.4.6.1.14 VLAN Unaware Mode
            2. 12.2.1.4.6.2  Packet Priority Handling
              1. 12.2.1.4.6.2.1 Priority Mapping and Transmit VLAN Priority
            3. 12.2.1.4.6.3  CPPI Port Ingress
            4. 12.2.1.4.6.4  Packet CRC Handling
              1. 12.2.1.4.6.4.1 Transmit VLAN Processing
                1. 12.2.1.4.6.4.1.1 Untagged Packets (No VLAN or Priority Tag Header)
                2. 12.2.1.4.6.4.1.2 Priority Tagged Packets (VLAN VID == 0 && EN_VID0_MODE ==0h)
                3. 12.2.1.4.6.4.1.3 VLAN Tagged Packets (VLAN VID != 0 || (EN_VID0_MODE ==1h && VLAN VID ==0))
              2. 12.2.1.4.6.4.2 Ethernet Port Ingress Packet CRC
              3. 12.2.1.4.6.4.3 Ethernet Port Egress Packet CRC
              4. 12.2.1.4.6.4.4 CPPI Port Ingress Packet CRC
              5. 12.2.1.4.6.4.5 CPPI Port Egress Packet CRC
            5. 12.2.1.4.6.5  FIFO Memory Control
            6. 12.2.1.4.6.6  FIFO Transmit Queue Control
              1. 12.2.1.4.6.6.1 CPPI Port Receive Rate Limiting
              2. 12.2.1.4.6.6.2 Ethernet Port Transmit Rate Limiting
            7. 12.2.1.4.6.7  Intersperced Express Traffic (IET – P802.3br/D2.0)
              1. 12.2.1.4.6.7.1 IET Configuration
            8. 12.2.1.4.6.8  Enhanced Scheduled Traffic (EST – P802.1Qbv/D2.2)
              1. 12.2.1.4.6.8.1 Enhanced Scheduled Traffic Overview
              2. 12.2.1.4.6.8.2 Enhanced Scheduled Traffic Fetch RAM
              3. 12.2.1.4.6.8.3 Enhanced Scheduled Traffic Time Interval
              4. 12.2.1.4.6.8.4 Enhanced Scheduled Traffic Fetch Values
              5. 12.2.1.4.6.8.5 Enhanced Scheduled Traffic Packet Fill
              6. 12.2.1.4.6.8.6 Enhanced Scheduled Traffic Time Stamp
              7. 12.2.1.4.6.8.7 Enhanced Scheduled Traffic Packets Per Priority
            9. 12.2.1.4.6.9  Audio Video Bridging
              1. 12.2.1.4.6.9.1 IEEE 802.1AS: Timing and Synchronization for Time-Sensitive Applications in Bridged Local Area Networks (Precision Time Protocol (PTP))
                1. 12.2.1.4.6.9.1.1 IEEE 1722: "Layer 2 Transport Protocol for Time-Sensitive Streams"
                  1. 2.1.4.6.9.1.1.1 Cross-timestamping and Presentation Timestamps
                2. 12.2.1.4.6.9.1.2 IEEE 1733: Extends RTCP for RTP Streaming over AVB-supported Networks
              2. 12.2.1.4.6.9.2 IEEE 802.1Qav: "Virtual Bridged Local Area Networks: Forwarding and Queuing for Time-Sensitive Streams"
                1. 12.2.1.4.6.9.2.1 Configuring the Device for 802.1Qav Operation
            10. 12.2.1.4.6.10 Ethernet MAC Sliver
              1. 12.2.1.4.6.10.1 1947
                1. 12.2.1.4.6.10.1.1 1948
                  1. 2.1.4.6.10.1.1.1 CRC Insertion
                  2. 2.1.4.6.10.1.1.2 MTXER
                  3. 2.1.4.6.10.1.1.3 Adaptive Performance Optimization (APO)
                  4. 2.1.4.6.10.1.1.4 Inter-Packet-Gap Enforcement
                  5. 2.1.4.6.10.1.1.5 Back Off
                  6. 2.1.4.6.10.1.1.6 Programmable Transmit Inter-Packet Gap
                  7. 2.1.4.6.10.1.1.7 Speed, Duplex and Pause Frame Support Negotiation
              2. 12.2.1.4.6.10.2 RMII Interface
                1. 12.2.1.4.6.10.2.1 Features
                2. 12.2.1.4.6.10.2.2 RMII Receive (RX)
                3. 12.2.1.4.6.10.2.3 RMII Transmit (TX)
              3. 12.2.1.4.6.10.3 RGMII Interface
                1. 12.2.1.4.6.10.3.1 Features
                2. 12.2.1.4.6.10.3.2 RGMII Receive (RX)
                3. 12.2.1.4.6.10.3.3 In-Band Mode of Operation
                4. 12.2.1.4.6.10.3.4 Forced Mode of Operation
                5. 12.2.1.4.6.10.3.5 RGMII Transmit (TX)
              4. 12.2.1.4.6.10.4 Frame Classification
              5. 12.2.1.4.6.10.5 Receive FIFO Architecture
            11. 12.2.1.4.6.11 Embedded Memories
            12. 12.2.1.4.6.12 Memory Error Detection and Correction
              1. 12.2.1.4.6.12.1 Packet Header ECC
              2. 12.2.1.4.6.12.2 Packet Protect CRC
              3. 12.2.1.4.6.12.3 Aggregator RAM Control
            13. 12.2.1.4.6.13 Ethernet Port Flow Control
              1. 12.2.1.4.6.13.1 Ethernet Receive Flow Control
                1. 12.2.1.4.6.13.1.1 Collision Based Receive Buffer Flow Control
                2. 12.2.1.4.6.13.1.2 IEEE 802.3X Based Receive Flow Control
              2. 12.2.1.4.6.13.2 Flow Control Trigger
              3. 12.2.1.4.6.13.3 Ethernet Transmit Flow Control
            14. 12.2.1.4.6.14 Energy Efficient Ethernet Support (802.3az)
            15. 12.2.1.4.6.15 Ethernet Switch Latency
            16. 12.2.1.4.6.16 MAC Emulation Control
            17. 12.2.1.4.6.17 MAC Command IDLE
            18. 12.2.1.4.6.18 CPSW Network Statistics
              1. 12.2.1.4.6.18.1  Rx-only Statistics Descriptions
                1. 12.2.1.4.6.18.1.1  Good Rx Frames (Offset = 3A000h - Port 0 or Offset = 3A200h - Port 1)
                2. 12.2.1.4.6.18.1.2  Broadcast Rx Frames (Offset = 3A004h - Port 0 or Offset = 3A204h - Port 1)
                3. 12.2.1.4.6.18.1.3  Multicast Rx Frames (Offset = 3A008h - Port 0 or Offset = 3A208h - Port 1)
                4. 12.2.1.4.6.18.1.4  Pause Rx Frames (Offset = 3A20Ch - Port 1)
                5. 12.2.1.4.6.18.1.5  Rx CRC Errors (Offset = 3A010h - Port 0 or Offset = 3A210h - Port 1)
                6. 12.2.1.4.6.18.1.6  Rx Align/Code Errors (Offset = 3A214h - Port 1)
                7. 12.2.1.4.6.18.1.7  Oversize Rx Frames (Offset = 3A018h - Port 0 or Offset = 3A218h - Port 1)
                8. 12.2.1.4.6.18.1.8  Rx Jabbers (Offset = 3A21Ch - Port 1)
                9. 12.2.1.4.6.18.1.9  Undersize (Short) Rx Frames (Offset = 3A020h- Port 0 or Offset = 3A220h - Port 1)
                10. 12.2.1.4.6.18.1.10 Rx Fragments (Offset = 3A024h - Port 0 or Offset = 3A224h - Port 1)
                11. 12.2.1.4.6.18.1.11 RX IPG Error (Offset = 3A25Ch - Port 1)
                12. 12.2.1.4.6.18.1.12 ALE Drop (Offset = 3A028h - Port 0 or Offset = 3A228h - Port 1)
                13. 12.2.1.4.6.18.1.13 ALE Overrun Drop (Offset = 3A02Ch - Port 0 or Offset = 3A22Ch - Port 1)
                14. 12.2.1.4.6.18.1.14 Rx Octets (Offset = 3A030h - Port 0 or Offset = 3A230h - Port 1)
                15. 12.2.1.4.6.18.1.15 Rx Bottom of FIFO Drop (Offset = 3A084h - Port 0 or Offset = 3A284h - Port 1)
                16. 12.2.1.4.6.18.1.16 Portmask Drop (Offset = 3A088h - Port 0 or Offset = 3A288h - Port 1)
                17. 12.2.1.4.6.18.1.17 Rx Top of FIFO Drop (Offset = 3A08Ch - Port 0 or Offset = 3A28Ch - Port 1)
                18. 12.2.1.4.6.18.1.18 ALE Rate Limit Drop (Offset = 3A090h - Port 0 or Offset = 3A290h - Port 1)
                19. 12.2.1.4.6.18.1.19 ALE VLAN Ingress Check Drop (Offset = 3A094h - Port 0 or Offset = 3A294h - Port 1)
                  1. 2.1.4.6.18.1.19.1  ALE DA=SA Drop (Offset = 3A098h - Port 0 or Offset = 3A298h - Port 1)
                  2. 2.1.4.6.18.1.19.2  Block Address Drop (Offset = 3A09Ch - Port 0 or Offset = 3A29Ch - Port 1)
                  3. 2.1.4.6.18.1.19.3  ALE Secure Drop (Offset = 3A0A0h - Port 0 or Offset = 3A2A0h - Port 1)
                  4. 2.1.4.6.18.1.19.4  ALE Authentication Drop (Offset = 3A0A4h - Port 0 or Offset = 3A2A4h - Port 1)
                  5. 2.1.4.6.18.1.19.5  ALE Unknown Unicast (Offset = 3A0A8h - Port 0 or Offset = 3A2A8h - Port 1)
                  6. 2.1.4.6.18.1.19.6  ALE Unknown Unicast Bytecount (Offset = 3A0ACh - Port 0 or Offset = 3A2ACh - Port 1)
                  7. 2.1.4.6.18.1.19.7  ALE Unknown Multicast (Offset = 3A0B0h - Port 0 or Offset = 3A2B0h - Port 1)
                  8. 2.1.4.6.18.1.19.8  ALE Unknown Multicast Bytecount (Offset = 3A0B4h - Port 0 or Offset = 3A2B4h - Port 1)
                  9. 2.1.4.6.18.1.19.9  ALE Unknown Broadcast (Offset = 3A0B8h - Port 0 or Offset = 3A2B8h - Port 1)
                  10. 2.1.4.6.18.1.19.10 ALE Unknown Broadcast Bytecount (Offset = 3A0BCh - Port 0 or Offset = 3A2BCh - Port 1)
                  11. 2.1.4.6.18.1.19.11 ALE Policer/Classifier Match (Offset = 3A0C0h - Port 0 or Offset = 3A2C0h - Port 1)
              2. 12.2.1.4.6.18.2  ALE Policer Match Red (Offset = 3A0C4h - Port 0 or Offset = 3A2C4h - Port 1)
              3. 12.2.1.4.6.18.3  ALE Policer Match Yellow (Offset = 3A0C8h - Port 0 or Offset = 3A2C8h - Port 1)
              4. 12.2.1.4.6.18.4  IET Receive Assembly Error (Offset = 3A140h - Port 0 or Offset = 3A340h - Port 1)
              5. 12.2.1.4.6.18.5  IET Receive Assembly OK (Offset = 3A144h - Port 0 or Offset = 3A344h - Port 1)
              6. 12.2.1.4.6.18.6  IET Receive SMD Error (Offset = 3A148h - Port 0 or Offset = 3A348h - Port 1)
              7. 12.2.1.4.6.18.7  IET Receive Merge Fragment Count (Offset = 3A14Ch - Port 0 or Offset = 3A34Ch - Port 1)
              8. 12.2.1.4.6.18.8  Tx-only Statistics Descriptions
                1. 12.2.1.4.6.18.8.1  Good Tx Frames (Offset = 3A034h - Port 0 or Offset = 3A234h - Port 1)
                2. 12.2.1.4.6.18.8.2  Broadcast Tx Frames (Offset = 3A038h - Port 0 or Offset = 3A238h - Port 1)
                3. 12.2.1.4.6.18.8.3  Multicast Tx Frames (Offset = 3A03Ch - Port 0 or Offset = 3A23Ch - Port 1)
                4. 12.2.1.4.6.18.8.4  Pause Tx Frames (Offset = 3A240h - Port 1)
                5. 12.2.1.4.6.18.8.5  Deferred Tx Frames (Offset = 3A244h - Port 1)
                6. 12.2.1.4.6.18.8.6  Collisions (Offset = 3A248h - Port 1)
                7. 12.2.1.4.6.18.8.7  Single Collision Tx Frames (Offset = 3A24Ch - Port 1)
                8. 12.2.1.4.6.18.8.8  Multiple Collision Tx Frames (Offset = 3A250h - Port 1)
                9. 12.2.1.4.6.18.8.9  Excessive Collisions (Offset = 3A254h - Port 1)
                10. 12.2.1.4.6.18.8.10 Late Collisions (Offset = 3A258h - Port 1)
                11. 12.2.1.4.6.18.8.11 Carrier Sense Errors (Offset = 3A260h - Port 1)
                12. 12.2.1.4.6.18.8.12 Tx Octets (Offset = 3A064h - Port 0 or Offset = 3A264h - Port 1 )
                13. 12.2.1.4.6.18.8.13 Transmit Priority 0-7 (Offset = 3A380h to 3A3A8h - Port 1)
                14. 12.2.1.4.6.18.8.14 Transmit Priority 0-7 Drop (Offset = 3A3C0h to 3A3E8 - Port 1)
                15. 12.2.1.4.6.18.8.15 Tx Memory Protect Errors (Offset = 3A17Ch - Port 0 or Offset = 3A37Ch - Port 1)
                16. 12.2.1.4.6.18.8.16 IET Transmit Merge Hold Count (Offset = 3A350h - Port 1)
                17. 12.2.1.4.6.18.8.17 IET Transmit Merge Fragment Count (Offset = 3A154h - Port 0 or Offset = 3A354h - Port 1)
              9. 12.2.1.4.6.18.9  Rx- and Tx (Shared) Statistics Descriptions
                1. 12.2.1.4.6.18.9.1 Rx + Tx 64 Octet Frames (Offset = 3A068h - Port 0 or Offset = 3A268h - Port 1)
                2. 12.2.1.4.6.18.9.2 Rx + Tx 65–127 Octet Frames (Offset = 3A06Ch - Port 0 or Offset = 3A26Ch - Port 1)
                3. 12.2.1.4.6.18.9.3 Rx + Tx 128–255 Octet Frames (Offset = 3A070h - Port 0 or Offset = 3A270h - Port 1)
                4. 12.2.1.4.6.18.9.4 Rx + Tx 256–511 Octet Frames (Offset = 3A074h - Port 0 or Offset = 3A274h - Port 1)
                5. 12.2.1.4.6.18.9.5 Rx + Tx 512–1023 Octet Frames (Offset = 3A078h - Port 0 or Offset = 3A278h - Port 1)
                6. 12.2.1.4.6.18.9.6 Rx + Tx 1024_Up Octet Frames (Offset = 3A07Ch - Port 0 or Offset = 3A27Ch - Port 1)
                7. 12.2.1.4.6.18.9.7 Net Octets (Offset = 3A080h - Port 0 or Offset = 3A280h - Port 1)
              10. 12.2.1.4.6.18.10 2047
          7. 12.2.1.4.7 Common Platform Time Sync (CPTS)
            1. 12.2.1.4.7.1  MCU_CPSW0 CPTS Integration
            2. 12.2.1.4.7.2  CPTS Architecture
            3. 12.2.1.4.7.3  CPTS Initialization
            4. 12.2.1.4.7.4  32-bit Time Stamp Value
            5. 12.2.1.4.7.5  64-bit Time Stamp Value
            6. 12.2.1.4.7.6  64-Bit Timestamp Nudge
            7. 12.2.1.4.7.7  64-bit Timestamp PPM
            8. 12.2.1.4.7.8  Event FIFO
            9. 12.2.1.4.7.9  Timestamp Compare Output
              1. 12.2.1.4.7.9.1 Non-Toggle Mode: 32-bit
              2. 12.2.1.4.7.9.2 Non-Toggle Mode: 64-bit
              3. 12.2.1.4.7.9.3 Toggle Mode: 32-bit
              4. 12.2.1.4.7.9.4 Toggle Mode: 64-bit
            10. 12.2.1.4.7.10 Timestamp Sync Output
            11. 12.2.1.4.7.11 Timestamp GENFn Output
              1. 12.2.1.4.7.11.1 GENFn Nudge
              2. 12.2.1.4.7.11.2 GENFn PPM
            12. 12.2.1.4.7.12 Timestamp ESTFn
            13. 12.2.1.4.7.13 Time Sync Events
              1. 12.2.1.4.7.13.1 Time Stamp Push Event
              2. 12.2.1.4.7.13.2 Time Stamp Counter Rollover Event (32-bit mode only)
              3. 12.2.1.4.7.13.3 Time Stamp Counter Half-rollover Event (32-bit mode only)
              4. 12.2.1.4.7.13.4 Hardware Time Stamp Push Event
              5. 12.2.1.4.7.13.5 Ethernet Port Events
                1. 12.2.1.4.7.13.5.1 Ethernet Port Receive Event
                2. 12.2.1.4.7.13.5.2 Ethernet Port Transmit Event
                3. 12.2.1.4.7.13.5.3 2075
            14. 12.2.1.4.7.14 Timestamp Compare Event
              1. 12.2.1.4.7.14.1 32-Bit Mode
              2. 12.2.1.4.7.14.2 64-Bit Mode
            15. 12.2.1.4.7.15 Host Transmit Event
            16. 12.2.1.4.7.16 CPTS Interrupt Handling
          8. 12.2.1.4.8 CPPI Streaming Packet Interface
            1. 12.2.1.4.8.1 Port 0 CPPI Transmit Packet Streaming Interface (CPSW_2G Egress)
            2. 12.2.1.4.8.2 Port 0 CPPI Receive Packet Streaming Interface (CPSW_2G Ingress)
            3. 12.2.1.4.8.3 CPPI Checksum Offload
              1. 12.2.1.4.8.3.1 CPPI Transmit Checksum Offload
                1. 12.2.1.4.8.3.1.1 IPV4 UDP
                2. 12.2.1.4.8.3.1.2 IPV4 TCP
                3. 12.2.1.4.8.3.1.3 IPV6 UDP
                4. 12.2.1.4.8.3.1.4 IPV6 TCP
            4. 12.2.1.4.8.4 CPPI Receive Checksum Offload
            5. 12.2.1.4.8.5 Egress Packet Operations
          9. 12.2.1.4.9 MII Management Interface (MDIO)
            1. 12.2.1.4.9.1 MDIO Frame Formats
            2. 12.2.1.4.9.2 MDIO Functional Description
        5. 12.2.1.5 MCU_CPSW0 Programming Guide
          1. 12.2.1.5.1 Initialization and Configuration of CPSW Subsystem
          2. 12.2.1.5.2 CPSW Reset
          3. 12.2.1.5.3 MDIO Software Interface
            1. 12.2.1.5.3.1 Initializing the MDIO Module
            2. 12.2.1.5.3.2 Writing Data To a PHY Register
            3. 12.2.1.5.3.3 Reading Data From a PHY Register
        6. 12.2.1.6 MCU_CPSW0 Registers
          1. 12.2.1.6.1  MCU_CPSW0_NUSS Subsystem (SS) Registers
          2. 12.2.1.6.2  MCU_CPSW0_SGMII Registers
          3. 12.2.1.6.3  MCU_CPSW0_MDIO Registers
          4. 12.2.1.6.4  MCU_CPSW0_CPTS Registers
          5. 12.2.1.6.5  MCU_CPSW0_CONTROL Registers
          6. 12.2.1.6.6  MCU_CPSW0_CPINT Registers
          7. 12.2.1.6.7  MCU_CPSW0_RAM Registers
          8. 12.2.1.6.8  MCU_CPSW0_STAT0 Registers
          9. 12.2.1.6.9  MCU_CPSW0_STAT1 Registers
          10. 12.2.1.6.10 MCU_CPSW0_ALE Registers
          11. 12.2.1.6.11 MCU_CPSW0_ECC Registers
      2. 12.2.2 Gigabit Ethernet Switch (CPSW0)
        1. 12.2.2.1 CPSW0 Overview
          1. 12.2.2.1.1 CPSW0 Features
          2. 12.2.2.1.2 CPSW0 Not Supported Features
          3. 12.2.2.1.3 Terminology
        2. 12.2.2.2 CPSW0 Environment
          1. 12.2.2.2.1 CPSW0 RMII Interface
          2. 12.2.2.2.2 CPSW0 RGMII Interface
        3. 12.2.2.3 CPSW0 Integration
        4. 12.2.2.4 CPSW0 Functional Description
          1. 12.2.2.4.1 Functional Block Diagram
          2. 12.2.2.4.2 CPSW Ports
            1. 12.2.2.4.2.1 Interface Mode Selection
          3. 12.2.2.4.3 Clocking
            1. 12.2.2.4.3.1 Subsystem Clocking
            2. 12.2.2.4.3.2 Interface Clocking
              1. 12.2.2.4.3.2.1 RGMII Interface Clocking
              2. 12.2.2.4.3.2.2 RMII Interface Clocking
              3. 12.2.2.4.3.2.3 MDIO Clocking
          4. 12.2.2.4.4 Software IDLE
          5. 12.2.2.4.5 Interrupt Functionality
            1. 12.2.2.4.5.1 EVNT_PEND Interrupt
            2. 12.2.2.4.5.2 Statistics Interrupt (STAT_PEND0)
            3. 12.2.2.4.5.3 ECC DED Level Interrupt (ECC_DED_INT)
            4. 12.2.2.4.5.4 ECC SEC Level Interrupt (ECC_SEC_INT)
            5. 12.2.2.4.5.5 MDIO Interrupts
          6. 12.2.2.4.6 CPSW_5X
            1. 12.2.2.4.6.1  Address Lookup Engine (ALE)
              1. 12.2.2.4.6.1.1  Error Handling
              2. 12.2.2.4.6.1.2  Bypass Operations
              3. 12.2.2.4.6.1.3  OUI Deny or Accept
              4. 12.2.2.4.6.1.4  Statistics Counting
              5. 12.2.2.4.6.1.5  Automotive Security Features
              6. 12.2.2.4.6.1.6  CPSW Switching Solutions
                1. 12.2.2.4.6.1.6.1 Basics of 5-port Switch Type
              7. 12.2.2.4.6.1.7  VLAN Routing and OAM Operations
                1. 12.2.2.4.6.1.7.1 InterVLAN Routing
                2. 12.2.2.4.6.1.7.2 OAM Operations
              8. 12.2.2.4.6.1.8  Supervisory packets
              9. 12.2.2.4.6.1.9  Address Table Entry
                1. 12.2.2.4.6.1.9.1  Free Table Entry
                2. 12.2.2.4.6.1.9.2  Multicast Address Table Entry (Bit 40 == 0)
                3. 12.2.2.4.6.1.9.3  Multicast Address Table Entry (Bit 40 == 1)
                4. 12.2.2.4.6.1.9.4  VLAN Unicast Address Table Entry (Bit 40 == 0)
                5. 12.2.2.4.6.1.9.5  OUI Unicast Address Table Entry
                6. 12.2.2.4.6.1.9.6  VLAN/Unicast Address Table Entry (Bit 40 == 0)
                7. 12.2.2.4.6.1.9.7  VLAN/ Multicast Address Table Entry (Bit 40 == 1)
                8. 12.2.2.4.6.1.9.8  Inner VLAN Table Entry
                9. 12.2.2.4.6.1.9.9  Outer VLAN Table Entry
                10. 12.2.2.4.6.1.9.10 EtherType Table Entry
                11. 12.2.2.4.6.1.9.11 IPv4 Table Entry
                12. 12.2.2.4.6.1.9.12 IPv6 Table Entry High
                13. 12.2.2.4.6.1.9.13 IPv6 Table Entry Low
              10. 12.2.2.4.6.1.10 Multicast Address
                1. 12.2.2.4.6.1.10.1 Multicast Ranges
              11. 12.2.2.4.6.1.11 Supervisory Packets
              12. 12.2.2.4.6.1.12 Aging and Auto Aging
              13. 12.2.2.4.6.1.13 ALE Policing and Classification
                1. 12.2.2.4.6.1.13.1 ALE Policing
                2. 12.2.2.4.6.1.13.2 Classifier to Host Thread Mapping
                3. 12.2.2.4.6.1.13.3 ALE Classification
                  1. 2.2.4.6.1.13.3.1 Classifier to CPPI Transmit Flow ID Mapping
              14. 12.2.2.4.6.1.14 Mirroring
              15. 12.2.2.4.6.1.15 Trunking
              16. 12.2.2.4.6.1.16 DSCP
              17. 12.2.2.4.6.1.17 Packet Forwarding Processes
                1. 12.2.2.4.6.1.17.1 Ingress Filtering Process
                2. 12.2.2.4.6.1.17.2 VLAN_Aware Lookup Process
                3. 12.2.2.4.6.1.17.3 Egress Process
                4. 12.2.2.4.6.1.17.4 Learning/Updating/Touching Processes
                  1. 2.2.4.6.1.17.4.1 Learning Process
                  2. 2.2.4.6.1.17.4.2 Updating Process
                  3. 2.2.4.6.1.17.4.3 Touching Process
              18. 12.2.2.4.6.1.18 VLAN Aware Mode
              19. 12.2.2.4.6.1.19 VLAN Unaware Mode
            2. 12.2.2.4.6.2  Packet Priority Handling
              1. 12.2.2.4.6.2.1 Priority Mapping and Transmit VLAN Priority
            3. 12.2.2.4.6.3  CPPI Port Ingress
            4. 12.2.2.4.6.4  Packet CRC Handling
              1. 12.2.2.4.6.4.1 Transmit VLAN Processing
                1. 12.2.2.4.6.4.1.1 Untagged Packets (No VLAN or Priority Tag Header)
                2. 12.2.2.4.6.4.1.2 Priority Tagged Packets (VLAN VID == 0 && EN_VID0_MODE ==0h)
                3. 12.2.2.4.6.4.1.3 VLAN Tagged Packets (VLAN VID != 0 || (EN_VID0_MODE ==1h && VLAN VID ==0))
              2. 12.2.2.4.6.4.2 Ethernet Port Ingress Packet CRC
              3. 12.2.2.4.6.4.3 Ethernet Port Egress Packet CRC
              4. 12.2.2.4.6.4.4 CPPI Port Ingress Packet CRC
              5. 12.2.2.4.6.4.5 CPPI Port Egress Packet CRC
            5. 12.2.2.4.6.5  FIFO Memory Control
            6. 12.2.2.4.6.6  FIFO Transmit Queue Control
              1. 12.2.2.4.6.6.1 CPPI Port Receive Rate Limiting
              2. 12.2.2.4.6.6.2 Ethernet Port Transmit Rate Limiting
            7. 12.2.2.4.6.7  Intersperced Express Traffic (IET – P802.3br/D2.0)
              1. 12.2.2.4.6.7.1 IET Configuration
            8. 12.2.2.4.6.8  Enhanced Scheduled Traffic (EST – P802.1Qbv/D2.2)
              1. 12.2.2.4.6.8.1 Enhanced Scheduled Traffic Overview
              2. 12.2.2.4.6.8.2 Enhanced Scheduled Traffic Fetch RAM
              3. 12.2.2.4.6.8.3 Enhanced Scheduled Traffic Time Interval
              4. 12.2.2.4.6.8.4 Enhanced Scheduled Traffic Fetch Values
              5. 12.2.2.4.6.8.5 Enhanced Scheduled Traffic Packet Fill
              6. 12.2.2.4.6.8.6 Enhanced Scheduled Traffic Time Stamp
            9. 12.2.2.4.6.9  Audio Video Bridging
              1. 12.2.2.4.6.9.1 IEEE 802.1AS: Timing and Synchronization for Time-Sensitive Applications in Bridged Local Area Networks (Precision Time Protocol (PTP))
                1. 12.2.2.4.6.9.1.1 IEEE 1722: "Layer 2 Transport Protocol for Time-Sensitive Streams"
                  1. 2.2.4.6.9.1.1.1 Cross-timestamping and Presentation Timestamps
                2. 12.2.2.4.6.9.1.2 IEEE 1733: Extends RTCP for RTP Streaming over AVB-supported Networks
              2. 12.2.2.4.6.9.2 IEEE 802.1Qav: "Virtual Bridged Local Area Networks: Forwarding and Queuing for Time-Sensitive Streams"
                1. 12.2.2.4.6.9.2.1 Configuring the Device for 802.1Qav Operation
            10. 12.2.2.4.6.10 Ethernet MAC Sliver
              1. 12.2.2.4.6.10.1  CRC Insertion
              2. 12.2.2.4.6.10.2  MTXER
              3. 12.2.2.4.6.10.3  Adaptive Performance Optimization (APO)
              4. 12.2.2.4.6.10.4  Inter-Packet-Gap Enforcement
              5. 12.2.2.4.6.10.5  Back Off
              6. 12.2.2.4.6.10.6  Programmable Transmit Inter-Packet Gap
              7. 12.2.2.4.6.10.7  Speed, Duplex and Pause Frame Support Negotiation
              8. 12.2.2.4.6.10.8  RMII Interface
                1. 12.2.2.4.6.10.8.1 Features
                2. 12.2.2.4.6.10.8.2 RMII Receive (RX)
                3. 12.2.2.4.6.10.8.3 RMII Transmit (TX)
              9. 12.2.2.4.6.10.9  RGMII Interface
                1. 12.2.2.4.6.10.9.1 Features
                2. 12.2.2.4.6.10.9.2 RGMII Receive (RX)
                3. 12.2.2.4.6.10.9.3 In-Band Mode of Operation
                4. 12.2.2.4.6.10.9.4 Forced Mode of Operation
                5. 12.2.2.4.6.10.9.5 RGMII Transmit (TX)
              10. 12.2.2.4.6.10.10 Frame Classification
              11. 12.2.2.4.6.10.11 Receive FIFO Architecture
            11. 12.2.2.4.6.11 Embedded Memories
            12. 12.2.2.4.6.12 Memory Error Detection and Correction
              1. 12.2.2.4.6.12.1 Packet Header ECC
              2. 12.2.2.4.6.12.2 Packet Protect CRC
              3. 12.2.2.4.6.12.3 Aggregator RAM Control
            13. 12.2.2.4.6.13 Ethernet Port Flow Control
              1. 12.2.2.4.6.13.1 Ethernet Receive Flow Control
                1. 12.2.2.4.6.13.1.1 Collision Based Receive Buffer Flow Control
                2. 12.2.2.4.6.13.1.2 IEEE 802.3X Based Receive Flow Control
              2. 12.2.2.4.6.13.2 Qbb (10/100/1G/10G) Receive Priority Based Flow Control (PFC)
              3. 12.2.2.4.6.13.3 Ethernet Transmit Flow Control
            14. 12.2.2.4.6.14 PFC Trigger Rules
              1. 12.2.2.4.6.14.1 Destination Based Rule
              2. 12.2.2.4.6.14.2 Sum of Outflows Rule
              3. 12.2.2.4.6.14.3 Sum of Blocks Per Port Rule
              4. 12.2.2.4.6.14.4 Sum of Blocks Total Rule
              5. 12.2.2.4.6.14.5 Top of Receive FIFO Rule
            15. 12.2.2.4.6.15 Energy Efficient Ethernet Support (802.3az)
            16. 12.2.2.4.6.16 Ethernet Switch Latency
            17. 12.2.2.4.6.17 MAC Emulation Control
            18. 12.2.2.4.6.18 MAC Command IDLE
            19. 12.2.2.4.6.19 CPSW Network Statistics
              1. 12.2.2.4.6.19.1  Rx-only Statistics Descriptions
                1. 12.2.2.4.6.19.1.1  Good Rx Frames (Offset = 3A000h)
                2. 12.2.2.4.6.19.1.2  Broadcast Rx Frames (Offset = 3A004h)
                3. 12.2.2.4.6.19.1.3  Multicast Rx Frames (Offset = 3A008h)
                4. 12.2.2.4.6.19.1.4  Pause Rx Frames (Offset = 3A00Ch)
                5. 12.2.2.4.6.19.1.5  Rx CRC Errors (Offset = 3A010h)
                6. 12.2.2.4.6.19.1.6  Rx Align/Code Errors (Offset = 3A014h)
                7. 12.2.2.4.6.19.1.7  Oversize Rx Frames (Offset = 3A018h)
                8. 12.2.2.4.6.19.1.8  Rx Jabbers (Offset = 3A01Ch)
                9. 12.2.2.4.6.19.1.9  Undersize (Short) Rx Frames (Offset = 3A020h)
                10. 12.2.2.4.6.19.1.10 Rx Fragments (Offset = 3A024h)
                11. 12.2.2.4.6.19.1.11 RX IPG Error
                12. 12.2.2.4.6.19.1.12 ALE Drop (Offset = 3A028h)
                13. 12.2.2.4.6.19.1.13 ALE Overrun Drop (Offset = 3A02Ch)
                14. 12.2.2.4.6.19.1.14 Rx Octets (Offset = 3A030h)
                15. 12.2.2.4.6.19.1.15 Rx Bottom of FIFO Drop (Offset = 3A084h)
                16. 12.2.2.4.6.19.1.16 Portmask Drop (Offset = 3A088h)
                17. 12.2.2.4.6.19.1.17 Rx Top of FIFO Drop (Offset = 3A08Ch)
                18. 12.2.2.4.6.19.1.18 ALE Rate Limit Drop (Offset = 3A090h)
                19. 12.2.2.4.6.19.1.19 ALE VLAN Ingress Check Drop (Offset = 3A094h)
                  1. 2.2.4.6.19.1.19.1  ALE DA=SA Drop (Offset = 3A098h)
                  2. 2.2.4.6.19.1.19.2  Block Address Drop (Offset = 3A09Ch)
                  3. 2.2.4.6.19.1.19.3  ALE Secure Drop (Offset = 3A0A0h)
                  4. 2.2.4.6.19.1.19.4  ALE Authentication Drop (Offset = 3A0A4h)
                  5. 2.2.4.6.19.1.19.5  ALE Unknown Unicast (Offset = 3A0A8h)
                  6. 2.2.4.6.19.1.19.6  ALE Unknown Unicast Bytecount (Offset = 3A0ACh)
                  7. 2.2.4.6.19.1.19.7  ALE Unknown Multicast (Offset = 3A0B0h)
                  8. 2.2.4.6.19.1.19.8  ALE Unknown Multicast Bytecount (Offset = 3A0B4h)
                  9. 2.2.4.6.19.1.19.9  ALE Unknown Broadcast (Offset = 3A0B8h)
                  10. 2.2.4.6.19.1.19.10 ALE Unknown Broadcast Bytecount (Offset = 3A0BCh)
                  11. 2.2.4.6.19.1.19.11 ALE Policer/Classifier Match (Offset = 3A0C0h)
              2. 12.2.2.4.6.19.2  ALE Policer Match Red (Offset = 3A0C4h)
              3. 12.2.2.4.6.19.3  ALE Policer Match Yellow (Offset = 3A0C8h)
              4. 12.2.2.4.6.19.4  IET Receive Assembly Error (Offset = 3A140h)
              5. 12.2.2.4.6.19.5  IET Receive Assembly OK (Offset = 3A144h)
              6. 12.2.2.4.6.19.6  IET Receive SMD Error (Offset = 3A148h)
              7. 12.2.2.4.6.19.7  IET Receive Merge Fragment Count (Offset = 3A14Ch)
              8. 12.2.2.4.6.19.8  Tx-only Statistics Descriptions
                1. 12.2.2.4.6.19.8.1  Good Tx Frames (Offset = 3A034h)
                2. 12.2.2.4.6.19.8.2  Broadcast Tx Frames (Offset = 3A038h)
                3. 12.2.2.4.6.19.8.3  Multicast Tx Frames (Offset = 3A03Ch)
                4. 12.2.2.4.6.19.8.4  Pause Tx Frames (Offset = 3A040h)
                5. 12.2.2.4.6.19.8.5  Deferred Tx Frames (Offset = 3A044h)
                6. 12.2.2.4.6.19.8.6  Collisions (Offset = 3A048h)
                7. 12.2.2.4.6.19.8.7  Single Collision Tx Frames (Offset = 3A04Ch)
                8. 12.2.2.4.6.19.8.8  Multiple Collision Tx Frames (Offset = 3A050h)
                9. 12.2.2.4.6.19.8.9  Excessive Collisions (Offset = 3A054h)
                10. 12.2.2.4.6.19.8.10 Late Collisions (Offset = 3A058h)
                11. 12.2.2.4.6.19.8.11 Carrier Sense Errors (Offset = 3A060h)
                12. 12.2.2.4.6.19.8.12 Tx Octets (Offset = 3A064h)
                13. 12.2.2.4.6.19.8.13 Transmit Priority 0-7 (Offset = 3A180h to 3A1A8h)
                14. 12.2.2.4.6.19.8.14 Transmit Priority 0-7 Drop (Offset = 3A1C0h to 3A1E8h)
                15. 12.2.2.4.6.19.8.15 Tx Memory Protect Errors (Offset = 3A17Ch)
                16. 12.2.2.4.6.19.8.16 IET Transmit Merge Fragment Count (Offset = 3A14Ch)
                17. 12.2.2.4.6.19.8.17 IET Transmit Merge Hold Count (Offset = 3A150h)
              9. 12.2.2.4.6.19.9  Rx- and Tx (Shared) Statistics Descriptions
                1. 12.2.2.4.6.19.9.1 Rx + Tx 64 Octet Frames (Offset = 3A068h)
                2. 12.2.2.4.6.19.9.2 Rx + Tx 65–127 Octet Frames (Offset = 3A06Ch)
                3. 12.2.2.4.6.19.9.3 Rx + Tx 128–255 Octet Frames (Offset = 3A070h)
                4. 12.2.2.4.6.19.9.4 Rx + Tx 256–511 Octet Frames (Offset = 3A074h)
                5. 12.2.2.4.6.19.9.5 Rx + Tx 512–1023 Octet Frames (Offset = 3A078h)
                6. 12.2.2.4.6.19.9.6 Rx + Tx 1024_Up Octet Frames (Offset = 3A07Ch)
                7. 12.2.2.4.6.19.9.7 Net Octets (Offset = 3A080h)
              10. 12.2.2.4.6.19.10 2326
          7. 12.2.2.4.7 Common Platform Time Sync (CPTS)
            1. 12.2.2.4.7.1  CPSW0 CPTS Integration
            2. 12.2.2.4.7.2  CPTS Architecture
            3. 12.2.2.4.7.3  CPTS Initialization
            4. 12.2.2.4.7.4  32-bit Time Stamp Value
            5. 12.2.2.4.7.5  64-bit Time Stamp Value
            6. 12.2.2.4.7.6  64-Bit Timestamp Nudge
            7. 12.2.2.4.7.7  64-bit Timestamp PPM
            8. 12.2.2.4.7.8  Event FIFO
            9. 12.2.2.4.7.9  Timestamp Compare Output
              1. 12.2.2.4.7.9.1 Non-Toggle Mode: 32-bit
              2. 12.2.2.4.7.9.2 Non-Toggle Mode: 64-bit
              3. 12.2.2.4.7.9.3 Toggle Mode: 32-bit
              4. 12.2.2.4.7.9.4 Toggle Mode: 64-bit
            10. 12.2.2.4.7.10 Timestamp Sync Output
            11. 12.2.2.4.7.11 Timestamp GENFn Output
              1. 12.2.2.4.7.11.1 GENFn Nudge
              2. 12.2.2.4.7.11.2 GENFn PPM
            12. 12.2.2.4.7.12 Timestamp ESTFn
            13. 12.2.2.4.7.13 Time Sync Events
              1. 12.2.2.4.7.13.1 Time Stamp Push Event
              2. 12.2.2.4.7.13.2 Time Stamp Counter Rollover Event (32-bit mode only)
              3. 12.2.2.4.7.13.3 Time Stamp Counter Half-rollover Event (32-bit mode only)
              4. 12.2.2.4.7.13.4 Hardware Time Stamp Push Event
              5. 12.2.2.4.7.13.5 Ethernet Port Events
                1. 12.2.2.4.7.13.5.1 Ethernet Port Receive Event
                2. 12.2.2.4.7.13.5.2 Ethernet Port Transmit Event
                3. 12.2.2.4.7.13.5.3 2354
            14. 12.2.2.4.7.14 Timestamp Compare Event
              1. 12.2.2.4.7.14.1 32-Bit Mode
              2. 12.2.2.4.7.14.2 64-Bit Mode
            15. 12.2.2.4.7.15 Host Transmit Event
            16. 12.2.2.4.7.16 CPTS Interrupt Handling
          8. 12.2.2.4.8 CPPI Streaming Packet Interface
            1. 12.2.2.4.8.1 Port 0 CPPI Transmit Packet Streaming Interface (CPSW_5X Egress)
            2. 12.2.2.4.8.2 CPPI Receive Packet Streaming Interface (CPSW Ingress)
            3. 12.2.2.4.8.3 CPPI Checksum Offload
              1. 12.2.2.4.8.3.1 CPPI Transmit Checksum Offload
                1. 12.2.2.4.8.3.1.1 IPV4 UDP
                2. 12.2.2.4.8.3.1.2 IPV4 TCP
                3. 12.2.2.4.8.3.1.3 IPV6 UDP
                4. 12.2.2.4.8.3.1.4 IPV6 TCP
            4. 12.2.2.4.8.4 CPPI Receive Checksum Offload
            5. 12.2.2.4.8.5 Egress Packet Operations
          9. 12.2.2.4.9 MII Management Interface (MDIO)
            1. 12.2.2.4.9.1 MDIO Frame Formats
            2. 12.2.2.4.9.2 MDIO Functional Description
        5. 12.2.2.5 CPSW0 Programming Guide
          1. 12.2.2.5.1 Initialization and Configuration of CPSW Subsystem
          2. 12.2.2.5.2 Ethernet MAC Reset or XGMII/GMII Mode Change Configuration
          3. 12.2.2.5.3 MDIO Software Interface
            1. 12.2.2.5.3.1 Initializing the MDIO Module
            2. 12.2.2.5.3.2 Writing Data To a PHY Register
            3. 12.2.2.5.3.3 Reading Data From a PHY Register
        6. 12.2.2.6 CPSW0 Registers
          1. 12.2.2.6.1  CPSW0_NUSS Subsystem (SS) Registers
          2. 12.2.2.6.2  CPSW0_SGMII Registers
          3. 12.2.2.6.3  CPSW0_MDIO Registers
          4. 12.2.2.6.4  CPSW0_CPTS Registers
          5. 12.2.2.6.5  CPSW0_CONTROL Registers
          6. 12.2.2.6.6  CPSW0_CPINT Registers
          7. 12.2.2.6.7  CPSW0_RAM Registers
          8. 12.2.2.6.8  CPSW0_STAT Registers
          9. 12.2.2.6.9  CPSW0_ALE Registers
          10. 12.2.2.6.10 CPSW0_PCSR Registers
          11. 12.2.2.6.11 CPSW0_ECC Registers
      3. 12.2.3 Peripheral Component Interconnect Express (PCIe) Subsystem
        1. 12.2.3.1 PCIe Subsystem Overview
          1. 12.2.3.1.1 PCIe Subsystem Features
          2. 12.2.3.1.2 PCIe Subsystem Not Supported Features
        2. 12.2.3.2 PCIe Subsystem Environment
        3. 12.2.3.3 PCIe Subsystem Integration
        4. 12.2.3.4 PCIe Subsystem Functional Description
          1. 12.2.3.4.1  PCIe Subsystem Block Diagram
            1. 12.2.3.4.1.1 PCIe Core Module
            2. 12.2.3.4.1.2 PCIe PHY Interface
            3. 12.2.3.4.1.3 CBA Infrastructure
            4. 12.2.3.4.1.4 VBUSM to AXI Bridges
            5. 12.2.3.4.1.5 AXI to VBUSM Bridges
            6. 12.2.3.4.1.6 VBUSP to APB Bridge
            7. 12.2.3.4.1.7 Custom Logic
          2. 12.2.3.4.2  PCIe Subsystem Reset Schemes
            1. 12.2.3.4.2.1 PCIe Conventional Reset
            2. 12.2.3.4.2.2 PCIe Function Level Reset
            3. 12.2.3.4.2.3 PCIe Reset Isolation
              1. 12.2.3.4.2.3.1 Root Port Reset with Device Not Reset
              2. 12.2.3.4.2.3.2 Device Reset with Root Port Not Reset
              3. 12.2.3.4.2.3.3 End Point Device Reset with Root Port Not Reset
              4. 12.2.3.4.2.3.4 Device Reset with End Point Device Not Reset
            4. 12.2.3.4.2.4 PCIe Reset Limitations
            5. 12.2.3.4.2.5 PCIe Reset Requirements
          3. 12.2.3.4.3  PCIe Subsystem Power Management
            1. 12.2.3.4.3.1 CBA Power Management
          4. 12.2.3.4.4  PCIe Subsystem Interrupts
            1. 12.2.3.4.4.1 Interrupts Aggregation
            2. 12.2.3.4.4.2 Interrupt Generation in EP Mode
              1. 12.2.3.4.4.2.1 Legacy Interrupt Generation in EP Mode
              2. 12.2.3.4.4.2.2 MSI and MSI-X Interrupt Generation
            3. 12.2.3.4.4.3 Interrupt Reception in EP Mode
              1. 12.2.3.4.4.3.1 PCIe Core Downstream Interrupts
              2. 12.2.3.4.4.3.2 PCIe Core Function Level Reset Interrupts
              3. 12.2.3.4.4.3.3 PCIe Core Power Management Event Interrupts
              4. 12.2.3.4.4.3.4 PCIe Core Hot Reset Request Interrupt
              5. 12.2.3.4.4.3.5 PTM Valid Interrupt
            4. 12.2.3.4.4.4 Interrupt Generation in RP Mode
            5. 12.2.3.4.4.5 Interrupt Reception in RP Mode
              1. 12.2.3.4.4.5.1 PCIe Legacy Interrupt Reception in RP Mode
              2. 12.2.3.4.4.5.2 MSI/MSI-X Interrupt Reception in RP Mode
              3. 12.2.3.4.4.5.3 Advanced Error Reporting Interrupt
            6. 12.2.3.4.4.6 Common Interrupt Reception in RP and EP Modes
              1. 12.2.3.4.4.6.1 PCIe Local Interrupt
              2. 12.2.3.4.4.6.2 PHY Interrupt
              3. 12.2.3.4.4.6.3 Link down Interrupt
              4. 12.2.3.4.4.6.4 Transaction Error Interrupts
              5. 12.2.3.4.4.6.5 Power Management Event Interrupt
              6. 12.2.3.4.4.6.6 Active Internal Diagnostics Interrupts
            7. 12.2.3.4.4.7 ECC Aggregator Interrupts
            8. 12.2.3.4.4.8 CPTS Interrupt
          5. 12.2.3.4.5  PCIe Subsystem DMA Support
            1. 12.2.3.4.5.1 PCIe DMA Support in RP Mode
            2. 12.2.3.4.5.2 PCIe DMA Support in EP Mode
          6. 12.2.3.4.6  PCIe Subsystem Transactions
            1. 12.2.3.4.6.1 PCIe Supported Transactions
            2. 12.2.3.4.6.2 PCIe Transaction Limitations
          7. 12.2.3.4.7  PCIe Subsystem Address Translation
            1. 12.2.3.4.7.1 PCIe Inbound Address Translation
              1. 12.2.3.4.7.1.1 Root Port Inbound PCIe to AXI Address Translation
              2. 12.2.3.4.7.1.2 End Point Inbound PCIe to AXI Address Translation
            2. 12.2.3.4.7.2 PCIe Outbound Address Translation
              1. 12.2.3.4.7.2.1 PCIe Outbound Address Translation Bypass
          8. 12.2.3.4.8  PCIe Subsystem Virtualization Support
            1. 12.2.3.4.8.1 End Point SR-IOV Support
            2. 12.2.3.4.8.2 Root Port ATS Support
            3. 12.2.3.4.8.3 VirtID Mapping
          9. 12.2.3.4.9  PCIe Subsystem Quality-of-Service (QoS)
          10. 12.2.3.4.10 PCIe Subsystem Precision Time Measurement (PTM)
          11. 12.2.3.4.11 PCIe Subsystem Loopback
            1. 12.2.3.4.11.1 PCIe PIPE Loopback
              1. 12.2.3.4.11.1.1 PIPE Loopback Master Mode
              2. 12.2.3.4.11.1.2 PIPE Loopback Slave Mode
          12. 12.2.3.4.12 PCIe Subsystem Error Handling
            1. 12.2.3.4.12.1 PCIe AXI to/from VBUSM Bus Error Mapping
          13. 12.2.3.4.13 PCIe Subsystem Internal Diagnostics Features
            1. 12.2.3.4.13.1 PCIe Parity
            2. 12.2.3.4.13.2 ECC Aggregators
            3. 12.2.3.4.13.3 RAM ECC Inversion
          14. 12.2.3.4.14 LTSSM State Encoding
        5. 12.2.3.5 PCIe Subsystem Registers
          1. 12.2.3.5.1  PCIE_CORE_EP_PF Registers
          2. 12.2.3.5.2  PCIE_CORE_EP_VF Registers
          3. 12.2.3.5.3  PCIE_CORE_RP Registers
          4. 12.2.3.5.4  PCIE_CORE_LM Registers
          5. 12.2.3.5.5  PCIE_CORE_AXI Registers
          6. 12.2.3.5.6  PCIE_INTD Registers
          7. 12.2.3.5.7  PCIE_VMAP Registers
          8. 12.2.3.5.8  PCIE_CPTS Registers
          9. 12.2.3.5.9  PCIE_USER_CFG Registers
          10. 12.2.3.5.10 PCIE_ECC_AGGR0 Registers
          11. 12.2.3.5.11 PCIE_ECC_AGGR1 Registers
          12. 12.2.3.5.12 PCIE_DAT0 Registers
          13. 12.2.3.5.13 PCIE_DAT1 Registers
      4. 12.2.4 Universal Serial Bus (USB) Subsystem
        1. 12.2.4.1 USB Overview
          1. 12.2.4.1.1 USB Features
          2. 12.2.4.1.2 USB Not Supported Features
          3. 12.2.4.1.3 USB Terminology
        2. 12.2.4.2 USB Environment
        3. 12.2.4.3 USB Integration
        4. 12.2.4.4 USB Functional Description
          1. 12.2.4.4.1 USB Type-C Connector Support
          2. 12.2.4.4.2 USB Controller Reset
          3. 12.2.4.4.3 Overcurrent Detection
          4. 12.2.4.4.4 Top-Level Initialization Sequence
        5. 12.2.4.5 USB Registers
          1. 12.2.4.5.1 USB3P0SS_MMR_MMRVBP_USBSS_CMN Registers
          2. 12.2.4.5.2 USB_ECC_AGGR_CFG Registers
          3. 12.2.4.5.3 USB_RAMS_INJ_CFG Registers
      5. 12.2.5 Serializer/Deserializer (SerDes)
        1. 12.2.5.1 SerDes Overview
          1. 12.2.5.1.1 SerDes Features
          2. 12.2.5.1.2 Industry Standards Compatibility
        2. 12.2.5.2 SerDes Environment
          1. 12.2.5.2.1 SerDes I/Os
        3. 12.2.5.3 SerDes Integration
          1. 12.2.5.3.1 WIZ Settings
            1. 12.2.5.3.1.1 Interface Selection
            2. 12.2.5.3.1.2 Reference Clock Distribution
            3. 12.2.5.3.1.3 Internal Reference Clock Selection
        4. 12.2.5.4 SerDes Functional Description
          1. 12.2.5.4.1 SerDes Block Diagram
          2. 12.2.5.4.2 SerDes Programming Guide
    3. 12.3 Memory Interfaces
      1. 12.3.1 Flash Subsystem (FSS)
        1. 12.3.1.1 FSS Overview
          1. 12.3.1.1.1 FSS Features
          2. 12.3.1.1.2 FSS Not Supported Features
        2. 12.3.1.2 FSS Environment
          1. 12.3.1.2.1 FSS Typical Application
        3. 12.3.1.3 FSS Integration
          1. 12.3.1.3.1 FSS Integration in MCU Domain
        4. 12.3.1.4 FSS Functional Description
          1. 12.3.1.4.1 FSS Block Diagram
          2. 12.3.1.4.2 FSS ECC Support
            1. 12.3.1.4.2.1 FSS ECC Calculation
          3. 12.3.1.4.3 FSS Modes of Operation
          4. 12.3.1.4.4 FSS Regions
            1. 12.3.1.4.4.1 FSS Regions Boot Size Configuration
          5. 12.3.1.4.5 FSS Memory Regions
        5. 12.3.1.5 FSS Programming Guide
          1. 12.3.1.5.1 FSS Initialization Sequence
          2. 12.3.1.5.2 FSS Real-Time Operation
          3. 12.3.1.5.3 FSS Power Up/Down Sequence
        6. 12.3.1.6 FSS Registers
      2. 12.3.2 Octal Serial Peripheral Interface (OSPI)
        1. 12.3.2.1 OSPI Overview
          1. 12.3.2.1.1 OSPI Features
          2. 12.3.2.1.2 OSPI Not Supported Features
        2. 12.3.2.2 OSPI Environment
        3. 12.3.2.3 OSPI Integration
          1. 12.3.2.3.1 OSPI Integration in MCU Domain
        4. 12.3.2.4 OSPI Functional Description
          1. 12.3.2.4.1  OSPI Block Diagram
            1. 12.3.2.4.1.1 Data Target Interface
            2. 12.3.2.4.1.2 Configuration Target Interface
            3. 12.3.2.4.1.3 OSPI Clock Domains
          2. 12.3.2.4.2  OSPI Modes
            1. 12.3.2.4.2.1 Read Data Capture
              1. 12.3.2.4.2.1.1 Mechanisms of Data Capturing
              2. 12.3.2.4.2.1.2 Data Capturing Mechanism Using Taps
              3. 12.3.2.4.2.1.3 Data Capturing Mechanism Using PHY Module
            2. 12.3.2.4.2.2 External Pull Down on DQS
          3. 12.3.2.4.3  OSPI Power Management
          4. 12.3.2.4.4  Auto HW Polling
          5. 12.3.2.4.5  Flash Reset
          6. 12.3.2.4.6  OSPI Memory Regions
          7. 12.3.2.4.7  OSPI Interrupt Requests
          8. 12.3.2.4.8  OSPI Data Interface
            1. 12.3.2.4.8.1 Data Interface Address Remapping
            2. 12.3.2.4.8.2 Write Protection
            3. 12.3.2.4.8.3 Access Forwarding
          9. 12.3.2.4.9  OSPI Direct Access Controller (DAC)
          10. 12.3.2.4.10 OSPI Indirect Access Controller (INDAC)
            1. 12.3.2.4.10.1 Indirect Read Controller
              1. 12.3.2.4.10.1.1 Indirect Read Transfer Process
            2. 12.3.2.4.10.2 Indirect Write Controller
              1. 12.3.2.4.10.2.1 Indirect Write Transfer Process
            3. 12.3.2.4.10.3 Indirect Access Queuing
            4. 12.3.2.4.10.4 Consecutive Writes and Reads Using Indirect Transfers
            5. 12.3.2.4.10.5 Accessing the SRAM
          11. 12.3.2.4.11 OSPI Software-Triggered Instruction Generator (STIG)
            1. 12.3.2.4.11.1 Servicing a STIG Request
            2. 12.3.2.4.11.2 2578
          12. 12.3.2.4.12 OSPI Arbitration Between Direct / Indirect Access Controller and STIG
          13. 12.3.2.4.13 OSPI Command Translation
          14. 12.3.2.4.14 Selecting the Flash Instruction Type
          15. 12.3.2.4.15 OSPI Data Integrity
          16. 12.3.2.4.16 OSPI PHY Module
            1. 12.3.2.4.16.1 PHY Pipeline Mode
            2. 12.3.2.4.16.2 Read Data Capturing by the PHY Module
        5. 12.3.2.5 OSPI Programming Guide
          1. 12.3.2.5.1 Configuring the OSPI Controller for Use After Reset
          2. 12.3.2.5.2 Configuring the OSPI Controller for Optimal Use
          3. 12.3.2.5.3 Using the Flash Command Control Register (STIG Operation)
          4. 12.3.2.5.4 Using SPI Legacy Mode
          5. 12.3.2.5.5 Entering XIP Mode from POR
          6. 12.3.2.5.6 Entering XIP Mode Otherwise
          7. 12.3.2.5.7 Exiting XIP Mode
        6. 12.3.2.6 OSPI Registers
      3. 12.3.3 HyperBus Interface
        1. 12.3.3.1 HyperBus Overview
          1. 12.3.3.1.1 HyperBus Features
          2. 12.3.3.1.2 HyperBus Not Supported Features
        2. 12.3.3.2 HyperBus Environment
        3. 12.3.3.3 HyperBus Integration
          1. 12.3.3.3.1 HyperBus Integration in MCU Domain
        4. 12.3.3.4 HyperBus Functional Description
          1. 12.3.3.4.1 HyperBus Interrupts
          2. 12.3.3.4.2 HyperBus ECC Support
            1. 12.3.3.4.2.1 ECC Aggregator
          3. 12.3.3.4.3 HyperBus Internal FIFOs
          4. 12.3.3.4.4 HyperBus Data Regions
          5. 12.3.3.4.5 HyperBus True Continuous Read (TCR) Mode
        5. 12.3.3.5 HyperBus Programming Guide
          1. 12.3.3.5.1 HyperBus Initialization Sequence
            1. 12.3.3.5.1.1 HyperFlash Access
            2. 12.3.3.5.1.2 HyperRAM Access
          2. 12.3.3.5.2 HyperBus Real-time Operating Requirements
          3. 12.3.3.5.3 HyperBus Power Up/Down Sequence
        6. 12.3.3.6 HyperBus Registers
      4. 12.3.4 General-Purpose Memory Controller (GPMC)
        1. 12.3.4.1 GPMC Overview
          1. 12.3.4.1.1 GPMC Features
          2. 12.3.4.1.2 GPMC Not Supported Features
        2. 12.3.4.2 GPMC Environment
          1. 12.3.4.2.1 GPMC Modes
          2. 12.3.4.2.2 GPMC I/O Signals
        3. 12.3.4.3 GPMC Integration
          1. 12.3.4.3.1 GPMC Integration in MAIN Domain
        4. 12.3.4.4 GPMC Functional Description
          1. 12.3.4.4.1  GPMC Block Diagram
          2. 12.3.4.4.2  GPMC Clock Configuration
          3. 12.3.4.4.3  GPMC Power Management
          4. 12.3.4.4.4  GPMC Interrupt Requests
          5. 12.3.4.4.5  GPMC Interconnect Port Interface
          6. 12.3.4.4.6  GPMC Address and Data Bus
            1. 12.3.4.4.6.1 GPMC I/O Configuration Setting
          7. 12.3.4.4.7  GPMC Address Decoder and Chip-Select Configuration
            1. 12.3.4.4.7.1 Chip-Select Base Address and Region Size
            2. 12.3.4.4.7.2 Access Protocol
              1. 12.3.4.4.7.2.1 Supported Devices
              2. 12.3.4.4.7.2.2 Access Size Adaptation and Device Width
              3. 12.3.4.4.7.2.3 Address/Data-Multiplexing Interface
            3. 12.3.4.4.7.3 External Signals
              1. 12.3.4.4.7.3.1 WAIT Pin Monitoring Control
                1. 12.3.4.4.7.3.1.1 Wait Monitoring During Asynchronous Read Access
                2. 12.3.4.4.7.3.1.2 Wait Monitoring During Asynchronous Write Access
                3. 12.3.4.4.7.3.1.3 Wait Monitoring During Synchronous Read Access
                4. 12.3.4.4.7.3.1.4 Wait Monitoring During Synchronous Write Access
                5. 12.3.4.4.7.3.1.5 Wait With NAND Device
                6. 12.3.4.4.7.3.1.6 Idle Cycle Control Between Successive Accesses
                  1. 3.4.4.7.3.1.6.1 Bus Turnaround (BUSTURNAROUND)
                  2. 3.4.4.7.3.1.6.2 Idle Cycles Between Accesses to Same Chip-Select (CYCLE2CYCLESAMECSEN, CYCLE2CYCLEDELAY)
                  3. 3.4.4.7.3.1.6.3 Idle Cycles Between Accesses to Different Chip-Select (CYCLE2CYCLEDIFFCSEN, CYCLE2CYCLEDELAY)
                7. 12.3.4.4.7.3.1.7 Slow Device Support (TIMEPARAGRANULARITY Parameter)
              2. 12.3.4.4.7.3.2 DIR Pin
              3. 12.3.4.4.7.3.3 Reset
              4. 12.3.4.4.7.3.4 Write Protect Signal (nWP)
              5. 12.3.4.4.7.3.5 Byte Enable (nBE1/nBE0)
            4. 12.3.4.4.7.4 Error Handling
          8. 12.3.4.4.8  GPMC Timing Setting
            1. 12.3.4.4.8.1  Read Cycle Time and Write Cycle Time (RDCYCLETIME / WRCYCLETIME)
            2. 12.3.4.4.8.2  nCS: Chip-Select Signal Control Assertion/Deassertion Time (CSONTIME / CSRDOFFTIME / CSWROFFTIME / CSEXTRADELAY)
            3. 12.3.4.4.8.3  nADV/ALE: Address Valid/Address Latch Enable Signal Control Assertion/Deassertion Time (ADVONTIME / ADVRDOFFTIME / ADVWROFFTIME / ADVEXTRADELAY/ADVAADMUXONTIME/ADVAADMUXRDOFFTIME/ADVAADMUXWROFFTIME)
            4. 12.3.4.4.8.4  nOE/nRE: Output Enable/Read Enable Signal Control Assertion/Deassertion Time (OEONTIME / OEOFFTIME / OEEXTRADELAY / OEAADMUXONTIME / OEAADMUXOFFTIME)
            5. 12.3.4.4.8.5  nWE: Write Enable Signal Control Assertion/Deassertion Time (WEONTIME / WEOFFTIME / WEEXTRADELAY)
            6. 12.3.4.4.8.6  GPMC_CLKOUT
            7. 12.3.4.4.8.7  GPMC Output Clock and Control Signals Setup and Hold
            8. 12.3.4.4.8.8  Access Time (RDACCESSTIME / WRACCESSTIME)
              1. 12.3.4.4.8.8.1 Access Time on Read Access
              2. 12.3.4.4.8.8.2 Access Time on Write Access
            9. 12.3.4.4.8.9  Page Burst Access Time (PAGEBURSTACCESSTIME)
              1. 12.3.4.4.8.9.1 Page Burst Access Time on Read Access
              2. 12.3.4.4.8.9.2 Page Burst Access Time on Write Access
            10. 12.3.4.4.8.10 Bus Keeping Support
          9. 12.3.4.4.9  GPMC NOR Access Description
            1. 12.3.4.4.9.1 Asynchronous Access Description
              1. 12.3.4.4.9.1.1 Access on Address/Data Multiplexed Devices
                1. 12.3.4.4.9.1.1.1 Asynchronous Single-Read Operation on an Address/Data Multiplexed Device
                2. 12.3.4.4.9.1.1.2 Asynchronous Single-Write Operation on an Address/Data-Multiplexed Device
                3. 12.3.4.4.9.1.1.3 Asynchronous Multiple (Page) Write Operation on an Address/Data-Multiplexed Device
              2. 12.3.4.4.9.1.2 Access on Address/Address/Data-Multiplexed Devices
                1. 12.3.4.4.9.1.2.1 Asynchronous Single Read Operation on an AAD-Multiplexed Device
                2. 12.3.4.4.9.1.2.2 Asynchronous Single-Write Operation on an AAD-Multiplexed Device
                3. 12.3.4.4.9.1.2.3 Asynchronous Multiple (Page) Read Operation on an AAD-Multiplexed Device
            2. 12.3.4.4.9.2 Synchronous Access Description
              1. 12.3.4.4.9.2.1 Synchronous Single Read
              2. 12.3.4.4.9.2.2 Synchronous Multiple (Burst) Read (4-, 8-, 16-Word16 Burst With Wraparound Capability)
              3. 12.3.4.4.9.2.3 Synchronous Single Write
              4. 12.3.4.4.9.2.4 Synchronous Multiple (Burst) Write
            3. 12.3.4.4.9.3 Asynchronous and Synchronous Accesses in non-multiplexed Mode
              1. 12.3.4.4.9.3.1 Asynchronous Single-Read Operation on non-multiplexed Device
              2. 12.3.4.4.9.3.2 Asynchronous Single-Write Operation on non-multiplexed Device
              3. 12.3.4.4.9.3.3 Asynchronous Multiple (Page Mode) Read Operation on non-multiplexed Device
              4. 12.3.4.4.9.3.4 Synchronous Operations on a non-multiplexed Device
            4. 12.3.4.4.9.4 Page and Burst Support
            5. 12.3.4.4.9.5 System Burst vs External Device Burst Support
          10. 12.3.4.4.10 GPMC pSRAM Access Specificities
          11. 12.3.4.4.11 GPMC NAND Access Description
            1. 12.3.4.4.11.1 NAND Memory Device in Byte or 16-bit Word Stream Mode
              1. 12.3.4.4.11.1.1 Chip-Select Configuration for NAND Interfacing in Byte or Word Stream Mode
              2. 12.3.4.4.11.1.2 NAND Device Command and Address Phase Control
              3. 12.3.4.4.11.1.3 Command Latch Cycle
              4. 12.3.4.4.11.1.4 Address Latch Cycle
              5. 12.3.4.4.11.1.5 NAND Device Data Read and Write Phase Control in Stream Mode
              6. 12.3.4.4.11.1.6 NAND Device General Chip-Select Timing Control Requirement
              7. 12.3.4.4.11.1.7 Read and Write Access Size Adaptation
                1. 12.3.4.4.11.1.7.1 8-Bit-Wide NAND Device
                2. 12.3.4.4.11.1.7.2 16-Bit-Wide NAND Device
            2. 12.3.4.4.11.2 NAND Device-Ready Pin
              1. 12.3.4.4.11.2.1 Ready Pin Monitored by Software Polling
              2. 12.3.4.4.11.2.2 Ready Pin Monitored by Hardware Interrupt
            3. 12.3.4.4.11.3 ECC Calculator
              1. 12.3.4.4.11.3.1 Hamming Code
                1. 12.3.4.4.11.3.1.1 ECC Result Register and ECC Computation Accumulation Size
                2. 12.3.4.4.11.3.1.2 ECC Enabling
                3. 12.3.4.4.11.3.1.3 ECC Computation
                4. 12.3.4.4.11.3.1.4 ECC Comparison and Correction
                5. 12.3.4.4.11.3.1.5 ECC Calculation Based on 8-Bit Word
                6. 12.3.4.4.11.3.1.6 ECC Calculation Based on 16-Bit Word
              2. 12.3.4.4.11.3.2 BCH Code
                1. 12.3.4.4.11.3.2.1 Requirements
                2. 12.3.4.4.11.3.2.2 Memory Mapping of BCH Codeword
                  1. 3.4.4.11.3.2.2.1 Memory Mapping of Data Message
                  2. 3.4.4.11.3.2.2.2 Memory-Mapping of the ECC
                  3. 3.4.4.11.3.2.2.3 Wrapping Modes
                    1. 4.4.11.3.2.2.3.1  Manual Mode (0x0)
                    2. 4.4.11.3.2.2.3.2  Mode 0x1
                    3. 4.4.11.3.2.2.3.3  Mode 0xA (10)
                    4. 4.4.11.3.2.2.3.4  Mode 0x2
                    5. 4.4.11.3.2.2.3.5  Mode 0x3
                    6. 4.4.11.3.2.2.3.6  Mode 0x7
                    7. 4.4.11.3.2.2.3.7  Mode 0x8
                    8. 4.4.11.3.2.2.3.8  Mode 0x4
                    9. 4.4.11.3.2.2.3.9  Mode 0x9
                    10. 4.4.11.3.2.2.3.10 Mode 0x5
                    11. 4.4.11.3.2.2.3.11 Mode 0xB (11)
                    12. 4.4.11.3.2.2.3.12 Mode 0x6
                3. 12.3.4.4.11.3.2.3 Supported NAND Page Mappings and ECC Schemes
                  1. 3.4.4.11.3.2.3.1 Per-Sector Spare Mappings
                  2. 3.4.4.11.3.2.3.2 Pooled Spare Mapping
                  3. 3.4.4.11.3.2.3.3 Per-Sector Spare Mapping, with ECC Separated at the End of the Page
            4. 12.3.4.4.11.4 Prefetch and Write-Posting Engine
              1. 12.3.4.4.11.4.1 General Facts About the Engine Configuration
              2. 12.3.4.4.11.4.2 Prefetch Mode
              3. 12.3.4.4.11.4.3 FIFO Control in Prefetch Mode
              4. 12.3.4.4.11.4.4 Write-Posting Mode
              5. 12.3.4.4.11.4.5 FIFO Control in Write-Posting Mode
              6. 12.3.4.4.11.4.6 Optimizing NAND Access Using the Prefetch and Write-Posting Engine
              7. 12.3.4.4.11.4.7 Interleaved Accesses Between Prefetch and Write-Posting Engine and Other Chip-Selects
          12. 12.3.4.4.12 GPMC Use Cases and Tips
            1. 12.3.4.4.12.1 How to Set GPMC Timing Parameters for Typical Accesses
              1. 12.3.4.4.12.1.1 External Memory Attached to the GPMC Module
              2. 12.3.4.4.12.1.2 Typical GPMC Setup
                1. 12.3.4.4.12.1.2.1 GPMC Configuration for Synchronous Burst Read Access
                2. 12.3.4.4.12.1.2.2 GPMC Configuration for Asynchronous Read Access
                3. 12.3.4.4.12.1.2.3 GPMC Configuration for Asynchronous Single Write Access
            2. 12.3.4.4.12.2 How to Choose a Suitable Memory to Use With the GPMC
              1. 12.3.4.4.12.2.1 Supported Memories or Devices
                1. 12.3.4.4.12.2.1.1 Memory Pin Multiplexing
                2. 12.3.4.4.12.2.1.2 NAND Interface Protocol
                3. 12.3.4.4.12.2.1.3 NOR Interface Protocol
                4. 12.3.4.4.12.2.1.4 Other Technologies
        5. 12.3.4.5 GPMC Basic Programming Model
          1. 12.3.4.5.1 GPMC High-Level Programming Model Overview
          2. 12.3.4.5.2 GPMC Initialization
          3. 12.3.4.5.3 GPMC Configuration in NOR Mode
          4. 12.3.4.5.4 GPMC Configuration in NAND Mode
          5. 12.3.4.5.5 Set Memory Access
          6. 12.3.4.5.6 GPMC Timing Parameters
            1. 12.3.4.5.6.1 GPMC Timing Parameters Formulas
              1. 12.3.4.5.6.1.1 NAND Flash Interface Timing Parameters Formulas
              2. 12.3.4.5.6.1.2 Synchronous NOR Flash Timing Parameters Formulas
              3. 12.3.4.5.6.1.3 Asynchronous NOR Flash Timing Parameters Formulas
        6. 12.3.4.6 GPMC Registers
      5. 12.3.5 Error Location Module (ELM)
        1. 12.3.5.1 ELM Overview
          1. 12.3.5.1.1 ELM Features
          2. 12.3.5.1.2 ELM Not Supported Features
        2. 12.3.5.2 ELM Integration
          1. 12.3.5.2.1 ELM Integration in MAIN Domain
        3. 12.3.5.3 ELM Functional Description
          1. 12.3.5.3.1 ELM Software Reset
          2. 12.3.5.3.2 ELM Power Management
          3. 12.3.5.3.3 ELM Interrupt Requests
          4. 12.3.5.3.4 ELM Processing Initialization
          5. 12.3.5.3.5 ELM Processing Sequence
          6. 12.3.5.3.6 ELM Processing Completion
        4. 12.3.5.4 ELM Basic Programming Model
          1. 12.3.5.4.1 ELM Low-Level Programming Model
            1. 12.3.5.4.1.1 Processing Initialization
            2. 12.3.5.4.1.2 Read Results
            3. 12.3.5.4.1.3 2788
          2. 12.3.5.4.2 Use Case: ELM Used in Continuous Mode
          3. 12.3.5.4.3 Use Case: ELM Used in Page Mode
        5. 12.3.5.5 ELM Registers
      6. 12.3.6 Multi-Media Card Secure Digital (MMCSD) Interface
        1. 12.3.6.1 MMCSD Overview
          1. 12.3.6.1.1 MMCSD Features
          2. 12.3.6.1.2 MMCSD Not Supported Features
        2. 12.3.6.2 MMCSD Environment
          1. 12.3.6.2.1 Protocol and Data Format
            1. 12.3.6.2.1.1 Protocol
            2. 12.3.6.2.1.2 Data Format
              1. 12.3.6.2.1.2.1 Coding Scheme for Command Token
              2. 12.3.6.2.1.2.2 Coding Scheme for Response Token
              3. 12.3.6.2.1.2.3 Coding Scheme for Data Token
        3. 12.3.6.3 MMCSD Integration
          1. 12.3.6.3.1 MMCSD Integration in MAIN Domain
        4. 12.3.6.4 MMCSD Functional Description
          1. 12.3.6.4.1 Block Diagram
          2. 12.3.6.4.2 Memory Regions
          3. 12.3.6.4.3 Interrupt Requests
          4. 12.3.6.4.4 ECC Support
            1. 12.3.6.4.4.1 ECC Aggregator
          5. 12.3.6.4.5 Advanced DMA
          6. 12.3.6.4.6 eMMC PHY BIST
            1. 12.3.6.4.6.1 BIST Overview
            2. 12.3.6.4.6.2 BIST Modes
              1. 12.3.6.4.6.2.1 DS Mode
              2. 12.3.6.4.6.2.2 HS Mode with TXDLY using DLL
              3. 12.3.6.4.6.2.3 HS Mode with TXDLY using Delay Chain
              4. 12.3.6.4.6.2.4 DDR50 Mode with TXDLY using DLL
              5. 12.3.6.4.6.2.5 DDR50 Mode with TXDLY using Delay Chain
              6. 12.3.6.4.6.2.6 HS200 Mode with TX/RXDLY using DLL
              7. 12.3.6.4.6.2.7 HS200 Mode with TX/RXDLY using Delay Chain
              8. 12.3.6.4.6.2.8 HS400 Mode
            3. 12.3.6.4.6.3 BIST Functionality
            4. 12.3.6.4.6.4 Signal Interface
            5. 12.3.6.4.6.5 Programming Flow
              1. 12.3.6.4.6.5.1 DS Mode
                1. 12.3.6.4.6.5.1.1 Configuration
                2. 12.3.6.4.6.5.1.2 BIST Programming
              2. 12.3.6.4.6.5.2 HS Mode with DLY_CHAIN
                1. 12.3.6.4.6.5.2.1 Configuration
                2. 12.3.6.4.6.5.2.2 BIST Programming
              3. 12.3.6.4.6.5.3 HS Mode with DLL
                1. 12.3.6.4.6.5.3.1 Configuration
                2. 12.3.6.4.6.5.3.2 BIST Programming
              4. 12.3.6.4.6.5.4 DDR52 Mode with DLY_CHAIN
                1. 12.3.6.4.6.5.4.1 Configuration
                2. 12.3.6.4.6.5.4.2 BIST Programming
              5. 12.3.6.4.6.5.5 DDR52 Mode with DLL
                1. 12.3.6.4.6.5.5.1 Configuration
                2. 12.3.6.4.6.5.5.2 BIST Programming
              6. 12.3.6.4.6.5.6 HS200 Mode with DLY_CHAIN
                1. 12.3.6.4.6.5.6.1 Configuration
                2. 12.3.6.4.6.5.6.2 BIST Programming
              7. 12.3.6.4.6.5.7 HS200 Mode with DLL
                1. 12.3.6.4.6.5.7.1 Configuration
                2. 12.3.6.4.6.5.7.2 BIST Programming
              8. 12.3.6.4.6.5.8 HS400 Mode with DLL
                1. 12.3.6.4.6.5.8.1 Configuration
                2. 12.3.6.4.6.5.8.2 BIST Programming
            6. 12.3.6.4.6.6 HS200 BIST Result Check Procedure
        5. 12.3.6.5 MMCSD Programming Guide
          1. 12.3.6.5.1 Sequences
            1. 12.3.6.5.1.1  SD Card Detection
            2. 12.3.6.5.1.2  SD Clock Control
              1. 12.3.6.5.1.2.1 Internal Clock Setup Sequence
              2. 12.3.6.5.1.2.2 SD Clock Supply and Stop Sequence
              3. 12.3.6.5.1.2.3 SD Clock Frequency Change Sequence
            3. 12.3.6.5.1.3  SD Bus Power Control
            4. 12.3.6.5.1.4  Changing Bus Width
            5. 12.3.6.5.1.5  Timeout Setting on DAT Line
            6. 12.3.6.5.1.6  Card Initialization and Identification (for SD I/F)
              1. 12.3.6.5.1.6.1 Signal Voltage Switch Procedure (for UHS-I)
            7. 12.3.6.5.1.7  SD Transaction Generation
              1. 12.3.6.5.1.7.1 Transaction Control without Data Transfer Using DAT Line
                1. 12.3.6.5.1.7.1.1 The Sequence to Issue a SD Command
                2. 12.3.6.5.1.7.1.2 The Sequence to Finalize a Command
                3. 12.3.6.5.1.7.1.3 2867
              2. 12.3.6.5.1.7.2 Transaction Control with Data Transfer Using DAT Line
                1. 12.3.6.5.1.7.2.1 Not using DMA
                2. 12.3.6.5.1.7.2.2 Using SDMA
                3. 12.3.6.5.1.7.2.3 Using ADMA
            8. 12.3.6.5.1.8  Abort Transaction
              1. 12.3.6.5.1.8.1 Asynchronous Abort
              2. 12.3.6.5.1.8.2 Synchronous Abort
            9. 12.3.6.5.1.9  Changing Bus Speed Mode
            10. 12.3.6.5.1.10 Error Recovery
              1. 12.3.6.5.1.10.1 Error Interrupt Recovery
              2. 12.3.6.5.1.10.2 Auto CMD12 Error Recovery
            11. 12.3.6.5.1.11 Wakeup Control (Optional)
            12. 12.3.6.5.1.12 Suspend/Resume (Optional, Not Supported from Version 4.00)
              1. 12.3.6.5.1.12.1 Suspend Sequence
              2. 12.3.6.5.1.12.2 Resume Sequence
              3. 12.3.6.5.1.12.3 Stop At Block Gap/Continue Timing for Read Transaction
              4. 12.3.6.5.1.12.4 Stop At Block Gap/Continue Timing for Write Transaction
          2. 12.3.6.5.2 Driver Flow Sequence
            1. 12.3.6.5.2.1 Host Controller Setup and Card Detection
              1. 12.3.6.5.2.1.1 Host Controller Setup Sequence
              2. 12.3.6.5.2.1.2 Card Interface Detection Sequence
            2. 12.3.6.5.2.2 Boot Operation
              1. 12.3.6.5.2.2.1 Normal Boot Operation: (For Legacy eMMC 5.0)
              2. 12.3.6.5.2.2.2 Alternate Boot Operation (For Legacy eMMC 5.0):
              3. 12.3.6.5.2.2.3 Boot Code Chunk Read Operation (For Legacy eMMC 5.0):
            3. 12.3.6.5.2.3 Retuning procedure (For Legacy Interface)
              1. 12.3.6.5.2.3.1 Sampling Clock Tuning
              2. 12.3.6.5.2.3.2 Tuning Modes
              3. 12.3.6.5.2.3.3 Re-Tuning Mode 2
            4. 12.3.6.5.2.4 Command Queuing Driver Flow Sequence
              1. 12.3.6.5.2.4.1 Command Queuing Initialization Sequence
              2. 12.3.6.5.2.4.2 Task Issuance Sequence
              3. 12.3.6.5.2.4.3 Task Execution and Completion Sequence
              4. 12.3.6.5.2.4.4 Task Discard and Clear Sequence
              5. 12.3.6.5.2.4.5 Error Detect and Recovery when CQ is enabled
        6. 12.3.6.6 MMCSD Registers
          1. 12.3.6.6.1 MMCSD0 Subsystem Registers
          2. 12.3.6.6.2 MMCSD0 RX RAM ECC Aggregator Registers
          3. 12.3.6.6.3 MMCSD0 TX RAM ECC Aggregator Registers
          4. 12.3.6.6.4 MMCSD0 Host Controller Registers
          5. 12.3.6.6.5 MMCSD1 Subsystem Registers
          6. 12.3.6.6.6 MMCSD1 RX RAM ECC Aggregator Registers
          7. 12.3.6.6.7 MMCSD1 TX RAM ECC Aggregator Registers
          8. 12.3.6.6.8 MMCSD1 Host Controller Registers
    4. 12.4 Industrial and Control Interfaces
      1. 12.4.1 Enhanced Capture (ECAP) Module
        1. 12.4.1.1 ECAP Overview
          1. 12.4.1.1.1 ECAP Features
        2. 12.4.1.2 ECAP Environment
          1. 12.4.1.2.1 ECAP I/O Interface
        3. 12.4.1.3 ECAP Integration
          1. 12.4.1.3.1 Daisy-Chain Connectivity between ECAP Modules
        4. 12.4.1.4 ECAP Functional Description
          1. 12.4.1.4.1 Capture and APWM Operating Modes
            1. 12.4.1.4.1.1 ECAP Capture Mode Description
              1. 12.4.1.4.1.1.1 ECAP Event Prescaler
              2. 12.4.1.4.1.1.2 ECAP Edge Polarity Select and Qualifier
              3. 12.4.1.4.1.1.3 ECAP Continuous/One-Shot Control
              4. 12.4.1.4.1.1.4 ECAP 32-Bit Counter and Phase Control
              5. 12.4.1.4.1.1.5 CAP1-CAP4 Registers
              6. 12.4.1.4.1.1.6 ECAP Interrupt Control
              7. 12.4.1.4.1.1.7 ECAP Shadow Load and Lockout Control
            2. 12.4.1.4.1.2 ECAP APWM Mode Operation
          2. 12.4.1.4.2 Summary of ECAP Functional Registers
        5. 12.4.1.5 ECAP Use Cases
          1. 12.4.1.5.1 Absolute Time-Stamp Operation Rising Edge Trigger Example
            1. 12.4.1.5.1.1 Code Snippet for CAP Mode Absolute Time, Rising Edge Trigger
          2. 12.4.1.5.2 Absolute Time-Stamp Operation Rising and Falling Edge Trigger Example
            1. 12.4.1.5.2.1 Code Snippet for CAP Mode Absolute Time, Rising and Falling Edge Trigger
          3. 12.4.1.5.3 Time Difference (Delta) Operation Rising Edge Trigger Example
            1. 12.4.1.5.3.1 Code Snippet for CAP Mode Delta Time, Rising Edge Trigger
          4. 12.4.1.5.4 Time Difference (Delta) Operation Rising and Falling Edge Trigger Example
            1. 12.4.1.5.4.1 Code Snippet for CAP Mode Delta Time, Rising and Falling Edge Triggers
          5. 12.4.1.5.5 Application of the APWM Mode
            1. 12.4.1.5.5.1 Simple PWM Generation (Independent Channel/s) Example
              1. 12.4.1.5.5.1.1 Code Snippet for APWM Mode
            2. 12.4.1.5.5.2 Multichannel PWM Generation with Synchronization Example
              1. 12.4.1.5.5.2.1 Code Snippet for Multichannel PWM Generation with Synchronization
            3. 12.4.1.5.5.3 Multichannel PWM Generation with Phase Control Example
              1. 12.4.1.5.5.3.1 Code Snippet for Multichannel PWM Generation with Phase Control
        6. 12.4.1.6 ECAP Registers
      2. 12.4.2 Enhanced Pulse Width Modulation (EPWM) Module
        1. 12.4.2.1 EPWM Overview
          1. 12.4.2.1.1 EPWM Features
          2. 12.4.2.1.2 EPWM Not Supported Features
          3. 12.4.2.1.3 2953
        2. 12.4.2.2 EPWM Environment
          1. 12.4.2.2.1 EPWM I/O Interface
        3. 12.4.2.3 EPWM Integration
          1. 12.4.2.3.1 Device Specific EPWM Features
          2. 12.4.2.3.2 Daisy-Chain Connectivity between EPWM Modules
          3. 12.4.2.3.3 ADC start of conversion signals (PWM_SOCA and PWM_SOCB)
          4. 12.4.2.3.4 EPWM Modules Time Base Clock Gating
        4. 12.4.2.4 EPWM Functional Description
          1. 12.4.2.4.1  EPWM Submodule Features
            1. 12.4.2.4.1.1 Constant Definitions Used in the EPWM Code Examples
          2. 12.4.2.4.2  EPWM Time-Base (TB) Submodule
            1. 12.4.2.4.2.1 Overview
            2. 12.4.2.4.2.2 2966
            3. 12.4.2.4.2.3 Controlling and Monitoring the EPWM Time-Base Submodule
            4. 12.4.2.4.2.4 Calculating PWM Period and Frequency
              1. 12.4.2.4.2.4.1 EPWM Time-Base Period Shadow Register
              2. 12.4.2.4.2.4.2 EPWM Time-Base Counter Synchronization
            5. 12.4.2.4.2.5 Phase Locking the Time-Base Clocks of Multiple EPWM Modules
            6. 12.4.2.4.2.6 EPWM Time-Base Counter Modes and Timing Waveforms
          3. 12.4.2.4.3  EPWM Counter-Compare (CC) Submodule
            1. 12.4.2.4.3.1 Overview
            2. 12.4.2.4.3.2 Controlling and Monitoring the EPWM Counter-Compare Submodule
            3. 12.4.2.4.3.3 Operational Highlights for the EPWM Counter-Compare Submodule
            4. 12.4.2.4.3.4 EPWM Counter-Compare Submodule Timing Waveforms
          4. 12.4.2.4.4  EPWM Action-Qualifier (AQ) Submodule
            1. 12.4.2.4.4.1 Overview
            2. 12.4.2.4.4.2 Controlling and Monitoring the EPWM Action-Qualifier Submodule
            3. 12.4.2.4.4.3 EPWM Action-Qualifier Event Priority
            4. 12.4.2.4.4.4 Waveforms for Common EPWM Configurations
          5. 12.4.2.4.5  EPWM Dead-Band Generator (DB) Submodule
            1. 12.4.2.4.5.1 Overview
            2. 12.4.2.4.5.2 Controlling and Monitoring the EPWM Dead-Band Submodule
            3. 12.4.2.4.5.3 Operational Highlights for the EPWM Dead-Band Generator Submodule
          6. 12.4.2.4.6  EPWM-Chopper (PC) Submodule
            1. 12.4.2.4.6.1 Overview
            2. 12.4.2.4.6.2 2989
            3. 12.4.2.4.6.3 Controlling the EPWM-Chopper Submodule
            4. 12.4.2.4.6.4 Operational Highlights for the EPWM-Chopper Submodule
            5. 12.4.2.4.6.5 EPWM-Chopper Waveforms
              1. 12.4.2.4.6.5.1 EPWM-Chopper One-Shot Pulse
              2. 12.4.2.4.6.5.2 EPWM-Chopper Duty Cycle Control
          7. 12.4.2.4.7  EPWM Trip-Zone (TZ) Submodule
            1. 12.4.2.4.7.1 Overview
            2. 12.4.2.4.7.2 Controlling and Monitoring the EPWM Trip-Zone Submodule
            3. 12.4.2.4.7.3 Operational Highlights for the EPWM Trip-Zone Submodule
            4. 12.4.2.4.7.4 Generating EPWM Trip-Event Interrupts
          8. 12.4.2.4.8  EPWM Event-Trigger (ET) Submodule
            1. 12.4.2.4.8.1 Overview
            2. 12.4.2.4.8.2 Controlling and Monitoring the EPWM Event-Trigger Submodule
            3. 12.4.2.4.8.3 Operational Overview of the EPWM Event-Trigger Submodule
            4. 12.4.2.4.8.4 3004
          9. 12.4.2.4.9  EPWM High Resolution (HRPWM) Submodule
            1. 12.4.2.4.9.1 Overview
            2. 12.4.2.4.9.2 Architecture of the High-Resolution PWM Submodule
            3. 12.4.2.4.9.3 Controlling and Monitoring the High-Resolution PWM Submodule
            4. 12.4.2.4.9.4 Configuring the High-Resolution PWM Submodule
            5. 12.4.2.4.9.5 Operational Highlights for the High-Resolution PWM Submodule
              1. 12.4.2.4.9.5.1 HRPWM Edge Positioning
              2. 12.4.2.4.9.5.2 HRPWM Scaling Considerations
              3. 12.4.2.4.9.5.3 HRPWM Duty Cycle Range Limitation
          10. 12.4.2.4.10 EPWM / HRPWM Functional Register Groups
          11. 12.4.2.4.11 Proper EPWM Interrupt Initialization Procedure
        5. 12.4.2.5 EPWM Registers
      3. 12.4.3 Enhanced Quadrature Encoder Pulse (EQEP) Module
        1. 12.4.3.1 EQEP Overview
          1. 12.4.3.1.1 EQEP Features
          2. 12.4.3.1.2 EQEP Not Supported Features
        2. 12.4.3.2 EQEP Environment
          1. 12.4.3.2.1 EQEP I/O Interface
        3. 12.4.3.3 EQEP Integration
          1. 12.4.3.3.1 Device Specific EQEP Features
        4. 12.4.3.4 EQEP Functional Description
          1. 12.4.3.4.1 EQEP Inputs
          2. 12.4.3.4.2 EQEP Quadrature Decoder Unit (QDU)
            1. 12.4.3.4.2.1 EQEP Position Counter Input Modes
              1. 12.4.3.4.2.1.1 Quadrature Count Mode
              2. 12.4.3.4.2.1.2 EQEP Direction-count Mode
              3. 12.4.3.4.2.1.3 EQEP Up-Count Mode
              4. 12.4.3.4.2.1.4 EQEP Down-Count Mode
            2. 12.4.3.4.2.2 EQEP Input Polarity Selection
            3. 12.4.3.4.2.3 EQEP Position-Compare Sync Output
          3. 12.4.3.4.3 EQEP Position Counter and Control Unit (PCCU)
            1. 12.4.3.4.3.1 EQEP Position Counter Operating Modes
              1. 12.4.3.4.3.1.1 EQEP Position Counter Reset on Index Event (EQEP_QDEC_QEP_CTL[29-28] PCRM] = 0b00)
              2. 12.4.3.4.3.1.2 EQEP Position Counter Reset on Maximum Position (EQEP_QDEC_QEP_CTL[29-28] PCRM=0b01)
              3. 12.4.3.4.3.1.3 Position Counter Reset on the First Index Event (EQEP_QDEC_QEP_CTL[29-28] PCRM = 0b10)
              4. 12.4.3.4.3.1.4 Position Counter Reset on Unit Time out Event (EQEP_QDEC_QEP_CTL[29-28] PCRM = 0b11)
            2. 12.4.3.4.3.2 EQEP Position Counter Latch
              1. 12.4.3.4.3.2.1 Index Event Latch
              2. 12.4.3.4.3.2.2 EQEP Strobe Event Latch
            3. 12.4.3.4.3.3 EQEP Position Counter Initialization
            4. 12.4.3.4.3.4 EQEP Position-Compare Unit
          4. 12.4.3.4.4 EQEP Edge Capture Unit
          5. 12.4.3.4.5 EQEP Watchdog
          6. 12.4.3.4.6 Unit Timer Base
          7. 12.4.3.4.7 EQEP Interrupt Structure
          8. 12.4.3.4.8 Summary of EQEP Functional Registers
        5. 12.4.3.5 EQEP Registers
      4. 12.4.4 Controller Area Network (MCAN)
        1. 12.4.4.1 MCAN Overview
          1. 12.4.4.1.1 MCAN Features
          2. 12.4.4.1.2 MCAN Not Supported Features
        2. 12.4.4.2 MCAN Environment
          1. 12.4.4.2.1 CAN Network Basics
        3. 12.4.4.3 MCAN Integration
          1. 12.4.4.3.1 MCAN Integration in MCU Domain
          2. 12.4.4.3.2 MCAN Integration in MAIN Domain
        4. 12.4.4.4 MCAN Functional Description
          1. 12.4.4.4.1  Module Clocking Requirements
          2. 12.4.4.4.2  Interrupt and DMA Requests
            1. 12.4.4.4.2.1 Interrupt Requests
            2. 12.4.4.4.2.2 DMA Requests
            3. 12.4.4.4.2.3 3066
          3. 12.4.4.4.3  Operating Modes
            1. 12.4.4.4.3.1 Software Initialization
            2. 12.4.4.4.3.2 Normal Operation
            3. 12.4.4.4.3.3 CAN FD Operation
            4. 12.4.4.4.3.4 Transmitter Delay Compensation
              1. 12.4.4.4.3.4.1 Description
              2. 12.4.4.4.3.4.2 Transmitter Delay Compensation Measurement
            5. 12.4.4.4.3.5 Restricted Operation Mode
            6. 12.4.4.4.3.6 Bus Monitoring Mode
            7. 12.4.4.4.3.7 Disabled Automatic Retransmission (DAR) Mode
              1. 12.4.4.4.3.7.1 Frame Transmission in DAR Mode
            8. 12.4.4.4.3.8 Power Down (Sleep Mode)
              1. 12.4.4.4.3.8.1 External Clock Stop Mode
              2. 12.4.4.4.3.8.2 Suspend Mode
              3. 12.4.4.4.3.8.3 Wakeup request
            9. 12.4.4.4.3.9 Test Modes
              1. 12.4.4.4.3.9.1 Internal Loopback Mode
          4. 12.4.4.4.4  Timestamp Generation
            1. 12.4.4.4.4.1 External Timestamp Counter
          5. 12.4.4.4.5  Timeout Counter
          6. 12.4.4.4.6  ECC Support
            1. 12.4.4.4.6.1 ECC Wrapper
            2. 12.4.4.4.6.2 ECC Aggregator
          7. 12.4.4.4.7  Rx Handling
            1. 12.4.4.4.7.1 Acceptance Filtering
              1. 12.4.4.4.7.1.1 Range Filter
              2. 12.4.4.4.7.1.2 Filter for specific IDs
              3. 12.4.4.4.7.1.3 Classic Bit Mask Filter
              4. 12.4.4.4.7.1.4 Standard Message ID Filtering
              5. 12.4.4.4.7.1.5 Extended Message ID Filtering
            2. 12.4.4.4.7.2 Rx FIFOs
              1. 12.4.4.4.7.2.1 Rx FIFO Blocking Mode
              2. 12.4.4.4.7.2.2 Rx FIFO Overwrite Mode
            3. 12.4.4.4.7.3 Dedicated Rx Buffers
              1. 12.4.4.4.7.3.1 Rx Buffer Handling
            4. 12.4.4.4.7.4 Debug on CAN Support
          8. 12.4.4.4.8  Tx Handling
            1. 12.4.4.4.8.1 Transmit Pause
            2. 12.4.4.4.8.2 Dedicated Tx Buffers
            3. 12.4.4.4.8.3 Tx FIFO
            4. 12.4.4.4.8.4 Tx Queue
            5. 12.4.4.4.8.5 Mixed Dedicated Tx Buffers/Tx FIFO
            6. 12.4.4.4.8.6 Mixed Dedicated Tx Buffers/Tx Queue
            7. 12.4.4.4.8.7 Transmit Cancellation
            8. 12.4.4.4.8.8 Tx Event Handling
          9. 12.4.4.4.9  FIFO Acknowledge Handling
          10. 12.4.4.4.10 Message RAM
            1. 12.4.4.4.10.1 Message RAM Configuration
            2. 12.4.4.4.10.2 Rx Buffer and FIFO Element
            3. 12.4.4.4.10.3 Tx Buffer Element
            4. 12.4.4.4.10.4 Tx Event FIFO Element
            5. 12.4.4.4.10.5 Standard Message ID Filter Element
            6. 12.4.4.4.10.6 Extended Message ID Filter Element
        5. 12.4.4.5 MCAN Registers
          1. 12.4.4.5.1 MCAN Subsystem Registers
          2. 12.4.4.5.2 MCAN Core Registers
          3. 12.4.4.5.3 MCAN ECC Aggregator Registers
    5. 12.5 Audio Interfaces
      1. 12.5.1 Audio Tracking Logic (ATL)
        1. 12.5.1.1 ATL Overview
          1. 12.5.1.1.1 ATL Features Overview
          2. 12.5.1.1.2 ATL Not Supported Features
    6. 12.6 Timer Modules
      1. 12.6.1 Global Timebase Counter (GTC)
        1. 12.6.1.1 GTC Overview
          1. 12.6.1.1.1 GTC Features
          2. 12.6.1.1.2 GTC Not Supported Features
        2. 12.6.1.2 GTC Integration
        3. 12.6.1.3 GTC Functional Description
          1. 12.6.1.3.1 GTC Block Diagram
          2. 12.6.1.3.2 GTC Counter
          3. 12.6.1.3.3 GTC Gray Encoder
          4. 12.6.1.3.4 GTC Push Event Generation
          5. 12.6.1.3.5 GTC Register Partitioning
        4. 12.6.1.4 GTC Registers
          1. 12.6.1.4.1 GTC0_GTC_CFG0 Registers
          2. 12.6.1.4.2 GTC0_GTC_CFG1 Registers
          3. 12.6.1.4.3 GTC0_GTC_CFG2 Registers
          4. 12.6.1.4.4 GTC0_GTC_CFG3 Registers
      2. 12.6.2 Windowed Watchdog Timer (WWDT)
        1. 12.6.2.1 RTI Overview
          1. 12.6.2.1.1 RTI Features
          2. 12.6.2.1.2 RTI Not Supported Features
        2. 12.6.2.2 RTI Integration
          1. 12.6.2.2.1 RTI Integration in MCU Domain
          2. 12.6.2.2.2 RTI Integration in MAIN Domain
        3. 12.6.2.3 RTI Functional Description
          1. 12.6.2.3.1 RTI Counter Operation
          2. 12.6.2.3.2 RTI Digital Watchdog
          3. 12.6.2.3.3 RTI Digital Windowed Watchdog
          4. 12.6.2.3.4 RTI Low Power Mode Operation
          5. 12.6.2.3.5 RTI Debug Mode Behavior
        4. 12.6.2.4 RTI Registers
      3. 12.6.3 Timers
        1. 12.6.3.1 Timers Overview
          1. 12.6.3.1.1 Timers Features
          2. 12.6.3.1.2 Timers Not Supported Features
        2. 12.6.3.2 Timers Environment
          1. 12.6.3.2.1 Timer External System Interface
        3. 12.6.3.3 Timers Integration
          1. 12.6.3.3.1 Timers Integration in MCU Domain
          2. 12.6.3.3.2 Timers Integration in MAIN Domain
        4. 12.6.3.4 Timers Functional Description
          1. 12.6.3.4.1  Timer Block Diagram
          2. 12.6.3.4.2  Timer Power Management
            1. 12.6.3.4.2.1 Wake-Up Capability
          3. 12.6.3.4.3  Timer Software Reset
          4. 12.6.3.4.4  Timer Interrupts
          5. 12.6.3.4.5  Timer Mode Functionality
            1. 12.6.3.4.5.1 1-ms Tick Generation
          6. 12.6.3.4.6  Timer Capture Mode Functionality
          7. 12.6.3.4.7  Timer Compare Mode Functionality
          8. 12.6.3.4.8  Timer Prescaler Functionality
          9. 12.6.3.4.9  Timer Pulse-Width Modulation
          10. 12.6.3.4.10 Timer Counting Rate
          11. 12.6.3.4.11 Timer Under Emulation
          12. 12.6.3.4.12 Accessing Timer Registers
            1. 12.6.3.4.12.1 Writing to Timer Registers
              1. 12.6.3.4.12.1.1 Write Posting Synchronization Mode
              2. 12.6.3.4.12.1.2 Write Nonposting Synchronization Mode
            2. 12.6.3.4.12.2 Reading From Timer Counter Registers
              1. 12.6.3.4.12.2.1 Read Posted
              2. 12.6.3.4.12.2.2 Read Non-Posted
          13. 12.6.3.4.13 Timer Posted Mode Selection
        5. 12.6.3.5 Timers Low-Level Programming Models
          1. 12.6.3.5.1 Timer Global Initialization
            1. 12.6.3.5.1.1 Global Initialization of Surrounding Modules
            2. 12.6.3.5.1.2 Timer Module Global Initialization
              1. 12.6.3.5.1.2.1 Main Sequence – Timer Module Global Initialization
          2. 12.6.3.5.2 Timer Operational Mode Configuration
            1. 12.6.3.5.2.1 Timer Mode
              1. 12.6.3.5.2.1.1 Main Sequence – Timer Mode Configuration
            2. 12.6.3.5.2.2 Timer Compare Mode
              1. 12.6.3.5.2.2.1 Main Sequence – Timer Compare Mode Configuration
            3. 12.6.3.5.2.3 Timer Capture Mode
              1. 12.6.3.5.2.3.1 Main Sequence – Timer Capture Mode Configuration
              2. 12.6.3.5.2.3.2 Subsequence – Initialize Capture Mode
              3. 12.6.3.5.2.3.3 Subsequence – Detect Event
            4. 12.6.3.5.2.4 Timer PWM Mode
              1. 12.6.3.5.2.4.1 Main Sequence – Timer PWM Mode Configuration
        6. 12.6.3.6 Timers Registers
    7. 12.7 Internal Diagnostics Modules
      1. 12.7.1 Dual Clock Comparator (DCC)
        1. 12.7.1.1 DCC Overview
          1. 12.7.1.1.1 DCC Features
          2. 12.7.1.1.2 DCC Not Supported Features
        2. 12.7.1.2 DCC Integration
          1. 12.7.1.2.1 DCC Integration in MCU Domain
          2. 12.7.1.2.2 DCC Integration in MAIN Domain
        3. 12.7.1.3 DCC Functional Description
          1. 12.7.1.3.1 DCC Counter Operation
          2. 12.7.1.3.2 DCC Low Power Mode Operation
          3. 12.7.1.3.3 DCC Suspend Mode Behavior
          4. 12.7.1.3.4 DCC Single-Shot Mode
          5. 12.7.1.3.5 DCC Continuous mode
            1. 12.7.1.3.5.1 DCC Continue on Error
            2. 12.7.1.3.5.2 DCC Error Count
          6. 12.7.1.3.6 DCC Control and count hand-off across clock domains
          7. 12.7.1.3.7 DCC Error Trajectory record
            1. 12.7.1.3.7.1 DCC FIFO capturing for Errors
            2. 12.7.1.3.7.2 DCC FIFO in continuous capture mode
            3. 12.7.1.3.7.3 DCC FIFO Details
            4. 12.7.1.3.7.4 DCC FIFO Debug mode behavior
          8. 12.7.1.3.8 DCC Count read registers
        4. 12.7.1.4 DCC Registers
      2. 12.7.2 Error Signaling Module (ESM)
        1. 12.7.2.1 ESM Overview
          1. 12.7.2.1.1 ESM Features
        2. 12.7.2.2 ESM Environment
        3. 12.7.2.3 ESM Integration
          1. 12.7.2.3.1 ESM Integration in WKUP Domain
          2. 12.7.2.3.2 ESM Integration in MCU Domain
          3. 12.7.2.3.3 ESM Integration in MAIN Domain
        4. 12.7.2.4 ESM Functional Description
          1. 12.7.2.4.1 ESM Interrupt Requests
            1. 12.7.2.4.1.1 ESM Configuration Error Interrupt
            2. 12.7.2.4.1.2 ESM Low Priority Error Interrupt
              1. 12.7.2.4.1.2.1 ESM Low Priority Error Level Event
              2. 12.7.2.4.1.2.2 ESM Low Priority Error Pulse Event
            3. 12.7.2.4.1.3 ESM High Priority Error Interrupt
              1. 12.7.2.4.1.3.1 ESM High Priority Error Level Event
              2. 12.7.2.4.1.3.2 ESM High Priority Error Pulse Event
          2. 12.7.2.4.2 ESM Error Event Inputs
          3. 12.7.2.4.3 ESM Error Pin Output
          4. 12.7.2.4.4 ESM Minimum Time Interval
          5. 12.7.2.4.5 ESM Protection for Registers
          6. 12.7.2.4.6 ESM Clock Stop
        5. 12.7.2.5 ESM Registers
      3. 12.7.3 Memory Cyclic Redundancy Check (MCRC) Controller
        1. 12.7.3.1 MCRC Overview
          1. 12.7.3.1.1 MCRC Features
          2. 12.7.3.1.2 MCRC Not Supported Features
        2. 12.7.3.2 MCRC Integration
        3. 12.7.3.3 MCRC Functional Description
          1. 12.7.3.3.1  MCRC Block Diagram
          2. 12.7.3.3.2  MCRC General Operation
          3. 12.7.3.3.3  MCRC Modes of Operation
            1. 12.7.3.3.3.1 AUTO Mode
            2. 12.7.3.3.3.2 Semi-CPU Mode
            3. 12.7.3.3.3.3 Full-CPU Mode
          4. 12.7.3.3.4  PSA Signature Register
          5. 12.7.3.3.5  PSA Sector Signature Register
          6. 12.7.3.3.6  CRC Value Register
          7. 12.7.3.3.7  Raw Data Register
          8. 12.7.3.3.8  Example DMA Controller Setup
            1. 12.7.3.3.8.1 AUTO Mode Using Hardware Timer Trigger
            2. 12.7.3.3.8.2 AUTO Mode Using Software Trigger
            3. 12.7.3.3.8.3 Semi-CPU Mode Using Hardware Timer Trigger
          9. 12.7.3.3.9  Pattern Count Register
          10. 12.7.3.3.10 Sector Count Register/Current Sector Register
          11. 12.7.3.3.11 Interrupts
            1. 12.7.3.3.11.1 Compression Complete Interrupt
            2. 12.7.3.3.11.2 CRC Fail Interrupt
            3. 12.7.3.3.11.3 Overrun Interrupt
            4. 12.7.3.3.11.4 Underrun Interrupt
            5. 12.7.3.3.11.5 Timeout Interrupt
            6. 12.7.3.3.11.6 Interrupt Offset Register
            7. 12.7.3.3.11.7 Error Handling
          12. 12.7.3.3.12 Power Down Mode
          13. 12.7.3.3.13 Emulation
        4. 12.7.3.4 MCRC Programming Examples
          1. 12.7.3.4.1 Example: Auto Mode Using Time Based Event Triggering
            1. 12.7.3.4.1.1 DMA Setup
            2. 12.7.3.4.1.2 Timer Setup
            3. 12.7.3.4.1.3 CRC Setup
          2. 12.7.3.4.2 Example: Auto Mode Without Using Time Based Triggering
            1. 12.7.3.4.2.1 DMA Setup
            2. 12.7.3.4.2.2 CRC Setup
          3. 12.7.3.4.3 Example: Semi-CPU Mode
            1. 12.7.3.4.3.1 DMA Setup
            2. 12.7.3.4.3.2 Timer Setup
            3. 12.7.3.4.3.3 CRC Setup
          4. 12.7.3.4.4 Example: Full-CPU Mode
            1. 12.7.3.4.4.1 CRC Setup
        5. 12.7.3.5 MCRC Registers
      4. 12.7.4 ECC Aggregator
        1. 12.7.4.1 ECC Aggregator Overview
          1. 12.7.4.1.1 ECC Aggregator Features
        2. 12.7.4.2 ECC Aggregator Integration
        3. 12.7.4.3 ECC Aggregator Functional Description
          1. 12.7.4.3.1 ECC Aggregator Block Diagram
          2. 12.7.4.3.2 ECC Aggregator Register Groups
          3. 12.7.4.3.3 Read Access to the ECC Control and Status Registers
          4. 12.7.4.3.4 Serial Write Operation
          5. 12.7.4.3.5 Interrupts
          6. 12.7.4.3.6 Inject Only Mode
        4. 12.7.4.4 ECC Aggregator Registers
  15. 13On-Chip Debug
  16. 14Revision History

USB Integration

This section describes USB module integration in the device, including information about clocks, resets, and hardware requests.

Figure 12-1921 show the integration of the USB subsystem in the device.

For Superspeed SerDes integration details, please refer to in Serializer/Deserializer (SerDes).

 USB3SS0
          Integration Figure 12-1921 USB3SS0 Integration

Table 12-3800 through Table 12-3802 summarize the integration of USBSS.

Table 12-3800 USB Integration Attributes
Module Instance Attributes
Power Sleep Controller Power Domain Module Domain Interconnect
USB3SS0 PSC0 PD0 LPSC20 CBASS0
Table 12-3801 USB Clocks and Resets
Clocks
Module Instance Module Clock Input Source Clock Signal Source Description
USB3SS0 ACLK MAIN_SYSCLK0 PLL_CTRL0 VBUSM interface clock
PCLK MAIN_SYSCLK0/4 PLL_CTRL0 VBUSP interface clock
BUFCLK MAIN_SYSCLK0/2 PLL_CTRL0 VBUSM bridge clock
CLK_LPM MAIN_PLL1_HSDIV7_CLKOUT MAIN_PLL1 Low power clock (24 MHz). This clock has to be free running when USB is enabled.
USB2PHY0 USB2_REFCLOCK WKUP_HFOSC0_CLK WKUP_HFOSC0 USB2PHY reference clock. HFOSC selected via CTRLMMR_USB0_CLKSEL. Frequency value must be indicated to PHY via USB3P0SS_STATIC_CONFIG.
HFOSC1_CLK HFOSC1
USB2_APB_PCLK MAIN_SYSCLK0/4 PLL_CTRL0 USB2PHY VBUSP interface clock
Resets
Module Instance Module Reset Input Source Reset Signal Source Description
USB3SS0 USB0_RST MOD_G_RST LPSC20 USB3SS0 hardware reset
Table 12-3802 USB Hardware Requests
Interrupt Requests
Module Instance Module Interrupt Destination Interrupt Input Destination Description Type
USB3SS0 IRQ_[0:7] GIC500_SPI_IN_[128:135] COMPUTE_CLUSTER0 8 event ring interrupts in host mode. In device mode, IRQ[6] is device USB interrupt and IRQ[7] is device wakeup request. Level
MAIN2MCU_LVL_INTRTR0_IN_[128:135] MAIN2MCU_LVL_INTRTR0
R5FSS0_CORE0_INTR_IN_[281:288] R5FSS0_CORE0
R5FSS0_CORE1_INTR_IN_[281:288] R5FSS0_CORE1
HOST_SYSTEM_ERROR GIC500_SPI_IN_782 COMPUTE_CLUSTER0 USB host system error Level
MAIN2MCU_LVL_INTRTR0_IN_157 MAIN2MCU_LVL_INTRTR0
R5FSS0_CORE0_INTR_IN_361 R5FSS0_CORE0
R5FSS0_CORE1_INTR_IN_361 R5FSS0_CORE1
OTGIRQ GIC500_SPI_IN_152 COMPUTE_CLUSTER0 USB OTG events Level
MAIN2MCU_LVL_INTRTR0_IN_152 MAIN2MCU_LVL_INTRTR0
R5FSS0_CORE0_INTR_IN_280 R5FSS0_CORE0
R5FSS0_CORE1_INTR_IN_280 R5FSS0_CORE1
ASF_INT_NONFATAL ESM0_LVL_IN_124 ESM0 USB safety features nonfatal interrupt Level
ASF_INT_FATAL ESM0_LVL_IN_125 ESM0 USB safety features fatal interrupt Level
A_ECC_AGGR_CORRECTED_ERR_LEVEL ESM0_LVL_IN_126 ESM0 ECC aggregator interrupt Level
A_ECC_AGGR_UNCORRECTED_ERR_LEVEL ESM0_LVL_IN_127 ESM0 ECC aggregator interrupt Level
DMA Events
Module Instance Module DMA Event Destination DMA Event Input Destination Description Type
USB3SS0 - - - No PDMA channels to external DMA engines. USB has an internal DMA controller. -