SLYY234 December   2024 AMC0106M05 , AMC0106M25 , AMC0136 , AMC0311D , AMC0311S , AMC0386 , AMC0386-Q1 , AMC1100 , AMC1106M05 , AMC1200 , AMC1200-Q1 , AMC1202 , AMC1203 , AMC1204 , AMC1211-Q1 , AMC1300 , AMC1300B-Q1 , AMC1301 , AMC1301-Q1 , AMC1302-Q1 , AMC1303M2510 , AMC1304L25 , AMC1304M25 , AMC1305M25 , AMC1305M25-Q1 , AMC1306M05 , AMC1306M25 , AMC1311 , AMC1311-Q1 , AMC131M03 , AMC1336 , AMC1336-Q1 , AMC1350 , AMC1350-Q1 , AMC23C12 , AMC3301 , AMC3330 , AMC3330-Q1

 

  1.   1
  2.   Introduction
  3.   Introduction to Isolated Signal Chain
    1.     Comparing Isolated Amplifiers and Isolated Modulators
      1.      Abstract
      2.      Introduction to Isolated Amplifiers
      3.      Introduction to Isolated Modulators
      4.      Performance Comparison Between Isolated Amplifiers and Isolated Modulators
      5.      Isolated Modulators in Traction Inverters
      6.      Isolated Amplifier and Modulator Recommendations
      7.      Conclusion
    2.     TI’s First Isolated Amplifiers With Ultra-Wide Creepage and Clearance
      1.      Application Brief
  4.   Selection Trees
  5.   Current Sensing
    1.     Shunt Resistor Selection for Isolated Data Converters
      1.      17
    2.     Design considerations for isolated current sensing
      1.      19
      2.      Conclusion
      3.      References
      4.      Related Websites
    3.     Isolated Current-Sensing Circuit With ±50-mV Input and Single-Ended Output
      1.      24
    4.     Isolated Current-Sensing Circuit With ±50-mV Input and Differential Output
      1.      26
    5.     Isolated Current-Sensing Circuit With ±250-mV Input Range and Single-Ended Output Voltage
      1.      Design Goals
      2.      Design Description
      3.      Design Notes
      4.      Design Steps
      5.      Design Simulations
      6.      DC Simulation Results
      7.      Closed-Loop AC Simulation Results
      8.      Transient Simulation Results
      9.      Design References
      10.      Design Featured Isolated Amplifier
      11.      Design Alternate Isolated Amplifier
    6.     Isolated current-measurement circuit with ±250-mV input and differential output
      1.      Design Goals
      2.      Design Description
      3.      Design Notes
      4.      Design Steps
      5.      Design Simulations
      6.      DC Simulation Results
      7.      Closed Loop AC Simulation Results
      8.      Transient Simulation Results
      9.      Design References
      10.      Design Featured Op Amp
      11.      Design Alternate Op Amp
    7.     Isolated Overcurrent Protection Circuit
      1.      52
    8.     Interfacing a Differential-Output (Isolated) Amp to a Single-Ended Input ADC
      1.      54
    9.     Utilizing AMC3311 to Power AMC23C11 for Isolated Sensing and Fault Detection
      1.      Application Brief
    10.     Isolated Current-Sensing Circuit With Front-End Gain Stage
      1.      58
    11.     Accuracy Comparison of Isolated Shunt and Closed-Loop Current Sensing
      1.      60
  6.   Voltage Sensing
    1.     Maximizing Power Conversion and Motor Control Efficiency With Isolated Voltage Sensing
      1.      63
      2.      Solutions for high-voltage sensing
      3.      Integrated resistor devices
      4.      Single-ended output devices
      5.      Integrated isolated voltage-sensing use cases
      6.      Conclusion
      7.      Additional resources
    2.     Increased Accuracy and Performance with Integrated High Voltage Resistor Isolated Amplifiers and Modulators
      1.      Abstract
      2.      Introduction
      3.      High Voltage Resistor Isolated Amplifiers and Modulators Advantages
        1.       Space Savings
        2.       Improved Temperature and Lifetime Drift of Integrated HV Resistors
        3.       Accuracy Results
        4.       Fully Integrated Resistors vs. Additional External Resistor Example
        5.       Device Selection Tree and AC/DC Common Use Cases
      4.      Summary
      5.      References
    3.     Isolated Amplifiers With Differential, Single-Ended Fixed Gain and Ratiometric Outputs for Voltage Sensing Applications
      1.      Abstract
      2.      Introduction
      3.      Overview of Differential, Single-Ended Fixed Gain and Ratiometric Outputs
        1.       Isolated Amplifiers with Differential Output
        2.       Isolated Amplifiers With Single-Ended, Fixed-Gain Output
        3.       Isolated Amplifiers With Single-Ended, Ratiometric Output
      4.      Application Examples
        1.       Product Selection Tree
      5.      Summary
      6.      References
    4.     Isolated Voltage-Measurement Circuit With ±250-mV Input and Differential Output
      1.      93
    5.     Split-Tap Connection for Line-to-Line Isolated Voltage Measurement Using AMC3330
      1.      95
    6.     ±12V Voltage Sensing Circuit With an Isolated Amplifier and Pseudo-Differential Input SAR ADC
      1.      97
    7.     ±12-V voltage sensing circuit with an isolated amplifier and differential input SAR ADC
      1.      99
    8.     Isolated Undervoltage and Overvoltage Detection Circuit
      1.      101
    9.     Isolated Zero-Cross Detection Circuit
      1.      103
    10.     ±480V Isolated Voltage-Sensing Circuit With Differential Output
      1.      105
  7.   EMI Performance
    1.     Best in Class Radiated Emissions EMI Performance with Isolated Amplifiers
      1.      Best in Class Radiated Emissions EMI Performance with Isolated Amplifiers
      2.      Introduction
      3.      Current Generation of Texas Instruments Isolated Amplifiers Radiated Emissions Performance
      4.      Previous Generations of Texas Instruments Isolated Amplifiers Radiated Emissions Performance
      5.      Conclusion
      6.      References
    2.     Best Practices to Attenuate AMC3301 Family Radiated Emissions EMI
      1.      Abstract
      2.      Introduction
      3.      Effects of Input Connections on AMC3301 Family Radiated Emissions
      4.      Attenuating AMC3301 Family Radiated Emissions
        1.       Ferrite Beads and Common Mode Chokes
        2.       PCB Schematics and Layout Best Practices for AMC3301 Family
      5.      Using Multiple AMC3301 Devices
        1.       Device Orientation
        2.       PCB Layout Best Practices for Multiple AMC3301
      6.      Conclusion
      7.      AMC3301 Family Table
  8.   End Equipment
    1.     Comparing Shunt- and Hall-Based Isolated Current-Sensing Solutions in HEV/EV
      1.      128
    2.     Design Considerations for Current Sensing in DC EV Charging Applications
      1.      Abstract
      2.      Introduction
        1.       DC Charging Station for Electric Vehicles
        2.       Current-Sensing Technology Selection and Equivalent Model
          1.        Sensing of the Current With Shunt-Based Solution
          2.        Equivalent Model of the Sensing Technology
      3.      Current Sensing in AC/DC Converters
        1.       Basic Hardware and Control Description of AC/DC
          1.        AC Current Control Loops
          2.        DC Voltage Control Loop
        2.       Point A and B – AC/DC AC Phase-Current Sensing
          1.        Impact of Bandwidth
            1.         Steady State Analysis: Fundamental and Zero Crossing Currents
            2.         Transient Analysis: Step Power and Voltage Sag Response
          2.        Impact of Latency
            1.         Fault Analysis: Grid Short-Circuit
          3.        Impact of Gain Error
            1.         Power Disturbance in AC/DC Caused by Gain Error
            2.         AC/DC Response to Power Disturbance Caused by Gain Error
          4.        Impact of Offset
        3.       Point C and D – AC/DC DC Link Current Sensing
          1.        Impact of Bandwidth on Feedforward Performance
          2.        Impact of Latency on Power Switch Protection
          3.        Impact of Gain Error on Power Measurement
            1.         Transient Analysis: Feedforward in Point D
          4.        Impact of Offset
        4.       Summary of Positives and Negatives at Point A, B, C1/2 and D1/2 and Product Suggestions
      4.      Current Sensing in DC/DC Converters
        1.       Basic Operation Principle of Isolated DC/DC Converter With Phase-Shift Control
        2.       Point E, F - DC/DC Current Sensing
          1.        Impact of Bandwidth
          2.        Impact of Gain Error
          3.        Impact of Offset Error
        3.       Point G - DC/DC Tank Current Sensing
        4.       Summary of Sensing Points E, F, and G and Product Suggestions
      5.      Conclusion
      6.      References
    3.     Using isolated comparators for fault detection in electric motor drives
      1.      Introduction
      2.      Introduction to electric motor drives
      3.      Understanding fault events in electric motor drives
      4.      Achieving reliable detection and protection in electric motor drives
      5.      Use case No. 1: Bidirectional in-phase overcurrent detection
      6.      Use case No. 2: DC+ overcurrent detection
      7.      Use case No. 3: DC– overcurrent or short-circuit detection
      8.      Use case No. 4: DC-link (DC+ to DC–) overvoltage and undervoltage detection
      9.      Use case No. 5: IGBT module overtemperature detection
    4.     Discrete DESAT for Opto-Compatible Isolated Gate Driver UCC23513 in Motor Drives
      1.      Abstract
      2.      Introduction
      3.      System Challenge on Isolated Gate Drivers With Integrated DESAT
      4.      System Approach With UCC23513 and AMC23C11
        1.       System Overview and Key Specification
        2.       Schematic Design
          1.        Circuit Schematic
          2.        Configure VCE(DESAT) Threshold and DESAT Bias Current
          3.        DESAT Blanking Time
          4.        DESAT Deglitch Filter
        3.       Reference PCB Layout
      5.      Simulation and Test Results
        1.       Simulation Circuit and Results
          1.        Simulation Circuit
          2.        Simulation Results
        2.       Test Results With 3-Phase IGBT Inverter
          1.        Brake IGBT Test
          2.        Test Results on a 3-Phase Inverter With Phase to Phase Short
      6.      Summary
      7.      References
    5.     Isolated voltage sensing in AC motor drives
      1.      Introduction
      2.      Conclusion
      3.      References
    6.     Achieving High-Performance Isolated Current and Voltage Sensing in Server PSUs
      1.      Application Brief
  9.   Additional Reference Designs/Circuits
    1.     Designing a Bootstrap Charge-Pump Power Supply for an Isolated Amplifier
      1.      Abstract
      2.      Introduction
      3.      Bootstrap Power Supply Design
        1.       Selection of Charge Pump Capacitor
        2.       Simulation in TINA-TI
        3.       Hardware Test with AMC1311-Q1
      4.      Summary
      5.      Reference
    2.     Clock Edge Delay Compensation With Isolated Modulators Digital Interface to MCUs
      1.      Abstract
      2.      Introduction
      3.      Design Challenge With Digital Interface Timing Specifications
      4.      Design Approach With Clock Edge Delay Compensation
        1.       Clock Signal Compensation With Software Configurable Phase Delay
        2.       Clock Signal Compensation With Hardware Configurable Phase Delay
        3.       Clock Signal Compensation by Clock Return
        4.       Clock Signal Compensation by Clock Inversion at the MCU
      5.      Test and Validation
        1.       Test Equipment and Software
        2.       Testing of Clock Signal Compensation With Software Configurable Phase Delay
          1.        Test Setup
          2.        Test Measurement Results
        3.       Testing of Clock Signal Compensation by Clock Inversion at MCU
          1.        Test Setup
          2.        Test Measurement Results
            1.         Test Result – No Clock Inversion of Clock Input at GPIO123
            2.         Test Result – Clock Inversion of Clock Input at GPIO123
        4.       Digital Interface Timing Validation by Calculation Tool
          1.        Digital Interface With No Compensation Method
          2.        Commonly Used Method - Reduction of the Clock Frequency
          3.        Clock Edge Compensation With Software Configurable Phase Delay
      6.      Conclusion
      7.      References
    3.     Utilizing AMC3311 to Power AMC23C11 for Isolated Sensing and Fault Detection
      1.      Application Brief

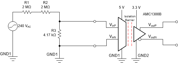
Design Goals

Voltage Source AMC1300B Input Voltage AMC1300B Output Voltage (1.44VCM) Power Supplies
VMAX VMIN VIN DIFF, MAX VIN DIFF, MIN VOUT DIFF, MAX VOUT DIFF, MIN VDD1 VDD2
+240V –240V +250mV –250mV +2.05V –2.05V 3.0V–5.5V 3.0V–5.5V

Design Description I

This circuit performs a high-voltage, differential measurement using a voltage divider and a ±250-mV differential input, differential output, AMC1300B isolated amplifier. Because it is a low-input impedance device, the AMC1300B is better suited for current sensing applications. The interaction of the input impedance of the isolated amplifier and the input voltage divider introduces a gain error. Additionally, bias current passing out of the low-impedance inputs and through the voltage sense resistor causes a significant offset error. We will first design without compensating for these errors. Then, we will observe their effects and describe them mathematically. Finally, we will redesign to limit their effects and observe the improved results.

The voltage-divider circuit reduces the input voltage from ±240V to ±250mV so as to match the input range of the isolation amplifier. The AMC1300B requires both high- and low-side power supplies. The high-side supply will often be generated using a floating supply or from the low side using an isolated transformer or isolated DC/DC converter. The AMC1300B can measure differential signals of ±250mV with a fixed gain of 8.2V/V and output an isolated differential output voltage of ±2.05V with an output common-mode voltage of 1.44V. The differential output voltage can be scaled as necessary using an additional operational amplifier, as shown in Interfacing a Differential-Output (Isolated) Amplifier to a Single-Ended Input ADC Tech Note with the TLV6001 device, to interface with an ADC.

Design Notes I

  1. Verify that the isolation amplifier will remain in its linear region of operation for the desired input signal range. This can be achieved using a DC sweep simulation as demonstrated in the DC Transfer Characteristics I section.
  2. Ensure the resistors used in the resistor divider circuit (R1–R3) are capable of dissipating the power supplied from the voltage source.
  3. Check that the input voltage applied to the device will remain within the range specified by the data sheet. Should the input range be violated, ensure that the input current remains below 10 mA to avoid damaging the part. If the system is susceptible to transient events, consider adding TVS diodes to the inputs.

Design Steps I

  1. Calculate the required voltage divider attenuation based on the ratio of the input voltage source (Vsource) to the full-scale input voltage of the AMC1300B (VIN_AMC_FSR).
    GaIn = V IN_AMC_FSR V source = 250 mV 240 V = 1 960 V / V
  2. Select a resistance for the top portion of the voltage divider (R1 and R2). Note that power consumption is equal to I2R and by Ohm's law, current and resistivity are inversely proportional. A linear increase in resistivity will lead to a linear decrease in power. For this reason, choosing large resistance values will minimize overall power consumption. These components dominate the power consumption of the voltage divider. So, select the value of Rtop to meet a peak power specification for the voltage divider.
    Rtop = R 1 + R 2
    P peak     15 mW
    P = I 2 R = V 2 R ,   P p e a k = V p e a k 2 R
    Rtop V peak 2 P peak = 240 2 0 . 015 = 3 . 86
    R t o p = 4 M Ω
  3. Split the Rtop resistance value into multiple resistors to minimize the power rating required of each resistor.
    R 1 = R 2 = 2
  4. Next, assume the input resistance of the isolation amplifier is large. The input voltage seen by the part from the voltage source will be determined by the voltage divider effect created by Rtop with R3. Solve for R3.
    V In = V source R 3 R 3 + Rtop
    V In V source = R 3 R 3 + Rtop
    R 3 V In + RtopV In = R 3 V source
    R top V In = R 3 V source - V In
    R 3 = V In Rtop V source - V In = ( 250 mV ) 4 240 V - 250 mV 4 . 17

DC Transfer Characteristics I

The following graphs show the simulated output for a ±240V source. The source is swept from –300V to +300V and the input and output voltages of the amplifier are observed. The desired linear ranges are ±250mV at the input of the amplifier and ±2.05V at the output of the amplifier. At the input of the amplifier, we expect to see an offset error of 0 and a gain of about 1.042mV/V due to the voltage division of the voltage divider. At the output of the amplifier, we again expect to see an offset error of 0 and a gain of 8.542mV/V due to the attenuation of the voltage source of the voltage divider followed by the fixed 8.2V/V gain of the AMC1300B.

As can be seen in the following graphs , the simulated results do not match the desired, ideal output. At the input of the amplifier, an offset voltage error of 107mV is present. This is significant when compared to the ±250-mV input range of the part. This offset error is carried over to the output of the amplifier, where an 837-mV offset takes up a large portion of the ±2.05-V output range of the amplifier. The circuit also demonstrates a significant gain error. Despite expecting a gain of 1.042mV/V at the input from the voltage divider and 8.540mV/V at the output of the device, we instead observe gains of 0.853mV/V and 6.842mV/V, respectively, yielding large gain errors of approximately 18.1% and 19.9%. The following section will define better design practices.

Design Description II

The previous method is appropriate for voltage sensing applications when using devices with large input resistances, such as 1MΩ or greater. The AMC1300B device has a differential input impedance of 22kΩ which leads to the offset and gain errors shown previously. Gain and offset errors when using a low-input impedance amp for voltage sensing in this circuit configuration can be estimated using the following formulas.

Gain   Error   ( % )   =   R 3 R ind × 100
Offset   Error   ( V )   =   I bias × R 3

The gain error is a result of a non-ideal voltage division by R3. Because the input resistance of the amplifier is comparable in size to R3, some of the current passing out of R1 and R2 will not pass through R3, but instead pass through the input of the amplifier. The result will be an unexpected voltage drop at the input of the amplifier. Consequently, the formula presented in 4 of the Design Steps I section will not be valid and a more complete formula that considers the input impedance of the amplifier being parallel to R3 must be considered. The offset error is the product of the bias current flowing out of the positive input pin of the isolated amplifier, through the shunt resistor, R3. This bias current across R3 can lead to significant offset voltages at the input that are then amplified and passed to the output.

Using the previous formulas allows one to estimate the errors of the circuit in the Design Steps I section. Using the typical data sheet values, the differential input resistance is 22kΩ and the input bias current is 30µA. Our designed value for R3 is 4.17kΩ and as a result one would expect to see a gain error of 18.7% and an offset error of 125mV at the input of the amplifier. In comparison, the simulated errors had a gain error of 19.9% at the output of the amplifier and 107mV of offset at the input. These error formulas serve as valuable tools to get a quick idea of the expected magnitude of the errors. Without needing to perform simulations, one can get an idea of whether or not the expected errors will be acceptable for the end use case.

As noted in the AMC1300 Precision, ±250-mV Input, Reinforced Isolated Amplifier Data Sheet, for voltage sensing applications the introduction of R3' in series with the inverting terminal of the amplifier can reduce the offset and gain errors. The bias current of the amplifier will generate a similar offset at the negative input pin as at the positive input pin. This will greatly reduce the magnitude of the overall offset voltage. Additionally, the effects of the input resistance of the amplifier and R3' will be taken into account when selecting the value of R3. This will provide a more ideal voltage division of the 240-V source and will improve the overall gain error.

Design Steps II - Consideration of R3'

As in Design Steps I, the Gain and Rtop resistance calculations are exactly the same, we are more interested in calculating R3 and R3' to provide the best circuit performance.

  1. Note that the bottom portion of the resistor divider will set the input voltage range for the isolation amplifier. The ideal value for R3 is dependent on the gain, Rtop and Rind, where Rind is the differential input impedance of the amplifier. As a reminder, Rtop is the combination of R1 + R2.
    R 3 = Gain × Rtop 1 - Gain - ( Gain × 2 × Rtop RInd )
    R 3   =   0 . 001042 × 4 1 - 0 . 001042 - 0 . 001042 × 8 22 . 22   =   6 . 67784  
  2. The purpose of R3’ is to cancel out the gain error introduced by the bias current flowing through R3. The ideal R3’ would be the parallel combination of Rtop and R3. Use the following equation to calculate R3’.
    R 3 ' = Rtop × R 3 Rtop + R 3
    R 3 ' = 4 × 6 . 67784 4   +   6 . 67784   =   6 . 66671  

This is the resulting ideal circuit configuration. Note that Rind, shown in red, is shown to represent the differential input resistance of the AMC1300B and should not be added to the schematic.

DC Transfer Characteristics II

The following graphs show the simulated output for a ±240-V source using the new design. Recall that the desired linear ranges are ±250mV at the input of the amplifier and ±2.05V at the output of the amplifier.

Clearly, the new design offers a dramatically improved offset error. The input offset voltage and gain error have been reduced to zero. The revised circuit also demonstrates better gain error performance due to the more accurate calculation used to find the desired value of R3 for the input voltage divider and the ideal value for R3’.

This positive outcome is a consequence of the addition of R3’ to cancel the offset voltage introduced in the original design by the bias current of the AMC1300B device through R3. The drawback is that the ideal values for R3 and R3’ are not commercially available, and in reality it would not be practical to use two different resistor values which are so close together.

Using the Analog Engineers Calculator, it is possible to find the nearest E189 series resistor values that are readily available. In both cases, the nearest 0.1% resistor value to the calculated ideal values for R3 and R3’ are 6.65kΩ. The final circuit diagram follows.

With readily available resistors used for R3 and R3', the circuit performance is still quite good as can be seen in the following graphs. The gain error on the input has been reduced from 18.2% to 0.3%. The gain error at the output has been reduced from 19.9% to 0.4%. The offset errors are also reduced to 195µV on the input and 2mV at the output.

AC Transfer Characteristics II

An AC sweep validates the frequency range across which one can expect to see the desired output. From the following simulation plot, the simulated gain of –41.40 dB, or 8.51mV/V, matches the gain result from the DC output plot. This is relatively close to the desired output gain of –41.37dB, or 8.54mV/V, as discussed in the previous section. The simulated bandwidth of the design, 313.1kHz, slightly exceeds the expectation set by the typical bandwidth specification of 310kHz in the data sheet.

References

  1. Analog Engineer's Circuit Cookbooks
  2. Analog Engineer's Calculator
  3. TI Precision Labs

Design Featured Isolated Op Amp

AMC1300B
VDD1 3.0V–5.5V
VDD2 3V–5.5V
Input Voltage range ±250mV
Nominal Gain 8.2
VOUT Differential ±2.05V on output common-mode of 1.44V
Input Resistance 19kΩ (typ, single-ended), 22kΩ (typ, differential)
Small Signal Bandwidth 310kHz
Input Offset Voltage and Drift ±0.2mV (max), ±3µV/°C (max)
Gain Error and Drift ±0.3% (max), ±15 ppm/°C (typ)
Nonlinearity and Drift ±0.03% (max), ±1 ppm/°C (typ)
Isolation Transient Overvoltage 7.071kVPEAK
Working Voltage 1.5kVRMS, 2.121kVDC
Common-mode transient immunity, CMTI 75 kV/µs (min), 140 kV/µs (typ)
AMC1300

Design Alternate Isolated Op Amp

AMC1200
VDD1 4.5V–5.5V
VDD2 2.7V–5.5V
Input Voltage range ±250mV
Nominal Gain 8
VOUT Differential ±2V, common-mode varies with supply range
Input Resistance 28kΩ (typ, differential)
Small Signal Bandwidth 100kHz
Input Offset Voltage and Drift ±1.5mV (max), ±10µV/°C (max)
Gain Error and Drift ±1% (max), ±56 ppm/°C (typ)
Nonlinearity and Drift ±0.1% (max), ±2.4 ppm/°C (typ)
Isolation Transient Overvoltage 4kVPEAK
Working Voltage 1.2kVpeak
Common-mode transient immunity, CMTI 10kV/µs (min), 15kV/µs (typ)
AMC1200