SPRUHZ7K August   2015  – April 2024 AM5706 , AM5708 , AM5716 , AM5718 , AM5718-HIREL

 

  1.   1
  2.   Preface
    1.     Support Resources
    2.     About This Manual
    3.     Information About Cautions and Warnings
    4.     Register, Field, and Bit Calls
    5.     Coding Rules
    6.     Flow Chart Rules
    7.     Export Control Notice
    8.     AM571x, AM570x MIPI® Disclaimer
    9.     Trademarks
  3. Introduction
    1. 1.1 AM571x, AM570x Overview
    2. 1.2 AM571x, AM570x Environment
    3. 1.3 AM571x, AM570x Description
      1. 1.3.1  MPU Subsystem
      2. 1.3.2  DSP Subsystem
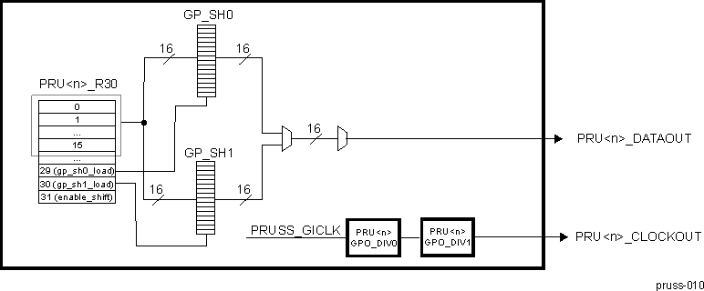
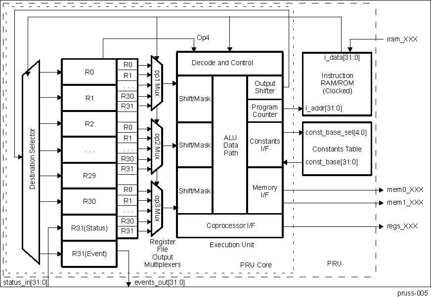
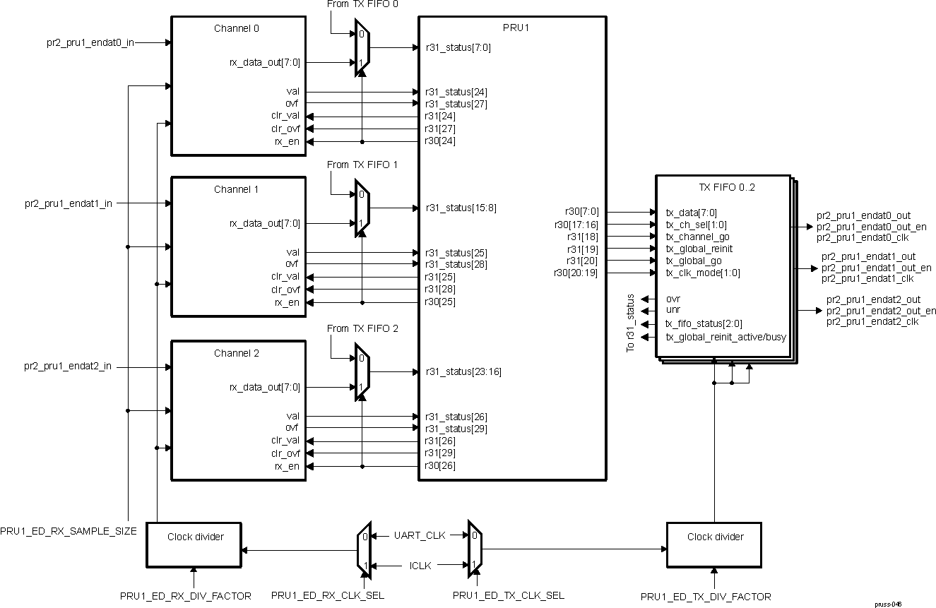
      3. 1.3.3  PRU-ICSS
      4. 1.3.4  IPU Subsystems
      5. 1.3.5  IVA-HD Subsystem
      6. 1.3.6  Display Subsystem
      7. 1.3.7  Video Processing Subsystem
      8. 1.3.8  Video Capture
      9. 1.3.9  3D GPU Subsystem
      10. 1.3.10 BB2D Subsystem
      11. 1.3.11 Camera Interface Subsystem
      12. 1.3.12 On-Chip Debug Support
      13. 1.3.13 Power, Reset, and Clock Management
      14. 1.3.14 On-Chip Memory
      15. 1.3.15 Memory Management
      16. 1.3.16 External Memory Interfaces
      17. 1.3.17 System and Connectivity Peripherals
        1. 1.3.17.1 System Peripherals
        2. 1.3.17.2 Media Connectivity Peripherals
        3. 1.3.17.3 Connectivity Peripherals
        4. 1.3.17.4 Audio Connectivity Peripherals
        5. 1.3.17.5 Serial Control Peripherals
    4. 1.4 AM571x, AM570x Family
    5. 1.5 AM571x, AM570x Device Identification
    6. 1.6 AM571x, AM570x Package Characteristics Overview
  4. Memory Mapping
    1. 2.1 Introduction
    2. 2.2 L3_MAIN Memory Map
      1. 2.2.1 L3_INSTR Memory Map
    3. 2.3 L4 Memory Map
      1. 2.3.1 L4_CFG Memory Map
      2. 2.3.2 L4_WKUP Memory Map
      3. 2.3.3 L4_PER Memory Map
        1. 2.3.3.1 L4_PER1 Memory Map
        2. 2.3.3.2 L4_PER2 Memory Map
        3. 2.3.3.3 L4_PER3 Memory Map
    4. 2.4 MPU Memory Map
    5. 2.5 IPU Memory Map
    6. 2.6 DSP Memory Map
    7. 2.7 PRU-ICSS Memory Map
    8. 2.8 TILER View Memory Map
  5. Power, Reset, and Clock Management
    1. 3.1  Device Power Management Introduction
      1. 3.1.1 Device Power-Management Architecture Building Blocks
        1. 3.1.1.1 Clock Management
          1. 3.1.1.1.1 Module Interface and Functional Clocks
          2. 3.1.1.1.2 62
          3. 3.1.1.1.3 Module-Level Clock Management
          4. 3.1.1.1.4 Clock Domain
          5. 3.1.1.1.5 Clock Domain-Level Clock Management
          6. 3.1.1.1.6 Clock Domain HW_AUTO Mode Sequences
          7. 3.1.1.1.7 Clock Domain Sleep/Wake-up
          8. 3.1.1.1.8 Clock Domain Dependency
            1. 3.1.1.1.8.1 Static Dependency
            2. 3.1.1.1.8.2 Dynamic Dependency
            3. 3.1.1.1.8.3 Wake-Up Dependency
        2. 3.1.1.2 Power Management
          1. 3.1.1.2.1 Power Domain
          2. 3.1.1.2.2 Module Logic and Memory Context
          3. 3.1.1.2.3 Power Domain Management
        3. 3.1.1.3 Voltage Management
          1. 3.1.1.3.1 Voltage Domain
          2. 3.1.1.3.2 Voltage Domain Management
          3. 3.1.1.3.3 AVS Overview
            1. 3.1.1.3.3.1 AVS Class 0 (SmartReflex™) Voltage Control
      2. 3.1.2 Power-Management Techniques
        1. 3.1.2.1 Standby Leakage Management
        2. 3.1.2.2 Dynamic Voltage and Frequency Scaling
        3. 3.1.2.3 Dynamic Power Switching
        4. 3.1.2.4 Adaptive Voltage Scaling
        5. 3.1.2.5 Adaptive Body Bias
        6. 3.1.2.6 87
        7. 3.1.2.7 SR3-APG (Automatic Power Gating)
        8. 3.1.2.8 Combining Power-Management Techniques
          1. 3.1.2.8.1 DPS Versus SLM
    2. 3.2  PRCM Subsystem Overview
      1. 3.2.1 Introduction
      2. 3.2.2 Power-Management Framework Features
    3. 3.3  PRCM Subsystem Environment
      1. 3.3.1 External Clock Signals
      2. 3.3.2 External Boot Signals
      3. 3.3.3 External Reset Signals
      4. 3.3.4 External Voltage Inputs
    4. 3.4  PRCM Subsystem Integration
      1. 3.4.1 Device Power-Management Layout
      2. 3.4.2 Power-Management Scheme, Reset, and Interrupt Requests
        1. 3.4.2.1 Power Domain
        2. 3.4.2.2 Resets
        3. 3.4.2.3 PRCM Interrupt Requests
        4. 3.4.2.4 105
    5. 3.5  Reset Management Functional Description
      1. 3.5.1 Overview
        1. 3.5.1.1 PRCM Reset Management Functional Description
          1. 3.5.1.1.1 Power-On Reset
          2. 3.5.1.1.2 Warm Reset
        2. 3.5.1.2 PRM Reset Management Functional Description
      2. 3.5.2 General Characteristics of Reset Signals
        1. 3.5.2.1 Scope
        2. 3.5.2.2 Occurrence
        3. 3.5.2.3 Source Type
        4. 3.5.2.4 Retention Type
      3. 3.5.3 Reset Sources
        1. 3.5.3.1 Global Reset Sources
        2. 3.5.3.2 Local Reset Sources
      4. 3.5.4 Reset Logging
      5. 3.5.5 Reset Domains
      6. 3.5.6 Reset Sequences
        1. 3.5.6.1  MPU Subsystem Power-On Reset Sequence
        2. 3.5.6.2  MPU Subsystem Warm Reset Sequence
        3. 3.5.6.3  MPU Subsystem Reset Sequence on Sleep and Wake-Up Transitions From RETENTION State
        4. 3.5.6.4  IVA Subsystem Power-On Reset Sequence
        5. 3.5.6.5  IVA Subsystem Software Warm Reset Sequence
        6. 3.5.6.6  DSP1 Subsystem Power-On Reset Sequence
        7. 3.5.6.7  DSP1 Subsystem Software Warm Reset Sequence
        8. 3.5.6.8  IPU1 Subsystem Power-On Reset Sequence
        9. 3.5.6.9  IPU1 Subsystem Software Warm Reset Sequence
        10. 3.5.6.10 IPU2 Subsystem Power-On Reset Sequence
        11. 3.5.6.11 IPU2 Subsystem Software Warm Reset Sequence
        12. 3.5.6.12 Global Warm Reset Sequence
    6. 3.6  Clock Management Functional Description
      1. 3.6.1 Overview
      2. 3.6.2 External Clock Inputs
        1. 3.6.2.1 FUNC_32K_CLK Clock
        2. 3.6.2.2 High-Frequency System Clock Input
        3. 3.6.2.3 External Reference Clock Input
      3. 3.6.3 Internal Clock Sources and Generators
        1. 3.6.3.1  PRM Clock Source
        2. 3.6.3.2  CM Clock Source
          1. 3.6.3.2.1 CM_CORE_AON Clock Generator
          2. 3.6.3.2.2 CM_CORE_AON_CLKOUTMUX Overview
          3. 3.6.3.2.3 CM_CORE_AON_TIMER Overview
          4. 3.6.3.2.4 CM_CORE_AON_MCASP Overview
        3. 3.6.3.3  Generic DPLL Overview
          1. 3.6.3.3.1 Generic APLL Overview
          2. 3.6.3.3.2 DPLLs Output Clocks Parameters
          3. 3.6.3.3.3 Enable Control, Status, and Low-Power Operation Mode
          4. 3.6.3.3.4 DPLL Power Modes
          5. 3.6.3.3.5 DPLL Recalibration
          6. 3.6.3.3.6 DPLL Output Power Down
        4. 3.6.3.4  DPLL_PER Description
          1. 3.6.3.4.1 DPLL_PER Overview
          2. 3.6.3.4.2 DPLL_PER Synthesized Clock Parameters
          3. 3.6.3.4.3 DPLL_PER Power Modes
          4. 3.6.3.4.4 DPLL_PER Recalibration
        5. 3.6.3.5  DPLL_CORE Description
          1. 3.6.3.5.1 DPLL_CORE Overview
          2. 3.6.3.5.2 DPLL_CORE Synthesized Clock Parameters
          3. 3.6.3.5.3 DPLL_CORE Power Modes
          4. 3.6.3.5.4 DPLL_CORE Recalibration
        6. 3.6.3.6  DPLL_ABE Description
          1. 3.6.3.6.1 DPLL_ABE Overview
          2. 3.6.3.6.2 DPLL_ABE Synthesized Clock Parameters
          3. 3.6.3.6.3 DPLL_ABE Power Modes
          4. 3.6.3.6.4 DPLL_ABE Recalibration
        7. 3.6.3.7  DPLL_MPU Description
          1. 3.6.3.7.1 DPLL_MPU Overview
          2. 3.6.3.7.2 DPLL_MPU Tactical Clocking Adjustment
          3. 3.6.3.7.3 DPLL_MPU Synthesized Clock Parameters
          4. 3.6.3.7.4 DPLL_MPU Power Modes
          5. 3.6.3.7.5 DPLL_MPU Recalibration
        8. 3.6.3.8  DPLL_IVA Description
          1. 3.6.3.8.1 DPLL_IVA Overview
          2. 3.6.3.8.2 DPLL_IVA Synthesized Clock Parameters
          3. 3.6.3.8.3 DPLL_IVA Power Modes
          4. 3.6.3.8.4 DPLL_IVA Recalibration
        9. 3.6.3.9  DPLL_USB Description
          1. 3.6.3.9.1 DPLL_USB Overview
          2. 3.6.3.9.2 DPLL_USB Synthesized Clock Parameters
          3. 3.6.3.9.3 DPLL_USB Power Modes
          4. 3.6.3.9.4 DPLL_USB Recalibration
        10. 3.6.3.10 DPLL_DSP Description
          1. 3.6.3.10.1 DPLL_DSP Overview
          2. 3.6.3.10.2 DPLL_DSP Synthesized Clock Parameters
          3. 3.6.3.10.3 DPLL_DSP Power Modes
          4. 3.6.3.10.4 DPLL_DSP Recalibration
        11. 3.6.3.11 DPLL_GMAC Description
          1. 3.6.3.11.1 DPLL_GMAC Overview
          2. 3.6.3.11.2 DPLL_GMAC Synthesized Clock Parameters
          3. 3.6.3.11.3 DPLL_GMAC Power Modes
          4. 3.6.3.11.4 DPLL_GMAC Recalibration
        12. 3.6.3.12 DPLL_GPU Description
          1. 3.6.3.12.1 DPLL_GPU Overview
          2. 3.6.3.12.2 DPLL_GPU Synthesized Clock Parameters
          3. 3.6.3.12.3 DPLL_GPU Power Modes
          4. 3.6.3.12.4 DPLL_GPU Recalibration
        13. 3.6.3.13 DPLL_DDR Description
          1. 3.6.3.13.1 DPLL_DDR Overview
          2. 3.6.3.13.2 DPLL_DDR Synthesized Clock Parameters
          3. 3.6.3.13.3 DPLL_DDR Power Modes
          4. 3.6.3.13.4 DPLL_DDR Recalibration
        14. 3.6.3.14 DPLL_PCIE_REF Description
          1. 3.6.3.14.1 DPLL_PCIE_REF Overview
          2. 3.6.3.14.2 DPLL_PCIE_REF Synthesized Clock Parameters
          3. 3.6.3.14.3 DPLL_PCIE_REF Power Modes
        15. 3.6.3.15 APLL_PCIE Description
          1. 3.6.3.15.1 APLL_PCIE Overview
          2. 3.6.3.15.2 APLL_PCIE Synthesized Clock Parameters
          3. 3.6.3.15.3 APLL_PCIE Power Modes
      4. 3.6.4 Clock Domains
        1. 3.6.4.1  CD_WKUPAON Clock Domain
          1. 3.6.4.1.1 CD_WKUPAON Overview
          2. 3.6.4.1.2 CD_WKUPAON Clock Domain Modes
          3. 3.6.4.1.3 CD_WKUPAON Clock Domain Dependency
            1. 3.6.4.1.3.1 CD_WKUPAON Wake-Up Dependency
          4. 3.6.4.1.4 CD_WKUPAON Clock Domain Module Attributes
        2. 3.6.4.2  CD_DSP1 Clock Domain
          1. 3.6.4.2.1 CD_DSP1 Overview
          2. 3.6.4.2.2 CD_DSP1 Clock Domain Modes
          3. 3.6.4.2.3 CD_DSP1 Clock Domain Dependency
            1. 3.6.4.2.3.1 CD_DSP1 Static Dependency
            2. 3.6.4.2.3.2 CD_DSP1 Dynamic Dependency
          4. 3.6.4.2.4 CD_DSP1 Clock Domain Module Attributes
        3. 3.6.4.3  CD_CUSTEFUSE Clock Domain
          1. 3.6.4.3.1 CD_CUSTEFUSE Overview
          2. 3.6.4.3.2 CD_CUSTEFUSE Clock Domain Modes
          3. 3.6.4.3.3 CD_CUSTEFUSE Clock Domain Dependency
          4. 3.6.4.3.4 CD_CUSTEFUSE Clock Domain Module Attributes
        4. 3.6.4.4  CD_MPU Clock Domain
          1. 3.6.4.4.1 CD_MPU Overview
          2. 3.6.4.4.2 CD_MPU Clock Domain Modes
          3. 3.6.4.4.3 CD_MPU Clock Domain Dependency
            1. 3.6.4.4.3.1 CD_MPU Static Dependency
            2. 3.6.4.4.3.2 CD_MPU Dynamic Dependency
          4. 3.6.4.4.4 CD_MPU Clock Domain Module Attributes
        5. 3.6.4.5  CD_L4PER1 Clock Domain
          1. 3.6.4.5.1 CD_L4PER1 Overview
          2. 3.6.4.5.2 CD_L4PER1 Clock Domain Modes
          3. 3.6.4.5.3 CD_L4PER1 Clock Domain Dependency
            1. 3.6.4.5.3.1 CD_L4PER1 Dynamic Dependency
            2. 3.6.4.5.3.2 CD_L4PER1 Wake-Up Dependency
          4. 3.6.4.5.4 CD_L4PER1 Clock Domain Module Attributes
        6. 3.6.4.6  CD_L4PER2 Clock Domain
          1. 3.6.4.6.1 CD_L4PER2 Overview
          2. 3.6.4.6.2 CD_L4PER2 Clock Domain Modes
          3. 3.6.4.6.3 CD_L4PER2 Clock Domain Dependency
            1. 3.6.4.6.3.1 CD_L4PER2 Dynamic Dependency
            2. 3.6.4.6.3.2 CD_L4PER2 Wake-Up Dependency
          4. 3.6.4.6.4 CD_L4PER2 Clock Domain Module Attributes
        7. 3.6.4.7  CD_L4PER3 Clock Domain
          1. 3.6.4.7.1 CD_L4PER3 Overview
          2. 3.6.4.7.2 CD_L4PER3 Clock Domain Modes
          3. 3.6.4.7.3 CD_L4PER3 Clock Domain Dependency
            1. 3.6.4.7.3.1 CD_L4PER3 Dynamic Dependency
            2. 3.6.4.7.3.2 CD_L4PER3 Wake-Up Dependency
          4. 3.6.4.7.4 CD_L4PER3 Clock Domain Module Attributes
        8. 3.6.4.8  CD_L4SEC Clock Domain
          1. 3.6.4.8.1 CD_L4SEC Overview
          2. 3.6.4.8.2 CD_L4SEC Clock Domain Modes
          3. 3.6.4.8.3 CD_L4SEC Clock Domain Dependency
            1. 3.6.4.8.3.1 CD_L4SEC Static Dependency
            2. 3.6.4.8.3.2 CD_L4SEC Dynamic Dependency
          4. 3.6.4.8.4 CD_L4SEC Clock Domain Module Attributes
          5. 3.6.4.8.5 268
        9. 3.6.4.9  CD_L3INIT Clock Domain
          1. 3.6.4.9.1 CD_L3INIT Overview
          2. 3.6.4.9.2 CD_L3INIT Clock Domain Modes
          3. 3.6.4.9.3 CD_L3INIT Clock Domain Dependency
            1. 3.6.4.9.3.1 CD_L3INIT Static Dependency
            2. 3.6.4.9.3.2 CD_L3INIT Dynamic Dependency
            3. 3.6.4.9.3.3 CD_L3INIT Wake-Up Dependency
          4. 3.6.4.9.4 CD_L3INIT Clock Domain Module Attributes
        10. 3.6.4.10 CD_IVA Clock Domain
          1. 3.6.4.10.1 CD_IVA Overview
          2. 3.6.4.10.2 CD_IVA Clock Domain Modes
          3. 3.6.4.10.3 CD_IVA Clock Domain Dependency
            1. 3.6.4.10.3.1 CD_IVA Static Dependency
            2. 3.6.4.10.3.2 CD_IVA Dynamic Dependency
          4. 3.6.4.10.4 CD_IVA Clock Domain Module Attributes
        11. 3.6.4.11 CD_GPU Description
          1. 3.6.4.11.1 CD_GPU Overview
          2. 3.6.4.11.2 CD_GPU Clock Domain Modes
          3. 3.6.4.11.3 CD_GPU Clock Domain Dependency
            1. 3.6.4.11.3.1 CD_GPU Static Dependency
            2. 3.6.4.11.3.2 CD_GPU Dynamic Dependency
          4. 3.6.4.11.4 CD_GPU Clock Domain Module Attributes
        12. 3.6.4.12 CD_EMU Clock Domain
          1. 3.6.4.12.1 CD_EMU Overview
          2. 3.6.4.12.2 CD_EMU Clock Domain Modes
          3. 3.6.4.12.3 CD_EMU Clock Domain Dependency
            1. 3.6.4.12.3.1 CD_EMU Dynamic Dependency
          4. 3.6.4.12.4 CD_EMU Clock Domain Module Attributes
        13. 3.6.4.13 CD_DSS Clock Domain
          1. 3.6.4.13.1 CD_DSS Overview
          2. 3.6.4.13.2 CD_DSS Clock Domain Modes
          3. 3.6.4.13.3 CD_DSS Clock Domain Dependency
            1. 3.6.4.13.3.1 CD_DSS Static Dependency
            2. 3.6.4.13.3.2 CD_DSS Dynamic Dependency
            3. 3.6.4.13.3.3 CD_DSS Wake-Up Dependency
          4. 3.6.4.13.4 CD_DSS Clock Domain Module Attributes
        14. 3.6.4.14 CD_L4_CFG Clock Domain
          1. 3.6.4.14.1 CD_L4_CFG Overview
          2. 3.6.4.14.2 CD_L4_CFG Clock Domain Modes
          3. 3.6.4.14.3 CD_L4_CFG Clock Domain Dependency
            1. 3.6.4.14.3.1 CD_L4_CFG Dynamic Dependency
          4. 3.6.4.14.4 CD_L4_CFG Clock Domain Module Attributes
        15. 3.6.4.15 CD_L3_INSTR Clock Domain
          1. 3.6.4.15.1 CD_L3_INSTR Overview
          2. 3.6.4.15.2 CD_L3_INSTR Clock Domain Modes
          3. 3.6.4.15.3 CD_L3_INSTR Clock Domain Dependency
          4. 3.6.4.15.4 CD_L3_INSTR Clock Domain Module Attributes
        16. 3.6.4.16 CD_L3_MAIN1 Clock Domain
          1. 3.6.4.16.1 CD_L3_MAIN1 Overview
          2. 3.6.4.16.2 CD_L3_MAIN1 Clock Domain Modes
          3. 3.6.4.16.3 CD_L3_MAIN1 Clock Domain Dependency
            1. 3.6.4.16.3.1 CD_L3_MAIN1 Dynamic Dependency
          4. 3.6.4.16.4 CD_L3_MAIN1 Clock Domain Module Attributes
        17. 3.6.4.17 CD_EMIF Clock Domain
          1. 3.6.4.17.1 CD_EMIF Overview
          2. 3.6.4.17.2 CD_EMIF Clock Domain Modes
          3. 3.6.4.17.3 CD_EMIF Clock Domain Dependency
          4. 3.6.4.17.4 CD_EMIF Clock Domain Module Attributes
        18. 3.6.4.18 CD_IPU Clock Domain
          1. 3.6.4.18.1 CD_IPU Overview
          2. 3.6.4.18.2 CD_IPU Clock Domain Modes
          3. 3.6.4.18.3 CD_IPU Clock Domain Dependency
            1. 3.6.4.18.3.1 CD_IPU Static Dependency
            2. 3.6.4.18.3.2 CD_IPU Dynamic Dependency
          4. 3.6.4.18.4 CD_IPU Clock Domain Module Attributes
        19. 3.6.4.19 CD_IPU1 Clock Domain
          1. 3.6.4.19.1 CD_IPU1 Overview
          2. 3.6.4.19.2 CD_IPU1 Clock Domain Modes
          3. 3.6.4.19.3 CD_IPU1 Clock Domain Dependency
            1. 3.6.4.19.3.1 CD_IPU1 Static Dependency
            2. 3.6.4.19.3.2 CD_IPU1 Dynamic Dependency
          4. 3.6.4.19.4 CD_IPU1 Clock Domain Module Attributes
        20. 3.6.4.20 CD_IPU2 Clock Domain
          1. 3.6.4.20.1 CD_IPU2 Overview
          2. 3.6.4.20.2 CD_IPU2 Clock Domain Modes
          3. 3.6.4.20.3 CD_IPU2 Clock Domain Dependency
            1. 3.6.4.20.3.1 CD_IPU2 Static Dependency
            2. 3.6.4.20.3.2 CD_IPU2 Dynamic Dependency
          4. 3.6.4.20.4 CD_IPU2 Clock Domain Module Attributes
        21. 3.6.4.21 CD_DMA Clock Domain
          1. 3.6.4.21.1 CD_DMA Overview
          2. 3.6.4.21.2 CD_DMA Clock Domain Modes
          3. 3.6.4.21.3 CD_DMA Clock Domain Dependency
            1. 3.6.4.21.3.1 CD_DMA Static Dependency
            2. 3.6.4.21.3.2 CD_DMA Dynamic Dependency
          4. 3.6.4.21.4 CD_DMA Clock Domain Module Attributes
        22. 3.6.4.22 CD_ATL Clock Domain
          1. 3.6.4.22.1 CD_ATL Overview
          2. 3.6.4.22.2 CD_ATL Clock Domain Modes
          3. 3.6.4.22.3 CD_ATL Clock Domain Module Attributes
        23. 3.6.4.23 CD_CAM Clock Domain
          1. 3.6.4.23.1 CD_CAM Overview
          2. 3.6.4.23.2 CD_CAM Clock Domain Modes
          3. 3.6.4.23.3 CD_CAM Clock Domain Dependency
            1. 3.6.4.23.3.1 CD_CAM Static Dependency
            2. 3.6.4.23.3.2 CD_CAM Dynamic Dependency
          4. 3.6.4.23.4 CD_CAM Clock Domain Module Attributes
          5. 3.6.4.23.5 366
        24. 3.6.4.24 CD_GMAC Clock Domain
          1. 3.6.4.24.1 CD_GMAC Overview
          2. 3.6.4.24.2 CD_GMAC Clock Domain Modes
          3. 3.6.4.24.3 CD_GMAC Clock Domain Dependency
            1. 3.6.4.24.3.1 CD_GMAC Static Dependency
            2. 3.6.4.24.3.2 CD_GMAC Dynamic Dependency
          4. 3.6.4.24.4 CD_GMAC Clock Domain Module Attributes
        25. 3.6.4.25 CD_VPE Clock Domain
          1. 3.6.4.25.1 CD_VPE Overview
          2. 3.6.4.25.2 CD_VPE Clock Domain Modes
          3. 3.6.4.25.3 CD_VPE Clock Domain Dependency
            1. 3.6.4.25.3.1 CD_VPE Wake-Up Dependency
          4. 3.6.4.25.4 CD_VPE Clock Domain Module Attributes
        26. 3.6.4.26 CD_RTC Clock Domain
          1. 3.6.4.26.1 CD_RTC Overview
          2. 3.6.4.26.2 CD_RTC Clock Domain Modes
          3. 3.6.4.26.3 CD_RTC Clock Domain Dependency
            1. 3.6.4.26.3.1 CD_RTC Wake-Up Dependency
          4. 3.6.4.26.4 CD_RTC Clock Domain Module Attributes
        27. 3.6.4.27 CD_PCIE Clock Domain
          1. 3.6.4.27.1 CD_PCIE Overview
          2. 3.6.4.27.2 CD_PCIE Clock Domain Modes
          3. 3.6.4.27.3 CD_PCIE Clock Domain Dependency
            1. 3.6.4.27.3.1 CD_PCIE Wake-Up Dependency
          4. 3.6.4.27.4 CD_PCIE Clock Domain Module Attributes
    7. 3.7  Power Management Functional Description
      1. 3.7.1  PD_WKUPAON Description
        1. 3.7.1.1 PD_WKUPAON Power Domain Modes
          1. 3.7.1.1.1 PD_WKUPAON Logic and Memory Area Power Modes
      2. 3.7.2  PD_DSP1 Description
        1. 3.7.2.1 PD_DSP1 Power Domain Modes
          1. 3.7.2.1.1 PD_DSP1 Logic and Memory Area Power Modes
          2. 3.7.2.1.2 PD_DSP1 Logic and Memory Area Power Modes Control and Status
      3. 3.7.3  PD_CUSTEFUSE Description
        1. 3.7.3.1 PD_CUSTEFUSE Power Domain Modes
          1. 3.7.3.1.1 PD_CUSTEFUSE Logic and Memory Area Power Modes
          2. 3.7.3.1.2 PD_CUSTEFUSE Logic and Memory Area Power Modes Control and Status
      4. 3.7.4  PD_MPU Description
        1. 3.7.4.1 PD_MPU Power Domain Modes
          1. 3.7.4.1.1 PD_MPU Logic and Memory Area Power Modes
          2. 3.7.4.1.2 PD_MPU Logic and Memory Area Power Modes Control and Status
          3. 3.7.4.1.3 PD_MPU Power State Override
      5. 3.7.5  PD_IPU Description
        1. 3.7.5.1 PD_IPU Power Domain Modes
          1. 3.7.5.1.1 PD_IPU Logic and Memory Area Power Modes
          2. 3.7.5.1.2 PD_IPU Logic and Memory Area Power Modes Control and Status
      6. 3.7.6  PD_L3INIT Description
        1. 3.7.6.1 PD_L3INIT Power Domain Modes
          1. 3.7.6.1.1 PD_L3INIT Logic and Memory Area Power Modes
          2. 3.7.6.1.2 PD_L3INIT Logic and Memory Area Power Modes Control and Status
      7. 3.7.7  PD_L4PER Description
      8. 3.7.8  PD_IVA Description
        1. 3.7.8.1 PD_IVA Power Domain Modes
          1. 3.7.8.1.1 PD_IVA Logic and Memory Area Power Modes
          2. 3.7.8.1.2 PD_IVA Logic and Memory Area Power Modes Control and Status
      9. 3.7.9  PD_GPU Description
        1. 3.7.9.1 PD_GPU Power Domain Modes
          1. 3.7.9.1.1 PD_GPU Logic and Memory Area Power Modes
          2. 3.7.9.1.2 PD_GPU Logic and Memory Area Power Modes Control and Status
      10. 3.7.10 PD_EMU Description
      11. 3.7.11 PD_DSS Description
        1. 3.7.11.1 PD_DSS Power Domain Modes
          1. 3.7.11.1.1 PD_DSS Logic and Memory Area Power Modes
          2. 3.7.11.1.2 PD_DSS Logic and Memory Area Power Mode Control and Status
      12. 3.7.12 PD_CORE Description
        1. 3.7.12.1 PD_CORE Power Domain Modes
          1. 3.7.12.1.1 PD_CORE Logic and Memory Area Power Modes
          2. 3.7.12.1.2 PD_CORE Logic and Memory Area Power Mode Control and Status
      13. 3.7.13 PD_CAM Description
        1. 3.7.13.1 PD_CAM Power Domain Modes
          1. 3.7.13.1.1 PD_CAM Logic and Memory Area Power Modes
          2. 3.7.13.1.2 PD_CAM Logic and Memory Area Power Mode Control and Status
      14. 3.7.14 PD_MPUAON Description
        1. 3.7.14.1 PD_MPUAON Power Domain Modes
      15. 3.7.15 PD_MMAON Description
        1. 3.7.15.1 PD_MMAON Power Domain Modes
      16. 3.7.16 PD_COREAON Description
        1. 3.7.16.1 PD_COREAON Power Domain Modes
      17. 3.7.17 PD_VPE Description
        1. 3.7.17.1 PD_VPE Power Domain Modes
          1. 3.7.17.1.1 PD_VPE Logic and Memory Area Power Modes
          2. 3.7.17.1.2 PD_VPE Logic and Memory Area Power Modes Control and Status
      18. 3.7.18 PD_RTC Description
        1. 3.7.18.1 PD_RTC Power Domain Modes
          1. 3.7.18.1.1 PD_RTC Logic and Memory Area Power Modes
    8. 3.8  Voltage-Management Functional Description
      1. 3.8.1 Overview
      2. 3.8.2 Voltage-Control Architecture
      3. 3.8.3 Internal LDOs Control
        1. 3.8.3.1 VDD_MPU_L, VDD_CORE_L, and VDD_IVAHD_L, VDD_GPU_L, VDD_DSPEVE_L Control
          1. 3.8.3.1.1 Adaptive Voltage Scaling
            1. 3.8.3.1.1.1 SmartReflex in the Device
        2. 3.8.3.2 Memory LDOs
        3. 3.8.3.3 ABB LDOs Control
        4. 3.8.3.4 ABB LDO Programming Sequence
          1. 3.8.3.4.1 ABB LDO Enable Sequence
          2. 3.8.3.4.2 ABB LDO Disable Sequence (Entering in Bypass Mode)
        5. 3.8.3.5 BANDGAPs Control
      4. 3.8.4 DVFS
    9. 3.9  Device Low-Power States
      1. 3.9.1 Device Wake-Up Source Summary
      2. 3.9.2 Wakeup Upon Global Warm Reset
      3. 3.9.3 Global Warm Reset During a Device Wake-Up Sequence
      4. 3.9.4 I/O Management
        1. 3.9.4.1 Isolation / Wakeup Sequence
          1. 3.9.4.1.1 Software-Controlled I/O Isolation
    10. 3.10 PRCM Module Programming Guide
      1. 3.10.1 DPLLs Low-Level Programming Models
        1. 3.10.1.1 Global Initialization
          1. 3.10.1.1.1 Surrounding Module Global Initialization
          2. 3.10.1.1.2 DPLL Global Initialization
            1. 3.10.1.1.2.1 Main Sequence – DPLL Global Initialization
            2. 3.10.1.1.2.2 Subsequence – Recalibration Parameter Configuration
            3. 3.10.1.1.2.3 Subsequence – Synthesized Clock Parameter Configuration
            4. 3.10.1.1.2.4 Subsequence – Output Clock Parameter Configuration
        2. 3.10.1.2 DPLL Output Frequency Change
      2. 3.10.2 Clock Management Low-Level Programming Models
        1. 3.10.2.1 Global Initialization
          1. 3.10.2.1.1 Surrounding Module Global Initialization
          2. 3.10.2.1.2 Clock Management Global Initialization
            1. 3.10.2.1.2.1 Main Sequence – Clock Domain Global Initialization
        2. 3.10.2.2 Clock Domain Sleep Transition and Troubleshooting
        3. 3.10.2.3 Enable/Disable Software-Programmable Static Dependency
      3. 3.10.3 Power Management Low-Level Programming Models
        1. 3.10.3.1 Global Initialization
          1. 3.10.3.1.1 Surrounding Module Global Initialization
          2. 3.10.3.1.2 Power Management Global Initialization
            1. 3.10.3.1.2.1 Main Sequence – Power Domain Global Initialization and Setting
        2. 3.10.3.2 Forced Memory Area State Change With Power Domain ON
        3. 3.10.3.3 Forced Power Domain Low-Power State Transition
    11. 3.11 497
    12. 3.12 PRCM Software Configuration for OPP_PLUS
    13. 3.13 PRCM Register Manual
      1. 3.13.1  Not Supported Functionality (Registers and Bits)
      2. 3.13.2  PRCM Instance Summary
      3. 3.13.3  CM_CORE_AON__CKGEN Registers
        1. 3.13.3.1 CM_CORE_AON__CKGEN Register Summary
        2. 3.13.3.2 CM_CORE_AON__CKGEN Register Description
      4. 3.13.4  CM_CORE_AON__DSP1 Registers
        1. 3.13.4.1 CM_CORE_AON__DSP1 Register Summary
        2. 3.13.4.2 CM_CORE_AON__DSP1 Register Description
      5. 3.13.5  CM_CORE_AON__DSP2 Registers
        1. 3.13.5.1 CM_CORE_AON__DSP2 Register Summary
        2. 3.13.5.2 CM_CORE_AON__DSP2 Register Description
      6. 3.13.6  CM_CORE_AON__EVE1 Registers
        1. 3.13.6.1 CM_CORE_AON__EVE1 Register Summary
        2. 3.13.6.2 CM_CORE_AON__EVE1 Register Description
      7. 3.13.7  CM_CORE_AON__EVE2 Registers
        1. 3.13.7.1 CM_CORE_AON__EVE2 Register Summary
        2. 3.13.7.2 CM_CORE_AON__EVE2 Register Description
      8. 3.13.8  CM_CORE_AON__EVE3 Registers
        1. 3.13.8.1 CM_CORE_AON__EVE3 Register Summary
        2. 3.13.8.2 CM_CORE_AON__EVE3 Register Description
      9. 3.13.9  CM_CORE_AON__EVE4 Registers
        1. 3.13.9.1 CM_CORE_AON__EVE4 Register Summary
        2. 3.13.9.2 CM_CORE_AON__EVE4 Register Description
      10. 3.13.10 CM_CORE_AON__INSTR Registers
        1. 3.13.10.1 CM_CORE_AON__INSTR Register Summary
        2. 3.13.10.2 CM_CORE_AON__INSTR Register Description
      11. 3.13.11 CM_CORE_AON__IPU Registers
        1. 3.13.11.1 CM_CORE_AON__IPU Register Summary
        2. 3.13.11.2 CM_CORE_AON__IPU Register Description
      12. 3.13.12 CM_CORE_AON__MPU Registers
        1. 3.13.12.1 CM_CORE_AON__MPU Register Summary
        2. 3.13.12.2 CM_CORE_AON__MPU Register Description
      13. 3.13.13 CM_CORE_AON__OCP_SOCKET Registers
        1. 3.13.13.1 CM_CORE_AON__OCP_SOCKET Register Summary
        2. 3.13.13.2 CM_CORE_AON__OCP_SOCKET Register Description
      14. 3.13.14 CM_CORE_AON__RESTORE Registers
        1. 3.13.14.1 CM_CORE_AON__RESTORE Register Summary
        2. 3.13.14.2 CM_CORE_AON__RESTORE Register Description
      15. 3.13.15 CM_CORE_AON__RTC Registers
        1. 3.13.15.1 CM_CORE_AON__RTC Register Summary
        2. 3.13.15.2 CM_CORE_AON__RTC Register Description
      16. 3.13.16 CM_CORE_AON__VPE Registers
        1. 3.13.16.1 CM_CORE_AON__VPE Register Summary
        2. 3.13.16.2 CM_CORE_AON__VPE Register Description
      17. 3.13.17 CM_CORE__CAM Registers
        1. 3.13.17.1 CM_CORE__CAM Register Summary
        2. 3.13.17.2 CM_CORE__CAM Register Description
      18. 3.13.18 CM_CORE__CKGEN Registers
        1. 3.13.18.1 CM_CORE__CKGEN Register Summary
        2. 3.13.18.2 CM_CORE__CKGEN Register Description
      19. 3.13.19 CM_CORE__COREAON Registers
        1. 3.13.19.1 CM_CORE__COREAON Register Summary
        2. 3.13.19.2 CM_CORE__COREAON Register Description
      20. 3.13.20 CM_CORE__CORE Registers
        1. 3.13.20.1 CM_CORE__CORE Register Summary
        2. 3.13.20.2 CM_CORE__CORE Register Description
      21. 3.13.21 CM_CORE__CUSTEFUSE Registers
        1. 3.13.21.1 CM_CORE__CUSTEFUSE Register Summary
        2. 3.13.21.2 CM_CORE__CUSTEFUSE Register Description
      22. 3.13.22 CM_CORE__DSS Registers
        1. 3.13.22.1 CM_CORE__DSS Register Summary
        2. 3.13.22.2 CM_CORE__DSS Register Description
      23. 3.13.23 CM_CORE__GPU Registers
        1. 3.13.23.1 CM_CORE__GPU Register Summary
        2. 3.13.23.2 CM_CORE__GPU Register Description
      24. 3.13.24 CM_CORE__IVA Registers
        1. 3.13.24.1 CM_CORE__IVA Register Summary
        2. 3.13.24.2 CM_CORE__IVA Register Description
      25. 3.13.25 CM_CORE__L3INIT Registers
        1. 3.13.25.1 CM_CORE__L3INIT Register Summary
        2. 3.13.25.2 CM_CORE__L3INIT Register Description
      26. 3.13.26 CM_CORE__L4PER Registers
        1. 3.13.26.1 CM_CORE__L4PER Register Summary
        2. 3.13.26.2 CM_CORE__L4PER Register Description
      27. 3.13.27 CM_CORE__OCP_SOCKET Registers
        1. 3.13.27.1 CM_CORE__OCP_SOCKET Register Summary
        2. 3.13.27.2 CM_CORE__OCP_SOCKET Register Description
      28. 3.13.28 CM_CORE__RESTORE Registers
        1. 3.13.28.1 CM_CORE__RESTORE Register Summary
        2. 3.13.28.2 CM_CORE__RESTORE Register Description
      29. 3.13.29 SMARTREFLEX Registers
        1. 3.13.29.1 SMARTREFLEX Register Summary
        2. 3.13.29.2 SMARTREFLEX Register Description
      30. 3.13.30 CAM_PRM Registers
        1. 3.13.30.1 CAM_PRM Register Summary
        2. 3.13.30.2 CAM_PRM Register Description
      31. 3.13.31 CKGEN_PRM Registers
        1. 3.13.31.1 CKGEN_PRM Register Summary
        2. 3.13.31.2 CKGEN_PRM Register Description
      32. 3.13.32 COREAON_PRM Registers
        1. 3.13.32.1 COREAON_PRM Register Summary
        2. 3.13.32.2 COREAON_PRM Register Description
      33. 3.13.33 CORE_PRM Registers
        1. 3.13.33.1 CORE_PRM Register Summary
        2. 3.13.33.2 CORE_PRM Register Description
      34. 3.13.34 CUSTEFUSE_PRM Registers
        1. 3.13.34.1 CUSTEFUSE_PRM Register Summary
        2. 3.13.34.2 CUSTEFUSE_PRM Register Description
      35. 3.13.35 DEVICE_PRM Registers
        1. 3.13.35.1 DEVICE_PRM Register Summary
        2. 3.13.35.2 DEVICE_PRM Register Description
      36. 3.13.36 DSP1_PRM registers
        1. 3.13.36.1 DSP1_PRM Register Summary
        2. 3.13.36.2 DSP1_PRM Register Description
      37. 3.13.37 DSP2_PRM Registers
        1. 3.13.37.1 DSP2_PRM Register Summary
        2. 3.13.37.2 DSP2_PRM Register Description
      38. 3.13.38 DSS_PRM Registers
        1. 3.13.38.1 DSS_PRM Register Summary
        2. 3.13.38.2 DSS_PRM Register Description
      39. 3.13.39 EMU_CM Registers
        1. 3.13.39.1 EMU_CM Register Summary
        2. 3.13.39.2 EMU_CM Register Description
      40. 3.13.40 EMU_PRM Registers
        1. 3.13.40.1 EMU_PRM Register Summary
        2. 3.13.40.2 EMU_PRM Register Description
      41. 3.13.41 EVE1_PRM Registers
        1. 3.13.41.1 EVE1_PRM Register Summary
        2. 3.13.41.2 EVE1_PRM Register Description
      42. 3.13.42 EVE2_PRM Registers
        1. 3.13.42.1 EVE2_PRM Register Summary
        2. 3.13.42.2 EVE2_PRM Register Description
      43. 3.13.43 EVE3_PRM Registers
        1. 3.13.43.1 EVE3_PRM Register Summary
        2. 3.13.43.2 EVE3_PRM Register Description
      44. 3.13.44 EVE4_PRM Registers
        1. 3.13.44.1 EVE4_PRM Register Summary
        2. 3.13.44.2 EVE4_PRM Register Description
      45. 3.13.45 GPU_PRM Registers
        1. 3.13.45.1 GPU_PRM Register Summary
        2. 3.13.45.2 GPU_PRM Register Description
      46. 3.13.46 INSTR_PRM Registers
        1. 3.13.46.1 INSTR_PRM Register Summary
        2. 3.13.46.2 INSTR_PRM Register Description
      47. 3.13.47 IPU_PRM registers
        1. 3.13.47.1 IPU_PRM Register Summary
        2. 3.13.47.2 IPU_PRM Register Description
      48. 3.13.48 IVA_PRM Registers
        1. 3.13.48.1 IVA_PRM Register Summary
        2. 3.13.48.2 IVA_PRM Register Description
      49. 3.13.49 L3INIT_PRM Registers
        1. 3.13.49.1 L3INIT_PRM Register Summary
        2. 3.13.49.2 L3INIT_PRM Register Description
      50. 3.13.50 L4PER_PRM Registers
        1. 3.13.50.1 L4PER_PRM Register Summary
        2. 3.13.50.2 L4PER_PRM Register Description
      51. 3.13.51 MPU_PRM Registers
        1. 3.13.51.1 MPU_PRM Register Summary
        2. 3.13.51.2 MPU_PRM Register Description
      52. 3.13.52 OCP_SOCKET_PRM Registers
        1. 3.13.52.1 OCP_SOCKET_PRM Register Summary
        2. 3.13.52.2 OCP_SOCKET_PRM Register Description
      53. 3.13.53 RTC_PRM Registers
        1. 3.13.53.1 RTC_PRM Register Summary
        2. 3.13.53.2 RTC_PRM Register Description
      54. 3.13.54 VPE_PRM Registers
        1. 3.13.54.1 VPE_PRM Register Summary
        2. 3.13.54.2 VPE_PRM Register Description
      55. 3.13.55 WKUPAON_CM Registers
        1. 3.13.55.1 WKUPAON_CM Register Summary
        2. 3.13.55.2 WKUPAON_CM Register Description
      56. 3.13.56 WKUPAON_PRM registers
        1. 3.13.56.1 WKUPAON_PRM Register Summary
        2. 3.13.56.2 WKUPAON_PRM Register Description
  6. Cortex-A15 MPU Subsystem
    1. 4.1 Cortex-A15 MPU Subsystem Overview
      1. 4.1.1 Introduction
      2. 4.1.2 Features
    2. 4.2 Cortex-A15 MPU Subsystem Integration
      1. 4.2.1 Clock Distribution
      2. 4.2.2 Reset Distribution
    3. 4.3 Cortex-A15 MPU Subsystem Functional Description
      1. 4.3.1 MPU Subsystem Block Diagram
      2. 4.3.2 Cortex-A15 MPCore (MPU_CLUSTER)
        1. 4.3.2.1 MPU L2 Cache Memory System
          1. 4.3.2.1.1 MPU L2 Cache Architecture
          2. 4.3.2.1.2 MPU L2 Cache Controller
          3. 4.3.2.1.3 677
      3. 4.3.3 MPU_AXI2OCP
      4. 4.3.4 Memory Adapter
        1. 4.3.4.1 MPU_MA Overview
        2. 4.3.4.2 AXI Input Interface
        3. 4.3.4.3 Interleaving
          1. 4.3.4.3.1 High-Order Fixed Interleaving Model
          2. 4.3.4.3.2 Lower 2-GiB Programmable Interleaving Model
          3. 4.3.4.3.3 Local Interconnect and Synchronization Agent (LISA) Section Manager
          4. 4.3.4.3.4 MA_LSM Registers
          5. 4.3.4.3.5 Posted and Nonposted Writes
          6. 4.3.4.3.6 Errors
        4. 4.3.4.4 Statistics Collector Probe Ports
        5. 4.3.4.5 MPU_MA Firewall
        6. 4.3.4.6 MPU_MA Power and Reset Management
        7. 4.3.4.7 MPU_MA Watchpoint
          1. 4.3.4.7.1 Watchpoint Types
          2. 4.3.4.7.2 Transaction Filtering Options
          3. 4.3.4.7.3 Transaction Match Effects
          4. 4.3.4.7.4 Trigger Generation
          5. 4.3.4.7.5 Programming Options Summary
      5. 4.3.5 Realtime Counter (Master Counter)
        1. 4.3.5.1 Counter Operation
        2. 4.3.5.2 Frequency Change Procedure
      6. 4.3.6 MPU Watchdog Timer
      7. 4.3.7 MPU Subsystem Power Management
        1. 4.3.7.1 Power Domains
        2. 4.3.7.2 Power States of MPU_C0
        3. 4.3.7.3 Power States of MPU Subsystem
        4. 4.3.7.4 MPU_WUGEN
        5. 4.3.7.5 Power Transition Sequence
        6. 4.3.7.6 SR3-APG Technology Fail-Safe Mode
      8. 4.3.8 MPU Subsystem AMBA Interface Configuration
    4. 4.4 Cortex-A15 MPU Subsystem Register Manual
      1. 4.4.1  Cortex-A15 MPU Subsystem Instance Summary
      2. 4.4.2  MPU_CS_STM Registers
      3. 4.4.3  MPU_INTC Registers
      4. 4.4.4  MPU_PRCM_OCP_SOCKET Registers
        1. 4.4.4.1 MPU_PRCM_OCP_SOCKET Register Summary
        2. 4.4.4.2 MPU_PRCM_OCP_SOCKET Register Description
      5. 4.4.5  MPU_PRCM_DEVICE Registers
        1. 4.4.5.1 MPU_PRCM_DEVICE Register Summary
        2. 4.4.5.2 MPU_PRCM_DEVICE Register Description
      6. 4.4.6  MPU_PRCM_PRM_C0 Registers
        1. 4.4.6.1 MPU_PRCM_PRM_C0 Register Summary
        2. 4.4.6.2 MPU_PRCM_PRM_C0 Register Description
      7. 4.4.7  MPU_PRCM_CM_C0 Registers
        1. 4.4.7.1 MPU_PRCM_CM_C0 Register Summary
        2. 4.4.7.2 MPU_PRCM_CM_C0 Register Description
      8. 4.4.8  MPU_WUGEN Registers
        1. 4.4.8.1 MPU_WUGEN Register Summary
        2. 4.4.8.2 MPU_WUGEN Register Description
      9. 4.4.9  MPU_WD_TIMER Registers
        1. 4.4.9.1 MPU_WD_TIMER Register Summary
        2. 4.4.9.2 MPU_WD_TIMER Register Description
      10. 4.4.10 MPU_AXI2OCP_MISC Registers
        1. 4.4.10.1 MPU_AXI2OCP_MISC Register Summary
        2. 4.4.10.2 MPU_AXI2OCP_MISC Register Description
      11. 4.4.11 MPU_MA_LSM Registers
        1. 4.4.11.1 MPU_MA_LSM Register Summary
        2. 4.4.11.2 MPU_MA_LSM Register Description
      12. 4.4.12 MPU_MA_WP Registers
        1. 4.4.12.1 MPU_MA_WP Register Summary
        2. 4.4.12.2 MPU_MA_WP Register Description
  7. DSP Subsystem
    1. 5.1 DSP Subsystem Overview
      1. 5.1.1 DSP Subsystem Key Features
    2. 5.2 DSP Subsystem Integration
    3. 5.3 DSP Subsystem Functional Description
      1. 5.3.1  DSP Subsystem Block Diagram
      2. 5.3.2  DSP Subsystem Components
        1. 5.3.2.1 C66x DSP Subsystem Introduction
        2. 5.3.2.2 DSP TMS320C66x CorePac
          1. 5.3.2.2.1 DSP TMS320C66x CorePac CPU
          2. 5.3.2.2.2 DSP TMS320C66x CorePac Internal Memory Controllers and Memories
            1. 5.3.2.2.2.1 Level 1 Memories
            2. 5.3.2.2.2.2 Level 2 Memory
          3. 5.3.2.2.3 DSP C66x CorePac Internal Peripherals
            1. 5.3.2.2.3.1 DSP C66x CorePac Interrupt Controller (DSP INTC)
            2. 5.3.2.2.3.2 DSP C66x CorePac Power-Down Controller (DSP PDC)
            3. 5.3.2.2.3.3 DSP C66x CorePac Bandwidth Manager (BWM)
            4. 5.3.2.2.3.4 DSP C66x CorePac Memory Protection Hardware
            5. 5.3.2.2.3.5 DSP C66x CorePac Internal DMA (IDMA) Controller
            6. 5.3.2.2.3.6 DSP C66x CorePac External Memory Controller
            7. 5.3.2.2.3.7 DSP C66x CorePac Extended Memory Controller
              1. 5.3.2.2.3.7.1 XMC MDMA Accesses at DSP System Level
                1. 5.3.2.2.3.7.1.1 DSP System MPAX Logic
                2. 5.3.2.2.3.7.1.2 MDMA Non-Post Override Control
            8. 5.3.2.2.3.8 L1P Memory Error Detection Logic
            9. 5.3.2.2.3.9 L2 Memory Error Detection and Correction Logic
        3. 5.3.2.3 DSP Debug and Trace Support
          1. 5.3.2.3.1 DSP Advanced Event Triggering (AET)
          2. 5.3.2.3.2 DSP Trace Support
          3. 5.3.2.3.3 770
      3. 5.3.3  DSP System Control Logic
        1. 5.3.3.1 DSP System Clocks
        2. 5.3.3.2 DSP Hardware Resets
        3. 5.3.3.3 DSP Software Resets
        4. 5.3.3.4 DSP Power Management
          1. 5.3.3.4.1 DSP System Powerdown Protocols
          2. 5.3.3.4.2 DSP Software and Hardware Power Down Sequence Overview
          3. 5.3.3.4.3 DSP IDLE Wakeup
          4. 5.3.3.4.4 DSP SYSTEM IRQWAKEEN registers
          5. 5.3.3.4.5 DSP Automatic Power Transition
      4. 5.3.4  DSP Interrupt Requests
        1. 5.3.4.1 DSP Input Interrupts
          1. 5.3.4.1.1 DSP Non-maskable Interrupt Input
        2. 5.3.4.2 DSP Event and Interrupt Generation Outputs
          1. 5.3.4.2.1 DSP MDMA and DSP EDMA Mflag Event Outputs
          2. 5.3.4.2.2 DSP Aggregated Error Interrupt Output
          3. 5.3.4.2.3 Non-DSP C66x CorePac Generated Peripheral Interrupt Outputs
      5. 5.3.5  DSP DMA Requests
        1. 5.3.5.1 DSP EDMA Wakeup Interrupt
      6. 5.3.6  DSP Intergated Memory Management Units
        1. 5.3.6.1 DSP MMUs Overview
        2. 5.3.6.2 Routing MDMA Traffic through DSP MMU0
        3. 5.3.6.3 Routing EDMA Traffic thorugh DSP MMU1
      7. 5.3.7  DSP Integrated EDMA Subsystem
        1. 5.3.7.1 DSP EDMA Overview
        2. 5.3.7.2 DSP System and Device Level Settings of DSP EDMA
      8. 5.3.8  DSP L2 interconnect Network
        1. 5.3.8.1 DSP Public Firewall Settings
        2. 5.3.8.2 DSP NoC Flag Mux and Error Log Registers
        3. 5.3.8.3 DSP NoC Arbitration
      9. 5.3.9  DSP Boot Configuration
      10. 5.3.10 DSP Internal and External Memory Views
        1. 5.3.10.1 C66x CPU View of the Address Space
        2. 5.3.10.2 DSP_EDMA View of the Address Space
        3. 5.3.10.3 L3_MAIN View of the DSP Address Space
    4. 5.4 DSP Subsystem Register Manual
      1. 5.4.1 DSP Subsystem Instance Summary
      2. 5.4.2 DSP_ICFG Registers
        1. 5.4.2.1 DSP_ICFG Register Summary
        2. 5.4.2.2 DSP_ICFG Register Description
      3. 5.4.3 DSP_SYSTEM Registers
        1. 5.4.3.1 DSP_SYSTEM Register Summary
        2. 5.4.3.2 DSP_SYSTEM Register Description
      4. 5.4.4 DSP_FW_L2_NOC_CFG Registers
        1. 5.4.4.1 DSP_FW_L2_NOC_CFG Register Summary
        2. 5.4.4.2 DSP_FW_L2_NOC_CFG Register Description
  8. IVA Subsystem
  9. Dual Cortex-M4 IPU Subsystem
    1. 7.1 Dual Cortex-M4 IPU Subsystem Overview
      1. 7.1.1 Introduction
      2. 7.1.2 Features
    2. 7.2 Dual Cortex-M4 IPU Subsystem Integration
      1. 7.2.1 Dual Cortex-M4 IPU Subsystem Clock and Reset Distribution
        1. 7.2.1.1 Clock Distribution
        2. 7.2.1.2 Reset Distribution
    3. 7.3 Dual Cortex-M4 IPU Subsystem Functional Description
      1. 7.3.1 IPUx Subsystem Block Diagram
      2. 7.3.2 Power Management
        1. 7.3.2.1 Local Power Management
        2. 7.3.2.2 Power Domains
        3. 7.3.2.3 831
        4. 7.3.2.4 Voltage Domain
        5. 7.3.2.5 Power States and Modes
        6. 7.3.2.6 Wake-Up Generator (IPUx_WUGEN)
          1. 7.3.2.6.1 IPUx_WUGEN Main Features
      3. 7.3.3 IPUx_UNICACHE
      4. 7.3.4 IPUx_UNICACHE_MMU
      5. 7.3.5 IPUx_UNICACHE_SCTM
        1. 7.3.5.1 Counter Functions
          1. 7.3.5.1.1 Input Events
          2. 7.3.5.1.2 Counters
            1. 7.3.5.1.2.1 Counting Modes
            2. 7.3.5.1.2.2 Counter Overflow
            3. 7.3.5.1.2.3 Counters and Processor State
            4. 7.3.5.1.2.4 Chaining Counters
            5. 7.3.5.1.2.5 Enabling and Disabling Counters
            6. 7.3.5.1.2.6 Resetting Counters
        2. 7.3.5.2 Timer Functions
          1. 7.3.5.2.1 Periodic Intervals
          2. 7.3.5.2.2 Event Generation
      6. 7.3.6 IPUx_MMU
        1. 7.3.6.1 IPUx_MMU Behavior on Page-Fault in IPUx Subsystem
      7. 7.3.7 Interprocessor Communication (IPC)
        1. 7.3.7.1 Use of WFE and SEV
        2. 7.3.7.2 Use of Interrupt for IPC
        3. 7.3.7.3 Use of the Bit-Band Feature for Semaphore Operations
        4. 7.3.7.4 Private Memory Space
      8. 7.3.8 IPU Boot Options
    4. 7.4 Dual Cortex-M4 IPU Subsystem Register Manual
      1. 7.4.1 IPUx Subsystem Instance Summary
      2. 7.4.2 IPUx_UNICACHE_CFG Registers
        1. 7.4.2.1 IPUx_UNICACHE_CFG Register Summary
        2. 7.4.2.2 IPUx_UNICACHE_CFG Register Description
      3. 7.4.3 IPUx_UNICACHE_SCTM Registers
        1. 7.4.3.1 IPUx_UNICACHE_SCTM Register Summary
        2. 7.4.3.2 IPUx_UNICACHE_SCTM Register Description
      4. 7.4.4 IPUx_UNICACHE_MMU (AMMU) Registers
        1. 7.4.4.1 IPUx_UNICACHE_MMU (AMMU) Register Summary
        2. 7.4.4.2 IPUx_UNICACHE_MMU (AMMU) Register Description
      5. 7.4.5 IPUx_MMU Registers
      6. 7.4.6 IPUx_Cx_INTC Registers
      7. 7.4.7 IPUx_WUGEN Registers
        1. 7.4.7.1 IPUx_WUGEN Register Summary
        2. 7.4.7.2 IPUx_WUGEN Register Description
      8. 7.4.8 IPUx_Cx_RW_TABLE Registers
        1. 7.4.8.1 IPUx_Cx_RW_TABLE Register Summary
        2. 7.4.8.2 IPUx_Cx_RW_TABLE Register Description
  10. Camera Interface Subsystem
    1. 8.1 CAMSS Overview
      1. 8.1.1 CAMSS Block Diagram
      2. 8.1.2 881
      3. 8.1.3 CAMSS Features
    2. 8.2 CAMSS Environment
      1. 8.2.1 CAMSS Interfaces Signal Descriptions
    3. 8.3 CAMSS Integration
      1. 8.3.1 CAMSS Main Integration Attributes
      2. 8.3.2 CAL Integration - Video Port
      3. 8.3.3 CAL Integration - PPI Interface
    4. 8.4 CAMSS Functional Description
      1. 8.4.1 CAMSS Hardware and Software Reset
      2. 8.4.2 CAMSS Clock Configuration
      3. 8.4.3 CAMSS Power Management
      4. 8.4.4 CAMSS Interrupt Events
      5. 8.4.5 CSI2 PHY Functional Description
        1. 8.4.5.1 CSI2 PHY Overview
        2. 8.4.5.2 CSI2 PHY Configuration
        3. 8.4.5.3 CSI2 PHY Link Initialization Sequence
        4. 8.4.5.4 CSI2 PHY Error Signals
      6. 8.4.6 CAL Functional Description
        1. 8.4.6.1  CAL Block Diagram
        2. 8.4.6.2  CSI2 Low Level Protocol
          1. 8.4.6.2.1 CSI2 Physical Layer
          2. 8.4.6.2.2 CSI2 Multi-lane Layer and Lane Merger
          3. 8.4.6.2.3 CSI2 Protocol Layer
            1. 8.4.6.2.3.1  CSI2 Short Packet
            2. 8.4.6.2.3.2  CSI2 Long Packet
            3. 8.4.6.2.3.3  CSI2 ECC and Checksum Generation
              1. 8.4.6.2.3.3.1 CSI2 ECC
              2. 8.4.6.2.3.3.2 CSI2 Checksum
            4. 8.4.6.2.3.4  CSI2 Alignment Constraints
            5. 8.4.6.2.3.5  CSI2 Data Identifier
            6. 8.4.6.2.3.6  CSI2 Virtual Channel ID
            7. 8.4.6.2.3.7  CSI2 Synchronization Codes
            8. 8.4.6.2.3.8  CSI2 Generic Short Packet Codes
            9. 8.4.6.2.3.9  CSI2 Frame Structure and Data
            10. 8.4.6.2.3.10 CSI2 Virtual Channel and Context
          4. 8.4.6.2.4 CSI2 TAG Generation FSM
        3. 8.4.6.3  CAL Data Stream Merger
        4. 8.4.6.4  CAL Pixel Extraction
        5. 8.4.6.5  CAL DPCM Decoding and Encoding
        6. 8.4.6.6  CAL Stream Interleaving
        7. 8.4.6.7  CAL Pixel Packing
        8. 8.4.6.8  CAL Write DMA
          1. 8.4.6.8.1 CAL Write DMA Overview
          2. 8.4.6.8.2 CAL Write DMA Data Cropping
          3. 8.4.6.8.3 CAL Write DMA Buffer Management
          4. 8.4.6.8.4 CAL Write DMA OCP Address Generation
            1. 8.4.6.8.4.1 Write DMA Buffer Base Address
            2. 8.4.6.8.4.2 Write DMA Line Start Address
            3. 8.4.6.8.4.3 Write DMA Data Address
          5. 8.4.6.8.5 CAL Write DMA OCP Transaction Generation
          6. 8.4.6.8.6 CAL Write DMA Real Time Traffic
        9. 8.4.6.9  CAL Video Port
          1. 8.4.6.9.1 CAL Video Port Overview
          2. 8.4.6.9.2 CAL Video Port Pixel Clock Generation
          3. 8.4.6.9.3 CAL Video Port Video Timing Generator
        10. 8.4.6.10 CAL Registers Shadowing
    5. 8.5 CAMSS Register Manual
      1. 8.5.1 CAMSS Instance Summary
      2. 8.5.2 CAL Registers
        1. 8.5.2.1 CAL Register Summary
        2. 8.5.2.2 CAL Register Description
      3. 8.5.3 CSI2 PHY Registers
        1. 8.5.3.1 CSI2 PHY Register Summary
        2. 8.5.3.2 CSI2 PHY Register Description
  11. Video Input Port
    1. 9.1 VIP Overview
    2. 9.2 VIP Environment
    3. 9.3 VIP Integration
    4. 9.4 VIP Functional Description
      1. 9.4.1 VIP Block Diagram
      2. 9.4.2 VIP Software Reset
      3. 9.4.3 VIP Power and Clocks Management
        1. 9.4.3.1 VIP Clocks
        2. 9.4.3.2 VIP Idle Mode
        3. 9.4.3.3 VIP StandBy Mode
      4. 9.4.4 VIP Slice
        1. 9.4.4.1 VIP Slice Processing Path Overview
        2. 9.4.4.2 VIP Slice Processing Path Multiplexers
          1. 9.4.4.2.1 VIP_CSC Multiplexers
          2. 9.4.4.2.2 VIP_SC Multiplexer
          3. 9.4.4.2.3 Output to VPDMA Multiplexers
        3. 9.4.4.3 VIP Slice Processing Path Examples
          1. 9.4.4.3.1 Input: A=RGB, B=YUV422; Output: A=RGB, B=RGB
          2. 9.4.4.3.2 Input: A=YUV422 8/16, B=YUV422; Output: A=Scaled YUV420, B=RGB
          3. 9.4.4.3.3 Input: A=RGB, B=YUV422; Output: A=RGB, B=Scaled YUV420
          4. 9.4.4.3.4 Input: A=YUV444, B=YUV422; Output: A=YUV422, A=Scaled YUV422, B=YUV422
          5. 9.4.4.3.5 Input: A=YUV444; Output: A=Scaled YUV420, A=YUV420
          6. 9.4.4.3.6 Input: A=YUV444; Output: A=Scaled YUV420, A=YUV444
          7. 9.4.4.3.7 Input: A=YUV422 8/16; Output: A=Scaled YUV420, A=YUV444
          8. 9.4.4.3.8 Input: A=YUV422 8/16, B=YUV422; Output: A=Scaled YUV420, B=YUV420
          9. 9.4.4.3.9 Input: A=YUV422 8/16, B=YUV422; Output: A=YUV420, B=YUV420
      5. 9.4.5 VIP Parser
        1. 9.4.5.1  Features
        2. 9.4.5.2  Repacker
        3. 9.4.5.3  Analog Video
        4. 9.4.5.4  Digitized Video
        5. 9.4.5.5  Frame Buffers
        6. 9.4.5.6  Input Data Interface
          1. 9.4.5.6.1  8b Interface Mode
          2. 9.4.5.6.2  16b Interface Mode
          3. 9.4.5.6.3  24b Interface Mode
          4. 9.4.5.6.4  Signal Relationships
          5. 9.4.5.6.5  General 5 Pin Interfaces
          6. 9.4.5.6.6  Signal Subsets—4 Pin VSYNC, ACTVID, and FID
          7. 9.4.5.6.7  Signal Subsets—4 Pin VSYNC, HSYNC, and FID
          8. 9.4.5.6.8  Vertical Sync
          9. 9.4.5.6.9  Field ID Determination Using Dedicated Signal
          10. 9.4.5.6.10 Field ID Determination Using VSYNC Skew
          11. 9.4.5.6.11 Rationale for FID Determination By VSYNC Skew
          12. 9.4.5.6.12 ACTVID Framing
          13. 9.4.5.6.13 Ancillary Data Storage in Descrete Sync Mode
        7. 9.4.5.7  BT.656 Style Embedded Sync
          1. 9.4.5.7.1 Data Input
          2. 9.4.5.7.2 Sync Words
          3. 9.4.5.7.3 Error Correction
          4. 9.4.5.7.4 Embedded Sync Ancillary Data
          5. 9.4.5.7.5 Embedded Sync RGB 24-bit Data
        8. 9.4.5.8  Source Multiplexing
          1. 9.4.5.8.1  Multiplexing Scenarios
          2. 9.4.5.8.2  2-Way Multiplexing
          3. 9.4.5.8.3  4-Way Multiplexing
          4. 9.4.5.8.4  Line Multiplexing
          5. 9.4.5.8.5  Super Frame Concept in Line Multiplexing
          6. 9.4.5.8.6  8-bit Data Interface in Line Multiplexing
          7. 9.4.5.8.7  16-bit Data Interface in Line Multiplexing
          8. 9.4.5.8.8  Split Lines in Line Multiplex Mode
          9. 9.4.5.8.9  Meta Data
          10. 9.4.5.8.10 TI Line Mux Mode, Split Lines, and Channel ID Remapping
        9. 9.4.5.9  Channel ID Extraction for 2x/4x Multiplexed Source
          1. 9.4.5.9.1 Channel ID Extraction Overview
          2. 9.4.5.9.2 Channel ID Embedded in Protection Bits for 2- and 4-Way Multiplexing
          3. 9.4.5.9.3 Channel ID Embedded in Horizontal Blanking Pixel Data for 2- and 4-Way Multiplexing
        10. 9.4.5.10 Embedded Sync Mux Modes and Data Bus Widths
        11. 9.4.5.11 Ancillary and Active Video Cropping
        12. 9.4.5.12 Interrupts
        13. 9.4.5.13 VDET Interrupt
        14. 9.4.5.14 Source Video Size
        15. 9.4.5.15 Clipping
        16. 9.4.5.16 Current and Last FID Value
        17. 9.4.5.17 Disable Handling
        18. 9.4.5.18 Picture Size Interrupt
        19. 9.4.5.19 Discrete Sync Signals
          1. 9.4.5.19.1 VBLNK and HBLNK
          2. 9.4.5.19.2 BLNK and ACTVID (1)
          3. 9.4.5.19.3 VBLNK and ACTVID(2)
          4. 9.4.5.19.4 VBLNK and HSYNC
          5. 9.4.5.19.5 VSYNC and HBLNK
          6. 9.4.5.19.6 VSYNC and ACTIVID(1)
          7. 9.4.5.19.7 VSYNC and ACTIVID(2)
          8. 9.4.5.19.8 VSYNC and HSYNC
          9. 9.4.5.19.9 Line and Pixel Capture Examples
        20. 9.4.5.20 VIP Overflow Detection and Recovery
      6. 9.4.6 VIP Color Space Converter (CSC)
        1. 9.4.6.1 CSC Features
        2. 9.4.6.2 CSC Functional Description
          1. 9.4.6.2.1 HDTV Application
            1. 9.4.6.2.1.1 HDTV Application with Video Data Range
            2. 9.4.6.2.1.2 HDTV Application with Graphics Data Range
            3. 9.4.6.2.1.3 Quantized Coefficients for Color Space Converter in HDTV
          2. 9.4.6.2.2 SDTV Application
            1. 9.4.6.2.2.1 SDTV Application with Video Data Range
            2. 9.4.6.2.2.2 SDTV Application with Graphics Data Range
            3. 9.4.6.2.2.3 Quantized Coefficients for Color Space Converter in SDTV
        3. 9.4.6.3 CSC Bypass Mode
      7. 9.4.7 VIP Scaler (SC)
        1. 9.4.7.1 SC Features
        2. 9.4.7.2 SC Functional Description
          1. 9.4.7.2.1 Trimmer
          2. 9.4.7.2.2 1050
          3. 9.4.7.2.3 Peaking
          4. 9.4.7.2.4 Vertical Scaler
            1. 9.4.7.2.4.1 Running Average Filter
            2. 9.4.7.2.4.2 Vertical Scaler Configuration Parameters
          5. 9.4.7.2.5 Horizontal Scaler
            1. 9.4.7.2.5.1 Half Decimation Filter
            2. 9.4.7.2.5.2 Polyphase Filter
            3. 9.4.7.2.5.3 Nonlinear Horizontal Scaling
            4. 9.4.7.2.5.4 Horizontal Scaler Configuration Registers
          6. 9.4.7.2.6 Basic Configurations
          7. 9.4.7.2.7 Coefficient Memory
            1. 9.4.7.2.7.1 Overview
            2. 9.4.7.2.7.2 Physical Coefficient SRAM Layout
            3. 9.4.7.2.7.3 Scaler Coefficients Packing on 128-bit VPI Control I/F
            4. 9.4.7.2.7.4 VPI Control I/F Memory Map for Scaler Coefficients
            5. 9.4.7.2.7.5 VPI Control Interface
            6. 9.4.7.2.7.6 Coefficient Table Selection Guide
        3. 9.4.7.3 SC Code
          1. 9.4.7.3.1 Generate Coefficient Memory Image
          2. 9.4.7.3.2 Scaler Configuration Calculation
          3. 9.4.7.3.3 Typical Configuration Values
        4. 9.4.7.4 SC Coefficient Data Files
          1. 9.4.7.4.1 HS Polyphase Filter Coefficients
            1. 9.4.7.4.1.1 ppfcoef_scale_eq_1_32_phases_flip.dat
            2. 9.4.7.4.1.2 ppfcoef_scale_eq_8div16_32_phases_flip.dat
            3. 9.4.7.4.1.3 ppfcoef_scale_eq_9div16_32_phases_flip.dat
            4. 9.4.7.4.1.4 ppfcoef_scale_eq_10div16_32_phases_flip.dat
            5. 9.4.7.4.1.5 ppfcoef_scale_eq_11div16_32_phases_flip.dat
            6. 9.4.7.4.1.6 ppfcoef_scale_eq_12div16_32_phases_flip.dat
            7. 9.4.7.4.1.7 ppfcoef_scale_eq_13div16_32_phases_flip.dat
            8. 9.4.7.4.1.8 ppfcoef_scale_eq_14div16_32_phases_flip.dat
            9. 9.4.7.4.1.9 ppfcoef_scale_eq_15div16_32_phases_flip.dat
          2. 9.4.7.4.2 VS Polyphase Filter Coefficients
            1. 9.4.7.4.2.1 ppfcoef_scale_eq_1_32_phases_ver_5tap_flip.dat
            2. 9.4.7.4.2.2 ppfcoef_scale_eq_3_32_phases_flip.dat
            3. 9.4.7.4.2.3 ppfcoef_scale_eq_4_32_phases_flip.dat
            4. 9.4.7.4.2.4 ppfcoef_scale_eq_5_32_phases_flip.dat
            5. 9.4.7.4.2.5 ppfcoef_scale_eq_6_32_phases_flip.dat
            6. 9.4.7.4.2.6 ppfcoef_scale_eq_7_32_phases_flip.dat
              1. 9.4.7.4.2.6.1 ppfcoef_scale_eq_8div16_32_phases_ver_5tap_flip.dat
              2. 9.4.7.4.2.6.2 ppfcoef_scale_eq_9div16_32_phases_ver_5tap_flip.dat
              3. 9.4.7.4.2.6.3 ppfcoef_scale_eq_10div16_32_phases_ver_5tap_flip.dat
              4. 9.4.7.4.2.6.4 ppfcoef_scale_eq_11div16_32_phases_ver_5tap_flip.dat
              5. 9.4.7.4.2.6.5 ppfcoef_scale_eq_12div16_32_phases_ver_5tap_flip.dat
              6. 9.4.7.4.2.6.6 ppfcoef_scale_eq_13div16_32_phases_ver_5tap_flip.dat
              7. 9.4.7.4.2.6.7 ppfcoef_scale_eq_14div16_32_phases_ver_5tap_flip.dat
              8. 9.4.7.4.2.6.8 ppfcoef_scale_eq_15div16_32_phases_ver_5tap_flip.dat
          3. 9.4.7.4.3 VS (Bilinear Filter Coefficients)
            1. 9.4.7.4.3.1 ppfcoef_scale_eq_1_32_phases_flip_PPF3_peak5_gain_eq_1_25.dat
      8. 9.4.8 VIP Video Port Direct Memory Access (VPDMA)
        1. 9.4.8.1  VPDMA Introduction
        2. 9.4.8.2  VPDMA Basic Definitions
          1. 9.4.8.2.1 Client
          2. 9.4.8.2.2 Channel
          3. 9.4.8.2.3 List
          4. 9.4.8.2.4 Data Formats Supported
        3. 9.4.8.3  1107
        4. 9.4.8.4  VPDMA Client Buffering and Functionality
        5. 9.4.8.5  VPDMA Channels Assignment
        6. 9.4.8.6  VPDMA MFLAG Mechanism
        7. 9.4.8.7  VPDMA Interrupts
        8. 9.4.8.8  VPDMA Descriptors
          1. 9.4.8.8.1 Data Transfer Descriptors
            1. 9.4.8.8.1.1 Data Packet Descriptor Word 0 (Data)
              1. 9.4.8.8.1.1.1 Data Type
              2. 9.4.8.8.1.1.2 Notify
              3. 9.4.8.8.1.1.3 Field
              4. 9.4.8.8.1.1.4 Even Line Skip
              5. 9.4.8.8.1.1.5 Odd Line Skip
              6. 9.4.8.8.1.1.6 Line Stride
            2. 9.4.8.8.1.2 Data Packet Descriptor Word 1
              1. 9.4.8.8.1.2.1 Line Length
              2. 9.4.8.8.1.2.2 Transfer Height
            3. 9.4.8.8.1.3 Data Packet Descriptor Word 2
              1. 9.4.8.8.1.3.1 Start Address
            4. 9.4.8.8.1.4 Data Packet Descriptor Word 3
              1. 9.4.8.8.1.4.1 Packet Type
              2. 9.4.8.8.1.4.2 Mode
              3. 9.4.8.8.1.4.3 Direction
              4. 9.4.8.8.1.4.4 Channel
              5. 9.4.8.8.1.4.5 Priority
              6. 9.4.8.8.1.4.6 Next Channel
            5. 9.4.8.8.1.5 Data Packet Descriptor Word 4
              1. 9.4.8.8.1.5.1 Inbound data
                1. 9.4.8.8.1.5.1.1 Frame Width
                2. 9.4.8.8.1.5.1.2 Frame Height
              2. 9.4.8.8.1.5.2 Outbound data
                1. 9.4.8.8.1.5.2.1 Descriptor Write Address
                2. 9.4.8.8.1.5.2.2 Write Descriptor
                3. 9.4.8.8.1.5.2.3 Drop Data
            6. 9.4.8.8.1.6 Data Packet Descriptor Word 5
              1. 9.4.8.8.1.6.1 Outbound data
                1. 9.4.8.8.1.6.1.1 Max Width
                2. 9.4.8.8.1.6.1.2 Max Height
          2. 9.4.8.8.2 Configuration Descriptor
            1. 9.4.8.8.2.1 Configuration Descriptor Header Word0
            2. 9.4.8.8.2.2 Configuration Descriptor Header Word1
              1. 9.4.8.8.2.2.1 Number of Data Words
            3. 9.4.8.8.2.3 Configuration Descriptor Header Word2
              1. 9.4.8.8.2.3.1 Payload Location
            4. 9.4.8.8.2.4 Configuration Descriptor Header Word3
              1. 9.4.8.8.2.4.1 Packet Type
              2. 9.4.8.8.2.4.2 Direct
              3. 9.4.8.8.2.4.3 Class
                1. 9.4.8.8.2.4.3.1 Address Data Block Format
              4. 9.4.8.8.2.4.4 Destination
              5. 9.4.8.8.2.4.5 Descriptor Length
          3. 9.4.8.8.3 Control Descriptor
            1. 9.4.8.8.3.1 Generic Control Descriptor Format
            2. 9.4.8.8.3.2 Control Descriptor Header Description
              1. 9.4.8.8.3.2.1 Packet Type
              2. 9.4.8.8.3.2.2 Source
              3. 9.4.8.8.3.2.3 Control
            3. 9.4.8.8.3.3 Control Descriptor Types
              1. 9.4.8.8.3.3.1 Sync on Client
              2. 9.4.8.8.3.3.2 Sync on List
              3. 9.4.8.8.3.3.3 Sync on External Event
              4. 9.4.8.8.3.3.4 Sync on Channel
              5. 9.4.8.8.3.3.5 Sync on LM Timer
              6. 9.4.8.8.3.3.6 Change Client Interrupt
              7. 9.4.8.8.3.3.7 Send Interrupt
              8. 9.4.8.8.3.3.8 Reload List
              9. 9.4.8.8.3.3.9 Abort Channel
        9. 9.4.8.9  VPDMA Configuration
          1. 9.4.8.9.1 Regular List
          2. 9.4.8.9.2 Video Input Ports
            1. 9.4.8.9.2.1 Multiplexed Data Streams
            2. 9.4.8.9.2.2 Single YUV Color Separate
            3. 9.4.8.9.2.3 Dual YUV Interleaved
        10. 9.4.8.10 VPDMA Data Formats
          1. 9.4.8.10.1 YUV Data Formats
            1. 9.4.8.10.1.1 Y 4:4:4 (Data Type 0)
            2. 9.4.8.10.1.2 Y 4:2:2 (Data Type 1)
            3. 9.4.8.10.1.3 Y 4:2:0 (Data Type 2)
            4. 9.4.8.10.1.4 C 4:4:4 (Data Type 4)
            5. 9.4.8.10.1.5 C 4:2:2 (Data Type 5)
            6. 9.4.8.10.1.6 C 4:2:0 (Data Type 6)
            7. 9.4.8.10.1.7 YC 4:2:2 (Data Type 7)
            8. 9.4.8.10.1.8 YC 4:4:4 (Data Type 8)
            9. 9.4.8.10.1.9 CY 4:2:2 (Data Type 23)
          2. 9.4.8.10.2 RGB Data Formats
            1. 9.4.8.10.2.1  RGB16-565 (Data Type 0)
            2. 9.4.8.10.2.2  ARGB-1555 (Data Type 1)
            3. 9.4.8.10.2.3  ARGB-4444 (Data Type 2)
            4. 9.4.8.10.2.4  RGBA-5551 (Data Type 3)
            5. 9.4.8.10.2.5  RGBA-4444 (Data Type 4)
            6. 9.4.8.10.2.6  ARGB24-6666 (Data Type 5)
            7. 9.4.8.10.2.7  RGB24-888 (Data Type 6)
            8. 9.4.8.10.2.8  ARGB32-8888 (Data Type 7)
            9. 9.4.8.10.2.9  RGBA24-6666 (Data Type 8)
            10. 9.4.8.10.2.10 RGBA32-8888 (Data Type 9)
          3. 9.4.8.10.3 Miscellaneous Data Type
    5. 9.5 VIP Register Manual
      1. 9.5.1 VIP Instance Summary
      2. 9.5.2 VIP Top Level Registers
        1. 9.5.2.1 VIP Top Level Register Summary
        2. 9.5.2.2 VIP Top Level Register Description
      3. 9.5.3 VIP Parser Registers
        1. 9.5.3.1 VIP Parser Register Summary
        2. 9.5.3.2 VIP Parser Register Description
      4. 9.5.4 VIP CSC Registers
        1. 9.5.4.1 VIP CSC Register Summary
        2. 9.5.4.2 VIP CSC Register Description
      5. 9.5.5 VIP SC registers
        1. 9.5.5.1 VIP SC Register Summary
        2. 9.5.5.2 VIP SC Register Description
      6. 9.5.6 VIP VPDMA Registers
        1. 9.5.6.1 VIP VPDMA Register Summary
        2. 9.5.6.2 VIP VPDMA Register Description
  12. 10Video Processing Engine
    1. 10.1 VPE Overview
    2. 10.2 VPE Integration
    3. 10.3 VPE Functional Description
      1. 10.3.1  VPE Block Diagram
      2. 10.3.2  VPE VC1 Range Mapping/Range Reduction
      3. 10.3.3  VPE Deinterlacer (DEI)
        1. 10.3.3.1 Functional Description
        2. 10.3.3.2 Bypass Mode
        3. 10.3.3.3 1229
          1. 10.3.3.3.1 VPDMA Interface
          2. 10.3.3.3.2 MDT
          3. 10.3.3.3.3 EDI
          4. 10.3.3.3.4 FMD
          5. 10.3.3.3.5 MUX
          6. 10.3.3.3.6 LINE BUFFER
      4. 10.3.4  VPE Scaler (SC)
        1. 10.3.4.1 SC Features
        2. 10.3.4.2 SC Functional Description
          1. 10.3.4.2.1 Trimmer
          2. 10.3.4.2.2 1240
          3. 10.3.4.2.3 Peaking
          4. 10.3.4.2.4 Vertical Scaler
            1. 10.3.4.2.4.1 Running Average Filter
            2. 10.3.4.2.4.2 Vertical Scaler Configuration Parameters
          5. 10.3.4.2.5 Horizontal Scaler
            1. 10.3.4.2.5.1 Half Decimation Filter
            2. 10.3.4.2.5.2 Polyphase Filter
            3. 10.3.4.2.5.3 Nonlinear Horizontal Scaling
            4. 10.3.4.2.5.4 Horizontal Scaler Configuration Registers
          6. 10.3.4.2.6 Basic Configurations
          7. 10.3.4.2.7 Coefficient Memory
            1. 10.3.4.2.7.1 Overview
            2. 10.3.4.2.7.2 Physical Coefficient SRAM Layout
            3. 10.3.4.2.7.3 Scaler Coefficients Packing on 128-bit VPI Control I/F
            4. 10.3.4.2.7.4 VPI Control I/F Memory Map for Scaler Coefficients
            5. 10.3.4.2.7.5 VPI Control Interface
            6. 10.3.4.2.7.6 Coefficient Table Selection Guide
        3. 10.3.4.3 SC Code
          1. 10.3.4.3.1 Generate Coefficient Memory Image
          2. 10.3.4.3.2 Scaler Configuration Calculation
          3. 10.3.4.3.3 Typical Configuration Values
        4. 10.3.4.4 SC Coefficient Data Files
          1. 10.3.4.4.1 HS Polyphase Filter Coefficients
            1. 10.3.4.4.1.1 ppfcoef_scale_eq_1_32_phases_flip.dat
            2. 10.3.4.4.1.2 ppfcoef_scale_eq_8div16_32_phases_flip.dat
            3. 10.3.4.4.1.3 ppfcoef_scale_eq_9div16_32_phases_flip.dat
            4. 10.3.4.4.1.4 ppfcoef_scale_eq_10div16_32_phases_flip.dat
            5. 10.3.4.4.1.5 ppfcoef_scale_eq_11div16_32_phases_flip.dat
            6. 10.3.4.4.1.6 ppfcoef_scale_eq_12div16_32_phases_flip.dat
            7. 10.3.4.4.1.7 ppfcoef_scale_eq_13div16_32_phases_flip.dat
            8. 10.3.4.4.1.8 ppfcoef_scale_eq_14div16_32_phases_flip.dat
            9. 10.3.4.4.1.9 ppfcoef_scale_eq_15div16_32_phases_flip.dat
          2. 10.3.4.4.2 VS Polyphase Filter Coefficients
            1. 10.3.4.4.2.1 ppfcoef_scale_eq_1_32_phases_ver_5tap_flip.dat
            2. 10.3.4.4.2.2 ppfcoef_scale_eq_3_32_phases_flip.dat
            3. 10.3.4.4.2.3 ppfcoef_scale_eq_4_32_phases_flip.dat
            4. 10.3.4.4.2.4 ppfcoef_scale_eq_5_32_phases_flip.dat
            5. 10.3.4.4.2.5 ppfcoef_scale_eq_6_32_phases_flip.dat
            6. 10.3.4.4.2.6 ppfcoef_scale_eq_7_32_phases_flip.dat
              1. 10.3.4.4.2.6.1 ppfcoef_scale_eq_8div16_32_phases_ver_5tap_flip.dat
              2. 10.3.4.4.2.6.2 ppfcoef_scale_eq_9div16_32_phases_ver_5tap_flip.dat
              3. 10.3.4.4.2.6.3 ppfcoef_scale_eq_10div16_32_phases_ver_5tap_flip.dat
              4. 10.3.4.4.2.6.4 ppfcoef_scale_eq_11div16_32_phases_ver_5tap_flip.dat
              5. 10.3.4.4.2.6.5 ppfcoef_scale_eq_12div16_32_phases_ver_5tap_flip.dat
              6. 10.3.4.4.2.6.6 ppfcoef_scale_eq_13div16_32_phases_ver_5tap_flip.dat
              7. 10.3.4.4.2.6.7 ppfcoef_scale_eq_14div16_32_phases_ver_5tap_flip.dat
              8. 10.3.4.4.2.6.8 ppfcoef_scale_eq_15div16_32_phases_ver_5tap_flip.dat
              9. 10.3.4.4.2.6.9 ppcoef_scale_1x_ver_5tap.dat
          3. 10.3.4.4.3 VS (Bilinear Filter Coefficients)
            1. 10.3.4.4.3.1 ppfcoef_scale_eq_1_32_phases_flip_PPF3_peak5_gain_eq_1_25.dat
      5. 10.3.5  VPE Color Space Converter (CSC)
        1. 10.3.5.1 CSC Features
        2. 10.3.5.2 CSC Functional Description
        3. 10.3.5.3 1294
          1. 10.3.5.3.1 HDTV Application
            1. 10.3.5.3.1.1 HDTV Application with Video Data Range
            2. 10.3.5.3.1.2 HDTV Application with Graphics Data Range
            3. 10.3.5.3.1.3 Quantized Coefficients for Color Space Converter in HDTV
          2. 10.3.5.3.2 SDTV Application
            1. 10.3.5.3.2.1 SDTV Application with Video Data Range
            2. 10.3.5.3.2.2 SDTV Application with Graphics Data Range
            3. 10.3.5.3.2.3 Quantized Coefficients for Color Space Converter in SDTV
        4. 10.3.5.4 CSC Bypass Mode
      6. 10.3.6  VPE Chroma Up-Sampler (CHR_US)
        1. 10.3.6.1 Features
        2. 10.3.6.2 Functional Description
        3. 10.3.6.3 For Interlaced YUV420 Input Data
        4. 10.3.6.4 Edge Effects
        5. 10.3.6.5 Modes of Operation (VPDMA)
        6. 10.3.6.6 Coefficient Configuration
      7. 10.3.7  VPE Chroma Down-Sampler (CHR_DS)
      8. 10.3.8  VPE YUV422 to YUV444 Conversion
      9. 10.3.9  VPE Video Port Direct Memory Access (VPDMA)
        1. 10.3.9.1 VPDMA Introduction
        2. 10.3.9.2 VPDMA Basic Definitions
          1. 10.3.9.2.1 Client
          2. 10.3.9.2.2 Channel
          3. 10.3.9.2.3 List
          4. 10.3.9.2.4 Data Formats Supported
        3. 10.3.9.3 VPDMA Client Buffering and Functionality
        4. 10.3.9.4 VPDMA Channels Assignment
        5. 10.3.9.5 VPDMA Interrupts
        6. 10.3.9.6 VPDMA Descriptors
          1. 10.3.9.6.1 Data Transfer Descriptors
            1. 10.3.9.6.1.1 Data Packet Descriptor Word 0 (Data)
              1. 10.3.9.6.1.1.1 Data Type
              2. 10.3.9.6.1.1.2 Notify
              3. 10.3.9.6.1.1.3 Field
              4. 10.3.9.6.1.1.4 1D
              5. 10.3.9.6.1.1.5 Even Line Skip
              6. 10.3.9.6.1.1.6 Odd Line Skip
              7. 10.3.9.6.1.1.7 Line Stride
            2. 10.3.9.6.1.2 Data Packet Descriptor Word 1
              1. 10.3.9.6.1.2.1 Line Length
              2. 10.3.9.6.1.2.2 Transfer Height
            3. 10.3.9.6.1.3 Data Packet Descriptor Word 2
              1. 10.3.9.6.1.3.1 Start Address
            4. 10.3.9.6.1.4 Data Packet Descriptor Word 3
              1. 10.3.9.6.1.4.1 Packet Type
              2. 10.3.9.6.1.4.2 Mode
              3. 10.3.9.6.1.4.3 Direction
              4. 10.3.9.6.1.4.4 Channel
              5. 10.3.9.6.1.4.5 Priority
              6. 10.3.9.6.1.4.6 Next Channel
            5. 10.3.9.6.1.5 Data Packet Descriptor Word 4
              1. 10.3.9.6.1.5.1 Inbound data
                1. 10.3.9.6.1.5.1.1 Frame Width
                2. 10.3.9.6.1.5.1.2 Frame Height
              2. 10.3.9.6.1.5.2 Outbound data
                1. 10.3.9.6.1.5.2.1 Descriptor Write Address
                2. 10.3.9.6.1.5.2.2 Write Descriptor
                3. 10.3.9.6.1.5.2.3 Drop Data
                4. 10.3.9.6.1.5.2.4 Use Descriptor Register
            6. 10.3.9.6.1.6 Data Packet Descriptor Word 5
              1. 10.3.9.6.1.6.1 Outbound data
                1. 10.3.9.6.1.6.1.1 Max Width
                2. 10.3.9.6.1.6.1.2 Max Height
            7. 10.3.9.6.1.7 Data Packet Descriptor Word 6/7 (Data)
          2. 10.3.9.6.2 Configuration Descriptor
            1. 10.3.9.6.2.1 Configuration Descriptor Header Word0
            2. 10.3.9.6.2.2 Configuration Descriptor Header Word1
              1. 10.3.9.6.2.2.1 Number of Data Words
            3. 10.3.9.6.2.3 Configuration Descriptor Header Word2
              1. 10.3.9.6.2.3.1 Payload Location
            4. 10.3.9.6.2.4 Configuration Descriptor Header Word3
              1. 10.3.9.6.2.4.1 Packet Type
              2. 10.3.9.6.2.4.2 Direct
              3. 10.3.9.6.2.4.3 Class
                1. 10.3.9.6.2.4.3.1 Address Data Block Format
              4. 10.3.9.6.2.4.4 Destination
              5. 10.3.9.6.2.4.5 Descriptor Length
          3. 10.3.9.6.3 Control Descriptor
            1. 10.3.9.6.3.1 Generic Control Descriptor Format
            2. 10.3.9.6.3.2 Control Descriptor Header Description
              1. 10.3.9.6.3.2.1 Packet Type
              2. 10.3.9.6.3.2.2 Source
              3. 10.3.9.6.3.2.3 Control
            3. 10.3.9.6.3.3 Control Descriptor Types
              1. 10.3.9.6.3.3.1 Sync on Client
              2. 10.3.9.6.3.3.2 Sync on List
              3. 10.3.9.6.3.3.3 Sync on External Event
              4. 10.3.9.6.3.3.4 Sync on Channel
              5. 10.3.9.6.3.3.5 Sync on LM Timer
              6. 10.3.9.6.3.3.6 Change Client Interrupt
              7. 10.3.9.6.3.3.7 Send Interrupt
              8. 10.3.9.6.3.3.8 Reload List
              9. 10.3.9.6.3.3.9 Abort Channel
        7. 10.3.9.7 VPDMA Configuration
          1. 10.3.9.7.1 Regular List
          2. 10.3.9.7.2 Video Input Ports
            1. 10.3.9.7.2.1 Single YUV Color Separate
            2. 10.3.9.7.2.2 Dual YUV Interleaved
            3. 10.3.9.7.2.3 Single RGB Stream
        8. 10.3.9.8 VPDMA Data Formats
          1. 10.3.9.8.1 YUV Data Formats
            1. 10.3.9.8.1.1 Y 4:4:4 (Data Type 0)
            2. 10.3.9.8.1.2 Y 4:2:2 (Data Type 1)
            3. 10.3.9.8.1.3 Y 4:2:0 (Data Type 2)
            4. 10.3.9.8.1.4 C 4:4:4 (Data Type 4)
            5. 10.3.9.8.1.5 C 4:2:2 (Data Type 5)
            6. 10.3.9.8.1.6 C 4:2:0 (Data Type 6)
            7. 10.3.9.8.1.7 YC 4:2:2 (Data Type 7)
            8. 10.3.9.8.1.8 YC 4:4:4 (Data Type 8)
            9. 10.3.9.8.1.9 CY 4:2:2 (Data Type 23)
          2. 10.3.9.8.2 RGB Data Formats
            1. 10.3.9.8.2.1 Input Data Formats
              1. 10.3.9.8.2.1.1  RGB16-565 (Data Type 0)
              2. 10.3.9.8.2.1.2  ARGB-1555 (Data Type 1)
              3. 10.3.9.8.2.1.3  ARGB-4444 (Data Type 2)
              4. 10.3.9.8.2.1.4  RGBA-5551 (Data Type 3)
              5. 10.3.9.8.2.1.5  RGBA-4444 (Data Type 4)
              6. 10.3.9.8.2.1.6  ARGB24-6666 (Data Type 5)
              7. 10.3.9.8.2.1.7  RGB24-888 (Data Type 6)
              8. 10.3.9.8.2.1.8  ARGB32-8888 (Data Type 7)
              9. 10.3.9.8.2.1.9  RGBA24-6666 (Data Type 8)
              10. 10.3.9.8.2.1.10 RGBA32-8888 (Data Type 9)
            2. 10.3.9.8.2.2 Output Data Formats
              1. 10.3.9.8.2.2.1  RGB16-565 (Data Type 0)
              2. 10.3.9.8.2.2.2  ARGB-1555 (Data Type 1)
              3. 10.3.9.8.2.2.3  ARGB-4444 (Data Type 2)
              4. 10.3.9.8.2.2.4  RGBA-5551 (Data Type 3)
              5. 10.3.9.8.2.2.5  RGBA-4444 (Data Type 4)
              6. 10.3.9.8.2.2.6  ARGB24-6666 (Data Type 5)
              7. 10.3.9.8.2.2.7  RGB24-888 (Data Type 6)
              8. 10.3.9.8.2.2.8  ARGB32-8888 (Data Type 7)
              9. 10.3.9.8.2.2.9  RGBA24-6666 (Data Type 8)
              10. 10.3.9.8.2.2.10 RGBA32-8888 (Data Type 9)
          3. 10.3.9.8.3 Miscellaneous Data Type
      10. 10.3.10 VPE Software Reset
      11. 10.3.11 VPE Power and Clocks Management
        1. 10.3.11.1 VPE Clocks
        2. 10.3.11.2 VPE Idle Mode
        3. 10.3.11.3 VPE StandBy Mode
    4. 10.4 VPE Register Manual
      1. 10.4.1 VPE Instance Summary
      2. 10.4.2 VPE_CSC Registers
        1. 10.4.2.1 VPE_CSC Register Summary
        2. 10.4.2.2 VPE_CSC Register Description
      3. 10.4.3 VPE_SC Registers
        1. 10.4.3.1 VPE_SC Register Summary
        2. 10.4.3.2 VPE_SC Register Description
      4. 10.4.4 VPE_CHR_US Registers
        1. 10.4.4.1 VPE_CHR_US Register Summary
        2. 10.4.4.2 VPE_CHR_US Register Description
      5. 10.4.5 VPE_DEI Registers
        1. 10.4.5.1 VPE_DEI Register Summary
        2. 10.4.5.2 VPE_DEI Register Description
      6. 10.4.6 VPE_VPDMA Registers
        1. 10.4.6.1 VPE_VPDMA Register Summary
        2. 10.4.6.2 VPE_VPDMA Register Description
      7. 10.4.7 VPE_TOP_LEVEL Registers
        1. 10.4.7.1 VPE_TOP_LEVEL Register Summary
        2. 10.4.7.2 VPE_TOP_LEVEL Register Description
  13. 11Display Subsystem
    1. 11.1 Display Subsystem Overview
      1. 11.1.1 Display Subsystem Environment
        1. 11.1.1.1 Display Subsystem LCD Support
          1. 11.1.1.1.1 Display Subsystem LCD with Parallel Interfaces
        2. 11.1.1.2 Display Subsystem TV Display Support
          1. 11.1.1.2.1 Display Subsystem TV With Parallel Interfaces
          2. 11.1.1.2.2 Display Subsystem TV With Serial Interfaces
      2. 11.1.2 Display Subsystem Integration
        1. 11.1.2.1 Display Subsystem Clocks
        2. 11.1.2.2 Display Subsystem Resets
        3. 11.1.2.3 Display Subsystem Power Management
          1. 11.1.2.3.1 Display Subsystem Standby Mode
          2. 11.1.2.3.2 1467
          3. 11.1.2.3.3 Display Subsystem Wake-Up Mode
      3. 11.1.3 Display Subsystem DPLL Controllers Functional Description
        1. 11.1.3.1 DPLL Controllers Overview
        2. 11.1.3.2 OCP2SCP2 Functional Description
          1. 11.1.3.2.1 OCP2SCP2 Reset
            1. 11.1.3.2.1.1 Hardware Reset
            2. 11.1.3.2.1.2 Software Reset
          2. 11.1.3.2.2 OCP2SCP2 Power Management
            1. 11.1.3.2.2.1 Idle Mode
            2. 11.1.3.2.2.2 Clock Gating
          3. 11.1.3.2.3 OCP2SCP2 Timing Registers
        3. 11.1.3.3 DPLL_VIDEO Functional Description
          1. 11.1.3.3.1 DPLL_VIDEO Controller Architecture
          2. 11.1.3.3.2 DPLL_VIDEO Operations
          3. 11.1.3.3.3 DPLL_VIDEO Error Handling
          4. 11.1.3.3.4 DPLL_VIDEO Software Reset
          5. 11.1.3.3.5 DPLL_VIDEO Power Management
          6. 11.1.3.3.6 DPLL_VIDEO HSDIVIDER Loading Operation
          7. 11.1.3.3.7 DPLL_VIDEO Clock Sequence
          8. 11.1.3.3.8 DPLL_VIDEO Go Sequence
          9. 11.1.3.3.9 DPLL_VIDEO Recommended Values
        4. 11.1.3.4 DPLL_HDMI Functional Description
          1. 11.1.3.4.1  DPLL_HDMI and PLLCTRL_HDMI Overview
          2. 11.1.3.4.2  DPLL_HDMI and PLLCTRL_HDMI Architecture
          3. 11.1.3.4.3  DPLL_HDMI Operations
          4. 11.1.3.4.4  DPLL_HDMI Register Access
          5. 11.1.3.4.5  DPLL_HDMI Error Handling
          6. 11.1.3.4.6  DPLL_HDMI Software Reset
          7. 11.1.3.4.7  DPLL_HDMI Power Management
          8. 11.1.3.4.8  DPLL_HDMI Lock Sequence
          9. 11.1.3.4.9  DPLL_HDMI Go Sequence
          10. 11.1.3.4.10 DPLL_HDMI Recommended Values
      4. 11.1.4 Display Subsystem Programming Guide
      5. 11.1.5 Display Subsystem Register Manual
        1. 11.1.5.1 Display Subsystem Instance Summary
        2. 11.1.5.2 Display Subsystem Registers
          1. 11.1.5.2.1 Display Subsystem Registers Mapping Summary
          2. 11.1.5.2.2 Display Subsystem Register Description
        3. 11.1.5.3 OCP2SCP2 registers
          1. 11.1.5.3.1 OCP2SCP2 Register Summary
          2. 11.1.5.3.2 OCP2SCP Register Description
        4. 11.1.5.4 DPLL_VIDEO Registers
          1. 11.1.5.4.1 DPLL_VIDEO Register Summary
          2. 11.1.5.4.2 DPLL_VIDEO Register Description
        5. 11.1.5.5 DPLL_HDMI Registers
          1. 11.1.5.5.1 DPLL_HDMI Registers Mapping Summary
          2. 11.1.5.5.2 DPLL_HDMI Register Description
        6. 11.1.5.6 HDMI_WP Registers
          1. 11.1.5.6.1 HDMI_WP Registers Mapping Summary
          2. 11.1.5.6.2 HDMI_WP Register Description
        7. 11.1.5.7 DSI Registers
          1. 11.1.5.7.1 DSI Register Summary
          2. 11.1.5.7.2 DSI Register Description
    2. 11.2 Display Controller
      1. 11.2.1 DISPC Overview
      2. 11.2.2 DISPC Environment
        1. 11.2.2.1 DISPC LCD Output and Data Format for the Parallel Interface
        2. 11.2.2.2 DISPC Transaction Timing Diagrams
        3. 11.2.2.3 DISPC TV Output and Data Format for the Parallel Interface
      3. 11.2.3 DISPC Integration
      4. 11.2.4 DISPC Functional Description
        1. 11.2.4.1  DISPC Clock Configuration
        2. 11.2.4.2  DISPC Software Reset
        3. 11.2.4.3  DISPC Power Management
          1. 11.2.4.3.1 DISPC Idle Mode
          2. 11.2.4.3.2 DISPC StandBy Mode
          3. 11.2.4.3.3 DISPC Wakeup
        4. 11.2.4.4  DISPC Interrupt Requests
        5. 11.2.4.5  DISPC DMA Requests
        6. 11.2.4.6  DISPC DMA Engine
          1. 11.2.4.6.1 DISPC Addressing and Bursts
          2. 11.2.4.6.2 DISPC Immediate Base Address Flip Mechanism
          3. 11.2.4.6.3 DISPC DMA Buffers
            1. 11.2.4.6.3.1 DISPC READ DMA Buffers (GFX and VID Pipelines)
            2. 11.2.4.6.3.2 DISPC WRITE DMA Buffer (WB Pipeline)
          4. 11.2.4.6.4 DISPC MFLAG Mechanism and Arbitration
          5. 11.2.4.6.5 DISPC Predecimation
          6. 11.2.4.6.6 DISPC Progressive-to-Interlaced Format Conversion
          7. 11.2.4.6.7 DISPC Arbitration
          8. 11.2.4.6.8 DISPC DMA Power Modes
            1. 11.2.4.6.8.1 DISPC DMA Low-Power Mode
            2. 11.2.4.6.8.2 DISPC DMA Ultralow-Power Mode
        7. 11.2.4.7  DISPC Rotation and Mirroring
        8. 11.2.4.8  DISPC Memory Format
        9. 11.2.4.9  DISPC Graphics Pipeline
          1. 11.2.4.9.1 DISPC Replication Logic
          2. 11.2.4.9.2 DISPC Antiflicker Filter
        10. 11.2.4.10 DISPC Video Pipelines
          1. 11.2.4.10.1 DISPC Replication Logic
          2. 11.2.4.10.2 DISPC VC-1 Range Mapping Unit
          3. 11.2.4.10.3 DISPC CSC Unit YUV to RGB
            1. 11.2.4.10.3.1 DISPC Chrominance Resampling
          4. 11.2.4.10.4 DISPC Scaler Unit
            1. 11.2.4.10.4.1 DISPC Scaling Algorithms
            2. 11.2.4.10.4.2 DISPC Scaling limitations
        11. 11.2.4.11 DISPC Write-Back Pipeline
          1. 11.2.4.11.1 DISPC Write-Back CSC Unit RGB to YUV
          2. 11.2.4.11.2 DISPC Write-Back Scaler Unit
          3. 11.2.4.11.3 DISPC Write-Back RGB Truncation Logic
        12. 11.2.4.12 DISPC Hardware Cursor
        13. 11.2.4.13 DISPC LCD Outputs
          1. 11.2.4.13.1 DISPC Overlay Manager
            1. 11.2.4.13.1.1 DISPC Priority Rule
            2. 11.2.4.13.1.2 DISPC Alpha Blender
            3. 11.2.4.13.1.3 DISPC Transparency Color Keys
            4. 11.2.4.13.1.4 DISPC Overlay Optimization
          2. 11.2.4.13.2 DISPC Gamma Correction Unit
          3. 11.2.4.13.3 DISPC Color Phase Rotation Unit
          4. 11.2.4.13.4 DISPC Color Space Conversion
          5. 11.2.4.13.5 DISPC BT.656 and BT.1120 Modes
            1. 11.2.4.13.5.1 Blanking
            2. 11.2.4.13.5.2 EAV and SAV
          6. 11.2.4.13.6 DISPC Active Matrix
            1. 11.2.4.13.6.1 DISPC Spatial/Temporal Dithering
            2. 11.2.4.13.6.2 DISPC Multiple Cycle Output Format (TDM)
          7. 11.2.4.13.7 DISPC Synchronized Buffer Update
          8. 11.2.4.13.8 DISPC Timing Generator and Panel Settings
        14. 11.2.4.14 DISPC TV Output
          1. 11.2.4.14.1 DISPC Overlay Manager
          2. 11.2.4.14.2 DISPC Gamma Correction Unit
          3. 11.2.4.14.3 DISPC Synchronized Buffer Update
          4. 11.2.4.14.4 DISPC Timing and TV Format Settings
        15. 11.2.4.15 DISPC Frame Width Considerations
        16. 11.2.4.16 DISPC Extended 3D Support
          1. 11.2.4.16.1 DISPC Extended 3D Support - Line Alternative Format
          2. 11.2.4.16.2 1593
          3. 11.2.4.16.3 DISPC Extended 3D Support - Frame Packing Format Format
          4. 11.2.4.16.4 DISPC Extended 3D Support - DLP 3D Format
        17. 11.2.4.17 DISPC Shadow Registers
      5. 11.2.5 DISPC Programming Guide
        1. 11.2.5.1 DISPC Low-Level Programming Models
          1. 11.2.5.1.1 DISPC Global Initialization
            1. 11.2.5.1.1.1 DISPC Surrounding Modules Global Initialization
          2. 11.2.5.1.2 DISPC Operational Modes Configuration
            1. 11.2.5.1.2.1 DISPC DMA Configuration
              1. 11.2.5.1.2.1.1 DISPC Main Sequence – DISPC DMA Channel Configuration
            2. 11.2.5.1.2.2 DISPC GFX Pipeline Configuration
              1. 11.2.5.1.2.2.1 DISPC Main Sequence – Configure the GFX Pipeline
              2. 11.2.5.1.2.2.2 DISPC Subsequence – Configure the GFX Window
              3. 11.2.5.1.2.2.3 DISPC Subsequence – Configure the GFX Pipeline Processing
              4. 11.2.5.1.2.2.4 DISPC Subsequence – Configure the GFX Pipeline Layer Output
            3. 11.2.5.1.2.3 DISPC Video Pipeline Configuration
              1. 11.2.5.1.2.3.1 DISPC Main Sequence – Configure the Video Pipeline
              2. 11.2.5.1.2.3.2 DISPC Subsequence – Configure the Video Window
              3. 11.2.5.1.2.3.3 DISPC Subsequence – Configure the Video Pipeline Processing
              4. 11.2.5.1.2.3.4 DISPC Subsequence – Configure the VC-1 Range Mapping
              5. 11.2.5.1.2.3.5 DISPC Subsequence – Configure the Video Color Space Conversion
              6. 11.2.5.1.2.3.6 DISPC Subsequence – Configure the Video Scaler Unit
              7. 11.2.5.1.2.3.7 DISPC Subsequence – Configure the Video Pipeline Layer Output
            4. 11.2.5.1.2.4 DISPC WB Pipeline Configuration
              1. 11.2.5.1.2.4.1 DISPC Main Sequence – Configure the WB Pipeline
              2. 11.2.5.1.2.4.2 DISPC Subsequence – Configure the Capture Window
              3. 11.2.5.1.2.4.3 DISPC Subsequence – Configure the WB Scaler Unit
              4. 11.2.5.1.2.4.4 DISPC Subsequence – Configure the WB Color Space Conversion Unit
            5. 11.2.5.1.2.5 DISPC LCD Output Configuration
              1. 11.2.5.1.2.5.1 DISPC Main Sequence – Configure the LCD Output
              2. 11.2.5.1.2.5.2 DISPC Subsequence – Configure the Overlay Manager
              3. 11.2.5.1.2.5.3 DISPC Subsequence – Configure the Gamma Table for Gamma Correction
              4. 11.2.5.1.2.5.4 DISPC Subsequence – Configure the Color Phase Rotation
              5. 11.2.5.1.2.5.5 DISPC Subsequence – Configure the LCD Panel Timings and Parameters
              6. 11.2.5.1.2.5.6 DISPC Subsequence – Configure BT.656 or BT.1120 Mode
            6. 11.2.5.1.2.6 DISPC TV Output Configuration
              1. 11.2.5.1.2.6.1 DISPC Main Sequence – Configure the TV Output
                1. 11.2.5.1.2.6.1.1 DISPC Subsequence – Configure the TV Overlay Manager
                2. 11.2.5.1.2.6.1.2 DISPC Subsequence – Configure the Gamma Table for Gamma Correction
                3. 11.2.5.1.2.6.1.3 DISPC Subsequence – Configure the TV Panel Timings and Parameters
      6. 11.2.6 DISPC Register Manual
        1. 11.2.6.1 DISPC Instance Summary
        2. 11.2.6.2 DISPC Logical Register Mapping
        3. 11.2.6.3 DISPC Registers
          1. 11.2.6.3.1 DISPC Register Summary
          2. 11.2.6.3.2 DISPC Register Description
    3. 11.3 High-Definition Multimedia Interface
      1. 11.3.1 HDMI Overview
        1. 11.3.1.1 HDMI Main Features
        2. 11.3.1.2 HDMI Video Formats and Timings
          1. 11.3.1.2.1 HDMI CEA-861-D Video Formats and Timings
          2. 11.3.1.2.2 VESA DMT Video Formats and Timings
  14. 123D Graphics Accelerator
    1. 12.1 GPU Overview
      1. 12.1.1 GPU Features Overview
      2. 12.1.2 Graphics Feature Overview
    2. 12.2 GPU Integration
    3. 12.3 GPU Functional Description
      1. 12.3.1 GPU Block Diagram
      2. 12.3.2 GPU Clock Configuration
      3. 12.3.3 GPU Software Reset
      4. 12.3.4 GPU Power Management
      5. 12.3.5 GPU Thermal Management
      6. 12.3.6 GPU Interrupt Requests
    4. 12.4 GPU Register Manual
      1. 12.4.1 GPU Instance Summary
      2. 12.4.2 GPU Registers
        1. 12.4.2.1 GPU_WRAPPER Register Summary
        2. 12.4.2.2 GPU_WRAPPER Register Description
  15. 132D Graphics Accelerator
    1. 13.1 BB2D Overview
      1. 13.1.1 BB2D Key Features Overview
    2. 13.2 BB2D Integration
    3. 13.3 BB2D Functional Description
      1. 13.3.1 BB2D Block Diagram
      2. 13.3.2 BB2D Clock Configuration
      3. 13.3.3 BB2D Software Reset
      4. 13.3.4 BB2D Power Management
    4. 13.4 BB2D Register Manual
      1. 13.4.1 BB2D Instance Summary
      2. 13.4.2 BB2D Registers
        1. 13.4.2.1 BB2D Register Summary
        2. 13.4.2.2 BB2D Register Description
  16. 14Interconnect
    1. 14.1 Interconnect Overview
      1. 14.1.1 Terminology
      2. 14.1.2 Architecture Overview
    2. 14.2 L3_MAIN Interconnect
      1. 14.2.1 L3_MAIN Interconnect Overview
      2. 14.2.2 L3_MAIN Interconnect Integration
      3. 14.2.3 L3_MAIN Interconnect Functional Description
        1. 14.2.3.1 Module Use in L3_MAIN Interconnect
        2. 14.2.3.2 Module Distribution
          1. 14.2.3.2.1 L3_MAIN Interconnect Agents
          2. 14.2.3.2.2 L3_MAIN Connectivity Matrix
            1. 14.2.3.2.2.1 Clock Domain Mapping of the L3_MAIN Interconnect Modules
            2. 14.2.3.2.2.2 1690
          3. 14.2.3.2.3 Master NIU Identification
        3. 14.2.3.3 Bandwidth Regulators
        4. 14.2.3.4 Bandwidth Limiters
        5. 14.2.3.5 Flag Muxing
          1. 14.2.3.5.1 Flag Mux Time-out
        6. 14.2.3.6 Statistic Collectors Group
        7. 14.2.3.7 L3_MAIN Protection and Firewalls
          1. 14.2.3.7.1 L3_MAIN Firewall Reset
            1. 14.2.3.7.1.1 L3_MAIN Firewall – Exported Reset Values
          2. 14.2.3.7.2 Power Management
          3. 14.2.3.7.3 L3_MAIN Firewall Functionality
            1. 14.2.3.7.3.1 Protection Regions
            2. 14.2.3.7.3.2 L3_MAIN Firewall Registers Overview
            3. 14.2.3.7.3.3 Protection Mechanism per Region Examples
            4. 14.2.3.7.3.4 L3_MAIN Firewall Error Logging
            5. 14.2.3.7.3.5 L3_MAIN Firewall Default Configuration
        8. 14.2.3.8 L3_MAIN Interconnect Error Handling
          1. 14.2.3.8.1 Global Error-Routing Scheme
          2. 14.2.3.8.2 Slave NIU Error Logging
          3. 14.2.3.8.3 Flag Mux Error Logging
          4. 14.2.3.8.4 Severity Level of Standard and Custom Errors
          5. 14.2.3.8.5 Example for Decoding Standard/Custom Errors Logged in L3_MAIN
      4. 14.2.4 L3_MAIN Interconnect Programming Guide
        1. 14.2.4.1 L3 _MAIN Interconnect Low-Level Programming Models
          1. 14.2.4.1.1 Global Initialization
            1. 14.2.4.1.1.1 Global Initialization of Surrounding Modules
        2. 14.2.4.2 Operational Modes Configuration
          1. 14.2.4.2.1 L3_MAIN Interconnect Error Analysis Mode
            1. 14.2.4.2.1.1 Main Sequence: L3_MAIN Interconnect Error Analysis Mode
              1. 14.2.4.2.1.1.1 Subsequence: L3_MAIN Custom Error Identification
              2. 14.2.4.2.1.1.2 Subsequence: L3_MAIN Interconnect Protection Violation Error Identification
              3. 14.2.4.2.1.1.3 Subsequence: L3_MAIN Interconnect Standard Error Identification
              4. 14.2.4.2.1.1.4 Subsequence: L3_MAIN Interconnect FLAGMUX Configuration
      5. 14.2.5 L3_MAIN Interconnect Register Manual
        1. 14.2.5.1 L3_MAIN Register Group Summary
          1. 14.2.5.1.1 L3_MAIN Firewall Registers Summary and Description
            1. 14.2.5.1.1.1 L3_MAIN Firewall Registers Summary
            2. 14.2.5.1.1.2 L3_MAIN Firewall Registers Description
          2. 14.2.5.1.2 L3_MAIN Host Register Summary and Description
            1. 14.2.5.1.2.1 L3_MAIN HOST Register Summary
            2. 14.2.5.1.2.2 L3_MAIN HOST Register Description
          3. 14.2.5.1.3 L3_MAIN TARG Register Summary and Description
            1. 14.2.5.1.3.1 L3_MAIN TARG Register Summary
            2. 14.2.5.1.3.2 L3_MAIN TARG Register Description
          4. 14.2.5.1.4 L3_MAIN FLAGMUX Registers Summary and Description
            1. 14.2.5.1.4.1 L3_MAIN FLAGMUX Registers Summary
            2. 14.2.5.1.4.2 L3_MAIN FLAGMUX Rebisters Description
          5. 14.2.5.1.5 L3_MAIN FLAGMUX CLK1MERGE Registers Summary and Description
            1. 14.2.5.1.5.1 L3_MAIN FLAGMUX CLK1MERGE Registers Summary
            2. 14.2.5.1.5.2 L3_MAIN FLAGMUX CLK1MERGE Registers Description
          6. 14.2.5.1.6 L3_MAIN FLAGMUX TIMEOUT Registers Summary and Description
            1. 14.2.5.1.6.1 L3_MAIN FLAGMUX TIMEOUT Registers Summary
            2. 14.2.5.1.6.2 L3_MAIN FLAGMUX TIMEOUT Registers Description
          7. 14.2.5.1.7 L3_MAIN BW Regulator Register Summary and Description
            1. 14.2.5.1.7.1 L3_MAIN BW_REGULATOR Register Summary
            2. 14.2.5.1.7.2 L3_MAIN BW_REGULATOR Register Description
          8. 14.2.5.1.8 L3_MAIN Bandwidth Limiter Register Summary and Description
            1. 14.2.5.1.8.1 L3_MAIN BW Limiter Register Summary
            2. 14.2.5.1.8.2 L3_MAIN BW Limiter Register Description
          9. 14.2.5.1.9 L3_MAIN STATCOLL Register Summary and Description
            1. 14.2.5.1.9.1 L3_MAIN STATCOLL Register Summary
            2. 14.2.5.1.9.2 L3_MAIN STATCOLL Register Description
    3. 14.3 L4 Interconnects
      1. 14.3.1 L4 Interconnect Overview
      2. 14.3.2 L4 Interconnect Integration
      3. 14.3.3 L4 Interconnect Functional Description
        1. 14.3.3.1 Module Distribution
          1. 14.3.3.1.1 L4_PER1 Interconnect Agents
          2. 14.3.3.1.2 L4_PER2 Interconnect Agents
          3. 14.3.3.1.3 L4_PER3 Interconnect Agents
          4. 14.3.3.1.4 L4_CFG Interconnect Agents
          5. 14.3.3.1.5 L4_WKUP Interconnect Agents
        2. 14.3.3.2 Power Management
        3. 14.3.3.3 L4 Firewalls
          1. 14.3.3.3.1 Protection Group
          2. 14.3.3.3.2 Segments and Regions
          3. 14.3.3.3.3 L4 Firewall Address and Protection Register Settings
        4. 14.3.3.4 L4 Error Detection and Reporting
          1. 14.3.3.4.1 IA and TA Error Detection and Logging
          2. 14.3.3.4.2 Time-Out
          3. 14.3.3.4.3 Error Reporting
          4. 14.3.3.4.4 Error Recovery
          5. 14.3.3.4.5 Firewall Error Logging in the Control Module
      4. 14.3.4 L4 Interconnect Programming Guide
        1. 14.3.4.1 L4 Interconnect Low-level Programming Models
          1. 14.3.4.1.1 Global Initialization
            1. 14.3.4.1.1.1 Surrounding Modules Global Initialization
          2. 14.3.4.1.2 Operational Modes Configuration
            1. 14.3.4.1.2.1 L4 Interconnect Error Analysis Mode
              1. 14.3.4.1.2.1.1 Main Sequence: L4 Interconnect Error Analysis Mode
              2. 14.3.4.1.2.1.2 Subsequence: L4 Interconnect Protection Violation Error Identification
              3. 14.3.4.1.2.1.3 Subsequence: L4 Interconnect Unsupported Command/Address Hole Error Identification
              4. 14.3.4.1.2.1.4 Subsequence: L4 Interconnect Reset TA and Module
            2. 14.3.4.1.2.2 L4 Interconnect Time-Out Configuration Mode
              1. 14.3.4.1.2.2.1 Main Sequence: L4 Interconnect Time-Out Configuration Mode
            3. 14.3.4.1.2.3 L4 Interconnect Firewall Configuration Mode
              1. 14.3.4.1.2.3.1 Main Sequence: L4 Interconnect Firewall Configuration Mode
      5. 14.3.5 L4 Interconnects Register Manual
        1. 14.3.5.1 L4 Interconnects Instance Summary
        2. 14.3.5.2 L4 Initiator Agent (L4 IA)
          1. 14.3.5.2.1 L4 Initiator Agent (L4 IA) Register Summary
          2. 14.3.5.2.2 L4 Initiator Agent (L4 IA) Register Description
        3. 14.3.5.3 L4 Target Agent (L4 TA)
          1. 14.3.5.3.1 L4 Target Agent (L4 TA) Register Summary
          2. 14.3.5.3.2 L4 Target Agent (L4 TA) Register Description
        4. 14.3.5.4 L4 Link Agent (L4 LA)
          1. 14.3.5.4.1 L4 Link Agent (L4 LA) Register Summary
          2. 14.3.5.4.2 L4 Link Agent (L4 LA) Register Description
        5. 14.3.5.5 L4 Address Protection (L4 AP)
          1. 14.3.5.5.1 L4 Address Protection (L4 AP) Register Summary
          2. 14.3.5.5.2 L4 Address Protection (L4 AP) Register Description
  17. 15Memory Subsystem
    1. 15.1 Memory Subsystem Overview
      1. 15.1.1 DMM Overview
      2. 15.1.2 TILER Overview
      3. 15.1.3 EMIF Overview
      4. 15.1.4 GPMC Overview
      5. 15.1.5 ELM Overview
      6. 15.1.6 OCM Overview
    2. 15.2 Dynamic Memory Manager
      1. 15.2.1 DMM Overview
      2. 15.2.2 DMM Integration
        1. 15.2.2.1 DMM Configuration
      3. 15.2.3 DMM Functional Description
        1. 15.2.3.1 DMM Block Diagram
        2. 15.2.3.2 DMM Clock Configuration
        3. 15.2.3.3 DMM Power Management
        4. 15.2.3.4 DMM Interrupt Requests
        5. 15.2.3.5 DMM
          1. 15.2.3.5.1 DMM Concepts
            1. 15.2.3.5.1.1 Dynamic Mapping
            2. 15.2.3.5.1.2 Address Mapping
            3. 15.2.3.5.1.3 Address Translation
              1. 15.2.3.5.1.3.1 PAT View Mappings
              2. 15.2.3.5.1.3.2 PAT View Map Base Address
              3. 15.2.3.5.1.3.3 PAT Views
                1. 15.2.3.5.1.3.3.1 PAT Direct Access Translation
                2. 15.2.3.5.1.3.3.2 PAT Indirect Access Translation
                3. 15.2.3.5.1.3.3.3 PAT View Configuration
                4. 15.2.3.5.1.3.3.4 PAT Address Translation LUT
                5. 15.2.3.5.1.3.3.5 Direct Access to the PAT Table Vectors
                6. 15.2.3.5.1.3.3.6 Automatic Refill Through the Refill Engines
          2. 15.2.3.5.2 DMM Transaction Flows
            1. 15.2.3.5.2.1 Nontiled Transaction Flow
            2. 15.2.3.5.2.2 Tiled Transaction Flow
          3. 15.2.3.5.3 DMM Internal Macro-Architecture
            1. 15.2.3.5.3.1 LISA Description
            2. 15.2.3.5.3.2 PAT Description
            3. 15.2.3.5.3.3 PEG Description
            4. 15.2.3.5.3.4 LISA Interconnect Arbitration
            5. 15.2.3.5.3.5 ROBIN Description
            6. 15.2.3.5.3.6 TILER Description
        6. 15.2.3.6 TILER
          1. 15.2.3.6.1 TILER Concepts
            1. 15.2.3.6.1.1 TILER Rationale
              1. 15.2.3.6.1.1.1 The TILER is a 4-GiB Virtual Address Space Composed of Eight Views
              2. 15.2.3.6.1.1.2 A View is a 512-MiB Virtual Address Space Composed of Four Containers
              3. 15.2.3.6.1.1.3 A Container is a 128-MiB Virtual Address Space
              4. 15.2.3.6.1.1.4 A Page is a 4-kiB Virtual Address Space
              5. 15.2.3.6.1.1.5 A Tile is a 1-kiB Address Space
              6. 15.2.3.6.1.1.6 1851
              7. 15.2.3.6.1.1.7 A Subtile is a 128-Bit Address Space
            2. 15.2.3.6.1.2 TILER Modes
              1. 15.2.3.6.1.2.1 Bypass Mode
              2. 15.2.3.6.1.2.2 Page Mode
              3. 15.2.3.6.1.2.3 Tiled Mode
            3. 15.2.3.6.1.3 Object Container Definition
            4. 15.2.3.6.1.4 Page Definition
              1. 15.2.3.6.1.4.1 Container Geometry With 4-kiB Pages
              2. 15.2.3.6.1.4.2 Container Geometry and Page Mapping Summary
            5. 15.2.3.6.1.5 Orientation
            6. 15.2.3.6.1.6 Tile Definition
            7. 15.2.3.6.1.7 Subtiles
              1. 15.2.3.6.1.7.1 Subtiling Definition
            8. 15.2.3.6.1.8 TILER Virtual Addressing
              1. 15.2.3.6.1.8.1 Page Mode Virtual Addressing and Characteristics
              2. 15.2.3.6.1.8.2 Tiled Mode Virtual Addressing and Characteristics
              3. 15.2.3.6.1.8.3 Element Ordering in the TILER Container
                1. 15.2.3.6.1.8.3.1 Natural View or 0-Degree View (Orientation 0)
                2. 15.2.3.6.1.8.3.2 0-Degree View With Vertical Mirror or 180-Degree View With Horizontal Mirror (Orientation 1)
                3. 15.2.3.6.1.8.3.3 0-Degree View With Horizontal Mirror or 180-Degree View With Vertical Mirror (Orientation 2)
                4. 15.2.3.6.1.8.3.4 180-Degree View (Orientation 3)
                5. 15.2.3.6.1.8.3.5 90-Degree View With Vertical Mirror or 270-Degree View With Horizontal Mirror (Orientation 4)
                6. 15.2.3.6.1.8.3.6 270-Degree View (Orientation 5)
                7. 15.2.3.6.1.8.3.7 90-Degree View (Orientation 6)
                8. 15.2.3.6.1.8.3.8 90-Degree View With Horizontal Mirror or 270-Degree View With Vertical Mirror (Orientation 7)
          2. 15.2.3.6.2 TILER Macro-Architecture
          3. 15.2.3.6.3 TILER Guidelines for Initiators
            1. 15.2.3.6.3.1 Buffered Raster-Based Initiators
              1. 15.2.3.6.3.1.1 Buffer Size
              2. 15.2.3.6.3.1.2 Performance
      4. 15.2.4 DMM Use Cases and Tips
        1. 15.2.4.1 PAT Use Cases
          1. 15.2.4.1.1 Simple Manual Area Refill
          2. 15.2.4.1.2 Single Auto-Configured Area Refill
          3. 15.2.4.1.3 Chained Auto-Configured Area Refill
          4. 15.2.4.1.4 Synchronized Auto-Configured Area Refill
          5. 15.2.4.1.5 Cyclic Synchronized Auto-Configured Area Refill
        2. 15.2.4.2 Addressing Management with LISA
          1. 15.2.4.2.1 Case 1: Use of One Memory Controller
      5. 15.2.5 DMM Basic Programming Model
        1. 15.2.5.1 Global Initialization
        2. 15.2.5.2 DMM Module Global Initialization
        3. 15.2.5.3 DMM Operational Modes Configuration
          1. 15.2.5.3.1 Different Operational Modes
          2. 15.2.5.3.2 Configuration Settings and LUT Refill
          3. 15.2.5.3.3 LISA Settings
          4. 15.2.5.3.4 Aliased Tiled View Orientation Settings and LUT Refill
          5. 15.2.5.3.5 Priority Settings
          6. 15.2.5.3.6 Error Handling
          7. 15.2.5.3.7 PAT Programming Model
            1. 15.2.5.3.7.1 PAT in Direct Translation Mode
            2. 15.2.5.3.7.2 PAT in Indirect Translation Mode
        4. 15.2.5.4 Addressing an Object in Tiled Mode
          1. 15.2.5.4.1 Frame-Buffer Addressing
          2. 15.2.5.4.2 TILER Page Mapping
        5. 15.2.5.5 Addressing an Object in Page Mode
        6. 15.2.5.6 Sharing Containers Between Different Modes
      6. 15.2.6 DMM Register Manual
        1. 15.2.6.1 DMM Instance Summary
        2. 15.2.6.2 DMM Registers
          1. 15.2.6.2.1 DMM Register Summary
          2. 15.2.6.2.2 DMM Register Description
    3. 15.3 EMIF Controller
      1. 15.3.1 EMIF Controller Overview
      2. 15.3.2 EMIF Module Environment
      3. 15.3.3 EMIF Module Integration
      4. 15.3.4 EMIF Functional Description
        1. 15.3.4.1  Block Diagram
          1. 15.3.4.1.1 Local Interface
          2. 15.3.4.1.2 FIFO Description
          3. 15.3.4.1.3 MPU Port Restrictions
          4. 15.3.4.1.4 Arbitration of Commands in the Command FIFO
        2. 15.3.4.2  Clock Management
          1. 15.3.4.2.1 EMIF_FICLK Overview
          2. 15.3.4.2.2 EMIF Dependency on MPU Clock Rate
        3. 15.3.4.3  Reset
        4. 15.3.4.4  System Power Management
          1. 15.3.4.4.1 Power-Down Mode
          2. 15.3.4.4.2 Self-Refresh Mode
        5. 15.3.4.5  Interrupt Requests
        6. 15.3.4.6  SDRAM Refresh Scheduling
        7. 15.3.4.7  SDRAM Initialization
          1. 15.3.4.7.1 DDR3/DDR3L SDRAM Initialization
        8. 15.3.4.8  DDR3/DDR3L Read-Write Leveling
          1. 15.3.4.8.1 Full Leveling
          2. 15.3.4.8.2 Software Leveling
        9. 15.3.4.9  EMIF Access Cycles
        10. 15.3.4.10 Turnaround Time
        11. 15.3.4.11 PHY DLL Calibration
        12. 15.3.4.12 SDRAM Address Mapping
          1. 15.3.4.12.1  Address Mapping for IBANK_POS = 0 and EBANK_POS = 0
          2. 15.3.4.12.2  Address Mapping for IBANK_POS = 1 and EBANK_POS = 0
          3. 15.3.4.12.3  Address Mapping for IBANK_POS = 2 and EBANK_POS = 0
          4. 15.3.4.12.4  Address Mapping for IBANK_POS = 3 and EBANK_POS = 0
          5. 15.3.4.12.5  Address Mapping for IBANK_POS = 0 and EBANK_POS = 1
          6. 15.3.4.12.6  Address Mapping for IBANK_POS = 1 and EBANK_POS = 1
          7. 15.3.4.12.7  Address Mapping for IBANK_POS = 2 and EBANK_POS = 1
          8. 15.3.4.12.8  1949
          9. 15.3.4.12.9  Address Mapping for IBANK_POS = 3 and EBANK_POS = 1
          10. 15.3.4.12.10 1951
        13. 15.3.4.13 DDR3/DDR3L Output Impedance Calibration
        14. 15.3.4.14 Error Correction And Detection Feature
        15. 15.3.4.15 Class of Service
        16. 15.3.4.16 Performance Counters
          1. 15.3.4.16.1 Performance Counters General Examples
        17. 15.3.4.17 Forcing CKE to tri-state
      5. 15.3.5 EMIF Programming Guide
        1. 15.3.5.1 EMIF Low-Level Programming Models
          1. 15.3.5.1.1 Global Initialization
            1. 15.3.5.1.1.1 EMIF Configuration Sequence
          2. 15.3.5.1.2 Operational Modes Configuration
            1. 15.3.5.1.2.1 EMIF Output Impedance Calibration Mode
            2. 15.3.5.1.2.2 EMIF SDRAM Self-Refresh
            3. 15.3.5.1.2.3 EMIF SDRAM Power-Down Mode
            4. 15.3.5.1.2.4 EMIF ECC Configuration
      6. 15.3.6 EMIF Register Manual
        1. 15.3.6.1 EMIF Instance Summary
        2. 15.3.6.2 EMIF Registers
          1. 15.3.6.2.1 EMIF Register Summary
          2. 15.3.6.2.2 EMIF Register Description
    4. 15.4 General-Purpose Memory Controller
      1. 15.4.1 GPMC Overview
      2. 15.4.2 GPMC Environment
        1. 15.4.2.1 GPMC Modes
        2. 15.4.2.2 GPMC Signals
      3. 15.4.3 GPMC Integration
      4. 15.4.4 GPMC Functional Description
        1. 15.4.4.1  GPMC Block Diagram
        2. 15.4.4.2  GPMC Clock Configuration
        3. 15.4.4.3  GPMC Software Reset
        4. 15.4.4.4  GPMC Power Management
        5. 15.4.4.5  GPMC Interrupt Requests
        6. 15.4.4.6  L3 Interconnect Interface
        7. 15.4.4.7  GPMC Address and Data Bus
          1. 15.4.4.7.1 GPMC I/O Configuration Setting
          2. 15.4.4.7.2 GPMC CS0 Default Configuration at Device Reset
        8. 15.4.4.8  Address Decoder and Chip-Select Configuration
          1. 15.4.4.8.1 Chip-Select Base Address and Region Size
          2. 15.4.4.8.2 Access Protocol
            1. 15.4.4.8.2.1 Supported Devices
            2. 15.4.4.8.2.2 Access Size Adaptation and Device Width
            3. 15.4.4.8.2.3 Address/Data-Multiplexing Interface
          3. 15.4.4.8.3 External Signals
            1. 15.4.4.8.3.1 Wait Pin Monitoring Control
              1. 15.4.4.8.3.1.1 Wait Monitoring During Asynchronous Read Access
              2. 15.4.4.8.3.1.2 Wait Monitoring During Asynchronous Write Access
              3. 15.4.4.8.3.1.3 Wait Monitoring During Synchronous Read Access
              4. 15.4.4.8.3.1.4 Wait Monitoring During Synchronous Write Access
              5. 15.4.4.8.3.1.5 Wait With NAND Device
              6. 15.4.4.8.3.1.6 Idle Cycle Control Between Successive Accesses
                1. 15.4.4.8.3.1.6.1 Bus Turnaround (BUSTURNAROUND)
                2. 15.4.4.8.3.1.6.2 Idle Cycles Between Accesses to Same Chip-Select (CYCLE2CYCLESAMECSEN, CYCLE2CYCLEDELAY)
                3. 15.4.4.8.3.1.6.3 Idle Cycles Between Accesses to Different Chip-Select (CYCLE2CYCLEDIFFCSEN, CYCLE2CYCLEDELAY)
              7. 15.4.4.8.3.1.7 Slow Device Support (TIMEPARAGRANULARITY Parameter)
            2. 15.4.4.8.3.2 Reset
            3. 15.4.4.8.3.3 Byte Enable (nBE1/nBE0)
          4. 15.4.4.8.4 Error Handling
        9. 15.4.4.9  Timing Setting
          1. 15.4.4.9.1  Read Cycle Time and Write Cycle Time (RDCYCLETIME / WRCYCLETIME)
          2. 15.4.4.9.2  nCS: Chip-Select Signal Control Assertion/Deassertion Time (CSONTIME / CSRDOFFTIME / CSWROFFTIME / CSEXTRADELAY)
          3. 15.4.4.9.3  nADV/ALE: Address Valid/Address Latch Enable Signal Control Assertion/Deassertion Time (ADVONTIME / ADVRDOFFTIME / ADVWROFFTIME / ADVEXTRADELAY/ADVAADMUXONTIME/ADVAADMUXRDOFFTIME/ADVAADMUXWROFFTIME)
          4. 15.4.4.9.4  nOE/nRE: Output Enable/Read Enable Signal Control Assertion/Deassertion Time (OEONTIME / OEOFFTIME / OEEXTRADELAY / OEAADMUXONTIME / OEAADMUXOFFTIME)
          5. 15.4.4.9.5  nWE: Write Enable Signal Control Assertion/Deassertion Time (WEONTIME / WEOFFTIME / WEEXTRADELAY)
          6. 15.4.4.9.6  GPMC_CLK
          7. 15.4.4.9.7  GPMC_CLK and Control Signals Setup and Hold
          8. 15.4.4.9.8  Access Time (RDACCESSTIME / WRACCESSTIME)
            1. 15.4.4.9.8.1 Access Time on Read Access
            2. 15.4.4.9.8.2 Access Time on Write Access
          9. 15.4.4.9.9  Page Burst Access Time (PAGEBURSTACCESSTIME)
            1. 15.4.4.9.9.1 Page Burst Access Time on Read Access
            2. 15.4.4.9.9.2 Page Burst Access Time on Write Access
          10. 15.4.4.9.10 Bus Keeping Support
        10. 15.4.4.10 NOR Access Description
          1. 15.4.4.10.1 Asynchronous Access Description
            1. 15.4.4.10.1.1 Access on Address/Data Multiplexed Devices
              1. 15.4.4.10.1.1.1 Asynchronous Single-Read Operation on an Address/Data Multiplexed Device
              2. 15.4.4.10.1.1.2 Asynchronous Single-Write Operation on an Address/Data-Multiplexed Device
              3. 15.4.4.10.1.1.3 Asynchronous Multiple (Page) Write Operation on an Address/Data-Multiplexed Device
            2. 15.4.4.10.1.2 Access on Address/Address/Data-Multiplexed Devices
              1. 15.4.4.10.1.2.1 Asynchronous Single Read Operation on an AAD-Multiplexed Device
              2. 15.4.4.10.1.2.2 Asynchronous Single-Write Operation on an AAD-Multiplexed Device
              3. 15.4.4.10.1.2.3 Asynchronous Multiple (Page) Read Operation on an AAD-Multiplexed Device
          2. 15.4.4.10.2 Synchronous Access Description
            1. 15.4.4.10.2.1 Synchronous Single Read
            2. 15.4.4.10.2.2 Synchronous Multiple (Burst) Read (4-, 8-, 16-Word16 Burst With Wraparound Capability)
            3. 15.4.4.10.2.3 Synchronous Single Write
            4. 15.4.4.10.2.4 Synchronous Multiple (Burst) Write
          3. 15.4.4.10.3 Asynchronous and Synchronous Accesses in Nonmultiplexed Mode
            1. 15.4.4.10.3.1 Asynchronous Single-Read Operation on Nonmultiplexed Device
            2. 15.4.4.10.3.2 Asynchronous Single-Write Operation on Nonmultiplexed Device
            3. 15.4.4.10.3.3 Asynchronous Multiple (Page Mode) Read Operation on Nonmultiplexed Device
            4. 15.4.4.10.3.4 Synchronous Operations on a Nonmultiplexed Device
          4. 15.4.4.10.4 Page and Burst Support
          5. 15.4.4.10.5 System Burst vs External Device Burst Support
        11. 15.4.4.11 pSRAM Access Specificities
        12. 15.4.4.12 NAND Access Description
          1. 15.4.4.12.1 NAND Memory Device in Byte or 16-bit Word Stream Mode
            1. 15.4.4.12.1.1 Chip-Select Configuration for NAND Interfacing in Byte or Word Stream Mode
            2. 15.4.4.12.1.2 NAND Device Command and Address Phase Control
            3. 15.4.4.12.1.3 Command Latch Cycle
            4. 15.4.4.12.1.4 Address Latch Cycle
            5. 15.4.4.12.1.5 NAND Device Data Read and Write Phase Control in Stream Mode
            6. 15.4.4.12.1.6 NAND Device General Chip-Select Timing Control Requirement
            7. 15.4.4.12.1.7 Read and Write Access Size Adaptation
              1. 15.4.4.12.1.7.1 8-Bit-Wide NAND Device
              2. 15.4.4.12.1.7.2 16-Bit-Wide NAND Device
          2. 15.4.4.12.2 NAND Device-Ready Pin
            1. 15.4.4.12.2.1 Ready Pin Monitored by Software Polling
            2. 15.4.4.12.2.2 Ready Pin Monitored by Hardware Interrupt
          3. 15.4.4.12.3 ECC Calculator
            1. 15.4.4.12.3.1 Hamming Code
              1. 15.4.4.12.3.1.1 ECC Result Register and ECC Computation Accumulation Size
              2. 15.4.4.12.3.1.2 ECC Enabling
              3. 15.4.4.12.3.1.3 ECC Computation
              4. 15.4.4.12.3.1.4 ECC Comparison and Correction
              5. 15.4.4.12.3.1.5 ECC Calculation Based on 8-Bit Word
              6. 15.4.4.12.3.1.6 ECC Calculation Based on 16-Bit Word
            2. 15.4.4.12.3.2 BCH Code
              1. 15.4.4.12.3.2.1 Requirements
              2. 15.4.4.12.3.2.2 Memory Mapping of BCH Codeword
                1. 15.4.4.12.3.2.2.1 Memory Mapping of Data Message
                2. 15.4.4.12.3.2.2.2 Memory-Mapping of the ECC
                3. 15.4.4.12.3.2.2.3 Wrapping Modes
                  1. 4.4.12.3.2.2.3.1  Manual Mode (0x0)
                  2. 4.4.12.3.2.2.3.2  Mode 0x1
                  3. 4.4.12.3.2.2.3.3  Mode 0xA (10)
                  4. 4.4.12.3.2.2.3.4  Mode 0x2
                  5. 4.4.12.3.2.2.3.5  Mode 0x3
                  6. 4.4.12.3.2.2.3.6  Mode 0x7
                  7. 4.4.12.3.2.2.3.7  Mode 0x8
                  8. 4.4.12.3.2.2.3.8  Mode 0x4
                  9. 4.4.12.3.2.2.3.9  Mode 0x9
                  10. 4.4.12.3.2.2.3.10 Mode 0x5
                  11. 4.4.12.3.2.2.3.11 Mode 0xB (11)
                  12. 4.4.12.3.2.2.3.12 Mode 0x6
              3. 15.4.4.12.3.2.3 Supported NAND Page Mappings and ECC Schemes
                1. 15.4.4.12.3.2.3.1 Per-Sector Spare Mappings
                2. 15.4.4.12.3.2.3.2 Pooled Spare Mapping
                3. 15.4.4.12.3.2.3.3 Per-Sector Spare Mapping, with ECC Separated at the End of the Page
          4. 15.4.4.12.4 Prefetch and Write-Posting Engine
            1. 15.4.4.12.4.1 General Facts About the Engine Configuration
            2. 15.4.4.12.4.2 Prefetch Mode
            3. 15.4.4.12.4.3 FIFO Control in Prefetch Mode
            4. 15.4.4.12.4.4 Write-Posting Mode
            5. 15.4.4.12.4.5 FIFO Control in Write-Posting Mode
            6. 15.4.4.12.4.6 Optimizing NAND Access Using the Prefetch and Write-Posting Engine
            7. 15.4.4.12.4.7 Interleaved Accesses Between Prefetch and Write-Posting Engine and Other Chip-Selects
      5. 15.4.5 GPMC Basic Programming Model
        1. 15.4.5.1 GPMC High-Level Programming Model Overview
        2. 15.4.5.2 GPMC Initialization
        3. 15.4.5.3 GPMC Configuration in NOR Mode
        4. 15.4.5.4 GPMC Configuration in NAND Mode
        5. 15.4.5.5 Set Memory Access
        6. 15.4.5.6 GPMC Timing Parameters
          1. 15.4.5.6.1 GPMC Timing Parameters Formulas
            1. 15.4.5.6.1.1 NAND Flash Interface Timing Parameters Formulas
            2. 15.4.5.6.1.2 Synchronous NOR Flash Timing Parameters Formulas
            3. 15.4.5.6.1.3 Asynchronous NOR Flash Timing Parameters Formulas
      6. 15.4.6 GPMC Use Cases and Tips
        1. 15.4.6.1 How to Set GPMC Timing Parameters for Typical Accesses
          1. 15.4.6.1.1 External Memory Attached to the GPMC Module
          2. 15.4.6.1.2 Typical GPMC Setup
            1. 15.4.6.1.2.1 GPMC Configuration for Synchronous Burst Read Access
            2. 15.4.6.1.2.2 GPMC Configuration for Asynchronous Read Access
            3. 15.4.6.1.2.3 GPMC Configuration for Asynchronous Single Write Access
        2. 15.4.6.2 How to Choose a Suitable Memory to Use With the GPMC
          1. 15.4.6.2.1 Supported Memories or Devices
            1. 15.4.6.2.1.1 Memory Pin Multiplexing
            2. 15.4.6.2.1.2 NAND Interface Protocol
            3. 15.4.6.2.1.3 NOR Interface Protocol
            4. 15.4.6.2.1.4 Other Technologies
            5. 15.4.6.2.1.5 Supported Protocols
          2. 15.4.6.2.2 GPMC Features and Settings
      7. 15.4.7 GPMC Register Manual
        1. 15.4.7.1 GPMC Register Summary
        2. 15.4.7.2 GPMC Register Descriptions
    5. 15.5 Error Location Module
      1. 15.5.1 Error Location Module Overview
      2. 15.5.2 ELM Integration
      3. 15.5.3 ELM Functional Description
        1. 15.5.3.1 ELM Software Reset
        2. 15.5.3.2 ELM Power Management
        3. 15.5.3.3 ELM Interrupt Requests
        4. 15.5.3.4 Processing Initialization
        5. 15.5.3.5 Processing Sequence
        6. 15.5.3.6 Processing Completion
      4. 15.5.4 ELM Basic Programming Model
        1. 15.5.4.1 ELM Low-Level Programming Model
          1. 15.5.4.1.1 Processing Initialization
          2. 15.5.4.1.2 Read Results
          3. 15.5.4.1.3 2142
        2. 15.5.4.2 Use Case: ELM Used in Continuous Mode
        3. 15.5.4.3 Use Case: ELM Used in Page Mode
      5. 15.5.5 ELM Register Manual
        1. 15.5.5.1 ELM Instance Summary
        2. 15.5.5.2 ELM Registers
          1. 15.5.5.2.1 ELM Register Summary
          2. 15.5.5.2.2 ELM Register Description
    6. 15.6 On-Chip Memory (OCM) Subsystem
      1. 15.6.1 OCM Subsystem Overview
      2. 15.6.2 OCM Subsystem Integration
      3. 15.6.3 OCM Subsystem Functional Desctiption
        1. 15.6.3.1  Block Diagram
        2. 15.6.3.2  Resets
        3. 15.6.3.3  Clock Management
        4. 15.6.3.4  Interrupt Requests
        5. 15.6.3.5  OCM Subsystem Memory Regions
        6. 15.6.3.6  OCM Controller Modes Of Operation
        7. 15.6.3.7  ECC Associated FIFOs
        8. 15.6.3.8  ECC Counters And Corrected Bit Distribution Register
        9. 15.6.3.9  ECC Support
        10. 15.6.3.10 Circular Buffer (CBUF) Support
        11. 15.6.3.11 CBUF Mode Error Handling
          1. 15.6.3.11.1 VBUF Address Not Mapped to a CBUF Memory Space
          2. 15.6.3.11.2 VBUF Access Not Starting At The Base Address
          3. 15.6.3.11.3 Illegal Address Change Between Two Same Type Accesses
          4. 15.6.3.11.4 Illegal Frame SIze (Short Frame Detection)
          5. 15.6.3.11.5 CBUF Overflow
          6. 15.6.3.11.6 CBUF Underflow
        12. 15.6.3.12 Status Reporting
      4. 15.6.4 OCM Subsystem Register Manual
        1. 15.6.4.1 OCM Subsystem Instance Summary
        2. 15.6.4.2 OCM Subsystem Registers
          1. 15.6.4.2.1 OCM Subsystem Register Summary
          2. 15.6.4.2.2 OCM Subsystem Register Description
  18. 16DMA Controllers
    1. 16.1 System DMA
      1. 16.1.1 DMA_SYSTEM Module Overview
      2. 16.1.2 DMA_SYSTEM Controller Environment
      3. 16.1.3 DMA_SYSTEM Module Integration
        1. 16.1.3.1 DMA Requests to the DMA_SYSTEM Controller
        2. 16.1.3.2 Mapping of DMA Requests to DMA_CROSSBAR Inputs
      4. 16.1.4 DMA_SYSTEM Functional Description
        1. 16.1.4.1  DMA_SYSTEM Controller Power Management
        2. 16.1.4.2  DMA_SYSTEM Controller Interrupt Requests
          1. 16.1.4.2.1 Interrupt Generation
        3. 16.1.4.3  Logical Channel Transfer Overview
        4. 16.1.4.4  FIFO Queue Memory Pool
        5. 16.1.4.5  Addressing Modes
        6. 16.1.4.6  Packed Accesses
        7. 16.1.4.7  Burst Transactions
        8. 16.1.4.8  Endianism Conversion
        9. 16.1.4.9  Transfer Synchronization
          1. 16.1.4.9.1 Software Synchronization
          2. 16.1.4.9.2 Hardware Synchronization
        10. 16.1.4.10 Thread Budget Allocation
        11. 16.1.4.11 FIFO Budget Allocation
        12. 16.1.4.12 Chained Logical Channel Transfers
        13. 16.1.4.13 Reprogramming an Active Channel
        14. 16.1.4.14 Packet Synchronization
        15. 16.1.4.15 Graphics Acceleration Support
        16. 16.1.4.16 Supervisor Modes
        17. 16.1.4.17 Posted and Nonposted Writes
        18. 16.1.4.18 Disabling a Channel During Transfer
        19. 16.1.4.19 FIFO Draining Mechanism
        20. 16.1.4.20 Linked List
          1. 16.1.4.20.1 Overview
          2. 16.1.4.20.2 Link-List Transfer Profile
          3. 16.1.4.20.3 Descriptors
            1. 16.1.4.20.3.1 Type 1
            2. 16.1.4.20.3.2 Type 2
            3. 16.1.4.20.3.3 Type 3
          4. 16.1.4.20.4 Linked-List Control and Monitoring
            1. 16.1.4.20.4.1 Transfer Mode Setting
            2. 16.1.4.20.4.2 Starting a Linked List
            3. 16.1.4.20.4.3 Monitoring a Linked-List Progression
            4. 16.1.4.20.4.4 Interrupt During Linked-List Execution
            5. 16.1.4.20.4.5 Pause a Linked List
            6. 16.1.4.20.4.6 Stop a Linked List (Abort or Drain)
              1. 16.1.4.20.4.6.1 Drain
              2. 16.1.4.20.4.6.2 Abort
            7. 16.1.4.20.4.7 Status Bit Behavior
            8. 16.1.4.20.4.8 Linked-List Channel Linking
      5. 16.1.5 DMA_SYSTEM Basic Programming Model
        1. 16.1.5.1 Setup Configuration
        2. 16.1.5.2 Software-Triggered (Nonsynchronized) Transfer
        3. 16.1.5.3 Hardware-Synchronized Transfer
        4. 16.1.5.4 Synchronized Transfer Monitoring Using CDAC
        5. 16.1.5.5 Concurrent Software and Hardware Synchronization
        6. 16.1.5.6 Chained Transfer
        7. 16.1.5.7 90-Degree Clockwise Image Rotation
        8. 16.1.5.8 Graphic Operations
        9. 16.1.5.9 Linked-List Programming Guidelines
      6. 16.1.6 DMA_SYSTEM Register Manual
        1. 16.1.6.1 DMA_SYSTEM Instance Summary
        2. 16.1.6.2 DMA_SYSTEM Registers
          1. 16.1.6.2.1 DMA_SYSTEM Register Summary
          2. 16.1.6.2.2 DMA_SYSTEM Register Description
    2. 16.2 Enhanced DMA
      1. 16.2.1 EDMA Module Overview
        1. 16.2.1.1 EDMA Features
        2. 16.2.1.2 2243
        3. 16.2.1.3 EDMA Controllers Configuration
      2. 16.2.2 EDMA Controller Environment
      3. 16.2.3 EDMA Controller Integration
        1. 16.2.3.1 EDMA Requests to the EDMA Controller
      4. 16.2.4 EDMA Controller Functional Description
        1. 16.2.4.1  Block Diagram
          1. 16.2.4.1.1 Third-Party Channel Controller
          2. 16.2.4.1.2 Third-Party Transfer Controller
        2. 16.2.4.2  Types of EDMA controller Transfers
          1. 16.2.4.2.1 A-Synchronized Transfers
          2. 16.2.4.2.2 AB-Synchronized Transfers
        3. 16.2.4.3  Parameter RAM (PaRAM)
          1. 16.2.4.3.1 PaRAM
          2. 16.2.4.3.2 EDMA Channel PaRAM Set Entry Fields
            1. 16.2.4.3.2.1  Channel Options Parameter (OPT)
            2. 16.2.4.3.2.2  Channel Source Address (SRC)
            3. 16.2.4.3.2.3  Channel Destination Address (DST)
            4. 16.2.4.3.2.4  Count for 1st Dimension (ACNT)
            5. 16.2.4.3.2.5  Count for 2nd Dimension (BCNT)
            6. 16.2.4.3.2.6  Count for 3rd Dimension (CCNT)
            7. 16.2.4.3.2.7  BCNT Reload (BCNTRLD)
            8. 16.2.4.3.2.8  Source B Index (SBIDX)
            9. 16.2.4.3.2.9  Destination B Index (DBIDX)
            10. 16.2.4.3.2.10 Source C Index (SCIDX)
            11. 16.2.4.3.2.11 Destination C Index (DCIDX)
            12. 16.2.4.3.2.12 Link Address (LINK)
          3. 16.2.4.3.3 Null PaRAM Set
          4. 16.2.4.3.4 Dummy PaRAM Set
          5. 16.2.4.3.5 Dummy Versus Null Transfer Comparison
          6. 16.2.4.3.6 Parameter Set Updates
          7. 16.2.4.3.7 Linking Transfers
          8. 16.2.4.3.8 Constant Addressing Mode Transfers/Alignment Issues
          9. 16.2.4.3.9 Element Size
        4. 16.2.4.4  Initiating a DMA Transfer
          1. 16.2.4.4.1 DMA Channel
            1. 16.2.4.4.1.1 Event-Triggered Transfer Request
            2. 16.2.4.4.1.2 Manually-Triggered Transfer Request
            3. 16.2.4.4.1.3 Chain-Triggered Transfer Request
          2. 16.2.4.4.2 QDMA Channels
            1. 16.2.4.4.2.1 Auto-triggered and Link-Triggered Transfer Request
          3. 16.2.4.4.3 Comparison Between DMA and QDMA Channels
        5. 16.2.4.5  Completion of a DMA Transfer
          1. 16.2.4.5.1 Normal Completion
          2. 16.2.4.5.2 Early Completion
          3. 16.2.4.5.3 Dummy or Null Completion
        6. 16.2.4.6  Event, Channel, and PaRAM Mapping
          1. 16.2.4.6.1 DMA Channel to PaRAM Mapping
          2. 16.2.4.6.2 QDMA Channel to PaRAM Mapping
        7. 16.2.4.7  EDMA Channel Controller Regions
          1. 16.2.4.7.1 Region Overview
          2. 16.2.4.7.2 Channel Controller Regions
            1. 16.2.4.7.2.1 Resource Pool Division Across Two Regions
          3. 16.2.4.7.3 Region Interrupts
        8. 16.2.4.8  Chaining EDMA Channels
        9. 16.2.4.9  EDMA Interrupts
          1. 16.2.4.9.1 Transfer Completion Interrupts
            1. 16.2.4.9.1.1 Enabling Transfer Completion Interrupts
            2. 16.2.4.9.1.2 Clearing Transfer Completion Interrupts
          2. 16.2.4.9.2 EDMA Interrupt Servicing
          3. 16.2.4.9.3 Interrupt Servicing
          4. 16.2.4.9.4 2304
          5. 16.2.4.9.5 Interrupt Servicing
          6. 16.2.4.9.6 Interrupt Evaluation Operations
          7. 16.2.4.9.7 Error Interrupts
          8. 16.2.4.9.8 2308
        10. 16.2.4.10 Memory Protection
          1. 16.2.4.10.1 Active Memory Protection
          2. 16.2.4.10.2 Proxy Memory Protection
        11. 16.2.4.11 Event Queue(s)
          1. 16.2.4.11.1 DMA/QDMA Channel to Event Queue Mapping
          2. 16.2.4.11.2 Queue RAM Debug Visibility
          3. 16.2.4.11.3 Queue Resource Tracking
          4. 16.2.4.11.4 Performance Considerations
        12. 16.2.4.12 EDMA Transfer Controller (EDMA_TPTC)
          1. 16.2.4.12.1 Architecture Details
            1. 16.2.4.12.1.1 Command Fragmentation
            2. 16.2.4.12.1.2 TR Pipelining
            3. 16.2.4.12.1.3 Command Fragmentation (DBS = 64)
            4. 16.2.4.12.1.4 Performance Tuning
          2. 16.2.4.12.2 Memory Protection
          3. 16.2.4.12.3 Error Generation
          4. 16.2.4.12.4 Debug Features
            1. 16.2.4.12.4.1 Destination FIFO Register Pointer
          5. 16.2.4.12.5 EDMA_TPTC Configuration
        13. 16.2.4.13 Event Dataflow
        14. 16.2.4.14 EDMA controller Prioritization
          1. 16.2.4.14.1 Channel Priority
          2. 16.2.4.14.2 Trigger Source Priority
          3. 16.2.4.14.3 Dequeue Priority
        15. 16.2.4.15 EDMA Power, Reset and Clock Management
          1. 16.2.4.15.1 Clock and Power Management
          2. 16.2.4.15.2 Reset Considerations
        16. 16.2.4.16 Emulation Considerations
      5. 16.2.5 EDMA Transfer Examples
        1. 16.2.5.1 Block Move Example
        2. 16.2.5.2 Subframe Extraction Example
        3. 16.2.5.3 Data Sorting Example
        4. 16.2.5.4 Peripheral Servicing Example
          1. 16.2.5.4.1 Non-bursting Peripherals
          2. 16.2.5.4.2 Bursting Peripherals
          3. 16.2.5.4.3 Continuous Operation
            1. 16.2.5.4.3.1 Receive Channel
            2. 16.2.5.4.3.2 Transmit Channel
            3. 16.2.5.4.3.3 2347
          4. 16.2.5.4.4 Ping-Pong Buffering
            1. 16.2.5.4.4.1 Synchronization with the CPU
          5. 16.2.5.4.5 Transfer Chaining Examples
            1. 16.2.5.4.5.1 Servicing Input/Output FIFOs with a Single Event
            2. 16.2.5.4.5.2 Breaking Up Large Transfers with Intermediate Chaining
        5. 16.2.5.5 Setting Up an EDMA Transfer
          1. 16.2.5.5.1 2354
      6. 16.2.6 EDMA Debug Checklist and Programming Tips
        1. 16.2.6.1 EDMA Debug Checklist
        2. 16.2.6.2 EDMA Programming Tips
      7. 16.2.7 EDMA Register Manual
        1. 16.2.7.1 EDMA Instance Summary
        2. 16.2.7.2 EDMA Registers
          1. 16.2.7.2.1 EDMA Register Summary
          2. 16.2.7.2.2 EDMA Register Description
            1. 16.2.7.2.2.1 EDMA_TPCC Register Description
            2. 16.2.7.2.2.2 EDMA_TPTC0 and EDMA_TPTC1 Register Description
  19. 17Interrupt Controllers
    1. 17.1 Interrupt Controllers Overview
    2. 17.2 Interrupt Controllers Environment
    3. 17.3 Interrupt Controllers Integration
      1. 17.3.1 Interrupt Requests to MPU_INTC
      2. 17.3.2 Interrupt Requests to DSP1_INTC
      3. 17.3.3 Interrupt Requests to IPU1_Cx_INTC
      4. 17.3.4 Interrupt Requests to IPU2_Cx_INTC
      5. 17.3.5 Interrupt Requests to PRUSS1_INTC
      6. 17.3.6 Interrupt Requests to PRUSS2_INTC
      7. 17.3.7 Mapping of Device Interrupts to IRQ_CROSSBAR Inputs
    4. 17.4 Interrupt Controllers Functional Description
  20. 18Control Module
    1. 18.1 Control Module Overview
    2. 18.2 Control Module Environment
    3. 18.3 Control Module Integration
    4. 18.4 Control Module Functional Description
      1. 18.4.1 Control Module Clock Configuration
      2. 18.4.2 Control Module Resets
      3. 18.4.3 Control Module Power Management
        1. 18.4.3.1 Power Management Protocols
      4. 18.4.4 Hardware Requests
      5. 18.4.5 Control Module Initialization
      6. 18.4.6 Functional Description Of The Various Register Types In CTRL_MODULE_CORE Submodule
        1. 18.4.6.1  Pad Configuration
          1. 18.4.6.1.1 Pad Configuration Registers
            1. 18.4.6.1.1.1 Permanent PU/PD disabling (SR 2.x only)
          2. 18.4.6.1.2 Pull Selection
          3. 18.4.6.1.3 Pad multiplexing
          4. 18.4.6.1.4 IOSETs
          5. 18.4.6.1.5 Virtual IO Timing Modes
          6. 18.4.6.1.6 Manual IO Timing Modes
          7. 18.4.6.1.7 Isolation Requirements
          8. 18.4.6.1.8 IO Delay Recalibration
        2. 18.4.6.2  Thermal Management Related Registers
          1. 18.4.6.2.1 Temperature Sensors Control Registers
          2. 18.4.6.2.2 Registers For The Thermal Alert Comparators
          3. 18.4.6.2.3 Thermal Shutdown Comparators
          4. 18.4.6.2.4 Temperature Timestamp Registers
          5. 18.4.6.2.5 Other Thermal Management Related Registers
          6. 18.4.6.2.6 Summary Of The Thermal Management Related Registers
          7. 18.4.6.2.7 ADC Values Versus Temperature
        3. 18.4.6.3  PBIAS Cell And MMC1 I/O Cells Control Registers
        4. 18.4.6.4  IRQ_CROSSBAR Module Functional Description
        5. 18.4.6.5  DMA_CROSSBAR Module Functional Description
        6. 18.4.6.6  SDRAM Initiator Priority Registers
        7. 18.4.6.7  L3_MAIN Initiator Priority Registers
        8. 18.4.6.8  Memory Region Lock Registers
        9. 18.4.6.9  NMI Mapping To Respective Cores
        10. 18.4.6.10 Software Controls for the DDR3 I/O Cells
        11. 18.4.6.11 Reference Voltage for the Device DDR3 Receivers
        12. 18.4.6.12 AVS Class 0 Associated Registers
        13. 18.4.6.13 ABB Associated Registers
        14. 18.4.6.14 Registers For Other Miscellaneous Functions
          1. 18.4.6.14.1 System Boot Status Settings
          2. 18.4.6.14.2 Force MPU Write Nonposted Transactions
          3. 18.4.6.14.3 Firewall Error Status Registers
          4. 18.4.6.14.4 Settings Related To Different Peripheral Modules
      7. 18.4.7 Functional Description Of The Various Register Types In CTRL_MODULE_WKUP Submodule
        1. 18.4.7.1 Registers For Basic EMIF configuration
    5. 18.5 Control Module Register Manual
    6. 18.6 IODELAYCONFIG Module Integration
    7. 18.7 IODELAYCONFIG Module Register Manual
  21. 19Mailbox
    1. 19.1 Mailbox Overview
    2. 19.2 Mailbox Integration
      1. 19.2.1 System MAILBOX Integration
      2. 19.2.2 IVA Mailbox Integration
    3. 19.3 Mailbox Functional Description
      1. 19.3.1 Mailbox Block Diagram
        1. 19.3.1.1 2435
      2. 19.3.2 Mailbox Software Reset
      3. 19.3.3 Mailbox Power Management
      4. 19.3.4 Mailbox Interrupt Requests
      5. 19.3.5 Mailbox Assignment
        1. 19.3.5.1 Description
      6. 19.3.6 Sending and Receiving Messages
        1. 19.3.6.1 Description
      7. 19.3.7 16-Bit Register Access
        1. 19.3.7.1 Description
      8. 19.3.8 Example of Communication
    4. 19.4 Mailbox Programming Guide
      1. 19.4.1 Mailbox Low-level Programming Models
        1. 19.4.1.1 Global Initialization
          1. 19.4.1.1.1 Surrounding Modules Global Initialization
          2. 19.4.1.1.2 Mailbox Global Initialization
            1. 19.4.1.1.2.1 Main Sequence - Mailbox Global Initialization
        2. 19.4.1.2 Mailbox Operational Modes Configuration
          1. 19.4.1.2.1 Mailbox Processing modes
            1. 19.4.1.2.1.1 Main Sequence - Sending a Message (Polling Method)
            2. 19.4.1.2.1.2 Main Sequence - Sending a Message (Interrupt Method)
            3. 19.4.1.2.1.3 Main Sequence - Receiving a Message (Polling Method)
            4. 19.4.1.2.1.4 Main Sequence - Receiving a Message (Interrupt Method)
        3. 19.4.1.3 Mailbox Events Servicing
          1. 19.4.1.3.1 Events Servicing in Sending Mode
          2. 19.4.1.3.2 Events Servicing in Receiving Mode
    5. 19.5 Mailbox Register Manual
      1. 19.5.1 Mailbox Instance Summary
      2. 19.5.2 Mailbox Registers
        1. 19.5.2.1 Mailbox Register Summary
        2. 19.5.2.2 Mailbox Register Description
  22. 20Memory Management Units
    1. 20.1 MMU Overview
    2. 20.2 MMU Integration
    3. 20.3 MMU Functional Description
      1. 20.3.1 MMU Block Diagram
        1. 20.3.1.1 MMU Address Translation Process
        2. 20.3.1.2 Translation Tables
          1. 20.3.1.2.1 Translation Table Hierarchy
          2. 20.3.1.2.2 First-Level Translation Table
            1. 20.3.1.2.2.1 First-Level Descriptor Format
            2. 20.3.1.2.2.2 First-Level Page Descriptor Format
            3. 20.3.1.2.2.3 First-Level Section Descriptor Format
            4. 20.3.1.2.2.4 Section Translation Summary
            5. 20.3.1.2.2.5 Supersection Translation Summary
          3. 20.3.1.2.3 Two-Level Translation
            1. 20.3.1.2.3.1 Second-Level Descriptor Format
            2. 20.3.1.2.3.2 Small Page Translation Summary
            3. 20.3.1.2.3.3 Large Page Translation Summary
        3. 20.3.1.3 Translation Lookaside Buffer
          1. 20.3.1.3.1 TLB Entry Format
        4. 20.3.1.4 No Translation (Bypass) Regions
      2. 20.3.2 MMU Software Reset
      3. 20.3.3 MMU Power Management
      4. 20.3.4 MMU Interrupt Requests
      5. 20.3.5 MMU Error Handling
    4. 20.4 MMU Low-level Programming Models
      1. 20.4.1 Global Initialization
        1. 20.4.1.1 Surrounding Modules Global Initialization
        2. 20.4.1.2 MMU Global Initialization
          1. 20.4.1.2.1 Main Sequence - MMU Global Initialization
          2. 20.4.1.2.2 Subsequence - Configure a TLB entry
        3. 20.4.1.3 Operational Modes Configuration
          1. 20.4.1.3.1 Main Sequence - Writing TLB Entries Statically
          2. 20.4.1.3.2 Main Sequence - Protecting TLB Entries
          3. 20.4.1.3.3 Main Sequence - Deleting TLB Entries
          4. 20.4.1.3.4 Main Sequence - Read TLB Entries
    5. 20.5 MMU Register Manual
      1. 20.5.1 MMU Instance Summary
      2. 20.5.2 MMU Registers
        1. 20.5.2.1 MMU Register Summary
        2. 20.5.2.2 MMU Register Description
  23. 21Spinlock
    1. 21.1 Spinlock Overview
    2. 21.2 Spinlock Integration
    3. 21.3 Spinlock Functional Description
      1. 21.3.1 Spinlock Software Reset
      2. 21.3.2 Spinlock Power Management
      3. 21.3.3 About Spinlocks
      4. 21.3.4 Spinlock Functional Operation
    4. 21.4 Spinlock Programming Guide
      1. 21.4.1 Spinlock Low-level Programming Models
        1. 21.4.1.1 Surrounding Modules Global Initialization
        2. 21.4.1.2 Basic Spinlock Operations
          1. 21.4.1.2.1 Spinlocks Clearing After a System Bug Recovery
          2. 21.4.1.2.2 Take and Release Spinlock
    5. 21.5 Spinlock Register Manual
      1. 21.5.1 Spinlock Instance Summary
      2. 21.5.2 Spinlock Registers
        1. 21.5.2.1 Spinlock Register Summary
        2. 21.5.2.2 Spinlock Register Description
  24. 22Timers
    1. 22.1 Timers Overview
    2. 22.2 General-Purpose Timers
      1. 22.2.1 General-Purpose Timers Overview
        1. 22.2.1.1 GP Timer Features
      2. 22.2.2 GP Timer Environment
        1. 22.2.2.1 GP Timer External System Interface
      3. 22.2.3 GP Timer Integration
      4. 22.2.4 GP Timer Functional Description
        1. 22.2.4.1  GP Timer Block Diagram
        2. 22.2.4.2  TIMER1, TIMER2 and TIMER10 Power Management
          1. 22.2.4.2.1 Wake-Up Capability
        3. 22.2.4.3  Power Management of Other GP Timers
          1. 22.2.4.3.1 Wake-Up Capability
        4. 22.2.4.4  Software Reset
        5. 22.2.4.5  GP Timer Interrupts
        6. 22.2.4.6  Timer Mode Functionality
          1. 22.2.4.6.1 1-ms Tick Generation (Only TIMER1, TIMER2 and TIMER10)
        7. 22.2.4.7  Capture Mode Functionality
        8. 22.2.4.8  Compare Mode Functionality
        9. 22.2.4.9  Prescaler Functionality
        10. 22.2.4.10 Pulse-Width Modulation
        11. 22.2.4.11 Timer Counting Rate
        12. 22.2.4.12 Timer Under Emulation
        13. 22.2.4.13 Accessing GP Timer Registers
          1. 22.2.4.13.1 Writing to Timer Registers
            1. 22.2.4.13.1.1 Write Posting Synchronization Mode
            2. 22.2.4.13.1.2 Write Nonposting Synchronization Mode
          2. 22.2.4.13.2 Reading From Timer Counter Registers
            1. 22.2.4.13.2.1 Read Posted
            2. 22.2.4.13.2.2 Read Non-Posted
        14. 22.2.4.14 Posted Mode Selection
      5. 22.2.5 GP Timer Low-Level Programming Models
        1. 22.2.5.1 Global Initialization
          1. 22.2.5.1.1 Global Initialization of Surrounding Modules
          2. 22.2.5.1.2 GP Timer Module Global Initialization
            1. 22.2.5.1.2.1 Main Sequence – GP Timer Module Global Initialization
        2. 22.2.5.2 Operational Mode Configuration
          1. 22.2.5.2.1 GP Timer Mode
            1. 22.2.5.2.1.1 Main Sequence – GP Timer Mode Configuration
          2. 22.2.5.2.2 GP Timer Compare Mode
            1. 22.2.5.2.2.1 Main Sequence – GP Timer Compare Mode Configuration
          3. 22.2.5.2.3 GP Timer Capture Mode
            1. 22.2.5.2.3.1 Main Sequence – GP Timer Capture Mode Configuration
            2. 22.2.5.2.3.2 Subsequence – Initialize Capture Mode
            3. 22.2.5.2.3.3 Subsequence – Detect Event
          4. 22.2.5.2.4 GP Timer PWM Mode
            1. 22.2.5.2.4.1 Main Sequence – GP Timer PWM Mode Configuration
      6. 22.2.6 GP Timer Register Manual
        1. 22.2.6.1 GP Timer Instance Summary
        2. 22.2.6.2 GP Timer Registers
          1. 22.2.6.2.1 GP Timer Register Summary
          2. 22.2.6.2.2 GP Timer Register Description
          3. 22.2.6.2.3 TIMER1, TIMER2, and TIMER10 Register Description
    3. 22.3 32-kHz Synchronized Timer (COUNTER_32K)
      1. 22.3.1 32-kHz Synchronized Timer Overview
        1. 22.3.1.1 32-kHz Synchronized Timer Features
      2. 22.3.2 32-kHz Synchronized Timer Integration
      3. 22.3.3 32-kHz Synchronized Timer Functional Description
        1. 22.3.3.1 Reading the 32-kHz Synchronized Timer
      4. 22.3.4 COUNTER_32K Timer Register Manual
        1. 22.3.4.1 COUNTER_32K Timer Register Mapping Summary
        2. 22.3.4.2 COUNTER_32K Timer Register Description
    4. 22.4 Watchdog Timer
      1. 22.4.1 Watchdog Timer Overview
        1. 22.4.1.1 Watchdog Timer Features
      2. 22.4.2 Watchdog Timer Integration
      3. 22.4.3 Watchdog Timer Functional Description
        1. 22.4.3.1  Power Management
          1. 22.4.3.1.1 Wake-Up Capability
        2. 22.4.3.2  Interrupts
        3. 22.4.3.3  General Watchdog Timer Operation
        4. 22.4.3.4  Reset Context
        5. 22.4.3.5  Overflow/Reset Generation
        6. 22.4.3.6  Prescaler Value/Timer Reset Frequency
        7. 22.4.3.7  Triggering a Timer Reload
        8. 22.4.3.8  Start/Stop Sequence for Watchdog Timer (Using the WSPR Register)
        9. 22.4.3.9  Modifying Timer Count/Load Values and Prescaler Setting
        10. 22.4.3.10 Watchdog Counter Register Access Restriction (WCRR)
        11. 22.4.3.11 Watchdog Timer Interrupt Generation
        12. 22.4.3.12 Watchdog Timer Under Emulation
        13. 22.4.3.13 Accessing Watchdog Timer Registers
      4. 22.4.4 Watchdog Timer Low-Level Programming Model
        1. 22.4.4.1 Global Initialization
          1. 22.4.4.1.1 Surrounding Modules Global Initialization
          2. 22.4.4.1.2 Watchdog Timer Module Global Initialization
            1. 22.4.4.1.2.1 Main Sequence – Watchdog Timer Module Global Initialization
        2. 22.4.4.2 Operational Mode Configuration
          1. 22.4.4.2.1 Watchdog Timer Basic Configuration
            1. 22.4.4.2.1.1 Main Sequence – Watchdog Timer Basic Configuration
            2. 22.4.4.2.1.2 Subsequence – Disable the Watchdog Timer
            3. 22.4.4.2.1.3 Subsequence – Enable the Watchdog Timer
      5. 22.4.5 Watchdog Timer Register Manual
        1. 22.4.5.1 Watchdog Timer Instance Summary
        2. 22.4.5.2 Watchdog Timer Registers
          1. 22.4.5.2.1 Watchdog Timer Register Summary
          2. 22.4.5.2.2 2622
          3. 22.4.5.2.3 Watchdog Timer Register Description
  25. 23Real-Time Clock (RTC)
    1. 23.1 RTC Overview
      1. 23.1.1 RTC Features
    2. 23.2 RTC Environment
      1. 23.2.1 RTC External Interface
    3. 23.3 RTC Integration
    4. 23.4 RTC Functional Description
      1. 23.4.1 Clock Source
      2. 23.4.2 Interrupt Support
        1. 23.4.2.1 CPU Interrupts
        2. 23.4.2.2 Interrupt Description
          1. 23.4.2.2.1 Timer Interrupt (timer_intr)
          2. 23.4.2.2.2 Alarm Interrupt (alarm_intr)
      3. 23.4.3 RTC Programming/Usage Guide
        1. 23.4.3.1 Time/Calendar Data Format
        2. 23.4.3.2 Register Access
        3. 23.4.3.3 Register Spurious Write Protection
        4. 23.4.3.4 Reading the Timer/Calendar (TC) Registers
          1. 23.4.3.4.1 Rounding Seconds
        5. 23.4.3.5 Modifying the TC Registers
          1. 23.4.3.5.1 General Registers
        6. 23.4.3.6 Crystal Compensation
      4. 23.4.4 Scratch Registers
      5. 23.4.5 Debouncing
      6. 23.4.6 Power Management
        1. 23.4.6.1 Device-Level Power Management
        2. 23.4.6.2 Subsystem-Level Power Management — PMIC Mode
    5. 23.5 RTC Low-Level Programming Guide
      1. 23.5.1 Global Initialization
        1. 23.5.1.1 Surrounding Modules Global Initialization
        2. 23.5.1.2 RTC Module Global Initialization
          1. 23.5.1.2.1 Main Sequence – RTC Module Global Initialization
    6. 23.6 RTC Register Manual
      1. 23.6.1 RTC Instance Summary
      2. 23.6.2 RTC_SS Registers
        1. 23.6.2.1 RTC_SS Register Summary
        2. 23.6.2.2 RTC_SS Register Description
  26. 24Serial Communication Interfaces
    1. 24.1  Multimaster High-Speed I2C Controller
      1. 24.1.1 HS I2C Overview
      2. 24.1.2 HS I2C Environment
        1. 24.1.2.1 HS I2C Typical Application
          1. 24.1.2.1.1 HS I2C Pins for Typical Connections in I2C Mode
          2. 24.1.2.1.2 HS I2C Interface Typical Connections
          3. 24.1.2.1.3 2668
        2. 24.1.2.2 HS I2C Typical Connection Protocol and Data Format
          1. 24.1.2.2.1  HS I2C Serial Data Format
          2. 24.1.2.2.2  HS I2C Data Validity
          3. 24.1.2.2.3  HS I2C Start and Stop Conditions
          4. 24.1.2.2.4  HS I2C Addressing
            1. 24.1.2.2.4.1 Data Transfer Formats in F/S Mode
            2. 24.1.2.2.4.2 Data Transfer Format in HS Mode
          5. 24.1.2.2.5  HS I2C Master Transmitter
          6. 24.1.2.2.6  HS I2C Master Receiver
          7. 24.1.2.2.7  HS I2C Slave Transmitter
          8. 24.1.2.2.8  HS I2C Slave Receiver
          9. 24.1.2.2.9  HS I2C Bus Arbitration
          10. 24.1.2.2.10 HS I2C Clock Generation and Synchronization
      3. 24.1.3 HS I2C Integration
      4. 24.1.4 HS I2C Functional Description
        1. 24.1.4.1  HS I2C Block Diagram
        2. 24.1.4.2  HS I2C Clocks
          1. 24.1.4.2.1 HS I2C Clocking
          2. 24.1.4.2.2 HS I2C Automatic Blocking of the I2C Clock Feature
        3. 24.1.4.3  HS I2C Software Reset
        4. 24.1.4.4  HS I2C Power Management
        5. 24.1.4.5  HS I2C Interrupt Requests
        6. 24.1.4.6  HS I2C DMA Requests
        7. 24.1.4.7  HS I2C Programmable Multislave Channel Feature
        8. 24.1.4.8  HS I2C FIFO Management
          1. 24.1.4.8.1 HS I2C FIFO Interrupt Mode
          2. 24.1.4.8.2 HS I2C FIFO Polling Mode
          3. 24.1.4.8.3 HS I2C FIFO DMA Mode
          4. 24.1.4.8.4 HS I2C Draining Feature
        9. 24.1.4.9  HS I2C Noise Filter
        10. 24.1.4.10 HS I2C System Test Mode
      5. 24.1.5 HS I2C Programming Guide
        1. 24.1.5.1 HS I2C Low-Level Programming Models
          1. 24.1.5.1.1 HS I2C Programming Model
            1. 24.1.5.1.1.1 Main Program
              1. 24.1.5.1.1.1.1 Configure the Module Before Enabling the I2C Controller
              2. 24.1.5.1.1.1.2 Initialize the I2C Controller
              3. 24.1.5.1.1.1.3 Configure Slave Address and the Data Control Register
              4. 24.1.5.1.1.1.4 Initiate a Transfer
              5. 24.1.5.1.1.1.5 Receive Data
              6. 24.1.5.1.1.1.6 Transmit Data
            2. 24.1.5.1.1.2 Interrupt Subroutine Sequence
            3. 24.1.5.1.1.3 Programming Flow-Diagrams
      6. 24.1.6 HS I2C Register Manual
        1. 24.1.6.1 HS I2C Instance Summary
        2. 24.1.6.2 HS I2C Registers
          1. 24.1.6.2.1 HS I2C Register Summary
          2. 24.1.6.2.2 HS I2C Register Description
    2. 24.2  HDQ/1-Wire
      1. 24.2.1 HDQ1W Overview
      2. 24.2.2 HDQ1W Environment
        1. 24.2.2.1 HDQ1W Functional Modes
        2. 24.2.2.2 HDQ and 1-Wire (SDQ) Protocols
          1. 24.2.2.2.1 HDQ Protocol Initialization (Default)
          2. 24.2.2.2.2 1-Wire (SDQ) Protocol Initialization
          3. 24.2.2.2.3 Communication Sequence (HDQ and 1-Wire Protocols)
      3. 24.2.3 HDQ1W Integration
      4. 24.2.4 HDQ1W Functional Description
        1. 24.2.4.1 HDQ1W Block Diagram
        2. 24.2.4.2 HDQ1W Clocking Configuration
          1. 24.2.4.2.1 HDQ1W Clocks
        3. 24.2.4.3 HDQ1W Hardware and Software Reset
        4. 24.2.4.4 HDQ1W Power Management
          1. 24.2.4.4.1 Auto-Idle Mode
          2. 24.2.4.4.2 Power-Down Mode
          3. 24.2.4.4.3 2734
        5. 24.2.4.5 HDQ Interrupt Requests
        6. 24.2.4.6 HDQ Mode (Default)
          1. 24.2.4.6.1 HDQ Mode Features
          2. 24.2.4.6.2 Description
          3. 24.2.4.6.3 Single-Bit Mode
          4. 24.2.4.6.4 Interrupt Conditions
        7. 24.2.4.7 1-Wire Mode
          1. 24.2.4.7.1 1-Wire Mode Features
          2. 24.2.4.7.2 Description
          3. 24.2.4.7.3 1-Wire Single-Bit Mode Operation
          4. 24.2.4.7.4 Interrupt Conditions
          5. 24.2.4.7.5 Status Flags
        8. 24.2.4.8 BITFSM Delay
      5. 24.2.5 HDQ1W Low-Level Programming Model
        1. 24.2.5.1 Global Initialization
          1. 24.2.5.1.1 Surrounding Modules Global Initialization
          2. 24.2.5.1.2 HDQ1W Module Global Initialization
        2. 24.2.5.2 HDQ Operational Modes Configuration
          1. 24.2.5.2.1 Main Sequence - HDQ Write Operation Mode
          2. 24.2.5.2.2 Main Sequence - HDQ Read Operation Mode
            1. 24.2.5.2.2.1 Sub-sequence - Initialize HDQ Slave
        3. 24.2.5.3 1-Wire Operational Modes Configuration
          1. 24.2.5.3.1 Main Sequence - 1-Wire Write Operation Mode
          2. 24.2.5.3.2 Main Sequence - 1-Wire Read Operation Mode
          3. 24.2.5.3.3 Sub-sequence - Initialize 1-Wire Slave
      6. 24.2.6 HDQ1W Register Manual
        1. 24.2.6.1 HDQ1W Instance Summary
        2. 24.2.6.2 HDQ1W Registers
          1. 24.2.6.2.1 HDQ1W Register Summary
          2. 24.2.6.2.2 HDQ1W Register Description
    3. 24.3  UART/IrDA/CIR
      1. 24.3.1 UART/IrDA/CIR Overview
        1. 24.3.1.1 UART Features
        2. 24.3.1.2 IrDA Features
        3. 24.3.1.3 CIR Features
      2. 24.3.2 UART/IrDA/CIR Environment
        1. 24.3.2.1 UART Interface
          1. 24.3.2.1.1 System Using UART Communication With Hardware Handshake
          2. 24.3.2.1.2 UART Interface Description
          3. 24.3.2.1.3 UART Protocol and Data Format
        2. 24.3.2.2 IrDA Functional Interfaces
          1. 24.3.2.2.1 System Using IrDA Communication Protocol
          2. 24.3.2.2.2 IrDA Interface Description
          3. 24.3.2.2.3 IrDA Protocol and Data Format
            1. 24.3.2.2.3.1 SIR Mode
              1. 24.3.2.2.3.1.1 Frame Format
              2. 24.3.2.2.3.1.2 Asynchronous Transparency
              3. 24.3.2.2.3.1.3 Abort Sequence
              4. 24.3.2.2.3.1.4 Pulse Shaping
              5. 24.3.2.2.3.1.5 Encoder
              6. 24.3.2.2.3.1.6 Decoder
              7. 24.3.2.2.3.1.7 IR Address Checking
            2. 24.3.2.2.3.2 SIR Free-Format Mode
            3. 24.3.2.2.3.3 MIR Mode
              1. 24.3.2.2.3.3.1 MIR Encoder/Decoder
              2. 24.3.2.2.3.3.2 SIP Generation
            4. 24.3.2.2.3.4 FIR Mode
        3. 24.3.2.3 CIR Functional Interfaces
          1. 24.3.2.3.1 System Using CIR Communication Protocol With Remote Control
          2. 24.3.2.3.2 CIR Interface Description
          3. 24.3.2.3.3 CIR Protocol and Data Format
            1. 24.3.2.3.3.1 Carrier Modulation
            2. 24.3.2.3.3.2 Pulse Duty Cycle
            3. 24.3.2.3.3.3 Consumer IR Encoding/Decoding
      3. 24.3.3 UART/IrDA/CIR Integration
        1. 24.3.3.1 2800
      4. 24.3.4 UART/IrDA/CIR Functional Description
        1. 24.3.4.1 Block Diagram
        2. 24.3.4.2 Clock Configuration
        3. 24.3.4.3 Software Reset
        4. 24.3.4.4 Power Management
          1. 24.3.4.4.1 UART Mode Power Management
            1. 24.3.4.4.1.1 Module Power Saving
            2. 24.3.4.4.1.2 System Power Saving
          2. 24.3.4.4.2 IrDA Mode Power Management (UART3 Only)
            1. 24.3.4.4.2.1 Module Power Saving
            2. 24.3.4.4.2.2 System Power Saving
          3. 24.3.4.4.3 CIR Mode Power Management (UART3 Only)
            1. 24.3.4.4.3.1 Module Power Saving
            2. 24.3.4.4.3.2 System Power Saving
          4. 24.3.4.4.4 Local Power Management
        5. 24.3.4.5 Interrupt Requests
          1. 24.3.4.5.1 UART Mode Interrupt Management
            1. 24.3.4.5.1.1 UART Interrupts
            2. 24.3.4.5.1.2 Wake-Up Interrupt
          2. 24.3.4.5.2 IrDA Mode Interrupt Management
            1. 24.3.4.5.2.1 IrDA Interrupts
            2. 24.3.4.5.2.2 Wake-Up Interrupts
          3. 24.3.4.5.3 CIR Mode Interrupt Management
            1. 24.3.4.5.3.1 CIR Interrupts
            2. 24.3.4.5.3.2 Wake-Up Interrupts
        6. 24.3.4.6 FIFO Management
          1. 24.3.4.6.1 FIFO Trigger
            1. 24.3.4.6.1.1 Transmit FIFO Trigger
            2. 24.3.4.6.1.2 Receive FIFO Trigger
          2. 24.3.4.6.2 FIFO Interrupt Mode
          3. 24.3.4.6.3 FIFO Polled Mode Operation
          4. 24.3.4.6.4 FIFO DMA Mode Operation
            1. 24.3.4.6.4.1 DMA sequence to disable TX DMA
            2. 24.3.4.6.4.2 DMA Transfers (DMA Mode 1, 2, or 3)
            3. 24.3.4.6.4.3 DMA Transmission
            4. 24.3.4.6.4.4 DMA Reception
        7. 24.3.4.7 Mode Selection
          1. 24.3.4.7.1 Register Access Modes
            1. 24.3.4.7.1.1 Operational Mode and Configuration Modes
            2. 24.3.4.7.1.2 Register Access Submode
            3. 24.3.4.7.1.3 Registers Available for the Register Access Modes
          2. 24.3.4.7.2 UART/IrDA (SIR, MIR, FIR)/CIR Mode Selection
            1. 24.3.4.7.2.1 Registers Available for the UART Function
            2. 24.3.4.7.2.2 Registers Available for the IrDA Function (UART3 Only)
            3. 24.3.4.7.2.3 Registers Available for the CIR Function (UART3 Only)
        8. 24.3.4.8 Protocol Formatting
          1. 24.3.4.8.1 UART Mode
            1. 24.3.4.8.1.1 UART Clock Generation: Baud Rate Generation
            2. 24.3.4.8.1.2 Choosing the Appropriate Divisor Value
            3. 24.3.4.8.1.3 UART Data Formatting
              1. 24.3.4.8.1.3.1 Frame Formatting
              2. 24.3.4.8.1.3.2 Hardware Flow Control
              3. 24.3.4.8.1.3.3 Software Flow Control
                1. 24.3.4.8.1.3.3.1 Receive (RX)
                2. 24.3.4.8.1.3.3.2 Transmit (TX)
              4. 24.3.4.8.1.3.4 Autobauding Modes
              5. 24.3.4.8.1.3.5 Error Detection
              6. 24.3.4.8.1.3.6 Overrun During Receive
              7. 24.3.4.8.1.3.7 Time-Out and Break Conditions
                1. 24.3.4.8.1.3.7.1 Time-Out Counter
                2. 24.3.4.8.1.3.7.2 Break Condition
          2. 24.3.4.8.2 IrDA Mode (UART3 Only)
            1. 24.3.4.8.2.1 IrDA Clock Generation: Baud Generator
            2. 24.3.4.8.2.2 Choosing the Appropriate Divisor Value
            3. 24.3.4.8.2.3 IrDA Data Formatting
              1. 24.3.4.8.2.3.1 IR RX Polarity Control
              2. 24.3.4.8.2.3.2 IrDA Reception Control
              3. 24.3.4.8.2.3.3 IR Address Checking
              4. 24.3.4.8.2.3.4 Frame Closing
              5. 24.3.4.8.2.3.5 Store and Controlled Transmission
              6. 24.3.4.8.2.3.6 Error Detection
              7. 24.3.4.8.2.3.7 Underrun During Transmission
              8. 24.3.4.8.2.3.8 Overrun During Receive
              9. 24.3.4.8.2.3.9 Status FIFO
            4. 24.3.4.8.2.4 SIR Mode Data Formatting
              1. 24.3.4.8.2.4.1 Abort Sequence
              2. 24.3.4.8.2.4.2 Pulse Shaping
              3. 24.3.4.8.2.4.3 SIR Free Format Programming
            5. 24.3.4.8.2.5 MIR and FIR Mode Data Formatting
          3. 24.3.4.8.3 CIR Mode (UART3 Only)
            1. 24.3.4.8.3.1 CIR Mode Clock Generation
            2. 24.3.4.8.3.2 CIR Data Formatting
              1. 24.3.4.8.3.2.1 IR RX Polarity Control
              2. 24.3.4.8.3.2.2 CIR Transmission
      5. 24.3.5 UART/IrDA/CIR Basic Programming Model
        1. 24.3.5.1 Global Initialization
          1. 24.3.5.1.1 Surrounding Modules Global Initialization
          2. 24.3.5.1.2 UART/IrDA/CIR Module Global Initialization
        2. 24.3.5.2 Mode selection
        3. 24.3.5.3 Submode selection
        4. 24.3.5.4 Load FIFO trigger and DMA mode settings
          1. 24.3.5.4.1 DMA mode Settings
          2. 24.3.5.4.2 FIFO Trigger Settings
        5. 24.3.5.5 Protocol, Baud rate and interrupt settings
          1. 24.3.5.5.1 Baud rate settings
          2. 24.3.5.5.2 Interrupt settings
          3. 24.3.5.5.3 Protocol settings
          4. 24.3.5.5.4 UART/IrDA(SIR/MIR/FIR)/CIR
        6. 24.3.5.6 Hardware and Software Flow Control Configuration
          1. 24.3.5.6.1 Hardware Flow Control Configuration
          2. 24.3.5.6.2 Software Flow Control Configuration
        7. 24.3.5.7 IrDA Programming Model (UART3 Only)
          1. 24.3.5.7.1 SIR mode
            1. 24.3.5.7.1.1 Receive
            2. 24.3.5.7.1.2 Transmit
          2. 24.3.5.7.2 MIR mode
            1. 24.3.5.7.2.1 Receive
            2. 24.3.5.7.2.2 Transmit
          3. 24.3.5.7.3 FIR mode
            1. 24.3.5.7.3.1 Receive
            2. 24.3.5.7.3.2 Transmit
      6. 24.3.6 UART/IrDA/CIR Register Manual
        1. 24.3.6.1 UART/IrDA/CIR Instance Summary
        2. 24.3.6.2 UART/IrDA/CIR Registers
          1. 24.3.6.2.1 UART/IrDA/CIR Register Summary
          2. 24.3.6.2.2 UART/IrDA/CIR Register Description
    4. 24.4  Multichannel Serial Peripheral Interface
      1. 24.4.1 McSPI Overview
      2. 24.4.2 McSPI Environment
        1. 24.4.2.1 Basic McSPI Pins for Master Mode
        2. 24.4.2.2 Basic McSPI Pins for Slave Mode
        3. 24.4.2.3 Multichannel SPI Protocol and Data Format
          1. 24.4.2.3.1 Transfer Format
        4. 24.4.2.4 SPI in Master Mode
        5. 24.4.2.5 SPI in Slave Mode
      3. 24.4.3 McSPI Integration
      4. 24.4.4 McSPI Functional Description
        1. 24.4.4.1 McSPI Block Diagram
        2. 24.4.4.2 Reset
        3. 24.4.4.3 Master Mode
          1. 24.4.4.3.1 Master Mode Features
          2. 24.4.4.3.2 Master Transmit-and-Receive Mode (Full Duplex)
          3. 24.4.4.3.3 Master Transmit-Only Mode (Half Duplex)
          4. 24.4.4.3.4 Master Receive-Only Mode (Half Duplex)
          5. 24.4.4.3.5 Single-Channel Master Mode
            1. 24.4.4.3.5.1 Programming Tips When Switching to Another Channel
            2. 24.4.4.3.5.2 Force SPIEN[x] Mode
            3. 24.4.4.3.5.3 Turbo Mode
          6. 24.4.4.3.6 Start-Bit Mode
          7. 24.4.4.3.7 Chip-Select Timing Control
          8. 24.4.4.3.8 Programmable SPI Clock
            1. 24.4.4.3.8.1 Clock Ratio Granularity
        4. 24.4.4.4 Slave Mode
          1. 24.4.4.4.1 Dedicated Resources
          2. 24.4.4.4.2 Slave Transmit-and-Receive Mode
          3. 24.4.4.4.3 Slave Transmit-Only Mode
          4. 24.4.4.4.4 Slave Receive-Only Mode
        5. 24.4.4.5 3-Pin or 4-Pin Mode
        6. 24.4.4.6 FIFO Buffer Management
          1. 24.4.4.6.1 Buffer Almost Full
          2. 24.4.4.6.2 Buffer Almost Empty
          3. 24.4.4.6.3 End of Transfer Management
        7. 24.4.4.7 Interrupts
          1. 24.4.4.7.1 Interrupt Events in Master Mode
            1. 24.4.4.7.1.1 TXx_EMPTY
            2. 24.4.4.7.1.2 TXx_UNDERFLOW
            3. 24.4.4.7.1.3 RXx_ FULL
            4. 24.4.4.7.1.4 End Of Word Count
          2. 24.4.4.7.2 Interrupt Events in Slave Mode
            1. 24.4.4.7.2.1 TXx_EMPTY
            2. 24.4.4.7.2.2 TXx_UNDERFLOW
            3. 24.4.4.7.2.3 RXx_FULL
            4. 24.4.4.7.2.4 RX0_OVERFLOW
            5. 24.4.4.7.2.5 End Of Word Count
          3. 24.4.4.7.3 Interrupt-Driven Operation
          4. 24.4.4.7.4 Polling
        8. 24.4.4.8 DMA Requests
        9. 24.4.4.9 Power Saving Management
          1. 24.4.4.9.1 Normal Mode
          2. 24.4.4.9.2 Idle Mode
            1. 24.4.4.9.2.1 Wake-Up Event in Smart-Idle Mode
            2. 24.4.4.9.2.2 Transitions From Smart-Idle Mode to Normal Mode
            3. 24.4.4.9.2.3 Force-Idle Mode
      5. 24.4.5 McSPI Programming Guide
        1. 24.4.5.1 Global Initialization
          1. 24.4.5.1.1 Surrounding Modules Global Initialization
          2. 24.4.5.1.2 McSPI Global Initialization
            1. 24.4.5.1.2.1 Main Sequence – McSPI Global Initialization
        2. 24.4.5.2 Operational Mode Configuration
          1. 24.4.5.2.1 McSPI Operational Modes
            1. 24.4.5.2.1.1 Common Transfer Sequence
            2. 24.4.5.2.1.2 End of Transfer Sequences
            3. 24.4.5.2.1.3 Transmit-and-Receive (Master and Slave)
            4. 24.4.5.2.1.4 Transmit-Only (Master and Slave)
              1. 24.4.5.2.1.4.1 Based on Interrupt Requests
              2. 24.4.5.2.1.4.2 Based on DMA Write Requests
            5. 24.4.5.2.1.5 Master Normal Receive-Only
              1. 24.4.5.2.1.5.1 Based on Interrupt Requests
              2. 24.4.5.2.1.5.2 Based on DMA Read Requests
            6. 24.4.5.2.1.6 Master Turbo Receive-Only
              1. 24.4.5.2.1.6.1 Based on Interrupt Requests
              2. 24.4.5.2.1.6.2 Based on DMA Read Requests
            7. 24.4.5.2.1.7 Slave Receive-Only
            8. 24.4.5.2.1.8 Transfer Procedures With FIFO
              1. 24.4.5.2.1.8.1 Common Transfer Sequence in FIFO Mode
              2. 24.4.5.2.1.8.2 End of Transfer Sequences in FIFO Mode
              3. 24.4.5.2.1.8.3 Transmit-and-Receive With Word Count
              4. 24.4.5.2.1.8.4 Transmit-and-Receive Without Word Count
              5. 24.4.5.2.1.8.5 Transmit-Only
              6. 24.4.5.2.1.8.6 Receive-Only With Word Count
              7. 24.4.5.2.1.8.7 Receive-Only Without Word Count
        3. 24.4.5.3 Common Transfer Procedures Without FIFO – Polling Method
          1. 24.4.5.3.1 Receive-Only Procedure – Polling Method
          2. 24.4.5.3.2 Receive-Only Procedure – Interrupt Method
          3. 24.4.5.3.3 Transmit-Only Procedure – Polling Method
          4. 24.4.5.3.4 Transmit-and-Receive Procedure – Polling Method
      6. 24.4.6 McSPI Register Manual
        1. 24.4.6.1 McSPI Instance Summary
        2. 24.4.6.2 McSPI Registers
          1. 24.4.6.2.1 McSPI Register Summary
          2. 24.4.6.2.2 McSPI Register Description
    5. 24.5  Quad Serial Peripheral Interface
      1. 24.5.1 Quad Serial Peripheral Interface Overview
      2. 24.5.2 QSPI Environment
      3. 24.5.3 QSPI Integration
      4. 24.5.4 QSPI Functional Description
        1. 24.5.4.1 QSPI Block Diagram
          1. 24.5.4.1.1 SFI Register Control
          2. 24.5.4.1.2 SFI Translator
          3. 24.5.4.1.3 SPI Control Interface
          4. 24.5.4.1.4 SPI Clock Generator
          5. 24.5.4.1.5 SPI Control State-Machine
          6. 24.5.4.1.6 SPI Data Shifter
        2. 24.5.4.2 QSPI Clock Configuration
        3. 24.5.4.3 QSPI Interrupt Requests
        4. 24.5.4.4 QSPI Memory Regions
      5. 24.5.5 QSPI Register Manual
        1. 24.5.5.1 QSPI Instance Summary
        2. 24.5.5.2 QSPI registers
          1. 24.5.5.2.1 QSPI Register Summary
          2. 24.5.5.2.2 QSPI Register Description
    6. 24.6  Multichannel Audio Serial Port
      1. 24.6.1 McASP Overview
      2. 24.6.2 McASP Environment
        1. 24.6.2.1 McASP Signals
        2. 24.6.2.2 Protocols and Data Formats
          1. 24.6.2.2.1 Protocols Supported
          2. 24.6.2.2.2 Definition of Terms
          3. 24.6.2.2.3 TDM Format
          4. 24.6.2.2.4 I2S Format
          5. 24.6.2.2.5 S/PDIF Coding Format
            1. 24.6.2.2.5.1 Biphase-Mark Code
            2. 24.6.2.2.5.2 S/PDIF Subframe Format
            3. 24.6.2.2.5.3 Frame Format
      3. 24.6.3 McASP Integration
      4. 24.6.4 McASP Functional Description
        1. 24.6.4.1  McASP Block Diagram
        2. 24.6.4.2  McASP Clock and Frame-Sync Configurations
          1. 24.6.4.2.1 McASP Transmit Clock
          2. 24.6.4.2.2 McASP Receive Clock
          3. 24.6.4.2.3 Frame-Sync Generator
          4. 24.6.4.2.4 Synchronous and Asynchronous Transmit and Receive Operations
        3. 24.6.4.3  Serializers
        4. 24.6.4.4  Format Units
          1. 24.6.4.4.1 Transmit Format Unit
            1. 24.6.4.4.1.1 TDM Mode Transmission Data Alignment Settings
            2. 24.6.4.4.1.2 DIT Mode Transmission Data Alignment Settings
          2. 24.6.4.4.2 Receive Format Unit
            1. 24.6.4.4.2.1 TDM Mode Reception Data Alignment Settings
        5. 24.6.4.5  State-Machines
        6. 24.6.4.6  TDM Sequencers
        7. 24.6.4.7  McASP Software Reset
        8. 24.6.4.8  McASP Power Management
        9. 24.6.4.9  Transfer Modes
          1. 24.6.4.9.1 Burst Transfer Mode
          2. 24.6.4.9.2 Time-Division Multiplexed (TDM) Transfer Mode
            1. 24.6.4.9.2.1 TDM Time Slots Generation and Processing
            2. 24.6.4.9.2.2 Special 384-Slot TDM Mode for Connection to External DIR
          3. 24.6.4.9.3 DIT Transfer Mode
            1. 24.6.4.9.3.1 Transmit DIT Encoding
            2. 24.6.4.9.3.2 Transmit DIT Clock and Frame-Sync Generation
            3. 24.6.4.9.3.3 DIT Channel Status and User Data Register Files
        10. 24.6.4.10 Data Transmission and Reception
          1. 24.6.4.10.1 Data Ready Status and Event/Interrupt Generation
            1. 24.6.4.10.1.1 Transmit Data Ready
            2. 24.6.4.10.1.2 Receive Data Ready
            3. 24.6.4.10.1.3 Transfers Through the Data Port (DATA)
            4. 24.6.4.10.1.4 Transfers Through the Configuration Bus (CFG)
            5. 24.6.4.10.1.5 Using a Device CPU for McASP Servicing
            6. 24.6.4.10.1.6 Using the DMA for McASP Servicing
        11. 24.6.4.11 McASP Audio FIFO (AFIFO)
          1. 24.6.4.11.1 AFIFO Data Transmission
            1. 24.6.4.11.1.1 Transmit DMA Event Pacer
          2. 24.6.4.11.2 AFIFO Data Reception
            1. 24.6.4.11.2.1 Receive DMA Event Pacer
          3. 24.6.4.11.3 Arbitration Between Transmit and Receive DMA Requests
        12. 24.6.4.12 McASP Events and Interrupt Requests
          1. 24.6.4.12.1 Transmit Data Ready Event and Interrupt
          2. 24.6.4.12.2 Receive Data Ready Event and Interrupt
          3. 24.6.4.12.3 Error Interrupt
          4. 24.6.4.12.4 Multiple Interrupts
        13. 24.6.4.13 DMA Requests
        14. 24.6.4.14 Loopback Modes
          1. 24.6.4.14.1 Loopback Mode Configurations
        15. 24.6.4.15 Error Reporting
          1. 24.6.4.15.1 Buffer Underrun Error -Transmitter
          2. 24.6.4.15.2 Buffer Overrun Error-Receiver
          3. 24.6.4.15.3 DATA Port Error - Transmitter
          4. 24.6.4.15.4 DATA Port Error - Receiver
          5. 24.6.4.15.5 Unexpected Frame Sync Error
          6. 24.6.4.15.6 Clock Failure Detection
            1. 24.6.4.15.6.1 Clock Failure Check Startup
            2. 24.6.4.15.6.2 Transmit Clock Failure Check and Recovery
            3. 24.6.4.15.6.3 Receive Clock Failure Check and Recovery
      5. 24.6.5 McASP Low-Level Programming Model
        1. 24.6.5.1 Global Initialization
          1. 24.6.5.1.1 Surrounding Modules Global Initialization
          2. 24.6.5.1.2 McASP Global Initialization
            1. 24.6.5.1.2.1 Main Sequence – McASP Global Initialization for DIT-Transmission
              1. 24.6.5.1.2.1.1 Subsequence – Transmit Format Unit Configuration for DIT-Transmission
              2. 24.6.5.1.2.1.2 Subsequence – Transmit Frame Synchronization Generator Configuration for DIT-Transmission
              3. 24.6.5.1.2.1.3 Subsequence – Transmit Clock Generator Configuration for DIT-Transmission
              4. 24.6.5.1.2.1.4 Subsequence - McASP Pins Functional Configuration
              5. 24.6.5.1.2.1.5 Subsequence – DIT-specific Subframe Fields Configuration
            2. 24.6.5.1.2.2 Main Sequence – McASP Global Initialization for TDM-Reception
              1. 24.6.5.1.2.2.1 Subsequence – Receive Format Unit Configuration in TDM Mode
              2. 24.6.5.1.2.2.2 Subsequence – Receive Frame Synchronization Generator Configuration in TDM Mode
              3. 24.6.5.1.2.2.3 Subsequence – Receive Clock Generator Configuration
              4. 24.6.5.1.2.2.4 Subsequence—McASP Receiver Pins Functional Configuration
            3. 24.6.5.1.2.3 Main Sequence – McASP Global Initialization for TDM -Transmission
              1. 24.6.5.1.2.3.1 Subsequence – Transmit Format Unit Configuration in TDM Mode
              2. 24.6.5.1.2.3.2 Subsequence – Transmit Frame Synchronization Generator Configuration in TDM Mode
              3. 24.6.5.1.2.3.3 Subsequence – Transmit Clock Generator Configuration for TDM Cases
              4. 24.6.5.1.2.3.4 Subsequence—McASP Transmit Pins Functional Configuration
        2. 24.6.5.2 Operational Modes Configuration
          1. 24.6.5.2.1 McASP Transmission Modes
            1. 24.6.5.2.1.1 Main Sequence – McASP DIT- /TDM- Polling Transmission Method
            2. 24.6.5.2.1.2 Main Sequence – McASP DIT- /TDM - Interrupt Transmission Method
            3. 24.6.5.2.1.3 Main Sequence –McASP DIT- /TDM - Mode DMA Transmission Method
          2. 24.6.5.2.2 McASP Reception Modes
            1. 24.6.5.2.2.1 Main Sequence – McASP Polling Reception Method
            2. 24.6.5.2.2.2 Main Sequence – McASP TDM - Interrupt Reception Method
            3. 24.6.5.2.2.3 Main Sequence – McASP TDM - Mode DMA Reception Method
          3. 24.6.5.2.3 McASP Event Servicing
            1. 24.6.5.2.3.1 McASP DIT-/TDM- Transmit Interrupt Events Servicing
            2. 24.6.5.2.3.2 McASP TDM- Receive Interrupt Events Servicing
            3. 24.6.5.2.3.3 3137
            4. 24.6.5.2.3.4 Subsequence – McASP DIT-/TDM -Modes Transmit Error Handling
            5. 24.6.5.2.3.5 Subsequence – McASP Receive Error Handling
      6. 24.6.6 McASP Register Manual
        1. 24.6.6.1 McASP Instance Summary
        2. 24.6.6.2 McASP Registers
          1. 24.6.6.2.1 MCASP_CFG Register Summary
          2. 24.6.6.2.2 MCASP_CFG Register Description
          3. 24.6.6.2.3 MCASP_AFIFO Register Summary
          4. 24.6.6.2.4 MCASP_AFIFO Register Description
          5. 24.6.6.2.5 MCASP_DAT Register Summary
          6. 24.6.6.2.6 MCASP_DAT Register Description
    7. 24.7  SuperSpeed USB DRD
      1. 24.7.1 SuperSpeed USB DRD Subsystem Overview
        1. 24.7.1.1 Main Features
        2. 24.7.1.2 Unsupported Features
      2. 24.7.2 SuperSpeed USB DRD Subsystem Environment
        1. 24.7.2.1 SuperSpeed USB DRD Subsystem I/O Interfaces
        2. 24.7.2.2 SuperSpeed USB Subsystem Application
      3. 24.7.3 SuperSpeed USB Subsystem Integration
    8. 24.8  SATA Controller
      1. 24.8.1 SATA Controller Overview
        1. 24.8.1.1 SATA Controller
          1. 24.8.1.1.1 AHCI Mode Overview
          2. 24.8.1.1.2 Native Command Queuing
          3. 24.8.1.1.3 SATA Transport Layer Functionalities
          4. 24.8.1.1.4 SATA Link Layer Functionalities
        2. 24.8.1.2 SATA Controller Features
      2. 24.8.2 SATA Controller Environment
      3. 24.8.3 SATA Controller Integration
      4. 24.8.4 SATA Controller Functional Description
        1. 24.8.4.1  SATA Controller Block Diagram
        2. 24.8.4.2  SATA Controller Link Layer Protocol and Data Format
          1. 24.8.4.2.1 SATA 8b/10b Parallel Encoding/Decoding
          2. 24.8.4.2.2 SATA Stream Dword Components
          3. 24.8.4.2.3 Scrambling/Descrambling Processing
        3. 24.8.4.3  Resets
          1. 24.8.4.3.1 Hardware Reset
          2. 24.8.4.3.2 Software Initiated Resets
            1. 24.8.4.3.2.1 Software Reset
            2. 24.8.4.3.2.2 Port Reset
            3. 24.8.4.3.2.3 HBA Reset
        4. 24.8.4.4  Power Management
          1. 24.8.4.4.1 SATA Specific Power Management
            1. 24.8.4.4.1.1 PARTIAL Power Mode
            2. 24.8.4.4.1.2 Slumber Power Mode
            3. 24.8.4.4.1.3 Software Control over Low Power States
            4. 24.8.4.4.1.4 Aggressive Power Management
          2. 24.8.4.4.2 Master Standby and Slave Idle Management Protocols
          3. 24.8.4.4.3 Clock Gating Synchronization
          4. 24.8.4.4.4 3187
        5. 24.8.4.5  Interrupt Requests
          1. 24.8.4.5.1 Interrupt Generation
          2. 24.8.4.5.2 Levels of Interrupt Control
          3. 24.8.4.5.3 Interrupt Events Description
            1. 24.8.4.5.3.1  Task File Error Status
            2. 24.8.4.5.3.2  Host Bus Fatal Error
            3. 24.8.4.5.3.3  Interface Fatal Error Status
            4. 24.8.4.5.3.4  Interface Non-Fatal Error Status
            5. 24.8.4.5.3.5  Overflow Status
            6. 24.8.4.5.3.6  Incorrect Port Multiplier Status
            7. 24.8.4.5.3.7  PHYReady Change Status
            8. 24.8.4.5.3.8  Port Connect Change Status
            9. 24.8.4.5.3.9  Descriptor Processed
            10. 24.8.4.5.3.10 Unknown FIS Interrupt
            11. 24.8.4.5.3.11 Set Device Bits Interrupt
            12. 24.8.4.5.3.12 DMA Setup FIS Interrupt
            13. 24.8.4.5.3.13 PIO Setup FIS Interrupt
            14. 24.8.4.5.3.14 Device to Host Register FIS Interrupt
          4. 24.8.4.5.4 Interrupt Condition Control
          5. 24.8.4.5.5 Command Completion Coalescing Interrupts
            1. 24.8.4.5.5.1 CCC Interrupt Based on Expired Timeout Value
            2. 24.8.4.5.5.2 CCC Interrupt Based on Completion Count
        6. 24.8.4.6  System Memory FIS Descriptors
          1. 24.8.4.6.1 Command List Structure Basics
          2. 24.8.4.6.2 Supported Types of Commands
          3. 24.8.4.6.3 Received FIS Structures
          4. 24.8.4.6.4 FIS Descriptors Summary
        7. 24.8.4.7  Transport Layer FIS-Based Interactions
          1. 24.8.4.7.1 Software Processing of the Port Command List
          2. 24.8.4.7.2 Handling the Received FIS Descriptors
        8. 24.8.4.8  DMA Port Configuration
        9. 24.8.4.9  Port Multiplier Operation
          1. 24.8.4.9.1 Command-Based Switching Mode
            1. 24.8.4.9.1.1 Port Multiplier NCQ and Non-NCQ Commands Generation
          2. 24.8.4.9.2 Port Multiplier Enumeration
        10. 24.8.4.10 Activity LED Generation Functionality
        11. 24.8.4.11 Supported Types of SATA Transfers
          1. 24.8.4.11.1 Supported Higher Level Protocols
        12. 24.8.4.12 SATA Controller AHCI Hardware Register Interface
      5. 24.8.5 SATA Controller Low Level Programming Model
        1. 24.8.5.1 Global Initialization
          1. 24.8.5.1.1 Surrounding Modules Global Initialization
          2. 24.8.5.1.2 SATA Controller Global Initialization
            1. 24.8.5.1.2.1 Main Sequence SATA Controller Global Initialization
            2. 24.8.5.1.2.2 SubSequence – Firmware Capability Writes
          3. 24.8.5.1.3 Issue Command - Main Sequence
          4. 24.8.5.1.4 Receive FIS—Main Sequence
      6. 24.8.6 SATA Controller Register Manual
        1. 24.8.6.1 SATA Controller Instance Summary
        2. 24.8.6.2 DWC_ahsata Registers
          1. 24.8.6.2.1 DWC_ahsata Register Summary
          2. 24.8.6.2.2 DWC_ahsata Register Description
        3. 24.8.6.3 SATAMAC_wrapper Registers
          1. 24.8.6.3.1 SATAMAC_wrapper Register Summary
          2. 24.8.6.3.2 SATAMAC_wrapper Register Description
    9. 24.9  PCIe Controller
      1. 24.9.1 PCIe Controller Subsystem Overview
        1. 24.9.1.1 PCIe Controllers Key Features
      2. 24.9.2 PCIe Controller Environment
      3. 24.9.3 PCIe Controllers Integration
      4. 24.9.4 PCIe SS Controller Functional Description
        1. 24.9.4.1 PCIe Controller Functional Block Diagram
        2. 24.9.4.2 PCIe Traffics
        3. 24.9.4.3 PCIe Controller Ports on L3_MAIN Interconnect
          1. 24.9.4.3.1 PCIe Controller Master Port
            1. 24.9.4.3.1.1 PCIe Controller Master Port to MMU Routing
          2. 24.9.4.3.2 PCIe Controller Slave Port
          3. 24.9.4.3.3 3255
        4. 24.9.4.4 PCIe Controller Reset Management
          1. 24.9.4.4.1 PCIe Reset Types and Stickiness
          2. 24.9.4.4.2 PCIe Reset Conditions
            1. 24.9.4.4.2.1 PCIe Main Reset
              1. 24.9.4.4.2.1.1 PCIe Subsystem Cold Main Reset Source
              2. 24.9.4.4.2.1.2 PCIe Subsystem Warm Main Reset Sources
            2. 24.9.4.4.2.2 PCIe Standard Specific Resets to the PCIe Core Logic
        5. 24.9.4.5 PCIe Controller Power Management
          1. 24.9.4.5.1 PCIe Protocol Power Management
            1. 24.9.4.5.1.1 PCIe Device/function power state (D-state)
            2. 24.9.4.5.1.2 PCIe Controller PIPE Powerstate (Powerdown Control)
          2. 24.9.4.5.2 PCIE Controller Clocks Management
            1. 24.9.4.5.2.1 PCIe Clock Domains
            2. 24.9.4.5.2.2 PCIe Controller Idle/Standby Clock Management Interfaces
              1. 24.9.4.5.2.2.1 PCIe Controller Master Standby Behavior
              2. 24.9.4.5.2.2.2 PCIe Controller Slave Idle/Disconnect Behavior
                1. 24.9.4.5.2.2.2.1 PCIe Controller Idle Sequence During D3cold/L3 State
        6. 24.9.4.6 PCIe Controller Interrupt Requests
          1. 24.9.4.6.1 PCIe Controller Main Hardware Management
            1. 24.9.4.6.1.1 PCIe Management Interrupt Events
            2. 24.9.4.6.1.2 PCIe Error Interrupt Events
            3. 24.9.4.6.1.3 Summary of PCIe Controller Main Hardware Interrupt Events
          2. 24.9.4.6.2 PCIe Controller Legacy and MSI Virtual Interrupts Management
            1. 24.9.4.6.2.1 Legacy PCI Interrupts (INTx)
              1. 24.9.4.6.2.1.1 Legacy PCI Interrupt Events Overview
              2. 24.9.4.6.2.1.2 Legacy PCI Interrupt Transmission (EP mode only)
              3. 24.9.4.6.2.1.3 Legacy PCI Interrupt Reception (RC mode only)
            2. 24.9.4.6.2.2 PCIe Controller Message Signaled Interrupts (MSI)
              1. 24.9.4.6.2.2.1 PCIe Specific MSI Interrupt Event Overview
              2. 24.9.4.6.2.2.2 PCIe Controller MSI Transmission Methods (EP mode)
                1. 24.9.4.6.2.2.2.1 PCIe Controller MSI transmission, hardware method
                2. 24.9.4.6.2.2.2.2 PCIe Controller MSI transmission, software method
              3. 24.9.4.6.2.2.3 PCIe Controller MSI Reception (RC mode)
          3. 24.9.4.6.3 PCIe Controller MSI Hardware Interrupt Events
        7. 24.9.4.7 PCIe Controller Address Spaces and Address Translation
        8. 24.9.4.8 PCIe Traffic Requesting and Responding
          1. 24.9.4.8.1 PCIe Memory-type (Mem) Traffic Management
            1. 24.9.4.8.1.1 PCIe Memory Requesting
            2. 24.9.4.8.1.2 PCIe Memory Responding
          2. 24.9.4.8.2 PCIe Configuration Type (Cfg) Traffic Management
            1. 24.9.4.8.2.1 RC Self-configuration (RC Only)
            2. 24.9.4.8.2.2 Configuration Requests over PCIe (RC Only)
            3. 24.9.4.8.2.3 Configuration Responding over PCIe (EP Only)
          3. 24.9.4.8.3 PCIe I/O-type (IO) traffic management
            1. 24.9.4.8.3.1 PCIe I/O requesting (RC only)
            2. 24.9.4.8.3.2 PCIe IO BAR initialization before enumeration (EP only)
            3. 24.9.4.8.3.3 PCIe I/O responding (PCI legacy EP only)
          4. 24.9.4.8.4 PCIe Message-type (Msg) traffic management
        9. 24.9.4.9 PCIe Programming Register Interface
          1. 24.9.4.9.1 PCIe Register Access
          2. 24.9.4.9.2 Double Mapping of the PCIe Local Control Registers
          3. 24.9.4.9.3 Base Address Registers (BAR) Initialization
      5. 24.9.5 PCIe Controller Low Level Programming Model
        1. 24.9.5.1 Surrounding Modules Global Initialization
        2. 24.9.5.2 Main Sequence of PCIe Controllers Initalization
      6. 24.9.6 PCIe Standard Registers vs PCIe Subsystem Hardware Registers Mapping
      7. 24.9.7 PCIe Controller Register Manual
        1. 24.9.7.1 PCIe Controller Instance Summary
        2. 24.9.7.2 PCIe_SS_EP_CFG_PCIe Registers
          1. 24.9.7.2.1 PCIe_SS_EP_CFG_PCIe Register Summary
          2. 24.9.7.2.2 PCIe_SS_EP_CFG_PCIe Register Description
          3. 24.9.7.2.3 3317
        3. 24.9.7.3 PCIe_SS_EP_CFG_DBICS Registers
          1. 24.9.7.3.1 PCIe_SS_EP_CFG_DBICS Register Summary
          2. 24.9.7.3.2 PCIe_SS_EP_CFG_DBICS Register Description
        4. 24.9.7.4 PCIe_SS_RC_CFG_DBICS Registers
          1. 24.9.7.4.1 PCIe_SS_RC_CFG_DBICS Register Summary
          2. 24.9.7.4.2 PCIe_SS_RC_CFG_DBICS Register Description
        5. 24.9.7.5 PCIe_SS_PL_CONF Registers
          1. 24.9.7.5.1 PCIe_SS_PL_CONF Register Summary
          2. 24.9.7.5.2 PCIe_SS_PL_CONF Register Description
        6. 24.9.7.6 PCIe_SS_EP_CFG_DBICS2 Registers
          1. 24.9.7.6.1 PCIe_SS_EP_CFG_DBICS2 Register Summary
          2. 24.9.7.6.2 PCIe_SS_EP_CFG_DBICS2 Register Description
        7. 24.9.7.7 PCIe_SS_RC_CFG_DBICS2 Registers
          1. 24.9.7.7.1 PCIe_SS_RC_CFG_DBICS2 Register Summary
          2. 24.9.7.7.2 PCIe_SS_RC_CFG_DBICS2 Register Description
        8. 24.9.7.8 PCIe_SS_TI_CONF Registers
          1. 24.9.7.8.1 PCIe_SS_TI_CONF Register Summary
          2. 24.9.7.8.2 PCIe_SS_TI_CONF Register Description
    10. 24.10 DCAN
      1. 24.10.1 DCAN Overview
        1. 24.10.1.1 Features
      2. 24.10.2 DCAN Environment
        1. 24.10.2.1 CAN Network Basics
      3. 24.10.3 DCAN Integration
      4. 24.10.4 DCAN Functional Description
        1. 24.10.4.1  Module Clocking Requirements
        2. 24.10.4.2  Interrupt Functionality
          1. 24.10.4.2.1 Message Object Interrupts
          2. 24.10.4.2.2 Status Change Interrupts
          3. 24.10.4.2.3 Error Interrupts
        3. 24.10.4.3  DMA Functionality
        4. 24.10.4.4  Local Power-Down Mode
          1. 24.10.4.4.1 Entering Local Power-Down Mode
          2. 24.10.4.4.2 Wakeup From Local Power Down
        5. 24.10.4.5  Parity Check Mechanism
          1. 24.10.4.5.1 Behavior on Parity Error
          2. 24.10.4.5.2 Parity Testing
        6. 24.10.4.6  Debug/Suspend Mode
        7. 24.10.4.7  Configuration of Message Objects Description
          1. 24.10.4.7.1 Configuration of a Transmit Object for Data Frames
          2. 24.10.4.7.2 Configuration of a Transmit Object for Remote Frames
          3. 24.10.4.7.3 Configuration of a Single Receive Object for Data Frames
          4. 24.10.4.7.4 Configuration of a Single Receive Object for Remote Frames
          5. 24.10.4.7.5 Configuration of a FIFO Buffer
        8. 24.10.4.8  Message Handling
          1. 24.10.4.8.1  Message Handler Overview
          2. 24.10.4.8.2  Receive/Transmit Priority
          3. 24.10.4.8.3  Transmission of Messages in Event Driven CAN Communication
          4. 24.10.4.8.4  Updating a Transmit Object
          5. 24.10.4.8.5  Changing a Transmit Object
          6. 24.10.4.8.6  Acceptance Filtering of Received Messages
          7. 24.10.4.8.7  Reception of Data Frames
          8. 24.10.4.8.8  Reception of Remote Frames
          9. 24.10.4.8.9  Reading Received Messages
          10. 24.10.4.8.10 Requesting New Data for a Receive Object
          11. 24.10.4.8.11 Storing Received Messages in FIFO Buffers
          12. 24.10.4.8.12 Reading From a FIFO Buffer
        9. 24.10.4.9  CAN Bit Timing
          1. 24.10.4.9.1 Bit Time and Bit Rate
            1. 24.10.4.9.1.1 Synchronization Segment
            2. 24.10.4.9.1.2 Propagation Time Segment
            3. 24.10.4.9.1.3 Phase Buffer Segments and Synchronization
            4. 24.10.4.9.1.4 Oscillator Tolerance Range
          2. 24.10.4.9.2 DCAN Bit Timing Registers
            1. 24.10.4.9.2.1 Calculation of the Bit Timing Parameters
            2. 24.10.4.9.2.2 Example for Bit Timing Calculation
        10. 24.10.4.10 Message Interface Register Sets
          1. 24.10.4.10.1 Message Interface Register Sets 1 and 2
          2. 24.10.4.10.2 IF3 Register Set
        11. 24.10.4.11 Message RAM
          1. 24.10.4.11.1 Structure of Message Objects
          2. 24.10.4.11.2 Addressing Message Objects in RAM
          3. 24.10.4.11.3 Message RAM Representation in Debug/Suspend Mode
          4. 24.10.4.11.4 Message RAM Representation in Direct Access Mode
        12. 24.10.4.12 CAN Operation
          1. 24.10.4.12.1 CAN Module Initialization
            1. 24.10.4.12.1.1 Configuration of CAN Bit Timing
            2. 24.10.4.12.1.2 Configuration of Message Objects
            3. 24.10.4.12.1.3 DCAN RAM Hardware Initialization
          2. 24.10.4.12.2 CAN Message Transfer (Normal Operation)
            1. 24.10.4.12.2.1 Automatic Retransmission
            2. 24.10.4.12.2.2 Auto-Bus-On
          3. 24.10.4.12.3 Test Modes
            1. 24.10.4.12.3.1 Silent Mode
            2. 24.10.4.12.3.2 Loopback Mode
            3. 24.10.4.12.3.3 External Loopback Mode
            4. 24.10.4.12.3.4 Loopback Mode Combined With Silent Mode
            5. 24.10.4.12.3.5 Software Control of CAN_TX Pin
        13. 24.10.4.13 GPIO Support
      5. 24.10.5 DCAN Register Manual
        1. 24.10.5.1 DCAN Instance Summary
        2. 24.10.5.2 DCAN Registers
          1. 24.10.5.2.1 DCAN Register Summary
          2. 24.10.5.2.2 DCAN Register Description
    11. 24.11 Gigabit Ethernet Switch (GMAC_SW)
      1. 24.11.1 GMAC_SW Overview
        1. 24.11.1.1 Features
        2. 24.11.1.2 3415
      2. 24.11.2 GMAC_SW Environment
        1. 24.11.2.1 G/MII Interface
        2. 24.11.2.2 RMII Interface
        3. 24.11.2.3 RGMII Interface
      3. 24.11.3 GMAC_SW Integration
      4. 24.11.4 GMAC_SW Functional Description
        1. 24.11.4.1  Functional Block Diagram
        2. 24.11.4.2  GMAC_SW Ports
          1. 24.11.4.2.1 Interface Mode Selection
        3. 24.11.4.3  Clocking
          1. 24.11.4.3.1 Subsystem Clocking
          2. 24.11.4.3.2 Interface Clocking
            1. 24.11.4.3.2.1 G/MII Interface Clocking
            2. 24.11.4.3.2.2 RGMII Interface Clocking
            3. 24.11.4.3.2.3 RMII Interface Clocking
            4. 24.11.4.3.2.4 MDIO Clocking
        4. 24.11.4.4  Software IDLE
        5. 24.11.4.5  Interrupt Functionality
          1. 24.11.4.5.1 Receive Packet Completion Pulse Interrupt (RX_PULSE)
          2. 24.11.4.5.2 Transmit Packet Completion Pulse Interrupt (TX_PULSE)
          3. 24.11.4.5.3 Receive Threshold Pulse Interrupt (RX_THRESH_PULSE)
          4. 24.11.4.5.4 Miscellaneous Pulse Interrupt (MISC_PULSE)
            1. 24.11.4.5.4.1 EVNT_PEND( CPTS_PEND) Interrupt
            2. 24.11.4.5.4.2 Statistics Interrupt
            3. 24.11.4.5.4.3 Host Error interrupt
            4. 24.11.4.5.4.4 MDIO Interrupts
          5. 24.11.4.5.5 Interrupt Pacing
        6. 24.11.4.6  Reset Isolation
          1. 24.11.4.6.1 Reset Isolation Functional Description
        7. 24.11.4.7  Software Reset
        8. 24.11.4.8  CPSW_3G
          1. 24.11.4.8.1  CPDMA RX and TX Interfaces
            1. 24.11.4.8.1.1 Functional Operation
            2. 24.11.4.8.1.2 Receive DMA Interface
              1. 24.11.4.8.1.2.1 Receive DMA Host Configuration
              2. 24.11.4.8.1.2.2 Receive Channel Teardown
            3. 24.11.4.8.1.3 Transmit DMA Interface
              1. 24.11.4.8.1.3.1 Transmit DMA Host Configuration
              2. 24.11.4.8.1.3.2 Transmit Channel Teardown
            4. 24.11.4.8.1.4 Transmit Rate Limiting
            5. 24.11.4.8.1.5 Command IDLE
          2. 24.11.4.8.2  Address Lookup Engine (ALE)
            1. 24.11.4.8.2.1 Address Table Entry
              1. 24.11.4.8.2.1.1 Free Table Entry
              2. 24.11.4.8.2.1.2 Multicast Address Table Entry
              3. 24.11.4.8.2.1.3 VLAN/Multicast Address Table Entry
              4. 24.11.4.8.2.1.4 Unicast Address Table Entry
              5. 24.11.4.8.2.1.5 OUI Unicast Address Table Entry
              6. 24.11.4.8.2.1.6 VLAN/Unicast Address Table Entry
              7. 24.11.4.8.2.1.7 VLAN Table Entry
            2. 24.11.4.8.2.2 Packet Forwarding Processes
            3. 24.11.4.8.2.3 Learning Process
            4. 24.11.4.8.2.4 VLAN Aware Mode
            5. 24.11.4.8.2.5 VLAN Unaware Mode
          3. 24.11.4.8.3  Packet Priority Handling
          4. 24.11.4.8.4  FIFO Memory Control
          5. 24.11.4.8.5  FIFO Transmit Queue Control
            1. 24.11.4.8.5.1 Normal Priority Mode
            2. 24.11.4.8.5.2 Dual MAC Mode
            3. 24.11.4.8.5.3 Rate Limit Mode
          6. 24.11.4.8.6  Audio Video Bridging
            1. 24.11.4.8.6.1 IEEE 802.1AS: Timing and Synchronization for Time-Sensitive Applications in Bridged Local Area Networks (Precision Time Protocol (PTP))
              1. 24.11.4.8.6.1.1 IEEE 1722: "Layer 2 Transport Protocol for Time-Sensitive Streams"
              2. 24.11.4.8.6.1.2 IEEE 1733: Extends RTCP for RTP Streaming over AVB-supported Networks
            2. 24.11.4.8.6.2 IEEE 802.1Qav: "Virtual Bridged Local Area Networks: Forwarding and Queuing for Time-Sensitive Streams"
              1. 24.11.4.8.6.2.1 Configuring the Device for 802.1Qav Operation:
          7. 24.11.4.8.7  Ethernet MAC Sliver (CPGMAC_SL)
            1. 24.11.4.8.7.1 G/MII Media Independent Interface
              1. 24.11.4.8.7.1.1 Data Reception
                1. 24.11.4.8.7.1.1.1 Receive Control
                2. 24.11.4.8.7.1.1.2 Receive Inter-Frame Interval
              2. 24.11.4.8.7.1.2 Data Transmission
                1. 24.11.4.8.7.1.2.1 Transmit Control
                2. 24.11.4.8.7.1.2.2 CRC Insertion
                3. 24.11.4.8.7.1.2.3 MTXER
                4. 24.11.4.8.7.1.2.4 Adaptive Performance Optimization (APO)
                5. 24.11.4.8.7.1.2.5 Inter-Packet-Gap Enforcement
                6. 24.11.4.8.7.1.2.6 Back Off
                7. 24.11.4.8.7.1.2.7 Programmable Transmit Inter-Packet Gap
                8. 24.11.4.8.7.1.2.8 Speed, Duplex and Pause Frame Support Negotiation
            2. 24.11.4.8.7.2 RMII Interface
              1. 24.11.4.8.7.2.1 Features
              2. 24.11.4.8.7.2.2 RMII Receive (RX)
              3. 24.11.4.8.7.2.3 RMII Transmit (TX)
            3. 24.11.4.8.7.3 RGMII Interface
              1. 24.11.4.8.7.3.1 RGMII Features
              2. 24.11.4.8.7.3.2 RGMII Receive (RX)
              3. 24.11.4.8.7.3.3 In-Band Mode of Operation
              4. 24.11.4.8.7.3.4 Forced Mode of Operation
              5. 24.11.4.8.7.3.5 RGMII Transmit (TX)
            4. 24.11.4.8.7.4 Frame Classification
          8. 24.11.4.8.8  Embedded Memories
          9. 24.11.4.8.9  Flow Control
            1. 24.11.4.8.9.1 CPPI Port Flow Control
            2. 24.11.4.8.9.2 Ethernet Port Flow Control
              1. 24.11.4.8.9.2.1 Receive Flow Control
                1. 24.11.4.8.9.2.1.1 Collision Based Receive Buffer Flow Control
                2. 24.11.4.8.9.2.1.2 IEEE 802.3X Based Receive Flow Control
              2. 24.11.4.8.9.2.2 Transmit Flow Control
          10. 24.11.4.8.10 Short Gap
          11. 24.11.4.8.11 Switch Latency
          12. 24.11.4.8.12 Emulation Control
          13. 24.11.4.8.13 FIFO Loopback
          14. 24.11.4.8.14 Device Level Ring (DLR) Support
          15. 24.11.4.8.15 Energy Efficient Ethernet Support (802.3az)
          16. 24.11.4.8.16 CPSW_3G Network Statistics
            1. 24.11.4.8.16.1 3522
        9. 24.11.4.9  Static Packet Filter (SPF)
          1. 24.11.4.9.1 SPF Overview
          2. 24.11.4.9.2 SPF Functional Description
            1. 24.11.4.9.2.1 SPF Block Diagram
            2. 24.11.4.9.2.2 Interrupts
            3. 24.11.4.9.2.3 Protocol Header Extractor
            4. 24.11.4.9.2.4 Programmable Rule Engine
              1. 24.11.4.9.2.4.1 Internal Registers
              2. 24.11.4.9.2.4.2 Packet Buffer
            5. 24.11.4.9.2.5 Intrusion Event Logger
            6. 24.11.4.9.2.6 Rate Limiter
            7. 24.11.4.9.2.7 Rule Engine Instruction Set Architecture
              1. 24.11.4.9.2.7.1 Instruction Format
              2. 24.11.4.9.2.7.2 Operand Field
              3. 24.11.4.9.2.7.3 Arithmetic/Logical Function Field
              4. 24.11.4.9.2.7.4 Operation Field
          3. 24.11.4.9.3 Programming Guide
            1. 24.11.4.9.3.1 Initialization Routine
            2. 24.11.4.9.3.2 Interrupt Service Routine
            3. 24.11.4.9.3.3 Rule Engine Example Program
        10. 24.11.4.10 Common Platform Time Sync (CPTS)
          1. 24.11.4.10.1 CPTS Architecture
          2. 24.11.4.10.2 CPTS Initialization
          3. 24.11.4.10.3 Time Stamp Value
          4. 24.11.4.10.4 Event FIFO
          5. 24.11.4.10.5 Time Sync Events
            1. 24.11.4.10.5.1 Time Stamp Push Event
            2. 24.11.4.10.5.2 Time Stamp Counter Rollover Event
            3. 24.11.4.10.5.3 Time Stamp Counter Half-rollover Event
            4. 24.11.4.10.5.4 Hardware Time Stamp Push Event
            5. 24.11.4.10.5.5 Ethernet Port Events
          6. 24.11.4.10.6 CPTS Interrupt Handling
        11. 24.11.4.11 CPPI Buffer Descriptors
          1. 24.11.4.11.1 TX Buffer Descriptors
            1. 24.11.4.11.1.1 CPPI TX Data Word 0
            2. 24.11.4.11.1.2 CPPI TX Data Word 1
            3. 24.11.4.11.1.3 CPPI TX Data Word 2
            4. 24.11.4.11.1.4 CPPI TX Data Word 3
          2. 24.11.4.11.2 RX Buffer Descriptors
            1. 24.11.4.11.2.1 CPPI RX Data Word 0
            2. 24.11.4.11.2.2 CPPI RX Data Word 1
            3. 24.11.4.11.2.3 CPPI RX Data Word 2
            4. 24.11.4.11.2.4 CPPI RX Data Word 3
        12. 24.11.4.12 MDIO
          1. 24.11.4.12.1 MDIO Frame Formats
          2. 24.11.4.12.2 MDIO Functional Description
      5. 24.11.5 GMAC_SW Programming Guide
        1. 24.11.5.1 Transmit Operation
        2. 24.11.5.2 Receive Operation
        3. 24.11.5.3 MDIO Software Interface
          1. 24.11.5.3.1 Initializing the MDIO Module
          2. 24.11.5.3.2 Writing Data To a PHY Register
          3. 24.11.5.3.3 Reading Data From a PHY Register
        4. 24.11.5.4 Initialization and Configuration of CPSW
      6. 24.11.6 GMAC_SW Register Manual
        1. 24.11.6.1  GMAC_SW Instance Summary
        2. 24.11.6.2  SS Registers
          1. 24.11.6.2.1 SS Register Summary
          2. 24.11.6.2.2 SS Register Description
        3. 24.11.6.3  PORT Registers
          1. 24.11.6.3.1 PORT Register Summary
          2. 24.11.6.3.2 PORT Register Description
        4. 24.11.6.4  CPDMA registers
          1. 24.11.6.4.1 CPDMA Register Summary
          2. 24.11.6.4.2 CPDMA Register Description
        5. 24.11.6.5  STATS Registers
          1. 24.11.6.5.1 STATS Register Summary
          2. 24.11.6.5.2 STATS Register Description
        6. 24.11.6.6  STATERAM Registers
          1. 24.11.6.6.1 STATERAM Register Summary
          2. 24.11.6.6.2 STATERAM Register Description
        7. 24.11.6.7  CPTS registers
          1. 24.11.6.7.1 CPTS Register Summary
          2. 24.11.6.7.2 CPTS Register Description
        8. 24.11.6.8  ALE registers
          1. 24.11.6.8.1 ALE Register Summary
          2. 24.11.6.8.2 ALE Register Description
        9. 24.11.6.9  SL registers
          1. 24.11.6.9.1 SL Register Summary
          2. 24.11.6.9.2 SL Register Description
        10. 24.11.6.10 MDIO registers
          1. 24.11.6.10.1 MDIO Register Summary
          2. 24.11.6.10.2 MDIO Register Description
        11. 24.11.6.11 WR registers
          1. 24.11.6.11.1 WR Register Summary
          2. 24.11.6.11.2 WR Register Description
        12. 24.11.6.12 SPF Registers
          1. 24.11.6.12.1 SPF Register Summary
          2. 24.11.6.12.2 SPF Register Description
    12. 24.12 Media Local Bus (MLB)
  27. 25eMMC/SD/SDIO
    1. 25.1 eMMC/SD/SDIO Overview
      1. 25.1.1 eMMC/SD/SDIO Features
    2. 25.2 eMMC/SD/SDIO Environment
      1. 25.2.1 eMMC/SD/SDIO Functional Modes
        1. 25.2.1.1 eMMC/SD/SDIO Connected to an eMMC, SD, or SDIO Card
      2. 25.2.2 Protocol and Data Format
        1. 25.2.2.1 Protocol
        2. 25.2.2.2 Data Format
    3. 25.3 eMMC/SD/SDIO Integration
    4. 25.4 eMMC/SD/SDIO Functional Description
      1. 25.4.1  Block Diagram
      2. 25.4.2  Resets
        1. 25.4.2.1 Hardware Reset
        2. 25.4.2.2 Software Reset
      3. 25.4.3  Power Management
      4. 25.4.4  Interrupt Requests
        1. 25.4.4.1 Interrupt-Driven Operation
        2. 25.4.4.2 Polling
        3. 25.4.4.3 Asynchronous Interrupt
      5. 25.4.5  DMA Modes
        1. 25.4.5.1 Master DMA Operations
          1. 25.4.5.1.1 Descriptor Table Description
          2. 25.4.5.1.2 Requirements for Descriptors
            1. 25.4.5.1.2.1 Data Length
            2. 25.4.5.1.2.2 Supported Features
            3. 25.4.5.1.2.3 Error Generation
          3. 25.4.5.1.3 Advanced DMA Description
        2. 25.4.5.2 Slave DMA Operations
          1. 25.4.5.2.1 DMA Receive Mode
          2. 25.4.5.2.2 DMA Transmit Mode
      6. 25.4.6  Mode Selection
      7. 25.4.7  Buffer Management
        1. 25.4.7.1 Data Buffer
          1. 25.4.7.1.1 Memory Size, Block Length, and Buffer-Management Relationship
          2. 25.4.7.1.2 Data Buffer Status
      8. 25.4.8  Transfer Process
        1. 25.4.8.1 Different Types of Commands
        2. 25.4.8.2 Different Types of Responses
      9. 25.4.9  Transfer or Command Status and Errors Reporting
        1. 25.4.9.1 Busy Time-Out for R1b, R5b Response Type
        2. 25.4.9.2 Busy Time-Out After Write CRC Status
        3. 25.4.9.3 Write CRC Status Time-Out
        4. 25.4.9.4 Read Data Time-Out
        5. 25.4.9.5 Boot Acknowledge Time-Out
      10. 25.4.10 Auto Command 12 Timings
        1. 25.4.10.1 Auto CMD12 Timings During Write Transfer
        2. 25.4.10.2 Auto CMD12 Timings During Read Transfer
      11. 25.4.11 Transfer Stop
      12. 25.4.12 Output Signals Generation
        1. 25.4.12.1 Generation on Falling Edge of MMC Clock
        2. 25.4.12.2 Generation on Rising Edge of MMC Clock
      13. 25.4.13 Sampling Clock Tuning
      14. 25.4.14 Card Boot Mode Management
        1. 25.4.14.1 Boot Mode Using CMD0
        2. 25.4.14.2 Boot Mode With CMD Line Tied to 0
      15. 25.4.15 MMC CE-ATA Command Completion Disable Management
      16. 25.4.16 Test Registers
      17. 25.4.17 eMMC/SD/SDIO Hardware Status Features
    5. 25.5 eMMC/SD/SDIO Programming Guide
      1. 25.5.1 Low-Level Programming Models
        1. 25.5.1.1 Global Initialization
          1. 25.5.1.1.1 Surrounding Modules Global Initialization
          2. 25.5.1.1.2 eMMC/SD/SDIO Host Controller Initialization Flow
            1. 25.5.1.1.2.1 Enable Interface and Functional Clock for MMC Controller
            2. 25.5.1.1.2.2 MMCHS Soft Reset Flow
            3. 25.5.1.1.2.3 Set MMCHS Default Capabilities
            4. 25.5.1.1.2.4 Wake-Up Configuration
            5. 25.5.1.1.2.5 MMC Host and Bus Configuration
        2. 25.5.1.2 Operational Modes Configuration
          1. 25.5.1.2.1 Basic Operations for eMMC/SD/SDIO Host Controller
            1. 25.5.1.2.1.1 Card Detection, Identification, and Selection
              1. 25.5.1.2.1.1.1 CMD Line Reset Procedure
            2. 25.5.1.2.1.2 Read/Write Transfer Flow in DMA Mode With Interrupt
              1. 25.5.1.2.1.2.1 DATA Lines Reset Procedure
            3. 25.5.1.2.1.3 Read/Write Transfer Flow in DMA Mode With Polling
            4. 25.5.1.2.1.4 Read/Write Transfer Flow Without DMA With Polling
            5. 25.5.1.2.1.5 Read/Write Transfer Flow in CE-ATA Mode
            6. 25.5.1.2.1.6 Suspend-Resume Flow
              1. 25.5.1.2.1.6.1 Suspend Flow
              2. 25.5.1.2.1.6.2 Resume Flow
            7. 25.5.1.2.1.7 Basic Operations – Steps Detailed
              1. 25.5.1.2.1.7.1 Command Transfer Flow
              2. 25.5.1.2.1.7.2 MMCHS Clock Frequency Change
              3. 25.5.1.2.1.7.3 Bus Width Selection
          2. 25.5.1.2.2 Bus Voltage Selection
          3. 25.5.1.2.3 Boot Mode Configuration
            1. 25.5.1.2.3.1 Boot Using CMD0
            2. 25.5.1.2.3.2 Boot With CMD Line Tied to 0
          4. 25.5.1.2.4 SDR104/HS200 DLL Tuning Procedure
    6. 25.6 eMMC/SD/SDIO Register Manual
      1. 25.6.1 eMMC/SD/SDIO Instance Summary
      2. 25.6.2 eMMC/SD/SDIO Registers
        1. 25.6.2.1 eMMC/SD/SDIO Register Summary
        2. 25.6.2.2 eMMC/SD/SDIO Register Description
  28. 26Shared PHY Component Subsystem
    1. 26.1 SATA PHY Subsystem
      1. 26.1.1 SATA PHY Subsystem Overview
      2. 26.1.2 SATA PHY Subsystem Environment
        1. 26.1.2.1 SATA PHY I/O Signals
      3. 26.1.3 SATA PHY Subsystem Integration
      4. 26.1.4 SATA PHY Subsystem Functional Description
        1. 26.1.4.1 SATA PLL Controller L4 Interface Adapter Functional Description
        2. 26.1.4.2 SATA PHY Serializer and Deserializer Functional Descriptions
          1. 26.1.4.2.1 SATA PHY Reset
          2. 26.1.4.2.2 SATA_PHY Clocking
            1. 26.1.4.2.2.1 SATA_PHY Input Clocks
            2. 26.1.4.2.2.2 SATA_PHY Output Clocks
          3. 26.1.4.2.3 SATA_PHY Power Management
            1. 26.1.4.2.3.1 SATA_PHY Power-Up/-Down Sequences
            2. 26.1.4.2.3.2 SATA_PHY Low-Power Modes
          4. 26.1.4.2.4 SATA_PHY Hardware Requests
        3. 26.1.4.3 SATA Clock Generator Subsystem Functional Description
          1. 26.1.4.3.1 SATA DPLL Clock Generator Overview
          2. 26.1.4.3.2 SATA DPLL Clock Generator Reset
          3. 26.1.4.3.3 SATA DPLL Low-Power Modes
          4. 26.1.4.3.4 SATA DPLL Clocks Configuration
            1. 26.1.4.3.4.1 SATA DPLL Input Clock Control
            2. 26.1.4.3.4.2 SATA DPLL Output Clock Configuration
              1. 26.1.4.3.4.2.1 SATA DPLL Output Clock Gating
          5. 26.1.4.3.5 SATA DPLL Subsystem Architecture
          6. 26.1.4.3.6 SATA DPLL Clock Generator Modes and State Transitions
            1. 26.1.4.3.6.1 SATA Clock Generator Power Up
            2. 26.1.4.3.6.2 SATA DPLL Sequences
            3. 26.1.4.3.6.3 SATA DPLL Locked Mode
            4. 26.1.4.3.6.4 SATA DPLL Idle-Bypass Mode
            5. 26.1.4.3.6.5 SATA DPLL MN-Bypass Mode
            6. 26.1.4.3.6.6 SATA DPLL Error Conditions
          7. 26.1.4.3.7 SATA PLL Controller Functions
            1. 26.1.4.3.7.1 SATA PLL Controller Register Access
            2. 26.1.4.3.7.2 SATA DPLL Clock Programming Sequence
            3. 26.1.4.3.7.3 SATA DPLL Recommended Values
      5. 26.1.5 SATA PHY Subsystem Low-Level Programming Model
    2. 26.2 USB3_PHY Subsystem
      1. 26.2.1 USB3_PHY Subsystem Overview
      2. 26.2.2 USB3_PHY Subsystem Environment
        1. 26.2.2.1 USB3_PHY I/O Signals
      3. 26.2.3 USB3_PHY Subsystem Integration
      4. 26.2.4 USB3_PHY Subsystem Functional Description
        1. 26.2.4.1 Super-Speed USB PLL Controller L4 Interface Adapter Functional Description
        2. 26.2.4.2 USB3_PHY Serializer and Deserializer Functional Descriptions
          1. 26.2.4.2.1 USB3_PHY Module Resets
            1. 26.2.4.2.1.1 Hardware Reset
            2. 26.2.4.2.1.2 Software Reset
          2. 26.2.4.2.2 USB3_PHY Subsystem Clocking
            1. 26.2.4.2.2.1 USB3_PHY Subsystem Input Clocks
            2. 26.2.4.2.2.2 USB3_PHY Subsystem Output Clocks
          3. 26.2.4.2.3 USB3_PHY Power Management
            1. 26.2.4.2.3.1 USB3_PHY Power-Up/-Down Sequences
            2. 26.2.4.2.3.2 USB3_PHY Low-Power Modes
            3. 26.2.4.2.3.3 Clock Gating
          4. 26.2.4.2.4 USB3_PHY Hardware Requests
        3. 26.2.4.3 USB3_PHY Clock Generator Subsystem Functional Description
          1. 26.2.4.3.1 USB3_PHY DPLL Clock Generator Overview
          2. 26.2.4.3.2 USB3_PHY DPLL Clock Generator Reset
          3. 26.2.4.3.3 USB3_PHY DPLL Low-Power Modes
          4. 26.2.4.3.4 USB3_PHY DPLL Clocks Configuration
            1. 26.2.4.3.4.1 USB3_PHY DPLL Input Clock Control
            2. 26.2.4.3.4.2 USB3_PHY DPLL Output Clock Configuration
              1. 26.2.4.3.4.2.1 USB3_PHY DPLL Output Clock Gating
          5. 26.2.4.3.5 USB3_PHY DPLL Subsystem Architecture
          6. 26.2.4.3.6 USB3_PHY DPLL Clock Generator Modes and State Transitions
            1. 26.2.4.3.6.1 USB3_PHY Clock Generator Power Up
            2. 26.2.4.3.6.2 USB3_PHY DPLL Sequences
            3. 26.2.4.3.6.3 USB3_PHY DPLL Locked Mode
            4. 26.2.4.3.6.4 USB3_PHY DPLL Idle-Bypass Mode
            5. 26.2.4.3.6.5 USB3_PHY DPLL MN-Bypass Mode
            6. 26.2.4.3.6.6 USB3_PHY DPLL Error Conditions
          7. 26.2.4.3.7 USB3_PHY PLL Controller Functions
            1. 26.2.4.3.7.1 USB3_PHY PLL Controller Register Access
            2. 26.2.4.3.7.2 3783
            3. 26.2.4.3.7.3 USB3_PHY DPLL Clock Programming Sequence
            4. 26.2.4.3.7.4 USB3_PHY DPLL Recommended Values
      5. 26.2.5 USB3_PHY Subsystem Low-Level Programming Model
    3. 26.3 USB3 PHY and SATA PHY Register Manual
      1. 26.3.1 USB3 PHY and SATA PHY Instance Summary
      2. 26.3.2 USB3_PHY_RX Registers
        1. 26.3.2.1 USB3_PHY_RX Register Summary
        2. 26.3.2.2 USB3_PHY_RX Register Description
      3. 26.3.3 USB3_PHY_TX Registers
        1. 26.3.3.1 USB3_PHY_TX Register Summary
        2. 26.3.3.2 USB3_PHY_TX Register Description
      4. 26.3.4 SATA_PHY_RX Registers
        1. 26.3.4.1 SATA_PHY_RX Register Summary
        2. 26.3.4.2 SATA_PHY_RX Register Description
      5. 26.3.5 SATA_PHY_TX Registers
        1. 26.3.5.1 SATA_PHY_TX Register Summary
        2. 26.3.5.2 SATA_PHY_TX Register Description
      6. 26.3.6 DPLLCTRL Registers
        1. 26.3.6.1 DPLLCTRL Register Summary
        2. 26.3.6.2 DPLLCTRL Register Description
    4. 26.4 PCIe PHY Subsystem
      1. 26.4.1 PCIe PHY Subsystem Overview
        1. 26.4.1.1 PCIe PHY Subsystem Key Features
      2. 26.4.2 PCIe PHY Subsystem Environment
        1. 26.4.2.1 PCIe PHY I/O Signals
      3. 26.4.3 PCIe Shared PHY Subsystem Integration
      4. 26.4.4 PCIe PHY Subsystem Functional Description
        1. 26.4.4.1 PCIe PHY Subsystem Block Diagram
        2. 26.4.4.2 OCP2SCP Functional Description
          1. 26.4.4.2.1 OCP2SCP Reset
            1. 26.4.4.2.1.1 Hardware Reset
            2. 26.4.4.2.1.2 Software Reset
          2. 26.4.4.2.2 OCP2SCP Power Management
            1. 26.4.4.2.2.1 Idle Mode
            2. 26.4.4.2.2.2 Clock Gating
          3. 26.4.4.2.3 OCP2SCP Timing Registers
        3. 26.4.4.3 PCIe PHY Serializer and Deserializer Functional Descriptions
          1. 26.4.4.3.1 PCIe PHY Module Resets
            1. 26.4.4.3.1.1 Hardware Reset
            2. 26.4.4.3.1.2 Software Reset
          2. 26.4.4.3.2 PCIe PHY Subsystem Clocking
            1. 26.4.4.3.2.1 PCIe PHY Subsystem Input Clocks
            2. 26.4.4.3.2.2 PCIe PHY Subsystem Output Clocks
          3. 26.4.4.3.3 PCIe PHY Power Management
            1. 26.4.4.3.3.1 PCIe PHY Power-Up/-Down Sequences
            2. 26.4.4.3.3.2 PCIe PHY Low-Power Modes
            3. 26.4.4.3.3.3 Clock Gating
          4. 26.4.4.3.4 PCIe PHY Hardware Requests
        4. 26.4.4.4 PCIe PHY Clock Generator Subsystem Functional Description
          1. 26.4.4.4.1 PCIe PHY DPLL Clock Generator
            1. 26.4.4.4.1.1 PCIe PHY DPLL Clock Generator Overview
            2. 26.4.4.4.1.2 PCIe PHY DPLL Clock Generator Reset
            3. 26.4.4.4.1.3 PCIe PHY DPLL Low-Power Modes
            4. 26.4.4.4.1.4 PCIe PHY DPLL Clocks Configuration
              1. 26.4.4.4.1.4.1 PCIe PHY DPLL Input Clock Control
              2. 26.4.4.4.1.4.2 PCIe PHY DPLL Output Clock Configuration
                1. 26.4.4.4.1.4.2.1 PCIe PHY DPLL Output Clock Gating
            5. 26.4.4.4.1.5 PCIe PHY DPLL Subsystem Architecture
            6. 26.4.4.4.1.6 PCIe PHY DPLL Clock Generator Modes and State Transitions
              1. 26.4.4.4.1.6.1 PCIe PHY Clock Generator Power Up
              2. 26.4.4.4.1.6.2 PCIe PHY DPLL Sequences
              3. 26.4.4.4.1.6.3 PCIe PHY DPLL Locked Mode
              4. 26.4.4.4.1.6.4 PCIe PHY DPLL Idle-Bypass Mode
              5. 26.4.4.4.1.6.5 PCIe PHY DPLL Low Power Stop Mode
              6. 26.4.4.4.1.6.6 PCIe PHY DPLL Clock Programming Sequence
              7. 26.4.4.4.1.6.7 PCIe PHY DPLL Recommended Values
          2. 26.4.4.4.2 PCIe PHY APLL Clock Generator
            1. 26.4.4.4.2.1 PCIe PHY APLL Clock Generator Overview
            2. 26.4.4.4.2.2 PCIe PHY APLL Clock Generator Reset
            3. 26.4.4.4.2.3 PCIe PHY APLL Low-Power Mode
            4. 26.4.4.4.2.4 PCIe PHY APLL Clocks Configuration
              1. 26.4.4.4.2.4.1 PCIe PHY APLL Input Clock Control
              2. 26.4.4.4.2.4.2 PCIe PHY APLL Output Clock Configuration
                1. 26.4.4.4.2.4.2.1 PCIe PHY APLL Output Clock Gating
            5. 26.4.4.4.2.5 PCIe PHY APLL Subsystem Architecture
            6. 26.4.4.4.2.6 PCIe PHY APLL Clock Generator Modes and State Transitions
              1. 26.4.4.4.2.6.1 PCIe PHY APLL Clock Generator Power Up
              2. 26.4.4.4.2.6.2 PCIe PHY APLL Sequences
              3. 26.4.4.4.2.6.3 PCIe PHY APLL Locked Mode
          3. 26.4.4.4.3 ACSPCIE reference clock buffer
      5. 26.4.5 PCIePHY Subsystem Low-Level Programming Model
      6. 26.4.6 PCIe PHY Subsystem Register Manual
        1. 26.4.6.1 PCIe PHY Instance Summary
          1. 26.4.6.1.1 PCIe_PHY_RX Registers
            1. 26.4.6.1.1.1 PCIe_PHY_RX Register Summary
            2. 26.4.6.1.1.2 PCIe_PHY_RX Register Description
          2. 26.4.6.1.2 PCIe_PHY_TX Registers
            1. 26.4.6.1.2.1 PCIe_PHY_TX Register Summary
            2. 26.4.6.1.2.2 PCIe_PHY_TX Register Description
          3. 26.4.6.1.3 OCP2SCP Registers
            1. 26.4.6.1.3.1 OCP2SCP Register Summary
            2. 26.4.6.1.3.2 OCP2SCP Register Description
  29. 27General-Purpose Interface
    1. 27.1 General-Purpose Interface Overview
    2. 27.2 General-Purpose Interface Environment
      1. 27.2.1 General-Purpose Interface as a Keyboard Interface
      2. 27.2.2 General-Purpose Interface Signals
    3. 27.3 General-Purpose Interface Integration
    4. 27.4 General-Purpose Interface Functional Description
      1. 27.4.1 General-Purpose Interface Block Diagram
      2. 27.4.2 General-Purpose Interface Interrupt and Wake-Up Features
        1. 27.4.2.1 Synchronous Path: Interrupt Request Generation
        2. 27.4.2.2 Asynchronous Path: Wake-Up Request Generation
        3. 27.4.2.3 Wake-Up Event Conditions During Transition To/From IDLE State
        4. 27.4.2.4 Interrupt (or Wake-Up) Line Release
      3. 27.4.3 General-Purpose Interface Clock Configuration
        1. 27.4.3.1 Clocking
      4. 27.4.4 General-Purpose Interface Hardware and Software Reset
      5. 27.4.5 General-Purpose Interface Power Management
        1. 27.4.5.1 Power Domain
        2. 27.4.5.2 Power Management
          1. 27.4.5.2.1 Idle Scheme
          2. 27.4.5.2.2 Operating Modes
          3. 27.4.5.2.3 System Power Management and Wakeup
          4. 27.4.5.2.4 Module Power Saving
      6. 27.4.6 General-Purpose Interface Interrupt and Wake-Up Requests
        1. 27.4.6.1 Interrupt Requests Generation
        2. 27.4.6.2 Wake-Up Requests Generation
      7. 27.4.7 General-Purpose Interface Channels Description
      8. 27.4.8 General-Purpose Interface Data Input/Output Capabilities
      9. 27.4.9 General-Purpose Interface Set-and-Clear Protocol
        1. 27.4.9.1 Description
        2. 27.4.9.2 Clear Instruction
          1. 27.4.9.2.1 Clear Register Addresses
          2. 27.4.9.2.2 Clear Instruction Example
        3. 27.4.9.3 Set Instruction
          1. 27.4.9.3.1 Set Register Addresses
          2. 27.4.9.3.2 Set Instruction Example
    5. 27.5 General-Purpose Interface Programming Guide
      1. 27.5.1 General-Purpose Interface Low-Level Programming Models
        1. 27.5.1.1 Global Initialization
          1. 27.5.1.1.1 Surrounding Modules Global Initialization
          2. 27.5.1.1.2 General-Purpose Interface Module Global Initialization
        2. 27.5.1.2 General-Purpose Interface Operational Modes Configuration
          1. 27.5.1.2.1 General-Purpose Interface Read Input Register
          2. 27.5.1.2.2 General-Purpose Interface Set Bit Function
          3. 27.5.1.2.3 General-Purpose Interface Clear Bit Function
    6. 27.6 General-Purpose Interface Register Manual
      1. 27.6.1 General-Purpose Interface Instance Summary
      2. 27.6.2 General-Purpose Interface Registers
        1. 27.6.2.1 General-Purpose Interface Register Summary
        2. 27.6.2.2 General-Purpose Interface Register Description
  30. 28Keyboard Controller
    1. 28.1 Keyboard Controller Overview
    2. 28.2 Keyboard Controller Environment
      1. 28.2.1 Keyboard Controller Functions/Modes
      2. 28.2.2 Keyboard Controller Signals
      3. 28.2.3 Protocols and Data Formats
    3. 28.3 Keyboard Controller Integration
    4. 28.4 Keyboard Controller Functional Description
      1. 28.4.1 Keyboard Controller Block Diagram
      2. 28.4.2 Keyboard Controller Software Reset
      3. 28.4.3 Keyboard Controller Power Management
      4. 28.4.4 Keyboard Controller Interrupt Requests
      5. 28.4.5 Keyboard Controller Software Mode
      6. 28.4.6 Keyboard Controller Hardware Decoding Modes
        1. 28.4.6.1 Functional Modes
        2. 28.4.6.2 Keyboard Controller Timer
        3. 28.4.6.3 State-Machine Status
        4. 28.4.6.4 Keyboard Controller Interrupt Generation
          1. 28.4.6.4.1 Interrupt-Generation Scheme
          2. 28.4.6.4.2 Keyboard Buffer and Missed Events (Overrun Feature)
      7. 28.4.7 Keyboard Controller Key Coding Registers
      8. 28.4.8 Keyboard Controller Register Access
        1. 28.4.8.1 Write Registers Access
        2. 28.4.8.2 Read Registers Access
    5. 28.5 Keyboard Controller Programming Guide
      1. 28.5.1 Keyboard Controller Low-Level Programming Models
        1. 28.5.1.1 Global Initialization
          1. 28.5.1.1.1 Surrounding Modules Global Initialization
          2. 28.5.1.1.2 Keyboard Controller Global Initialization
            1. 28.5.1.1.2.1 Main Sequence – Keyboard Controller Global Initialization
        2. 28.5.1.2 Operational Modes Configuration
          1. 28.5.1.2.1 Keyboard Controller in Hardware Decoding Mode (Default Mode)
            1. 28.5.1.2.1.1 Main Sequence – Keyboard Controller Hardware Mode
          2. 28.5.1.2.2 Keyboard Controller Software Scanning Mode
            1. 28.5.1.2.2.1 Main Sequence – Keyboard Controller Software Mode
          3. 28.5.1.2.3 Using the Timer
          4. 28.5.1.2.4 State-Machine Status Register
        3. 28.5.1.3 Keyboard Controller Events Servicing
    6. 28.6 Keyboard Controller Register Manual
      1. 28.6.1 Keyboard Controller Instance Summary
      2. 28.6.2 Keyboard Controller Registers
        1. 28.6.2.1 Keyboard Controller Register Summary
        2. 28.6.2.2 Keyboard Controller Register Description
  31. 29Pulse-Width Modulation Subsystem
    1. 29.1 PWM Subsystem Resources
      1. 29.1.1 PWMSS Overview
        1. 29.1.1.1 PWMSS Key Features
        2. 29.1.1.2 PWMSS Unsupported Fetaures
      2. 29.1.2 PWMSS Environment
        1. 29.1.2.1 PWMSS I/O Interface
      3. 29.1.3 PWMSS Integration
        1. 29.1.3.1 PWMSS Module Interfaces Implementation
          1. 29.1.3.1.1 Device Specific PWMSS Features
          2. 29.1.3.1.2 Daisy-Chain Connectivity between PWMSS Modules
          3. 29.1.3.1.3 eHRPWM Modules Time Base Clock Gating
      4. 29.1.4 PWMSS Subsystem Power, Reset and Clock Configuration
        1. 29.1.4.1 PWMSS Local Clock Management
        2. 29.1.4.2 PWMSS Modules Local Clock Gating
        3. 29.1.4.3 PWMSS Software Reset
      5. 29.1.5 PWMSS_CFG Register Manual
        1. 29.1.5.1 PWMSS_CFG Instance Summary
        2. 29.1.5.2 PWMSS_CFG Registers
          1. 29.1.5.2.1 PWMSS_CFG Register Summary
          2. 29.1.5.2.2 PWMSS_CFG Register Description
    2. 29.2 Enhanced PWM (ePWM) Module
    3. 29.3 Enhanced Capture (eCAP) Module
    4. 29.4 Enhanced Quadrature Encoder Pulse (eQEP) Module
  32. 30Programmable Real-Time Unit Subsystem and Industrial Communication Subsystem
    1. 30.1  PRU-ICSS Overview
      1. 30.1.1 PRU-ICSS Key Features
    2. 30.2  PRU-ICSS Environment
      1. 30.2.1 PRU-ICSS I/O Interface
    3. 30.3  PRU-ICSS Integration
    4. 30.4  PRU-ICSS Level Resources Functional Description
      1. 30.4.1 PRU-ICSS Reset Management
      2. 30.4.2 PRU-ICSS Power and Clock Management
        1. 30.4.2.1 PRU-ICSS Idle and Standby States
        2. 30.4.2.2 Module Clock Configurations at PRU-ICSS Top Level
      3. 30.4.3 Other PRU-ICSS Module Functional Registers at Subsystem Level
      4. 30.4.4 PRU-ICSS Memory Maps
        1. 30.4.4.1 PRU-ICSS Local Memory Map
          1. 30.4.4.1.1 PRU-ICSS Local Instruction Memory Map
          2. 30.4.4.1.2 PRU-ICSS Local Data Memory Map
        2. 30.4.4.2 PRU-ICSS Global Memory Map
      5. 30.4.5 PRUSS_CFG Register Manual
        1. 30.4.5.1 PRUSS_CFG Instance Summary
        2. 30.4.5.2 PRUSS_CFG Registers
          1. 30.4.5.2.1 PRUSS_CFG Register Summary
          2. 30.4.5.2.2 PRUSS_CFG Register Description
    5. 30.5  PRU-ICSS PRU Cores
    6. 30.6  PRU-ICSS Local Interrupt Controller
      1. 30.6.1 PRU-ICSS Interrupt Controller Overview
      2. 30.6.2 PRU-ICSS Interrupt Controller Functional Description
        1. 30.6.2.1 PRU-ICSS Interrupt Controller System Events
        2. 30.6.2.2 PRU-ICSS Interrupt Controller System Events Flow
          1. 30.6.2.2.1 PRU-ICSS Interrupt Processing
            1. 30.6.2.2.1.1 PRU-ICSS Interrupt Enabling
          2. 30.6.2.2.2 PRU-ICSS Interrupt Status Checking
          3. 30.6.2.2.3 PRU-ICSS Interrupt Channel Mapping
            1. 30.6.2.2.3.1 PRU-ICSS Host Interrupt Mapping
            2. 30.6.2.2.3.2 PRU-ICSS Interrupt Prioritization
          4. 30.6.2.2.4 PRU-ICSS Interrupt Nesting
          5. 30.6.2.2.5 PRU-ICSS Interrupt Status Clearing
        3. 30.6.2.3 PRU-ICSS Interrupt Disabling
      3. 30.6.3 PRU-ICSS Interrupt Controller Basic Programming Model
      4. 30.6.4 PRU-ICSS Interrupt Requests Mapping
      5. 30.6.5 PRU-ICSS Interrupt Controller Register Manual
        1. 30.6.5.1 PRUSS_INTC Instance Summary
        2. 30.6.5.2 PRUSS_INTC Registers
          1. 30.6.5.2.1 PRUSS_INTC Register Summary
          2. 30.6.5.2.2 PRUSS_INTC Register Description
    7. 30.7  PRU-ICSS UART Module
      1. 30.7.1 PRU-ICSS UART Module Overview
        1. 30.7.1.1 Purpose of the PRU-ICSS integrated UART Peripheral
        2. 30.7.1.2 PRU-ICSS UART Key Features
          1. 30.7.1.2.1 PRU-ICSS UART Module Industry Standard Compliance Statement
      2. 30.7.2 PRU-ICSS UART Environment
        1. 30.7.2.1 PRU-ICSS UART Pin Multiplexing
        2. 30.7.2.2 PRU-ICSS UART Signal Descriptions
        3. 30.7.2.3 PRU-ICSS UART Data Format and Protocol Description
          1. 30.7.2.3.1 PRU-ICSS UART Transmission Protocol
          2. 30.7.2.3.2 PRU-ICSS UART Reception Protocol
          3. 30.7.2.3.3 PRU-ICSS UART Data Format
            1. 30.7.2.3.3.1 Frame Formatting
        4. 30.7.2.4 PRU-ICSS UART Clock Generation and Control
      3. 30.7.3 PRU-ICSS UART Module Functional Description
        1. 30.7.3.1 PRU-ICSS UART Functional Block Diagram
        2. 30.7.3.2 PRU-ICSS UART Reset Considerations
          1. 30.7.3.2.1 PRU-ICSS UART Software Reset Considerations
          2. 30.7.3.2.2 PRU-ICSS UART Hardware Reset Considerations
        3. 30.7.3.3 PRU-ICSS UART Power Management
        4. 30.7.3.4 PRU-ICSS UART Interrupt Support
          1. 30.7.3.4.1 PRU-ICSS UART Interrupt Events and Requests
          2. 30.7.3.4.2 PRU-ICSS UART Interrupt Multiplexing
          3. 30.7.3.4.3 4060
        5. 30.7.3.5 4061
        6. 30.7.3.6 PRU-ICSS UART DMA Event Support
        7. 30.7.3.7 PRU-ICSS UART Operations
          1. 30.7.3.7.1 PRU-ICSS UART Transmission
          2. 30.7.3.7.2 PRU-ICSS UART Reception
          3. 30.7.3.7.3 PRU-ICSS UART FIFO Modes
            1. 30.7.3.7.3.1 PRU-ICSS UART FIFO Interrupt Mode
            2. 30.7.3.7.3.2 PRU-ICSS UART FIFO Poll Mode
          4. 30.7.3.7.4 PRU-ICSS UART Autoflow Control
            1. 30.7.3.7.4.1 PRU-ICSS UART Signal UART0_RTS Behavior
            2. 30.7.3.7.4.2 PRU-ICSS UART Signal PRUSS_UART0_CTS Behavior
          5. 30.7.3.7.5 PRU-ICSS UART Loopback Control
        8. 30.7.3.8 PRU-ICSS UART Initialization
        9. 30.7.3.9 PRU-ICSS UART Exception Processing
          1. 30.7.3.9.1 PRU-ICSS UART Divisor Latch Not Programmed
          2. 30.7.3.9.2 Changing Operating Mode During Busy Serial Communication of PRU-ICSS UART
      4. 30.7.4 PRUSS_UART Register Manual
        1. 30.7.4.1 PRUSS_UART Instance Summary
        2. 30.7.4.2 PRUSS_UART Registers
          1. 30.7.4.2.1 PRUSS_UART Register Summary
          2. 30.7.4.2.2 PRUSS_UART Register Description
    8. 30.8  PRU-ICSS eCAP Module
      1. 30.8.1 4083
      2. 30.8.2 PRU-ICSS eCAP Functional Description
      3. 30.8.3 PRUSS_ECAP Register Manual
        1. 30.8.3.1 PRUSS_ECAP Instance Summary
        2. 30.8.3.2 PRUSS_ECAP Registers
          1. 30.8.3.2.1 PRUSS_ECAP Register Summary
          2. 30.8.3.2.2 PRUSS_ECAP Register Description
    9. 30.9  PRU-ICSS MII RT Module
      1. 30.9.1 Introduction
        1. 30.9.1.1 Features
        2. 30.9.1.2 Unsupported Features
        3. 30.9.1.3 Block Diagram
      2. 30.9.2 Functional Description
        1. 30.9.2.1 Data Path Configuration
          1. 30.9.2.1.1 Auto-forward with Optional PRU Snoop
          2. 30.9.2.1.2 8- or 16-bit Processing with On-the-Fly Modifications
          3. 30.9.2.1.3 32-byte Double Buffer or Ping-Pong Processing
        2. 30.9.2.2 Definition and Terms
          1. 30.9.2.2.1 Data Frame Structure
          2. 30.9.2.2.2 PRU R30 and R31
          3. 30.9.2.2.3 RX and TX L1 FIFO Data Movement
          4. 30.9.2.2.4 CRC Computation
            1. 30.9.2.2.4.1 Receive CRC Computation
            2. 30.9.2.2.4.2 Transmit CRC Computation
        3. 30.9.2.3 RX MII Interface
          1. 30.9.2.3.1 RX MII Submodule Overview
            1. 30.9.2.3.1.1 Receive Data Latch
              1. 30.9.2.3.1.1.1 Start of Frame Detection
              2. 30.9.2.3.1.1.2 CRC Error Detection
              3. 30.9.2.3.1.1.3 RX Error Detection and Action
            2. 30.9.2.3.1.2 RX Data Path Options to PRU
              1. 30.9.2.3.1.2.1 RX MII Port → RX L1 FIFO → PRU
              2. 30.9.2.3.1.2.2 RX MII Port → RX L1 FIFO → RX L2 Buffer → PRU
        4. 30.9.2.4 TX MII Interface
          1. 30.9.2.4.1 TX Data Path Options to TX L1 FIFO
            1. 30.9.2.4.1.1 PRU → TX L1 FIFO → TX MII Port
            2. 30.9.2.4.1.2 RX L1 FIFO → TX L1 FIFO → TX MII Port
        5. 30.9.2.5 PRU R31 Command Interface
        6. 30.9.2.6 Other Configuration Options
          1. 30.9.2.6.1 Nibble and Byte Order
          2. 30.9.2.6.2 Preamble Source
          3. 30.9.2.6.3 PRU and MII Port Multiplexer
            1. 30.9.2.6.3.1 Receive Multiplexer
            2. 30.9.2.6.3.2 Transmit Multiplexer
          4. 30.9.2.6.4 RX L2 Scratch Pad
      3. 30.9.3 PRU-ICSS MII RT Module Register Manual
        1. 30.9.3.1 PRUSS_MII_RT Instance Summary
        2. 30.9.3.2 PRUSS_MII_RT Registers
          1. 30.9.3.2.1 PRUSS_MII_RT Register Summary
          2. 30.9.3.2.2 PRUSS_MII_RT Register Description
    10. 30.10 PRU-ICSS MII MDIO Module
      1. 30.10.1 PRU-ICSS MII MDIO Overview
      2. 30.10.2 PRU-ICSS MII MDIO Functional Description
        1. 30.10.2.1 MII MDIO Management Interface Frame Formats
        2. 30.10.2.2 PRU-ICSS MII MDIO Interractions
        3. 30.10.2.3 PRU-ICSS MII MDIO Interrupts
      3. 30.10.3 PRU-ICSS MII MDIO Receive/Transmit Frame Host Software Interface
      4. 30.10.4 PRU-ICSS MII MDIO Module Register Manual
        1. 30.10.4.1 PRUSS_MII_MDIO Instance Summary
        2. 30.10.4.2 PRUSS_MII_MDIO Registers
          1. 30.10.4.2.1 PRUSS_MII_MDIO Register Summary
          2. 30.10.4.2.2 PRUSS_MII_MDIO Register Description
    11. 30.11 PRU-ICSS Industrial Ethernet Peripheral (IEP)
      1. 30.11.1 PRU-ICSS IEP Overview
      2. 30.11.2 PRU-ICSS IEP Functional Description
        1. 30.11.2.1 PRU-ICSS IEP Clock Generation
        2. 30.11.2.2 PRU-ICSS Industrial Ethernet Timer
          1. 30.11.2.2.1 PRU-ICSS Industrial Ethernet Timer Features
          2. 30.11.2.2.2 Industrial Ethernet Mapping
          3. 30.11.2.2.3 PRU-ICSS Industrial Ethernet Timer Basic Programming Sequence
        3. 30.11.2.3 PRU-ICSS IEP Sync0/Sync1 Signals Generation
          1. 30.11.2.3.1 PRU-ICSS IEP Sync0/Sync1 Features
          2. 30.11.2.3.2 PRU-ICSS IEP Sync0/Sync1 Generation Modes
        4. 30.11.2.4 PRU-ICSS Industrial Ethernet WatchDog
          1. 30.11.2.4.1 Features
        5. 30.11.2.5 PRU-ICSS Industrial Ethernet Digital IOs
          1. 30.11.2.5.1 Features
          2. 30.11.2.5.2 4160
          3. 30.11.2.5.3 DIGIO Block Diagrams
          4. 30.11.2.5.4 Basic Programming Model
      3. 30.11.3 PRUSS_IEP Register Manual
        1. 30.11.3.1 PRUSS_IEP Instance Summary
        2. 30.11.3.2 PRUSS_IEP Registers
          1. 30.11.3.2.1 PRUSS_IEP Register Summary
          2. 30.11.3.2.2 PRUSS_IEP Register Description
  33. 31Viterbi-Decoder Coprocessor
  34. 32Audio Tracking Logic
  35. 33Initialization
    1. 33.1 Initialization Overview
      1. 33.1.1 Terminology
      2. 33.1.2 Initialization Process
    2. 33.2 Preinitialization
      1. 33.2.1 Power Requirements
      2. 33.2.2 Boot Device Conditions
      3. 33.2.3 Clock, Reset, and Control
        1. 33.2.3.1 Overview
        2. 33.2.3.2 Clocking Scheme
        3. 33.2.3.3 Reset Configuration
          1. 33.2.3.3.1 ON/OFF Interconnect and Power-On-Reset
          2. 33.2.3.3.2 Warm Reset
          3. 33.2.3.3.3 Peripheral Reset by GPIO
          4. 33.2.3.3.4 Warm Reset Impact on GPIOs
        4. 33.2.3.4 PMIC Control
        5. 33.2.3.5 PMIC Request Signals
      4. 33.2.4 Sysboot Configuration
        1. 33.2.4.1 GPMC Configuration for XIP/NAND
        2. 33.2.4.2 System Clock Speed Selection
        3. 33.2.4.3 QSPI Redundant SBL Images Offset
        4. 33.2.4.4 Booting Device Order Selection
        5. 33.2.4.5 4192
        6. 33.2.4.6 Boot Peripheral Pin Multiplexing
    3. 33.3 Device Initialization by ROM Code
      1. 33.3.1 Booting Overview
        1. 33.3.1.1 Booting Types
        2. 33.3.1.2 ROM Code Architecture
      2. 33.3.2 Memory Maps
        1. 33.3.2.1 ROM Memory Map
        2. 33.3.2.2 RAM Memory Map
      3. 33.3.3 Overall Booting Sequence
      4. 33.3.4 Startup and Configuration
        1. 33.3.4.1 Startup
        2. 33.3.4.2 Control Module Configuration
        3. 33.3.4.3 PRCM Module Mode Configuration
        4. 33.3.4.4 Clocking Configuration
        5. 33.3.4.5 Booting Device List Setup
      5. 33.3.5 Peripheral Booting
        1. 33.3.5.1 Description
        2. 33.3.5.2 Initialization Phase for UART Boot
        3. 33.3.5.3 Initialization Phase for USB Boot
          1. 33.3.5.3.1 Initialization Procedure
          2. 33.3.5.3.2 SATA Peripheral Device Flashing over USB Interface
          3. 33.3.5.3.3 USB Driver Descriptors
          4. 33.3.5.3.4 4215
          5. 33.3.5.3.5 USB Customized Vendor and Product IDs
          6. 33.3.5.3.6 USB Driver Functionality
      6. 33.3.6 Fast External Booting
        1. 33.3.6.1 Overview
        2. 33.3.6.2 Fast External Booting Procedure
      7. 33.3.7 Memory Booting
        1. 33.3.7.1 Overview
        2. 33.3.7.2 Non-XIP Memory
        3. 33.3.7.3 XIP Memory
          1. 33.3.7.3.1 GPMC Initialization
        4. 33.3.7.4 NAND
          1. 33.3.7.4.1 Initialization and NAND Detection
          2. 33.3.7.4.2 NAND Read Sector Procedure
        5. 33.3.7.5 SPI/QSPI Flash Devices
        6. 33.3.7.6 eMMC Memories and SD Cards
          1. 33.3.7.6.1 eMMC Memories
            1. 33.3.7.6.1.1 System Conditions and Limitations
            2. 33.3.7.6.1.2 eMMC Memory Connection
          2. 33.3.7.6.2 SD Cards
            1. 33.3.7.6.2.1 System Conditions and Limitations
            2. 33.3.7.6.2.2 SD Card Connection
            3. 33.3.7.6.2.3 Booting Procedure
            4. 33.3.7.6.2.4 eMMC Partitions Handling in Alternative Boot Operation Mode
              1. 33.3.7.6.2.4.1 eMMC Devices Preflashing
              2. 33.3.7.6.2.4.2 eMMC Device State After ROM Code Execution
              3. 33.3.7.6.2.4.3 Consideration on device Global Warm Reset
              4. 33.3.7.6.2.4.4 Booting Image Size
              5. 33.3.7.6.2.4.5 Booting Image Layout
          3. 33.3.7.6.3 Initialization and Detection
          4. 33.3.7.6.4 Read Sector Procedure
          5. 33.3.7.6.5 File System Handling
            1. 33.3.7.6.5.1 MBR and FAT File System
        7. 33.3.7.7 SATA Device Boot Operation
          1. 33.3.7.7.1 SATA Booting Overview
          2. 33.3.7.7.2 SATA Power-Up Initialization Sequence
          3. 33.3.7.7.3 System Conditions and Limitations for SATA Boot
          4. 33.3.7.7.4 SATA Read Sector Procedure in FAT Mode
      8. 33.3.8 Image Format
        1. 33.3.8.1 Overview
        2. 33.3.8.2 Configuration Header
          1. 33.3.8.2.1 CHSETTINGS Item
          2. 33.3.8.2.2 CHFLASH Item
          3. 33.3.8.2.3 CHMMCSD Item
          4. 33.3.8.2.4 CHQSPI Item
        3. 33.3.8.3 GP Header
        4. 33.3.8.4 Image Execution
      9. 33.3.9 Tracing
    4. 33.4 Services for HLOS Support
      1. 33.4.1 Hypervisor
      2. 33.4.2 Caches Maintenance
      3. 33.4.3 CP15 Registers
      4. 33.4.4 Wakeup Generator
      5. 33.4.5 Arm Timer
      6. 33.4.6 MReq Domain
  36. 34On-Chip Debug Support
    1. 34.1  Introduction
      1. 34.1.1 Key Features
    2. 34.2  Debug Interfaces
      1. 34.2.1 IEEE1149.1
      2. 34.2.2 Debug (Trace) Port
      3. 34.2.3 Trace Connector and Board Layout Considerations
    3. 34.3  Debugger Connection
      1. 34.3.1 ICEPick Module
      2. 34.3.2 ICEPick Boot Modes
        1. 34.3.2.1 Default Boot Mode
        2. 34.3.2.2 Wait-In-Reset
      3. 34.3.3 Dynamic TAP Insertion
        1. 34.3.3.1 ICEPick Secondary TAPs
    4. 34.4  Primary Debug Support
      1. 34.4.1 Processor Native Debug Support
        1. 34.4.1.1 Cortex-A15 Processor
        2. 34.4.1.2 Cortex-M4 Processor
        3. 34.4.1.3 DSP C66x
        4. 34.4.1.4 IVA Arm968
        5. 34.4.1.5 PRU
      2. 34.4.2 Cross-Triggering
        1. 34.4.2.1 SoC-Level Cross-Triggering
        2. 34.4.2.2 Cross-Triggering With External Device
      3. 34.4.3 Suspend
        1. 34.4.3.1 Debug Aware Peripherals and Host Processors
    5. 34.5  Real-Time Debug
      1. 34.5.1 Real-Time Debug Events
        1. 34.5.1.1 Emulation Interrupts
    6. 34.6  Power, Reset, and Clock Management Debug Support
      1. 34.6.1 Power and Clock Management
        1. 34.6.1.1 Power and Clock Control Override From Debugger
          1. 34.6.1.1.1 Debugger Directives
            1. 34.6.1.1.1.1 FORCEACTIVE Debugger Directive
            2. 34.6.1.1.1.2 INHIBITSLEEP Debugger Directive
          2. 34.6.1.1.2 Intrusive Debug Model
        2. 34.6.1.2 Debug Across Power Transition
          1. 34.6.1.2.1 Nonintrusive Debug Model
          2. 34.6.1.2.2 Debug Context Save and Restore
            1. 34.6.1.2.2.1 Debug Context Save
            2. 34.6.1.2.2.2 Debug Context Restore
      2. 34.6.2 Reset Management
        1. 34.6.2.1 Debugger Directives
          1. 34.6.2.1.1 Assert Reset
          2. 34.6.2.1.2 Block Reset
          3. 34.6.2.1.3 Wait-In-Reset
    7. 34.7  Performance Monitoring
      1. 34.7.1 MPU Subsystem Performance Monitoring
        1. 34.7.1.1 Performance Monitoring Unit
        2. 34.7.1.2 L2 Cache Controller
      2. 34.7.2 IPU Subsystem Performance Monitoring
        1. 34.7.2.1 Subsystem Counter Timer Module
        2. 34.7.2.2 Cache Events
      3. 34.7.3 DSP Subsystem Performance Monitoring
        1. 34.7.3.1 Advanced Event Triggering
    8. 34.8  MPU Memory Adaptor (MPU_MA) Watchpoint
    9. 34.9  Processor Trace
      1. 34.9.1 Cortex-A15 Processor Trace
      2. 34.9.2 DSP Processor Trace
      3. 34.9.3 Trace Export
        1. 34.9.3.1 Trace Exported to External Trace Receiver
        2. 34.9.3.2 Trace Captured Into On-Chip Trace Buffer
        3. 34.9.3.3 Trace Exported Through USB
    10. 34.10 System Instrumentation
      1. 34.10.1 MIPI STM (CT_STM)
      2. 34.10.2 System Trace Export
        1. 34.10.2.1 CT_STM ATB Export
        2. 34.10.2.2 Trace Streams Interleaving
      3. 34.10.3 Software Instrumentation
        1. 34.10.3.1 MPU Software Instrumentation
        2. 34.10.3.2 SoC Software Instrumentation
      4. 34.10.4 OCP Watchpoint
        1. 34.10.4.1 OCP Target Traffic Monitoring
        2. 34.10.4.2 Messages Triggered from System Events
        3. 34.10.4.3 DMA Transfer Profiling
      5. 34.10.5 IVA Pipeline
      6. 34.10.6 L3 NOC Statistics Collector
        1. 34.10.6.1 L3 Target Load Monitoring
        2. 34.10.6.2 L3 Master Latency Monitoring
          1. 34.10.6.2.1  SC_LAT0 Configuration
          2. 34.10.6.2.2  SC_LAT1 Configuration
          3. 34.10.6.2.3  SC_LAT2 Configuration
          4. 34.10.6.2.4  SC_LAT3 Configuration
          5. 34.10.6.2.5  SC_LAT4 Configuration
          6. 34.10.6.2.6  SC_LAT5 Configuration
          7. 34.10.6.2.7  SC_LAT6 Configuration
          8. 34.10.6.2.8  SC_LAT7 Configuration
          9. 34.10.6.2.9  SC_LAT8 Configuration
          10. 34.10.6.2.10 Statistics Collector Alarm Mode
          11. 34.10.6.2.11 Statistics Collector Suspend Mode
      7. 34.10.7 PM Instrumentation
      8. 34.10.8 CM Instrumentation
      9. 34.10.9 Master-ID Encoding
        1. 34.10.9.1 Software Masters
        2. 34.10.9.2 Hardware Masters
    11. 34.11 Concurrent Debug Modes
    12. 34.12 DRM Register Manual
      1. 34.12.1 DRM Instance Summary
      2. 34.12.2 DRM Registers
        1. 34.12.2.1 DRM Register Summary
        2. 34.12.2.2 DRM Register Description
  37. 35Glossary
  38. 36Revision History

PRU-ICSS PRU Cores

This section describes the functionality of the two Programmable Real-time Unit (PRU) processors (PRU0 and PRU1) integrated in each of the device PRUSS.

30.5.1 PRU Cores Overview

The PRU is a processor optimized for performing embedded tasks that require manipulation of packed memory mapped data structures, handling of system events that have tight real-time constraints and interfacing with systems external to the SoC. The PRU is both very small and very efficient at handling such tasks.

The major attributes of the PRU are in Table 30-40.

Table 30-40 PRU Features
AttributeValue
IO ArchitectureLoad/Store
Data Flow ArchitectureRegister to Register
Core Level Bus Architecture
Type4-Bus Harvard (1 Instruction, 3 Data)
Instruction I/F32-Bit
Memory I/F 032-Bit
Memory I/F 132-Bit
Execution Model
Issue TypeScalar
PipeliningNone (Purposefully)
OrderingIn Order
ALU TypeUnsigned Integer
Registers
General Purpose (GP)30 (R1 – R30)
External Status1 (R31)
GP/Indexing1 (R0)
Addressability in InstructionBit, Byte (8-bit), Half-word (16-bit), Word (32-bit), Pointer
Addressing Modes
Load Immediate16-bit Immediate
Load/Store – MemoryRegister Base + Register Offset
Register Base + 8-bit Immediate Offset
Register Base with auto increment/decrement
Constant Table Base + Register Offset
Constant Table Base + 8-bit Immediate Offset
Constant Table Base with auto increment/decrement
Data Path Width32-bit
Instruction Width32-bit
Accessibility to Internal PRU StructuresProvides 32-bit slave with three regions:
  • Instruction RAM
  • Control/Status registers
  • Debug access to internal registers (R0-R31) and constant table

The processor is based on a four-bus architecture which allows instructions to be fetched and executed concurrently with data transfers. In addition, an input is provided in order to allow external status information to be reflected in the internal processor status register. Figure 30-7 shows a block diagram of the processing element and the associated instruction RAM/ROM that contains the code that is to be executed.

AM571x PRU Block DiagramFigure 30-7 PRU Block Diagram

30.5.2 PRU Cores Functional Description

This section describes the PRU cores supported functionality by describing the constant table, module interface and enhanced GPIOs.

30.5.3 PRUs Constant Table

The PRU Constants Table is a structure of hard-coded memory addresses for commonly used peripherals and memories. The constants table exists to more efficiently load/store data to these commonly accessed addresses by:

  • Reduce a PRU instruction by not needing to pre-load an address into the internal register file before loading/storing data to memory address.
  • Maximizing the usage of the PRU register file for embedded processing applications by moving many of the commonly used constant or deterministically calculated base addresses from the internal register file to an external table.

Table 30-41 PRU0/1 Constant Table
Entry No.Region Pointed ToValue [31:0]
0PRU-ICSS INTC (local)0x0002_0000
1Reserved0x4804_0000
2Reserved0x4802_A000
3PRU-ICSS eCAP (local)0x0003_0000
4PRU-ICSS CFG (local)0x0002_6000
5I2C30x4806_0000
6Reserved0x4803_0000
7PRU-ICSS UART0 (local)0x0002_8000
8MCASP3_DAT0x4600_0000
9Reserved0x4A10_0000
10Reserved0x4831_8000
11Reserved0x4802_2000
12Reserved0x4802_4000
13Reserved0x4831_0000
14Reserved0x481C_C000
15Reserved0x481D_0000
16Reserved0x481A_0000
17Reserved0x4819_C000
18Reserved0x4830_0000
19Reserved0x4830_2000
20Reserved0x4830_4000
21PRU-ICSS MDIO (local)0x0003_2400
22Reserved0x480C_8000
23Reserved0x480C_A000
24PRU-ICSS PRU0/1 Data RAM (local)0x0000_0n00, n = c24_blk_index[3:0]
25PRU-ICSS PRU1/0 Data RAM (local)0x0000_2n00, n = c25_blk_index[3:0]
26PRU-ICSS IEP (local)0x0002_En00, n = c26_blk_index[3:0]
27PRU-ICSS MII_RT (local)0x0003_2n00, n = c27_blk_index[3:0]
28PRU-ICSS Shared RAM (local)0x00nn_nn00, nnnn = c28_pointer[15:0]
29OCMC_RAM2_CBUF0x49nn_nn00, nnnn = c29_pointer[15:0]
30OCMC_RAM0x40nn_nn00, nnnn = c30_pointer[15:0]
31EMIF1_SDRAM_CS00x80nn_nn00, nnnn = c31_pointer[15:0]
Note:

PRU-ICSS2 UART and eCAP are not supported on the AM570x family of devices.

PRU-ICSS2 IEP I/Os are not pinned out on AM570x. However, some internal features (such as the IEP timer) are still supported.

Note:

The addresses in constants entries 24–31 are partially programmable. Their programmable bit field (for example, c24_blk_index[3:0]) is programmable through the PRU CTRL register space. As a general rule, the PRU should configure this field before using the partially programmable constant entries.

30.5.4 PRU Module Interface

The PRU module interface consists of the PRU internal registers 30 and 31 (R30 and R31). Figure 30-8 shows the PRU module interface and the functionality of R30 and R31. The register R31 serves as an interface with the dedicated PRU general purpose input (GPI) pins and PRUSS_INTC. Reading R31 returns status information from the GPI pins and PRUSS_INTC via the PRU Real Time Status Interface. Writing to R31generates PRU system events via the PRU Event Interface. The register R30 serves as an interface with the dedicated PRU general purpose output (GPO) pins.

Note:

The below sections cover different functional modes of the PRUn cores, (where n=0,1), enhanced GPIO (EGPIO) interface. The register bits which control EGPIO functionalities are part of the (PRUSS1_CFG and PRUSS2_CFG) space. For descriptions of these EGPIO register bitfield controls, refer to the Section 30.4.3.

AM571x PRU Module InterfaceFigure 30-8 PRU Module Interface

30.5.5 Real-Time Status Interface Mapping (R31): Interrupt Events Input

The PRU Real Time Status Interface directly feeds information into register 31 (R31) of the PRU’s internal register file. The firmware on the PRU uses the status information to make decisions during execution. The status interface is comprised of signals from different modules inside of the PRU-ICSS which require some level of interaction with the PRU. More details on the Host interrupts imported into bit 30 and 31 of register R31 of both the PRUs is provided in the Section 30.6, PRU-ICSS Local Interrupt Controller.

Table 30-42 Real-Time Status Interface Mapping (R31) Field Descriptions
BitFieldDescription
31pru_intr_in[1]PRU Host Interrupt 1 from local PRUSS_INTC
30pru_intr_in[0]PRU Host Interrupt 0 from local PRUSS_INTC
29:0prun_r31_status[29:0]Status inputs from primary input via Enhanced GPI port

30.5.6 Event Interface Mapping (R31): PRU System Events

This PRU Event Interface directly feeds pulsed event information out of the PRU’s internal ALU. These events are exported out of the PRU-ICSS and need to be connected to the system interrupt controller at the SoC level. The event interface can be used by the firmware to create software interrupts from the PRU to the Host processor.

AM571x Event Interface Mapping (R31)Figure 30-9 Event Interface Mapping (R31)
Table 30-43 Event Interface Mapping (R31) Field Descriptions
BitFieldDescription
31:6Reserved
5prun_r31_vec_validValid strobe for vector output
4Reserved
3:0prun_r31_vec[3:0]Vector output

Simultaneously writing a ‘1’ to prun_r31_vec_valid (R31 bit 5) and a channel number from 0 to 15 to prun_r31_vec[3:0] (R31 bits 3:0) creates a pulse on the output of the corresponding prk_pru_mst_intr[x]_intr_req INTC system event. For example, writing ‘100000’ will generate a pulse on prk_pru_mst_intr[0]_intr_req, writing ‘100001’ will generate a pulse on prk_pru_mst_intr[1]_intr_req, and so on to where writing ‘101111’ will generate a pulse on prk_pru_mst_intr[15]_intr_req and writing ‘0xxxxx’ will not generate any system event pulses. The output values from both PRU cores in a subsystem are ORed together.

The output channels 0-15 are connected to the PRUSS_INTC system events 16-31, respectively. This allows the PRU to assert one of the system events 16-31 by writing to its own R31 register. The system event is used to either post a completion event to one of the host CPUs (ARMSS) or to signal the other PRU. The host to be signaled is determined by the system interrupt to interrupt channel mapping (programmable). The 16 events are named as prk_pru_mst_intr<15:0>_intr_req. See the Section 30.6.4, PRU-ICSS Interrupt Requests Mapping , in the section, PRU-ICSS Local Interrupt Controller, for more details.

30.5.7 General-Purpose Inputs (R31): Enhanced PRU GP Module

The PRU-ICSS implements an enhanced General Purpose Input/Output (GPIO) module with SCU that supports the following general-purpose input modes: direct input, 16-bit parallel capture, 28-bit serial shift in. Register R31 serves as an interface with the general-purpose inputs. Table 30-44 describes the input modes in detail.

Note:

Each PRU core can only be configured for one GPI mode at a time. Each mode uses the same R31 signals and internal register bits for different purposes. A summary is found in Table 30-45.

Note:

The PRUSS_GPCFG0/1 register, bit PR1_PRUn_GP_MUX_SEL in the PRU-ICSS CFG register space needs to be set to 0x0 for GP mode. For a given PRU core, the following IO modes are mutually exclusive: GP mode, Sigma Delta mode, and 3 channel Peripheral I/F mode.

Table 30-44 PRU R31 (GPI) Modes
ModeFunctionConfiguration
Direct inputGPI[20:0] feeds directly into the PRU R31Default state
16-bit parallel captureDATAIN[0:15] is captured by the posedge or negedge of CLOCKIN

  • Enabled by CFG_GPCFGn register
  • CLOCKIN edge selected by CFG_GPCFGn register

28-bit shift in

DATAIN is sampled and shifted into a 28-bit shift register. Shift Counter (Cnt_16) feature uses …

  • Shift Counter (Cnt_16) feature is mapped to pru<n>_r31_status[28].
  • SB (Start Bit detection) feature is mapped to pru<n>_r31_status[29].

  • Enabled by CFG_GPCFGn register
  • Cnt_16 is self clearing and is connected to the PRU INTC
  • Start Bit (SB) is cleared by CFG_GPCFGn register

Table 30-45 PRU GPI Signals and Configurations
Pad Names at Device Level(1)GPI Modes
Direct inputParallel Capture28-Bit Shift in
pr<k>_pru<n>_gpi0GPI0DATAIN0DATAIN
pr<k>_pru<n>_gpi1GPI1DATAIN1
pr<k>_pru<n>_gpi2GPI2DATAIN2
pr<k>_pru<n>_gpi3GPI3DATAIN3
pr<k>_pru<n>_gpi4GPI4DATAIN4
pr<k>_pru<n>_gpi5GPI5DATAIN5
pr<k>_pru<n>_gpi6GPI6DATAIN6
pr<k>_pru<n>_gpi7GPI7DATAIN7
pr<k>_pru<n>_gpi8GPI8DATAIN8
pr<k>_pru<n>_gpi9GPI9DATAIN9
pr<k>_pru<n>_gpi10GPI10DATAIN10
pr<k>_pru<n>_gpi11GPI11DATAIN11
pr<k>_pru<n>_gpi12GPI12DATAIN12
pr<k>_pru<n>_gpi13GPI13DATAIN13
pr<k>_pru<n>_gpi14GPI14DATAIN14
pr<k>_pru<n>_gpi15GPI15DATAIN15
pr<k>_pru<n>_gpi16GPI16CLOCKIN
pr<k>_pru<n>_gpi17GPI17
pr<k>_pru<n>_gpi18GPI18
pr<k>_pru<n>_gpi19GPI19
pr<k>_pru<n>_gpi20GPI20
These pins also being used for Sigma Delta or Peripheral I/F mode.
Note:

See Section 30.2 for pin limitations on the AM570x family of devices.

30.5.8 PRU EGPIs Direct Input

The prun_r31_status [0:20] bits of the internal PRU register file are mapped to device-level, general purpose input pins (PRUn_GPI [0:20]). In GPI Direct Input mode, PRUn_GPI [0:20] feeds directly to prun_r31_status [0:20]. Each PRU of the PRU-ICSS has a separate mapping to device input signals - pr1_pru0_gpi[20:0] / pr2_pru0_gpi[20:0] for the PRUSS1/ PRUSS2 PRU0 core and pr1_pru1_gpi[20:0] / pr2_pru1_gpi[20:0] for the PRUSS1 / PRUSS2 PRU1 core so that there are 42 total general purpose inputs to the PRUSS1 / PRUSS2. For more details, refer also to the Section 30.2. See the device's system reference guide or datasheet for device specific pin mapping.

AM571x PRU R31 (EGPI) Direct Input Mode Block DiagramFigure 30-10 PRU R31 (EGPI) Direct Input Mode Block Diagram

30.5.9 PRU EGPIs 16-Bit Parallel Capture

The prun_r31_status [0:15] and prun_r31_status [16] bits of the internal PRU register file mapped to device-level, general purpose input pins (PRUn_DATAIN [0:15] and PRUn_CLOCKIN, respectively). PRUn_CLOCKIN is designated for an external strobe clock, and is used to capture PRUn_DATAIN [0:15].

The PRUn_DATAIN can be captured either by the positive or the negative edge of PRUn_CLOCK, programmable through the PRU-ICSS CFG register space. If the clocking is configured through the PRUICSS CFG register to be positive, then it will equal PRU<n>_CLOCK; however, if the clocking is configured to be negative, then it will equal PRU<n>_CLOCK inverted.

AM571x PRU R31 (EGPI) 16-Bit Parallel Capture Mode Block DiagramFigure 30-11 PRU R31 (EGPI) 16-Bit Parallel Capture Mode Block Diagram

30.5.10 PRU EGPIs 28-Bit Shift In

In 28-bit shift in mode, the device-level, general-purpose input pin PRUn_DATAIN is sampled and shifted into a 28-bit shift register on an internal clock pulse. The register fills in LSB order (from bit 0 to 27) and then overflows into a bit bucket. The 28-bit register is mapped to prun_r31_status [0:27] and can be cleared in software through the PRU-ICSS CFG register space.

Note, the PRU will continually capture and shift the DATAIN input when the GPI mode has been set to 28- bit shift in.

The shift rate is controlled by the effective divisor of two cascaded dividers applied to the 200-MHz clock. These cascaded dividers can each be configured through the PRU-ICSS CFG register space to a value of {1, 1.5, …, 16}. Table 30-46 shows sample effective clock values and the divisor values that can be used to generate these clocks.

Table 30-46 PRU EGPIs Effective Clock Values
Generated clockPRUn_GPI_DIV0PRUn_GPI_DIV1
8-MHz12.5 (0x17)2 (0x02)
10-MHz10 (0x12)2 (0x02)
16-MHz16 (0x1e)1 (0x00)
20-MHz10 (0x12)1 (0x00)

The 28-bit shift mode also supports the following features:

  • SB (Start Bit detection) is mapped to prun_r31_status[29] and is set when the first 1 is captured on PRUn_DATAIN. The SB flag in pru<n>_r31_status[29] is cleared in software through the PRU-ICSS CFG register space.
  • Cnt_16 (Shift Counter) is mapped to pru<n>_r31_status[28] and is set on every 16 shift clock samples after the Start Bit has been received. CNT_16 is self clearing and is connected to the PRUSS_INTC. See the PRU-ICSS Interrupt Controller (PRUSS_INTC) section for more details.
AM571x PRU R31 (EGPI) 28-Bit Shift ModeFigure 30-12 PRU R31 (EGPI) 28-Bit Shift Mode

30.5.11 General-Purpose Outputs (R30): Enhanced PRU GP Module

The PRU-ICSS implements an enhanced General Purpose Input/Output (GPIO) module that supports two general-purpose output modes: direct output and shift out.

Table 30-47 describes these modes in detail.

Note:

Each PRU core can only be configured for one GPO mode at a time. Each mode uses the same R30 signals and internal register bits for different purposes. A summary is found in Table 30-47.

Note:

The PRUSS_GPCFG0/1 register, bit PR1_PRU0_GP_MUX_SEL in the PRU-ICSS CFG register space needs to be set to 0x0 for GP mode. For a given PRU core, the following IO modes are mutually exclusive: GP mode, Sigma Delta mode, and 3 channel Peripheral I/F mode.

Table 30-47 PRU R30 (EGPO) Output Mode
ModeFunctionConfiguration
Direct outputpru<n>_r30[20:0] feeds directly to GPO[20:0] Default state
Shift out
  • pru<n>_r30[0] is shifted out on DATAOUT on every rising edge of pru<n>_r30[1] (CLOCKOUT).
  • LOAD_GPO_SH0 (Load Shadow Register 0) is mapped to pru<n>_r30[29].
  • LOAD_GPO_SH1 (Load Shadow Register 1) is mapped to pru<n>_r30[30].
  • ENABLE_SHIFT is mapped to pru<n>_r30[31].
Enabled by CFG_GPCFGn register
Table 30-48 GPO Mode Descriptions
Pad Names at Device Level(1)GPO Modes
Direct outputShift out
pr<k>_pru<n>_gpo0GPO0DATAOUT
pr<k>_pru<n>_gpo1GPO1CLOCKOUT
pr<k>_pru<n>_gpo2GPO2
pr<k>_pru<n>_gpo3GPO3
pr<k>_pru<n>_gpo4GPO4
pr<k>_pru<n>_gpo5GPO5
pr<k>_pru<n>_gpo6GPO6
pr<k>_pru<n>_gpo7GPO7
pr<k>_pru<n>_gpo8GPO8
pr<k>_pru<n>_gpo9GPO9
pr<k>_pru<n>_gpo10GPO10
pr<k>_pru<n>_gpo11GPO11
pr<k>_pru<n>_gpo12GPO12
pr<k>_pru<n>_gpo13GPO13
pr<k>_pru<n>_gpo14GPO14
pr<k>_pru<n>_gpo15GPO15
pr<k>_pru<n>_gpo16GPO16
pr<k>_pru<n>_gpo17GPO17
pr<k>_pru<n>_gpo18GPO18
pr<k>_pru<n>_gpo19GPO19
pr<k>_pru<n>_gpo20GPO20
These pins also being used for Sigma Delta or Peripheral I/F mode.
Note:

See Section 30.2 for pin limitations on the AM570x family of devices.

30.5.12 PRU EGPOs Direct Output

The prun_r30 [20:0] bits of the internal PRU register files are mapped to device-level, general-purpose output pins (PRUn_GPO[0:20]). In GPO Direct Output mode, prun_r30[0:20] feed directly to PRUn_GPO[0:20]. Each PRU of the PRU-ICSS has a separate mapping to pins, so that there are 42 total general-purpose outputs from the PRU-ICSS. See Section 30.2, PRU-ICSS Environment, and device Data Manual for device-specific pin mapping.

AM571x PRU R30 (EGPO) Direct Output Mode Block DiagramFigure 30-13 PRU R30 (EGPO) Direct Output Mode Block Diagram
Note:

R30 is not initialized after reset. To avoid unintended output signals, R30 should be initialized before pinmux configuration of PRU signals.

30.5.13 PRU EGPO Shift Out

In shift out mode, data is shifted out of prun_r30[0] (PRUn_DATAOUT) on every rising edge of prun_r30[1] (PRUn_CLOCK). The shift rate is controlled by the effective divisor of two cascaded dividers applied to the 200-MHz clock. These cascaded dividers can each be configured through the PRU-ICSS CFG register space to a value of {1, 1.5, …, 16}. Table 30-49 shows sample effective clock values and the divisor values that can be used to generate these clocks. Note that PRUn_CLOCKOUT is a free-running clock that starts when the PRU GPO mode is set to shift out mode.

Table 30-49 Effective Clock Values
Generated ClockPRUn_GPO_DIV0PRUn_GPO_DIV1
8 MHz12.5 (0x17)2 (0x02)
10 MHz10 (0x12)2 (0x02)
16 MHz16 (0x1e)1 (0x00)
20 MHz10 (0x12)1 (0x00)

Shift out mode uses two 16-bit shadow registers (gpo_sh0 and gpo_sh1) to support ping-pong buffers. Each shadow register has independent load controls programmable through prun_r30[29:30] (PRUn_LOAD_GPO_SH [0:1]). While PRUn_LOAD_GPO_SH [0/1] is set, the contents of prun_r30[0:15] are loaded into gpo_sh0/1.

Note:

If any device-level pins mapped to prun_r30[2:15] are configured for the prun_r30 [2:15] pinmux mode, then these pins will reflect the shadow register value written to prun_r30. Any pin configured for a different pinmux setting will not reflect the shadow register value written to prun_r30.

The data shift will start from the LSB of gpo_sh0 when prun_r30[31] (PRUn_ENABLE_SHIFT) is set. Note that if no new data is loaded into gpo_shnn after shift operation, the shift operation will continue looping and shifting out the pre-loaded data. When PRUn_ENABLE_SHIFT is cleared, the shift operation will finish shifting out the current shadow register, stop, and then reset.

AM571x PRU R30 (GPO) Shift Out Mode Block DiagramFigure 30-14 PRU R30 (GPO) Shift Out Mode Block Diagram

Follow these steps to use the GPO shift out mode:

Step One: Initialization

  1. 1. Load 16-bits of data into gpo_sh0:
    1. (a) Set R30[29] = 1 (PRUn_LOAD_GPO_SH0)
    2. (b) Load data in R30[15:0]
    3. (c) Clear R30[29] to turn off load controller
  2. 2. Load 16-bits of data into gpo_sh1:
    1. (a) Set R30[30] = 1 (PRUn_LOAD_GPO_SH1)
    2. (b) Load data in R30[15:0]
    3. (c) Clear R30[30] to turn off load controller
  3. 3. Start shift operation:
    1. (a) Set R30[31] = 1 (PRUn_ENABLE_SHIFT)

Step 2: Shift Loop

  1. 1. Monitor when a shadow register has finished shifting out data and can be loaded with new data:
    1. (a) Poll PRUn_GPI_SH_SEL bit of the PRUSS_GPCFG0/1 register
    2. (b) Load new 16-bits of data into gpo_sh0 if PRUn_GPI_SH_SEL = 1
    3. (c) Load new 16-bits of data into gpo_sh1 if PRUn_GPI_SH_SEL = 0
  2. 2. If more data to be shifted out, loop to Shift Loop
  3. 3. If no more data, exit loop

Step 3: Exit

  1. 1. End shift operation:
    1. (a) Clear R30[31] to turn off shift operation

Note:

Until the shift operation is disabled, the shift loop will continue looping and shifting out the pre-loaded data if no new data has been loaded into gpo_shn.

30.5.14 EnDat Overview

The EnDat module supports functionality for operations utilizing the EnDat 2.2 protocol. All equipment using EnDat 2.2 is compatible with the EnDat 2.1 protocol as well.

EnDat module supports the following features:

  • 3 channels
  • EnDat baud range from 100 kHz to 16 MHz
  • 192-MHz or 200-MHz master clock is an input to two independent dividers (div16fr) to produce the Tx clock and oversample clock. This enables 16.0-, 12.0-, 8.0-, 6.0-, 4.0-, 2.0- and 1.0-MHz with oversample clock of 8x except for 16-MHz which has 6x
  • Configurable shift size/oversampling on RX
  • Optional RX frame size shut off
  • Programmable hardware wire delay on TX (when to drive 1st clock LOW)
  • Programmable hardware test delay on TX (when to drive 1st clock HIGH)
  • TX FIFO size of 32 bits
  • RX FIFO size of 4 bytes
  • Optional programmable end-of-TX based on bit output count from 8 to 32, steps of 1
  • TX channel-go (per channel) or global-go (all channels) to trigger TX start
  • Flexible hardware assist CLK_OUT generation to allow free-running, stop-high and stop-low operations (after last Rx data), or stop-high after last Tx data.
  • Software Direct snoop of Data Input and optional software override of CLK_OUT state.

Not supported features:

  • No TX and RX concurrency supported

Assumptions for PRU software:

  • PRU software must handle the wire delay compensation for tri-state (turn around) phase
  • PRU software must detect propagation delay by doing EnDat sequencing: expected start bit arrival time vs. actual arrival

AM571x EnDat Block DiagramFigure 30-15 EnDat Block Diagram

30.5.15 EnDat I/O Signals

Table 30-50 EnDat I/O
EnDat SignalI/ODescriptionReset(1)
pr2_pru1_endat0_clkOEnDat clock to differential clock driver 01
pr2_pru1_endat0_outOEnDat data to differential data driver 00
pr2_pru1_endat0_out_enOEnDat data enable to differential data driver 00
pr2_pru1_endat0_inIEnDat data from differential data receiver 0HiZ
pr2_pru1_endat1_clkOEnDat clock to differential clock driver 11
pr2_pru1_endat1_outOEnDat data to differential data driver 10
pr2_pru1_endat1_out_enOEnDat data enable to differential data driver 10
pr2_pru1_endat1_inIEnDat data from differential data receiver 1HiZ
pr2_pru1_endat2_clkOEnDat clock to differential clock driver 21
pr2_pru1_endat2_outOEnDat data to differential data driver 20
pr2_pru1_endat2_out_enOEnDat data enable to differential data driver 20
pr2_pru1_endat2_inIEnDat data from differential data receiver 2HiZ
The states will not propagate until the path is configured in wrapper mux.

30.5.16 Signals To PRU Port Mapping

Table 30-51 EnDat Module RX Signals To PRU Port Mapping
EnDat Module SignalI/ODescriptionMapping
rx_en0IRX enable, CH0
0: channel not enabled, all counters/flags will get reset
1: channel is enabled
r30[24]
clr_ovf0IClear Overflow flag, write 1 to clear , CH0r31[27]
clr_val0IClear Valid flag, write 1 to clear , CH0r31[24]
ovf0OOverflow flag, CH0r31[27]
val0OValid flag, CH0r31[24]
rx_data_out0OOversampled data out , CH0
Note this is shared with TX, when TX_FIFO has stopped transmission, it will select the RX data
r31[7:0]
rx_en1IRX enable , CH1
0: channel not enabled, all counters/flags will get reset
1: channel is enabled
r30[25]
clr_ovf1IClear Overflow flag, write 1 to clear , CH1r31[28]
clr_val1IClear Valid flag, write 1 to clear , CH1r31[25]
ovf1OOverflow flag, CH1r31[28]
val1OValid flag, CH1r31[25]
rx_data_out1OOversampled data out , CH1
Note this is shared with TX, when TX_FIFO has stopped transmission, it will select the RX data
r31[15:8]
rx_en2IRX enable , CH2
0: channel not enabled, all counters/flags will get reset
1: channel is enabled
r30[26]
clr_ovf2IClear Overflow flag, write 1 to clear , CH2r31[24]
clr_val2IClear Valid flag, write 1 to clear , CH2r31[26]
ovf2OOverflow flag, CH2r31[29]
val2OValid flag, CH2r31[26]
rx_data_out2OOversampled data out , CH2
Note this is shared with TX, when TX_FIFO has stopped transmission, it will select the RX data
r31[23:16]
Table 30-52 EnDat Module TX Signals To PRU Port Mapping
EnDat Module SignalI/ODescriptionMapping
tx_ch_sel group, that is, tx_ch_sel[1:0] defines which channel is effected
tx_data[7:0]ITX data for FIFO
Notes: FIFO transmits MSB first FIFO is 32-bits deep. TX_FIFO_SWAP_BITS bit in CFG can be used to flip the load order of bits
The FIFO has two modes of operation: Preload-and-Go, this should be done for EnDAT and Frames less than 32-bits. Or continuous mode,when frame is bigger than 32-bits. In continuous mode, software needs to keep up with the line rate, it is also required in this mode not to allow the FIFO to go near empty. When the FIFO is at 2 byte level, software needs to load the next 2 bytes. If software waits till the end of the empty state it is possible to get the TX into a bad state. The FIFO can get recovered via re-init.
r30[7:0]
tx_ch_sel[1:0]ITX channel select
0x0: CH0
0x1: CH1
0x2: CH2
0x3: reserved
r30[17:16]
tx_channel_goITX start the channel transmit (pointed by tx_ch_sel[1:0])
Note: FIFO must not be empty
r31[18]
tx_global_goITx global start of all channels
Note: FIFO must not be empty
r31[20]
tx_global_reinitIReinit all channels into default mode This clears all flags and state machines for all channels
Note: Sequence should be tx_global_reinit then de-assert rx_en. This will insure TX and RX are in reset/default state. User must assert this after the frame has been sent and TX is not busy
r31[19]
clk_mode[1:0]ICLK_OUT mode
0x0: free-running/stop-low. Clock will remain free-running until the receive module has received the number of bits indicated in rx_frame_counter and then the clock will stop low
0x1: free-running/stop-high. Clock will remain free running until the receive module has received the number of bits indicated in rx_frame_counter and then the clock will stop high. Note this is the default/reset state, it will go into this state upon hardware reset or reinit. Note the initial state of the clock will be high, it will not start until tx-go event
0x2: free_run. In all states/modes, CLK_OUT will continue to run.
NOTE: A reinit to get out of this clock mode is done before an update of clk_mode to a different mode. Also if multiple tx-go are done, the 2nd go should have tst_delay and wire_delay zero since the clock is free running after the first go.
0x3: stop high after transmit. Clock will run until the last TX bit is sent and stops high.
r30[20:19]
rx_en = 0 mapping
ovr0OOver Run flagr31[0]
unr0OUnder Run flag
This flag is only set when the tx_frame_count is non-zero and FIFO is empty at the time to send data
r31[1]
tx_fifo_status0[2:0]OTX FIFO occupancy status
0x0: Empty
0x1: 1 word
0x2: 2 words
0x3: 3 words
0x4: Full
0x5-0x7: Reserved
r31[4:2]
tx_global_reinit_actve/busy0OTx_global_reinit action has some latency do to clocking. This status determine if action is completed
1: active
0: done
For non reinit case, this bit states that last bit is on tx wire, it does not mean the clock is off
1: last bit is not done
0: last bit on tx wire
Note that by using rx auto arm feature the observation is lost at rx enable. This can be used to determine when to enable rx during non-auto arm case.
r31[5]
ovr1OOver Run flagr31[8]
unr1OUnder Run flag
This flag is only set when the tx_frame_count is nonzero and FIFO is empty when time to send data
r31[9]
tx_fifo_status1[2:0]OTX FIFO occupancy status
0x0: Empty
0x1: 1 word
0x2: 2 words
0x3: 3 words
0x4: Full
0x5-0x7: Reserved
r31[12:10]
tx_global_reinit_actve/busy1Otx_global_reinit action has some latency do to clocking. This status determine if action is completed
1: active
0: done
For non reinit case, this bit states that last bit is on tx wire, it does not mean the clock is off
1: last bit is not done
0: last bit on tx wire
Note that by using rx auto arm feature the observation is lost at rx enable. This can be used to determine when to enable rx during non-auto arm case.
r31[13]
ovr2OOver Run flagr31[16]
unr2OUnder Run flag
This flag is only set when the tx_frame_count is nonzero and FIFO is empty when time to send data
r31[17]
tx_fifo_status2[2:0]OTX FIFO occupancy status
0x0: Empty
0x1: 1 word
0x2: 2 words
0x3: 3 words
0x4: Full
0x5-0x7: Reserved
r31[20:18]
tx_global_reinit_actve/busy2Otx_global_reinit action has some latency do to clocking. This status determine if action is completed
1: active
0: done
For non reinit case, this bit states that last bit is on tx wire, it does not mean the clock is off
1: last bit is not done
0: last bit on tx wire
Note that by using rx auto arm feature the observation is lost at rx enable. This can be used to determine when to enable rx during non-auto arm case.
r31[21]

30.5.17 Functional Description

30.5.18 Clock Generation

EnDat module features two independent dividers (div16), one for TX and one for RX. Both utilize the 192-MHz clock as root clock source. Table 30-53 shows the division factor and the resultant oversample factor.

Table 30-53 Oversample Factor Vs Division Factor
Tx DivisorTx ClockOversample DivisorOversample ClockOversample Factor
1216 MHz296 MHz6x
1612 MHz296 MHz8x
248 MHz364 MHz8x
326 MHz448 MHz8x
484 MHz632 MHz8x
962 MHz1216 MHz8x
1921 MHz248 MHz8x

30.5.19 Receive Operation

Each EnDat channel captures its input data at each positive edge of the EnDat clock. This data bit is shifted into the LSB position of an 8-bit shadow register, starting with the first 1 that is received. First 1 is interpreted as the start bit. Data will only be stored while rx_en is asserted. While rx_en is deasserted, the channel is disabled, and the shadow register and all flags are cleared. When n bits of data, determined by the RX_FRAME_SIZE bitfield, have been collected, they are output to the PRU and val is asserted to signal that data is ready to be fetched. This data remains constant for n clock cycles, and the PRU software must clear it during this time, else the data will overflow. If an overflow occurs, an overflow flag, ovf, will be set to signal that val has been continuously asserted for longer than one data frame. ovf will be cleared when clr_ovf is asserted by the PRU. To clear val, the PRU software asserts clr_val for the specified channel.

The RX_SAMPLE_SIZE bitfield determines how large the oversampling rate for the sample clock will be. The larger this value is, the more time in between each new piece of data.

Operation of the EnDat module can be summarized as follows:

  • When a channel is enabled, VAL clock cycle count will start after the first 0 to 1 transition.
  • VAL set every n (determined by RX_FRAME_SIZE) clock cycles after the start bit (first 1) is detected
  • OVF set when an overflow has occurred
  • VAL and OVF are cleared by a write of 1 on CLR_VAL and CLR_OVF. The values are cleared immediately. (Note: CLR_OVF clears OVF as well as VAL)
  • When RX_EN cleared, then channel is disabled. Buffer and flags are reset.

30.5.20 Transmit Operation

During the transmit cycle, while a channel is compensating for the wire delay propagation, data is stored in a 32-bit deep FIFO. The FIFO contains both a write pointer and a read pointer which are incremented whenever data is written to the FIFO and whenever data is read from the FIFO, respectively. When the pointers reach the last address in the FIFO, they will circle back to the first address.

The input tx_global_reinit resets all the FIFO pointers and causes the CLK_OUT for each channel to be held high and deasserts the TX_OUT_EN_N output. At each FIFO write strobe pulse, data will be pushed into the FIFO. The tx_channel_go bit signals the start of the wire delay compensation counter. Data is read from the FIFO at the Tx clock rate, after the tx wire delay and test delay compensation have been met.

The tx_fifo_status[2:0] indicates the number of bytes remaining in the FIFO (empty means 0 bytes, near empty is 1 or 2 bytes, near full is 3 bytes, full is 4 bytes). Two error flags, overrun (ovr) and underrun (unr), also exist. An overrun occurs whenever data is pushed to an address where data already exists, but has not yet been read. An underrun occurs whenever an address of the FIFO that does not contain data is read. The underrun will not occur if software specifies a TX_FRAME_SIZE. Only if TX_FRAME_SIZE is 0 underrun can occur. It is up to software to keep the FIFO from running empty. Once the FIFO runs empty, the hardware will assume end of the last transmission. Any new writes to FIFO will not be sent until the software initiates another tx_channel_go.

30.5.21 Programming Model

30.5.22 Initialization

  1. Set CLK_OUT clock to 100 kHz
  2. Set oversample clock to 192 MHz
  3. Assert rx_en for all channels
  4. Start counter
  5. Send EnDAT mode command to calculate wire propagation delay for each channel
  6. Poll val for all channels
    • IF VALn = 1
      THEN store count for this channel // Count value is the wire delay

30.5.23 Tx Operation

  1. Setting tx_global_reinit high causes CLK_OUT high and data_out_en_n low
  2. Min high time determines earliest possible instance of a write strobe (handled by software)
  3. After tx_global_go is set, wire delay compensation counter for each channel begins
  4. After wire delay is complete, clock is driven low, and then test counter starts
  5. After test counter expires, the clock starts running (first low then high)
  6. Therefore, first rising edge of CLK_OUT (measured from the go bit) = tx wire delay + tst_counter delay + half of tx clk frequency (since clock starts low)
  7. After data transmitted, TX clk_mode[1:0] will control how the clock will behave
  8. To restart, software
    1. can set tx_global_reinit to switch clock to high again
    2. write to FIFO
    3. set tx_global_go bit
    If the clock is already high, software can skip the global_reinit step.

30.5.24 Rx Operation

Software requirements:

  • Asserting channel enable at the correct time to compensate wire delay per channel
  • Unpacking data for each channel

Note:

No TX and RX concurrency is supported.

30.5.25 Overview

The SD demodulator serves to count the number of 1’s per clock event. Each channel has three cascade counters; they are the accumulators for SINC3 filter. Each counter is 24 bits, giving a maximum count of 16,777,215. They are free running rollover counters. All counters update/count on effective SD_CLK event for that channel. Each also contains a programmable, 8-bit sample size (256), which gives a sample range of 4 samples minimum to 256 samples maximum. Once sample counter is reached, a shadow copy is update and shadow copy flag set.

Sigma delta demodulaor supports the following features:

  • Up to 9 channel concurrent counting
  • Independent clock source for each channel
  • Programmable, 8-bit sample size
  • Three 24-bit cascaded counters per channel for accumulation, SINC3 and SINC2 modes
  • Common channel enable

AM571x SD Demodulator Block DiagramFigure 30-16 SD Demodulator Block Diagram

30.5.26 SD Demodulator I/O Signals

Table 30-54 SD Demodulator I/O
EnDat SignalI/ODescriptionReset(1)
pr2_pru0_sd0_clkISD demodulator clock channel 0HiZ
pr2_pru0_sd0_dISD demodulator data channel 0HiZ
pr2_pru0_sd1_clkISD demodulator clock channel 1HiZ
pr2_pru0_sd1_dISD demodulator data channel 1HiZ
pr2_pru0_sd2_clkISD demodulator clock channel 2HiZ
pr2_pru0_sd2_dISD demodulator data channel 2HiZ
pr2_pru0_sd3_clkISD demodulator clock channel 3HiZ
pr2_pru0_sd3_dISD demodulator data channel 3HiZ
pr2_pru0_sd4_clkISD demodulator clock channel 4HiZ
pr2_pru0_sd4_dISD demodulator data channel 4HiZ
pr2_pru0_sd5_clkISD demodulator clock channel 5HiZ
pr2_pru0_sd5_dISD demodulator data channel 5HiZ
pr2_pru0_sd6_clkISD demodulator clock channel 6HiZ
pr2_pru0_sd6_dISD demodulator data channel 6HiZ
pr2_pru0_sd7_clkISD demodulator clock channel 7HiZ
pr2_pru0_sd7_dISD demodulator data channel 7HiZ
pr2_pru0_sd8_clkISD demodulator clock channel 8HiZ
pr2_pru0_sd8_dISD demodulator data channel 8HiZ
pr2_pru0_pru_r31_in[16]ISD demodulator common clockHiZ

30.5.27 Signal To PRU Port Mapping

Table 30-55 SD Demodulator Signal To PRU Port Mapping
EnDat Module SignalI/ODescriptionMapping
channel_select[3:0]IChannel select 0x0: Channel 0, ... , 0x8: Channel 8, 0x9...0xF: reservedr30[29:26]
sample_counter_selectIRead sample counter 0: Not selected 1: Sample count selectedr30[21]
snoopIEnable snoop (i.e. fetch data) on the selected channel 0: acc2/acc3 shadow copy 1: current acc2/acc3r30[22]
re_initIWhen set resets all counters, flags, and shadow copy. Updates over_sample_size based on the current PRUSS_SD_PRU0_SAMPLE_SIZE_REGISTERi on the selected channelr31[23] self clear by hardware
shadow_update_flag_clrIClears shadow_update_flag and shadow_update_flag_ovf (if set). Clear wins over set on the selected channelr31[24] self clear by hardware
channel_enIGlobal Channel enable, effects all 9 channels 0: all channels disabled, counters/flags are cleared 1: all channels enabledr30[25]
data_out[23:0]OOutput data of selected channelr31_status[23:0]
shadow_update_flagOShadow update flag, set when over sample count equals over sample sizer31_status[24]
shadow_update_flag_ovfOShadow update flag_ovf, set when over sample count equals over sample size and shadow_update_flag is still setr31_status[25]

30.5.28 Functional Description

AM571x SD Demodulator Functional Diagram (One Channel)Figure 30-17 SD Demodulator Functional Diagram (One Channel)

Each channel contains three 24-bit counters which gives a maximum count value of 16,777,215 (16,777,215 = 224 – 1). ACC1 input is 1-bit. ACC2 and ACC3 inputs are 24-bit.

The channel to be viewed is determined by the channel select (channel_select[3:0]). While the channels are not enabled, no operations are performed and all flags and counters are cleared.

When enabled, on each positive edge of the clock (CLK_OUT from clock generator) all three 24-bit counters for each channel get updated including the 8-bit over sample counter.

  • acc1 = acc1 + sd_sync
  • acc2 = acc2 + acc1
  • acc3 = acc3 + acc2
  • sample_count = sample_count +1
  • over_sample_counter = over_sample_counter +1

When over_sample_counter = over_sample_size:

  • ACC2/ACC3 shadow copy gets updated with current value of acc3 (or acc2)
  • sample_count shadow copy gets updated with current value of sample_count
  • shadow_update_flag will get set
  • over_sample_counter gets reset

shadow_update_flag will get clear when shadow_update_flag_clr is asserted by software. shadow_update_flag_clr is a higher priorty than set event, that is, clear wins if both occur at the same time.

Snoop (=1) is an optional method to read ACC2 or ACC3 directly. Active ACC2 or ACC3 is determined by PRU0_SD_ACC2_SEL register bitfield.

sample_counter_select = 1 allows the sample_count to be read at data output.

If a new sample size is to be loaded, the PRU software must assert re_init. At re-init event all stored count values are cleared to 0.

30.5.29 Sigma Delta (SD) Decimation Filtering H/W

Sigma-delta Sinc filtering is achieved by the combination of PRU hardware and firmware. PRU hardware provides hardware integrators that do the accumulation part of Sinc filtering, while the differentiation part is done in firmware.

The integrator serves to count the number of 1’s per clock event. Each channel has three cascaded counters, which are the accumulators for the Sinc3 filter. Each counter is 24 bits, giving a maximum count of 16,777,215. Each channel has a free running rollover clock counter. This sample counter updates the count value on the effective clock event for that channel. Each channel also contains a programmable counter compare block, and the compare register has a size of 8 bits. However, the minimum value is 4 and maximum value is 202 due to the 24-bit accumulator. Once sample counter compare value is reached, the shadow register copy is updated and the shadow register copy flag is set.

Features of the integrators in PRUs SD Demodulator:

  • Up to nine channels with concurrent counting
  • Flexible clock source configuration for each channel; option of independent clock source for each channel or one clock source for three channels
  • Programmable, 8-bit sample counter compare register; used to set the OSR of Sinc filter
  • Three 24-bit cascaded counters per channel for accumulation, only Sinc3 and Sinc2 modes supported
  • Common channel enable (all channels are active or none are active)

30.5.30 Block Diagram and Signals

The Sigma Delta’s I/Os are multiplexed with the PRU GPI/GPO signals, as shown in Table 30-56. Note the PR<k>_PRU<n>_GP_MUX_SEL bitfield in the PRUSS_GPCFG0/1 register must be set to 0x3 for configure the GPI/GPO signals for SD mode.

Table 30-56 PRU GPI Signals and Configurations for Sigma Delta
Pad Names at Device Level(1)(2)Sigma Delta (SD) Mode (PRUSS_GPCFG0/1[PR1_PRUn_GP_MUX_SEL] = 0x3)
pr<k>_pru<n>_gpi0SD0_CLK
pr<k>_pru<n>_gpi1SD0_D
pr<k>_pru<n>_gpi2SD1_CLK
pr<k>_pru<n>_gpi3SD1_D
pr<k>_pru<n>_gpi4SD2_CLK
pr<k>_pru<n>_gpi5SD2_D
pr<k>_pru<n>_gpi6SD3_CLK
pr<k>_pru<n>_gpi7SD3_D
pr<k>_pru<n>_gpi8SD4_CLK
pr<k>_pru<n>_gpi9SD4_D
pr<k>_pru<n>_gpi10SD5_CLK
pr<k>_pru<n>_gpi11SD5_D
pr<k>_pru<n>_gpi12SD6_CLK
pr<k>_pru<n>_gpi13SD6_D
pr<k>_pru<n>_gpi14SD7_CLK
pr<k>_pru<n>_gpi15SD7_D
pr<k>_pru<n>_gpi16SD8_CLK
pr<k>_pru<n>_gpi17SD8_D
pr<k>_pru<n>_gpi18
pr<k>_pru<n>_gpi19
pr<k>_pru<n>_gpi20
pr<k>_pru<n>_gpi21
pr<k>_pru<n>_gpi22
pr<k>_pru<n>_gpi23
pr<k>_pru<n>_gpi24
pr<k>_pru<n>_gpi25
pr<k>_pru<n>_gpi26
pr<k>_pru<n>_gpi27
pr<k>_pru<n>_gpi28
pr<k>_pru<n>_gpi29
Note these signals are shared with the GP and Peripheral I/Fs. To configure for Sigma Delta, PRUSS_GPCFG0/1 [PR1_PRUn_GP_MUX_SEL] needs to be set to 0x3 for SD mode.
NOTE: Some devices may not pin out all 32 bits of R30. For which pins are available on this device, see the PRU-ICSS Pin List. See the device data sheet for device-specific pin mapping.

The pr<k>_pru0_gpo1 signal (muxed with SD0_D) can be used as SD_CLKOUT when PRU-ICSS generates clock. This is a trade-off as PRU application will lose one SD channel. SD_CLKOUT needs to go through a clock generator chip if driving multiple sigma delta modulators and also be looped back into PRU-ICSS as SD_CLKIN, typically pru_gpi16.

Note to output the SD clock on pr<k>_pru0_gpo1, this device requires that the PRU core be configured for both SD and shift out mode (PRUSS_GPCFG0/1 [PR1_PRU<n>_GP_MUX_SEL] = 0x3 and PRUSS_GPCFG0/1 [PRU<n>_GPO_MODE] = 0x1). Be sure to configure the shift out mode's clock divisors before enabling shift out mode (PRUSS_GPCFG0/1 [PRU<n>_GPO_MODE] = 0x1). Figure 30-18 shows a block diagram of the Sigma Delta implementation. Full description of the PRU R30 and R31 registers are shown in Table 30-58 and Table 30-59.

AM571x Sigma Delta Block DiagramFigure 30-18 Sigma Delta Block Diagram

Note each channel can independently be configured to use one of three external clock sources. Table 30-57 shows the clock source options, selectable through PRUSS_SD_PRUn_CLK_SEL_REGISTERi[PRU<n>_SD_CLK_SEL].

Table 30-57 External Clock Sources
PRU<n>_SD_CLK_SEL valueClock Source
0pr<k>_pru<n>_gpi[16]
1pr<k>_pru<n>_sdi_clk
2pr<k>_pru<n>_sd0_clk for sd0, sd1, and sd2;
pr<k>_pru<n>_sd3_clk for sd3, sd4, and sd5;
pr<k>_pru<n>_sd6_clk for sd6, sd7, and sd8

30.5.31 PRU R30 / R31 Interface

The PRU uses the R30 and R31 registers to interface with the Sigma Delta interface. Table 30-58 shows the R31 and R30 interface for the Sigma Delta mode. Note that only the parameters and data for one channel can be viewed at a time. The channel to be viewed is determined by the r30[29-26] (channel_select).

Table 30-58 PRU R31: SD Output Interface
Delta Sigma PRU registers: R31
BitsField NameDescription
29-26Reserved
25shadow_update_flag_ovf /
shadow_update_flag_ovf_clr
Shadow update flag overflow, set when over sample count equals over sample size and shadow_update_flag is still set. Set this bit to clear the flag.
24shadow_update_flag /
shadow_update_flag_clr
Shadow update flag overflow, set when over sample count equals over sample size and shadow_update_flag is still set. Set this bit to clear the flag.
23re_init/data_out[23]

re_init (write): Set to reset all counters, flags, and shadow copy. Updates over_sample_size based on the current PRUSS_SD_PRUn_SAMPLE_SIZE_REGISTERi register on the selected channel.

data_out[23](read): most-significant bit of sample data

22-0data_out[22:0]Selected sample data excluding most-significant bit
Table 30-59 PRU R30: SD Input Interface
Delta Sigma PRU registers: R30
BitsField NameDescription
31-30Reserved
29-26channel_select[3:0]

Select Channel.

0x0 = Channel 0

…..

0x8 = Channel 8

0x9-0xF = Unused

25channel_en

Global Channel enable (effects all 9 channels).

0x0 = All channels disabled. Counters/flags are cleared.

0x1 = All channels enabled.

24-23Reserved
22snoop

Enable snoop (i.e. fetch data) on the selected channel.

0x0 = acc2/acc3 shadow copy

0x1 = current acc2/acc3

21sample_counter_select

Read sample counter.

0x0 = Not selected

0x1 = Sample count selected

20-0Reserved

The PRU_ICSS CFG register space has have additional MMRs for controlling the SD demodulator module:

  • PRUSS_SD_PRUn_CLK_SEL_REGISTERi[PRUn_SD_ACC2_SEL] - Selects accumulator 2 as source
  • PRUSS_SD_PRUn_CLK_SEL_REGISTERi[PRUn_SD_CLK_INV] - Inverts clock
  • PRUSS_SD_PRUn_CLK_SEL_REGISTERi[PRUn_SD_CLK_SEL] - Selects clock source
  • PRUSS_SD_PRUn_SAMPLE_SIZE_REGISTERi[PRUn_SD_SAMPLE_SIZE] - Selects number of samples to read before giving output

30.5.32 Sigma Delta Description

Figure 30-19 shows a block diagram of the Sigma Delta hardware integrators and integration with the PRU R30 / R31 interface for a single channel.

AM571x Sigma Delta Hardware Integrators Block Diagram (snoop = 0)Figure 30-19 Sigma Delta Hardware Integrators Block Diagram (snoop = 0)
AM571x Sigma Delta Hardware Integrators Block Diagram (snoop = 1)Figure 30-20 Sigma Delta Hardware Integrators Block Diagram (snoop = 1)

The three accumulators (acc1-acc3) for each channel are simple 24 bit adders. The input for acc1 is 1-bit, while the inputs for acc2 and acc3 are 24-bits. On each positive edge of the CLK_OUT, all three 24-bit counters (acc1-acc3) and the sample counter for each channel will get updated as follows:

acc1 = acc1 + data_in
acc2 = acc2 + acc1
acc3 = acc3 + acc2
sample_count = sample_count + 1

Each accumulator will rollover at 0xFF_FFFF. For example if acc2 = 0x10 and acc3 = 0xFF_FFFF, then acc3 will update to 0x00_0000F on the next clock event. Sample_count will rollover when it equals the defined sample size (PRUSS_SD_PRUn_SAMPLE_SIZE_REGISTERi [PRUn_SD_SAMPLE_SIZE]).

Note that while the channels are not enabled , no operations are performed and all flags and counters are cleared. If a new sample size is to be loaded, the PRU firmware should assert re_init (r31[23]), and all stored count values are cleared to 0.

The Sigma Delta interface has two status flags:

  • Shadow update flag (r31[24])
  • Shadow update flag overflow (r31[25])

When sample_count equals the defined sample size (PRUSS_SD_PRUn_SAMPLE_SIZE_REGISTERi [PRUn_SD_SAMPLE_SIZE]), then the acc2/acc3 shadow register copy will be updated, the shadow_update_flag (r31[24]) will be set, and sample_count will rollover to 0. The PRU firmware can clear this flag by writing ‘1’ to shadow_update_flag_clr (r31[24]). If sample_count equals the defined sample size and the shadow_update_flag is still set, then shadow_update_flag_ovf (r31[25]) will be set. Similarly, the PRU firmware can clear this flag by writing ‘1’ to shadow_update_flag_ovf_clr (r31[25]). Note that the clear operation for both flags has a higher priority than the set event.

The PRU firmware can monitor the acc2/acc3 and sample_count values through data_out[23:0] (r31[23:0]). Table 30-60 shows the configuration options for data_out[23:0].

Table 30-60 Data_out[23:0] Configuration Options
snoop (r30[22])sample_counter_select (r30[21])data_out (r31[23:0])
00Reads acc2/acc3 shadow register copy
10Reads acc2/acc3 directly
01Reads sample_count shadow register copy
11Reads sample_count directly

30.5.33 Basic Programming Example

The following programming example assumes that the PRU is configured for Sigma Delta Mode (PRUSS_GPCFG0 / 1 [PR1_PRU<n>_GP_MUX_SEL] = 3).

  1. Configure clock sources, accumulator source, and sample size:
    1. PRUSS_SD_PRUn_CLK_SEL_REGISTERi[PRUn_SD_CLK_SEL] for clock source
    2. PRUSS_SD_PRUn_CLK_SEL_REGISTERi[PRUn_SD_CLK_INV] for clock polarity
    3. PRUSS_SD_PRUn_CLK_SEL_REGISTERi[PRUn_SD_ACC2_SEL] for accumulator source
    4. PRUSS_SD_PRUn_SAMPLE_SIZE_REGISTERi[PRUn_SD_SAMPLE_SIZE] for sample size
  2. Reinitialize all channels whose sample size was configured
    1. Select channel by writing to channel_select (r30[29-26])
    2. Delay at least 1 PRU cycle before executing re_int in step 2c.
    3. Reinitialize selected channel by writing to re_init (r31[23])
    4. Repeat steps 2a & 2b for all configured channels
  3. Enable all channels by writing ‘1’ to channel_en (r30[25])
  4. Select channel by writing to channel_select (r30[29-26])
    1. Poll shadow_update_flag (r31[24]) to detect when acc2/acc3 shadow register copy data is ready to be ready
    2. Delay at least 1 PRU cycle before polling shadow_update_flag in Step 4c.
    3. Read data_out[23:0] (r31[23:0])
    4. Clear shadow_update_flag by writing ‘1’ to r31[24]
  5. Repeat step 4 for new channel

30.5.34 3 Channel Peripheral Interface

The 3 channel Peripheral Interface supports functionality for operations utilizing the EnDat 2.2 and BiSS protocols.

This module supports the following features:

  • 3 channels with baud range from 100 kHz to 16 MHz
  • PRUSSn_UART_GFCLK (default) or PRUSSn_GICLK master clock is an input to independent clock dividers to produce a 1X clock (ENDAT<m>_CLK) and oversampling clock
  • Half-duplex (TX and RX are not supported concurrently)
  • TX FIFO size of 32 bits
  • RX FIFO size of 32 bits
  • Configurable shift size/oversampling on RX
  • Optional RX frame size auto shut off
  • Programmable HW delay 1 (wire delay, controlling when the clock signal is first driven low) and delay 2 (test delay, controlling when the clock signal is first driven high) on TX operation
  • Optional programmable TX termination
  • Individual TX channel start trigger (tx_channel_go) or simultaneous TX start trigger for all channels (tx_global_go)
  • Flexible HW assisted clock output generation to allow free running, stop high and stop low (after last RX data), or stop high (after last TX data) operation with optional software clock override feature
  • Optional SW direct snoop of data input

30.5.35 Block Diagram and Signal Configuration

The Peripheral Interface’s I/Os are multiplexed with the PRU GPI/GPO signals, as shown in Table 30-61. The PR<k>_PRU<n>_GP_MUX_SEL bitfield in the PRUSS_GPCFG0/1 register must be set to 0x1 for configure the GPI/GPO signals for Peripheral I/F mode.

Table 30-61 PRU GPI/GPO Signals and Configurations for Peripheral I/F
Pad Names at Device Level(1)(2)(3)Peripheral I/F Mode (PRUSS_GPCFG0/1 [PR1_PRUn_GP_MUX_SEL] = 0x1)
pr<k>_pru<n>_gpi0
pr<k>_pru<n>_gpi1
pr<k>_pru<n>_gpi2
pr<k>_pru<n>_gpi3
pr<k>_pru<n>_gpi4
pr<k>_pru<n>_gpi5
pr<k>_pru<n>_gpi6
pr<k>_pru<n>_gpi7
pr<k>_pru<n>_gpi8
pr<k>_pru<n>_gpi9ENDAT0_IN
pr<k>_pru<n>_gpi10ENDAT1_IN
pr<k>_pru<n>_gpi11ENDAT2_IN
pr<k>_pru<n>_gpi12
pr<k>_pru<n>_gpi13
pr<k>_pru<n>_gpi14
pr<k>_pru<n>_gpi15
pr<k>_pru<n>_gpi16
pr<k>_pru<n>_gpi17
pr<k>_pru<n>_gpi18
pr<k>_pru<n>_gpi19
pr<k>_pru<n>_gpi20
pr<k>_pru<n>_gpi21
pr<k>_pru<n>_gpi22
pr<k>_pru<n>_gpi23
pr<k>_pru<n>_gpi24
pr<k>_pru<n>_gpi25
pr<k>_pru<n>_gpi26
pr<k>_pru<n>_gpi27
pr<k>_pru<n>_gpi28
pr<k>_pru<n>_gpi29
pr<k>_pru<n>_gpo0ENDAT0_CLK
pr<k>_pru<n>_gpo1ENDAT0_OUT
pr<k>_pru<n>_gpo2ENDAT0_OUT_EN
pr<k>_pru<n>_gpo3ENDAT1_CLK
pr<k>_pru<n>_gpo4ENDAT1_OUT
pr<k>_pru<n>_gpo5ENDAT1_OUT_EN
pr<k>_pru<n>_gpo6ENDAT2_CLK
pr<k>_pru<n>_gpo7ENDAT2_OUT
pr<k>_pru<n>_gpo8ENDAT2_OUT_EN
pr<k>_pru<n>_gpo9
pr<k>_pru<n>_gpo10
pr<k>_pru<n>_gpo11
pr<k>_pru<n>_gpo12
pr<k>_pru<n>_gpo13
pr<k>_pru<n>_gpo14
pr<k>_pru<n>_gpo15
pr<k>_pru<n>_gpo16
pr<k>_pru<n>_gpo17
pr<k>_pru<n>_gpo18
pr<k>_pru<n>_gpo19
pr<k>_pru<n>_gpo20
pr<k>_pru<n>_gpo21
pr<k>_pru<n>_gpo22
pr<k>_pru<n>_gpo23
pr<k>_pru<n>_gpo24
pr<k>_pru<n>_gpo25
pr<k>_pru<n>_gpo26
pr<k>_pru<n>_gpo27
pr<k>_pru<n>_gpo28
pr<k>_pru<n>_gpo29
pr<k>_pru<n>_gpo30
pr<k>_pru<n>_gpo31
Usage of the Peripheral Interface signals are not restricted to only ENDAT interfaces.
Note these signals are shared with the GP and Sigma Delta modes. To configure for Periph I/F, PRUSS_GPCFG0/ 1 [PR1_PRUn_GP_MUX_SEL] needs to be set to 0x1 for Periph I/F mode.
Some devices may not pin out all 29 bits of R31 and all 32 bits of R30. See the device Data Manual for device-specific pin mapping.

A block diagram for the Peripheral I/F is included in Figure 30-21. As shown, each channel is composed of four I/Os:

  • ENDAT<m>_IN - RX input data
  • ENDAT<m>_CLK - Clock (CLK_OUT) generated by the 1x (or TX) clock. The default value is 1.
  • ENDAT<m>_OUT - TX output data. The default value is 0.
  • ENDAT<m>_OUT_EN - TX enable output (1 = TX mode, 0 = RX mode). The default value is 0. Note this signal is auto controlled by hardware.

AM571x Peripheral I/F Block DiagramFigure 30-21 Peripheral I/F Block Diagram

30.5.36 PRU R30 and R31 Interface

The PRU uses the R30 and R31 registers to interface with the Peripheral I/F. Table 30-62 shows the R31 and R30 interface for the Peripheral I/F RX mode, and Table 30-62 shows the comparable interface for the TX mode.

Table 30-62 Peripheral I/F: RX
RegisterBitsField NameDescription
R3131-30ReservedPRU Host Interrupts 1/0 from local INTC
29ovf2Overflow Flag for Channel 2. Write 1 to clear.
28ovf1Overflow Flag for Channel 1. Write 1 to clear.
27ovf0Overflow Flag for Channel 0. Write 1 to clear.
26val2Valid Flag for Channel 2. Write 1 to clear.
25val1Valid Flag for Channel 1. Write 1 to clear.
24val0Valid Flag for Channel 0. Write 1 to clear.
23-16rx_data_out2Oversampled Data Output for Channel 2.
Note these bits are shared with the TX Interface. When TX_FIFO has stopped transmission, RX data will be selected.
15-8rx_data_out1Oversampled Data Output for Channel 1.
Note these bits are shared with the TX Interface. When TX_FIFO has stopped transmission, RX data will be selected.
7-0rx_data_out0Oversampled Data Output for Channel 0.
Note these bits are shared with the TX Interface. When TX_FIFO has stopped transmission, RX data will be selected.
R3031-27Reserved
26rx_en2

RX Enable for Channel 2.

0: Channel not enabled, all counters/flags will get reset

1: Channel is enabled

25rx_en1

RX Enable for Channel 1.

0: Channel not enabled, all counters/flags will get reset

1: Channel is enabled

24rx_en0

RX Enable for Channel 0.

0: Channel not enabled, all counters/flags will get reset

1: Channel is enabled

23-0Reserved
Table 30-63 Peripheral I/F: TX
RegisterBitsField NameDescription
R3131-30Reserved
29:22Reserved
21tx_global_reinit_active/busy2

Tx_global_reinit action has some latency do to clocking. This status shows if action is completed.

1 = Active

0 = Done

For non reinit case, this bit states that last bit is on tx wire. It does not mean the clock is off.

1 = Last bit is not done

0 = Last bit on tx wire

Note that by using rx auto arm feature, the observation is lost at rx enable. This can be used to determine when to enable rx during non-auto arm case.

20tx_global_go

TX global start of all channels.

Note: FIFO must not be empty. If empty, transmit will not start.

19tx_global_reinit

Reinit all channels into default mode. This clears all flags and state machines for all channels.

Note: Sequence should be assert tx_global_reinit then de-assert rx_en. This will ensure TX and RX are in reset/default state. User must assert this after the frame has been sent and TX is not busy.

18tx_channel_go

TX start the channel transmit (selected by tx_ch_sel).

Note: FIFO must not be empty.

17unr2Under Run Flag for Channel 2. This flag is only set when the tx_frame_count is nonzero and FIFO is empty at time to send data.
16ovr2Over Run Flag for Channel 2
15-14Reserved
13tx_global_reinit_active/busy1

Tx_global_reinit action has some latency do to clocking. This status shows if action is completed.

1 = Active

0 = Done

For non reinit case, this bit states that last bit is on tx wire. It does not mean the clock is off.

1 = Last bit is not done

0 = Last bit on tx wire

Note that by using rx auto arm feature, the observation is lost at rx enable. This can be used to determine when to enable rx during non-auto arm case.

12:10tx_fifo_sts1

TX FIFO occupancy status for Channel 1

0 = Empty

1 = 1 word

2 = 2 words

3 = 3 words

4 = Full

5-7 = Reserved

9unr1Under Run Flag for Channel 1. This flag is only set when the tx_frame_count is nonzero and FIFO is empty at time to send data.
8ovr1Over Run Flag for Channel 1
7:6Reserved
R315tx_global_reinit_active/busy0

Tx_global_reinit action has some latency do to clocking. This status shows if action is completed.

1 = Active

0 = Done

For non reinit case, this bit states that last bit is on tx wire. It does not mean the clock is off.

1 = Last bit is not done

0 = Last bit on tx wire

Note that by using rx auto arm feature, the observation is lost at rx enable. This can be used to determine when to enable rx during non-auto arm case.

4:2tx_fifo_sts0

TX FIFO occupancy status for Channel 0

0 = Empty

1 = 1 word

2 = 2 words

3 = 3 words

4 = Full

5-7 = Reserved

1unr0Under Run Flag. This flag is only set when the tx_frame_count is nonzero and FIFO is empty at time to send data.
0ovr0Over Run Flag for Channel 0
R3031:21Reserved
20:19clk_mode

CLK_OUT mode.

0 = Free-running/stop-low.

Clock will remain free-running until the receive module has received the number of bits indicated in rx_frame_counter and then the clock will stop low.

1 (default) = Free-running/stop-high.

Clock will remain free-running until the receive module has received the number of bits indicated in rx_frame_counter and then the clock will stop high. Note this is the default/reset state, and a hardware reset or reinit will return clk_mode to this state. Note the initial state of the clock will be high, but the clock will not start until TX GO event.

2 = Free-run.

Note: NOTE: A reinit to get out of this clock mode is done before an update of clk_mode to a different mode. Also if multiple TX GO are done, the 2nd go should have tst_delay and wire_delay zero since the clock is free running after the first go.

3= Stop high after transmit.

Clock will run until the last TX bit is sent and stops high.

18Reserved
17:16tx_ch_sel

TX channel select.

0 = Channel 0

1 = Channel 1

2 = Channel 2

3 = Reserved

15:9Reserved
7:0tx_data

TX data for FIFO.

Notes: FIFO transmits MSB first and is 32-bits deep. TX_FIFO_SWAP_BITS bit in the PRU-ICSS CFG register space can be used to flip the load order of bits.

The FIFO has 2 modes of operation:

1. Preload and Go. This should be done for EnDAT and frames less than 32-bits.

2. Continuous mode. This should be done for frames bigger than 32-bits. In continuous mode, software needs to keep up with the line rate and ensure that the FIFO is never empty. When the FIFO is at 2 byte level, software needs to load the next 2 bytes. If software waits till the end of the empty state, it is possible to get the TX into a bad state. The FIFO state can be recovered via re-init.

Note the PRU-ICSS CFG register space has additional MMRs for controlling the Peripheral I/F module.

30.5.37 Clock Generation

30.5.38 Configuration

The Peripheral I/F module has two source clock options, PRUSSn_UART_GFCLK (default) and PRUSSn_GICLK. There are two independent clock dividers (div16) for the 1x and oversampling (OS) clocks, and each clock divider is configurable by two cascading dividers:

  • PRUn_ED_TX_DIV_FACTOR and PRUn_ED_TX_DIV_FACTOR_FRAC for the 1x clock
  • PRUn_ED_RX_DIV_FACTOR and PRUn_ED_RX_DIV_FACTOR_FRAC for the OS clock

The 1x clock is output on the ENDAT<m>_CLK signal. In TX mode, the output data is read from the TX FIFO at this 1x clock rate. The default value of this clock is high and the start and stop conditions for this clock are described in Section 30.5.39 and Section 30.5.42.

In RX mode, the input data is sampled at the OS clock rate. Note the OS clock rate divided by the 1x clock rate must equal PRUn_ED_RX_SAMPLE_SIZE.

Example clock rates and divisor values relative to the 192-MHz PRUSSn_UART_GFCLK source are shown in Table 30-64.

Table 30-64 Clock Rate Examples for 192-MHz PRUSSn_UART_GFCLK Clock Source
TX_DIV_FACTOR1x ClockRX_DIV_FACTORRX_DIV_FACTOR_FRACOS ClockOversample Factor
1216 MHz11.5128 MHz8x
1612 MHz2196 MHz8x
248 MHz3164 MHz8x
326 MHz4148 MHz8x
484 MHz6132 MHz8x
962 MHz12116 MHz8x
1921 MHz2418 MHz8x

30.5.39 Clock Output Start Conditions

This section describes the configurable start conditions for the ENDAT<m>_CLK. The software can completely control via PRUSS_ED_PRUn_CHj_CFG0_REGISTER when PRUn_ED_CLK_OUT_OVR_EN = 1. By default however, the PRU hardware will control the clocks as described in the following sections.

30.5.40 TX Mode (RX_EN = 0)

In TX mode, the ENDAT<m>_CLK begins after the firmware loads the TX FIFO and sets either r30[20] (tx_global_go) or r30[17:16] (tx_channel_go) to 1. After the “go” bit is set, the delay1 (wire delay) compensation counter for each channel begins. After delay1 is complete, ENDAT<m>_CLK is driven low and then the delay2 (tst) counter begins. After the delay2 counter expires, the ENDAT<m>>_CLK starts running (first low and then high). Therefore, first rising edge of ENDAT<m>_CLK (measured from the go bit) = delay1 (tx wire delay) + delay2 (tst_counter delay) + half of the 1x clock frequency (since the clock starts low).

Figure 30-22 shows the start condition for TX mode. As shown in the figure, the default value of clock is high. The PRU-ICSS CFG register space has additional MMRs for controlling the TX start timing delay values:

  • Delay 1: PRUSS_ED_PRUn_CHj_CFG0_REGISTER [PRUn_ED_TX_WDLY]
  • Delay 2: PRUSS_ED_PRUn_CHj_CFG0_REGISTER [PRUn_ED_TST_DELAY_COUNTER]
AM571x TX Mode Start ConditionFigure 30-22 TX Mode Start Condition

30.5.41 RX Mode (RX_EN = 1)

In RX mode, the ENDAT<m>_CLK will start running whenever the RX_EN is set. Note that the PRU firmware in this mode is responsible for any delay conditions.

The hardware can also auto-enable RX mode at the end of a TX transaction. The PRUSS_ED_PRUn_CHj_CFG1_REGISTER [PRUn_ED_RX_EN_COUNTER] is used to program a delay between the last TX bit sent and when the RX_EN is set.

30.5.42 Stop Conditions

The r30[20:19] (clk_mode[1:0]) value determines the stop condition for ENDAT<m>_CLK. There are 4 options available:

clk_mode_valueDescription
0Stop low on last RX frame
1Stop high on last RX frame
2Run continuously
3Stop high on last TX bit

The last RX frame is configured by PRUSS_ED_PRUn_CHj_CFG0_REGISTER [PRUn_ED_RX_FRAME_SIZE], and the last TX bit is configured by PRUSS_ED_PRUn_CHj_CFG0_REGISTER [PRUn_ED_TX_FRAME_SIZE]. Each stop condition is shown in Figure 30-23 through Figure 30-26.

AM571x ENDAT<m>_CLK Stop High on Last RX FrameFigure 30-23 ENDAT<m>_CLK Stop High on Last RX Frame
AM571x ENDAT<m>_CLK Stop Low on Last RX FrameFigure 30-24 ENDAT<m>_CLK Stop Low on Last RX Frame
AM571x ENDAT<m>_CLK Run ContinuouslyFigure 30-25 ENDAT<m>_CLK Run Continuously
AM571x ENDAT<m>_CLK Stop High on Last TX BitFigure 30-26 ENDAT<m>_CLK Stop High on Last TX Bit

30.5.43 Basic Programming Model

The following programming models assume that the PRU is configured for 3 Peripheral Mode (PRUSS_GPCFG0/1 [PR1_PRUn_GP_MUX_SEL] = 0x1).

30.5.44 Clock Generation

Follow these steps to configure Peripheral I/F clocks using the HW control of the clock:

  1. Select TX and RX clock sources:
    1. PRUSS_ED_PRUn_TX_CFG_REGISTER [PRUn_ED_TX_CLK_SEL] for the TX clock source
    2. PRUSS_ED_PRUn_RX_CFG_REGISTER [PRUn_ED_RX_CLK_SEL] for the RX clock source
  2. Configure the 1x (TX) clock frequency:
    1. Write Division Factor to PRUSS_ED_PRUn_TX_CFG_REGISTER [PRUn_ED_TX_DIV_FACTOR]
    2. Write Fraction division factor to PRUSS_ED_PRUn_TX_CFG_REGISTER [PRUn_ED_TX_DIV_FACTOR_FRAC]
  3. Configure the oversampling (RX) frequency and oversample size:
    1. Write Division Factor to PRUSS_ED_PRUn_RX_CFG_REGISTER [PRUn_ED_RX_DIV_FACTOR]
    2. Write Fraction division factor to PRUSS_ED_PRUn_RX_CFG_REGISTER [PRUn_ED_RX_DIV_FACTOR_FRAC]
    3. Write RX oversample size to PRUSS_ED_PRUn_RX_CFG_REGISTER [PRUn_ED_RX__SAMPLE_SIZE]
  4. Select the clk_mode to configure how the ENDAT<m>_CLK signal ends after TX/RX:
    1. Write to r30[20:19] (clk_mode). Note the clk_mode setting can also be changed per transaction.
  5. Configure the wire, tst, and rx_en_counter delay values:
    1. PRUSS_ED_PRUn_CHj_CFG0_REGISTER [PRUn_ED_TX_WDLY] for wire delay
    2. PRUSS_ED_PRUn_CHj_CFG1_REGISTER [PRUn_ED_TST_DELAY_COUNTER] for tst delay
    3. PRUSS_ED_PRUn_CHj_CFG1_REGISTER [PRUn_ED_RX_EN_COUNTER] for auto-delay between TX and RX

30.5.45 TX - Single Shot

Follow these steps to configure the Peripheral I/F channel(s) for a single shot transmission:

  1. (Optional) Configure TX FIFO for MSB (default) or LSB:
    1. PRUSS_ED_PRUn_CHj_CFG0_REGISTER [PRUn_ED_TX_FIFO_SWAP_BITS]
  2. Pre-load TX FIFO:
    1. Select TX channel by writing the desired channel number to R30[17:16] (tx_ch_sel)
    2. Write 1-4 bytes of data to r30[7:0] (tx_data). At each r30[7:0] write, data will be pushed into the FIFO.
    3. Repeat Steps 2a and 2b for all desired channels.
  3. Configure TX frame size if less than 4 full bytes loaded into FIFO:
    1. PRUSS_ED_PRUn_CHj_CFG0_REGISTER [PRUn_ED_TX_FRAME_SIZE]
  4. Push TX FIFO data to ENDAT<m>_OUT (see Section 30.5.39 for the ENDAT<m>_CLK and ENDAT<m>_OUT start time relationship);
    1. To start TX on all channels, set r31[20] = 1 (tx_global_go).
    2. To start TX on individual channel:
      1. Select TX channel by writing the desired channel number to R30[17:16] (tx_ch_sel)
      2. Set R31[18] = 1 (tx_channel_go)
  5. If PRUSS_ED_PRUn_CHj_CFG0_REGISTER [PRUn_ED_RX_EN_COUNTER] > 0, then the channel will automatically switch into RX mode. See Section 30.5.47 for an example of how to program and configure RX content.
  6. If PRUSS_ED_PRUn_CHj_CFG0_REGISTER [PRUn_ED_RX_EN_COUNTER] = 0, poll either r31[21, 13, or 5] (tx_global_reinit_active/busy[2,1,0]) or PRUSS_ED_PRUn_TX_CFG_REGISTER [PRUn_ED_BUSY_i] for when TX is complete
Note:

The ENDAT<m>_CLK Peripheral I/F requires that ENDAT<m>_CLK be in a high state at the beginning of a new transaction. If the clock ended the single shot transmission in low state, then the clock needs to be reset before sending more data. The steps to reset ENDAT<m>_CLK are:

  1. Set R31[19] = 1 (tx_global_reinit) to reset clock high
  2. Wait until tx_busy<m> is cleared
  3. Re-configure R30[20:19] (clk_mode), since reinit will reset the clk_mode to "Free-running/stop-high" mode

30.5.46 TX - Continuous FIFO Loading

Follow these steps to configure the Peripheral I/F channel(s) for a continuous loading transmission:

  1. (Optional) Configure TX FIFO for MSB (default) or LSB:
    1. PRUSS_ED_PRUn_CHj_CFG0_REGISTER [PRUn_ED_TX_FIFO_SWAP_BITS]
  2. Pre-load TX FIFO:
    1. Select TX channel by writing the desired channel number to r30[17:16] (tx_ch_sel)
    2. Write 1-4 bytes of data to r30[7:0] (tx_data). At each r30[7:0] write, data will be pushed into the FIFO.
    3. Repeat Steps 2a and 2b for all desired channels.
  3. Configure TX frame size to continuously transmit the TX FIFO until empty:
    1. Set PRUSS_ED_PRUn_CHj_CFG0_REGISTER [PRUn_ED_TX_FRAME_SIZE] = 0
  4. Push TX FIFO data to ENDAT<m>_OUT (see Section 30.5.39 for the ENDAT<m>_CLK and ENDAT<m>_OUT start time relationship):
    1. To start TX on all channels, set r31[20] = 1 (tx_global_go).
    2. To start TX on individual channel:
      1. Select TX channel by writing the desired channel number to r30[17:16] (tx_ch_sel)
      2. Set r31[18] = 1 (tx_channel_go)
  5. Monitor line rate and reload FIFO:
    1. Polling r31[xx, 12:10, 4:2] (tx_fifo_sts<m>)
    2. When FIFO level is at 2 bytes, load next 2 bytes of data (see Step 2). Do not let the FIFO get close to 0. Once the FIFO runs empty, the hardware will assume the PRU has reached end of the last transmit. Any new writes to the FIFO will not be sent until the software sends another tx_channel_go bit. Note there are also underrun and overrun error flags that can be monitored.
  6. To end TX operation, do not send any new data to FIFO.
    1. If PRUSS_ED_PRUn_CHj_CFG1_REGISTER [PRUn_ED_RX_EN_COUNTER] > 0, then the channel will automatically switch into RX mode. See Section 30.5.47 for an example of how to program and configure RX content.
    2. If PRUSS_ED_PRUn_CHj_CFG1_REGISTER [PRUn_ED_RX_EN_COUNTER] = 0, poll either r31[21, 13, or 5] (tx_global_reinit_active/busy[2,1,0]) or PRUSS_ED_PRUn_TX_CFG_REGISTER [PRUn_ED_BUSY_i] for when TX is complete
Note:

The ENDAT<m>_CLK Peripheral I/F requires that ENDAT<m>_CLK be in a high state at the beginning of a new transaction. If the clock ended the continuous loading transmission in low state, then the clock needs to be reset before sending more data. The steps to reset ENDAT<m>_CLK are:

  1. Set R31[19] = 1 (tx_global_reinit) to reset clock high
  2. Wait until tx_busy<m> is cleared
  3. Re-configure R30[20:19] (clk_mode), since reinit will reset the clk_mode to "Free-running/stop-high" mode

30.5.47 RX - Auto Arm or Non-Auto Arm

Follow these steps to configure the Peripheral I/F channel(s) to receive data:

  1. Configure RX and frame size:
    1. PRUSS_ED_PRUn_CHj_CFG0_REGISTER [PRUn_ED_RX_FRAME_SIZE]
  2. To start ENDAT<m>_CLK:
    1. For the non-auto arm use case, set r30[26, 25, 24] = 1 (rx_en<m>)
    2. For the auto arm use case, rx_en<m> will be automatically enabled at the end of a TX operation when PRUSS_ED_PRUn_CHj_CFG1_REGISTER [PRUn_ED_RX_EN_COUNTER] > 0
  3. RX FIFO will start filling on the first start bit (ENDAT<m>_IN = 1). The data will be captured on the positive edge of the ENDAT<m>_CLK and shifted into the LSB position of the 8-bit shadow register.
  4. Poll for r31[26, 25, 24] (val<m>) assertion. The valid flag will be asserted when n bits of data (determined by PRUSS_ED_PRUn_RX_CFG_REGISTER [PRUn_ED_RX_SAMPLE_SIZE]) have been collected.
  5. Fetch data by reading r31[23-16, 15-8, 7-0] (rx_data_out<m>). The data will remain constant for one data frame, and PRU must read data and clear valid flag within this time. Otherwise, an overflow will occur – r31[29, 28, 27] (ovf<m>) = 1 - indicating that val<m> has been continuously asserted for longer than one data frame.
  6. The clock will be stopped based on the r30[20:19] (clk_mode) configured before the start of the RX operation.
  7. Clear r30[26, 25, 24] (rx_en<m>) to disable RX mode. All counters and flags will be reset.

30.5.48 PRU Multiplier with Optional Accumulation (MPY/MAC)

This section describes the MAC (multiplier with optional accumulation) module integrated to PRU0 and PRU1 cores of PRU-ICSS1/PRU-ICSS2.

30.5.49 PRU MACs Overview

Each of the two PRU cores (PRU0 and PRU1) has a designated unsigned multiplier with optional accumulation (MPY/MAC). The MAC supports two modes of operation: Multiply Only and Multiply and Accumulate.

The MAC is directly connected with the PRU internal registers R25-R29 and uses the broadside load/store PRU interface and XFR instructions to both control and mode of the MAC and import the multiplication results into the PRU.

30.5.50 PRU MAC Key Features

The MPY/MAC instantiated separately to each PRU core (PRU0 and PRU1) features:

  • Configurable Multiply Only and Multiply and Accumulate functionality via PRU register R25
  • 32-bit operands with direct connection to PRU registers R28 and R29
  • 64-bit result (with carry flag) with direct connection to PRU registers R26 and R27
  • PRU broadside interface and XFR instructions (XIN, XOUT) allow for importing multiplication results and initiating accumulate function

30.5.51 PRU MAC Operations

30.5.52 PRU versus MAC Interface

The MAC directly connects with the PRU internal registers R25-R29 through use of the PRU broadside interface and XFR instructions. Figure 30-27 shows the functionality of each register.

AM571x Integration of the PRU and MPY/MACFigure 30-27 Integration of the PRU and MPY/MAC

The XFR instructions (XIN and XOUT) are used to load/store register contents between the PRU core and the MAC. These instructions define the start, size, direction of the operation, and device ID. The device ID number corresponding to the MPY/MAC is shown in Table 30-65.

Table 30-65 MPY/MAC XFR ID
Device IDFunction
0Selects MPY/MAC

The PRU register R25 is mapped to the MAC_CTRL_STATUS register (Table 30-66). The MAC’s current status (MAC_MODE and ACC_CARRY states) is loaded into R25 using the XIN command on R25. The PRU sets the MAC’s mode and clears the ACC_CARRY using the XOUT command on R25.

Table 30-66 MAC_CTRL_STATUS Register (R25) Field Descriptions
BitFieldDescription
7-2RESERVEDReserved
1ACC_CARRYWrite 1 to clear.
0 - 64-bit accumulator carry has not occurred
1 - 64-bit accumulator carry occurred
0MAC_MODE0 - Accumulation mode disabled and accumulator is cleared
1 - Accumulation mode enabled

The two 32-bit operands for the multiplication are loaded into R28 and R29. These registers have a direction connection with the MAC. Therefore, XOUT is not required to load the MAC. In multiply mode, the MAC samples these registers every clock cycle. In multiply and accumulate mode, the MAC samples these registers every XOUT R25[7:0] transaction when MAC_MODE = 1.

The product from the MAC is linked to R26 (lower 32 bits) and R27 (upper 32 bits). The product is loaded into register R26 and R27 using XIN.

30.5.53 Multiply only mode(default state), MAC_MODE = 0

The Figure 30-28 summarizes the MAC operation in "Multiply-only" mode, in which the MAC multiplies the contents of R28 and R29 on every clock cycle.

AM571x MAC Multiply-only Mode- Functional DiagramFigure 30-28 MAC Multiply-only Mode- Functional Diagram

30.5.54 Programming PRU MAC in "Multiply-ONLY" mode

The following steps are performed by the PRU firmware for multiply-only mode:

  1. Enable multiply only MAC_MODE.
    1. Clear R25[0] for multiply only mode.
    2. Store MAC_MODE to MAC using XOUT instruction with the following parameters:
      • Device ID = 0
      • Base register = R25
      • Size = 1
  2. Load operands into R28 and R29.
  3. Delay at least 1 PRU cycle before executing XIN in step 4.
  4. Load product into PRU using XIN instruction on R26, R27.

Repeat steps 2-4 for each new operand.

30.5.55 Multiply and Accumulate Mode, MAC_MODE = 1

The Figure 30-29 summarizes the MAC operation in "Multiply and Accumulate" mode. On every XOUT R25_REG[7:0] transaction, the MAC multiplies the contents of R28 and R29, adds the product to its accumulated result, and sets ACC_CARRY if an accumulation overflow occurs.

AM571x MAC Multiply and Accumulate Mode Functional DiagramFigure 30-29 MAC Multiply and Accumulate Mode Functional Diagram

30.5.56 Programming PRU MAC in "Multiply and Accumulate" mode

The following steps are performed by the PRU firmware for multiply and accumulate mode:

  1. Enable multiply and accumulate MAC_MODE.
    1. Set R25[1:0] = 1 for accumulate mode.
    2. Store MAC_MODE to MAC using XOUT instruction with the following parameters:
      • Device ID = 0
      • Base register = R25
      • Size = 1
  2. Clear accumulator and carry flag.
    1. Set R25[1:0] = 3 to clear accumulator (R25[1]=1) and preserve accumulate mode (R25[0]=1).
    2. Store accumulator to MAC using XOUT instruction on R25.
  3. Load operands into R28 and R29.
  4. Multiply and accumulate, XOUT R25[1:0] = 1
    Repeat step 4 for each multiply and accumulate using same operands.
    Repeat step 3 and 4 for each multiply and accumulate for new operands.
  5. Load the accumulated product into R26, R27, and the ACC_CARRY status into R25 using the XIN instruction.
Note:

Steps one and two are required to set the accumulator mode and clear the accumulator and carry flag.

30.5.57 CRC16/32

The PRU0 and PRU1 cores of PRU-ICSS1/PRU-ICSS2 each have a designated CRC16/32 module.

In general, CRC adds error detection capability to communication systems. The CRC encoder appends redundant bits (or CRC bits) to the systematic data message. During reception of the data message, the received data is also encoded with the same CRC encoder. The 2 sets of CRC bits are compared together. If they match, there were no transmission errors; and if they don’t match, a transmission error has been detected.

30.5.58 Features

CRC16/32 supports the following features:

  • Supports CRC32:
    • x32+x26+x23+x22+x16+x12+x11+x10+x8+x7+x5+x4+x2+x+1
  • Supports CRC16:
    • x16+x15+x2+1
  • PRU broadside interface and XFR instructions (XIN, XOUT) allow for importing CRC results and executing accumulate function

30.5.59 PRU and CRC16/32 Interface

The CRC16/32 module directly connects with the PRU internal registers R25-R29 through use of the PRU broadside interface and XFR instructions. Table 30-67 shows the functionality of each register.

The XFR instructions (XIN and XOUT) are used to load/store register contents between the PRU core and the CRC16/32 module. These instructions define the start, size, direction of the operation, and device ID. The XFR device ID number corresponding to the CRC16/32 module is 1.

Table 30-67 CRC Register to PRU Port Mapping
CRC RegisterR/WDescriptionPRU Mapping
CRC_CFGWbit [0] CRC32_ENABLE:
0: CRC16 mode is selected. Hardware will auto-set init state of CRC_SEED to 0x0000_0000. Note CRC16 result value is only 16-bits
1: CRC32 mode is selected . Hardware will auto-set init state of CRC_SEED will be 0xffff_ffff.
Always write all 4 bytes.
R25_reg
CRC_DATA_8_BFLIPR 8-bit flip of CRC_DATA. CRC_DATA_8_BFLIP has the same byte order as CRC_DATA[31:0], but each byte has all bits flipped.
CRC_DATA_32_FLIP[7:0] = CRC_DATA[0:7]
CRC_DATA_32_FLIP[15:8] = CRC_DATA[8:15]
CRC_DATA_32_FLIP[23:16] = CRC_DATA[16:23]
CRC_DATA_32_FLIP[31:24] = CRC_DATA[24:31]
For CRC16, only CRC_DATA_8_BFLIP[15:0] are valid. No auto reset on CRC_DATA_8_BFLIP read.
R27_reg
CRC_SEEDWCRC SEED value.
Hardware will auto-initialize the CRC_SEED value to 0x0000_0000 for CRC16 and 0xFFFF_FFFF for CRC32. Software only needs to initialize CRC_SEED if a different default value is required. Always write 4 bytes.
Note when CRC_CFG[CRC32_ENABLE] is enabled, the hardware will switch the CRC_SEED value to 0xFFFF_FFFF.
Reading the CRC_DATA register will reset the CRC value to the CRC_SEED state.
R28_reg
CRC_DATA_32_BFLIPRFull 32-bit flip of CRC_DATA
CRC_DATA_32_BFLIP[0] = CRC_DATA[31] … CRC_DATA_32_BFLIP[31] = CRC_DATA[0]
For CRC16, only CRC_DATA_32_BFLIP[31:16] are valid.
No auto reset on CRC_DATA_32_BFLIP read.
R28_reg
CRC_DATARWFor Write, must use a fixed width throughout the session. The CRC module supports lower 8-bit, or lower 16-bit, or full 32-bit data widths.
For Read, LSB or CRC_DATA[0] is first bit on the wire.
Note for CRC16, only CRC_DATA[15:0] is valid. Hardware will delay CRC_DATA read operation up to 1 clock if it occurs back to back with a CRC_DATA write.
R29_reg

30.5.60 Programming Model

The following steps are performed by the PRU firmware to use the CRC module:

Step1: Configuration (optional)

  1. Configure CRC type:
    For CRC32 operation, set CRC32_ENABLE using XOUT instruction with the following parameters:
    • Device ID = 1
    • Base register = R25
    • Size = 1
  2. Update CRC_SEED, if required using XOUT with the following parameters:
    • Device ID = 1
    • Base register = R28
    • Size = 1 to 4

Step 2:

  1. Load new CRC data into R29
  2. Push CRC data to the CRC16/32 module using XOUT with the following parameters:
    • Device ID = 1
    • Base register = R29
    • Size = 1 to 4
  3. Load the accumulated CRC result into the PRU using the XIN instruction with the following parameters:
    • Device ID = 1
    • Base register = R29
    • Size = 4

Repeat Step 2, numbers 1 and 2 for each new CRC data.

Note:

When a session starts, the PRU firmware must use the same write data width throughout the session.

30.5.61 PRU0 and PRU1 Scratch Pad Memory

The PRU-ICSS supports a scratch pad with three independent banks accessible by the PRU cores. The PRU cores interact with the scratch pad through broadside load/store PRU interface and XFR instructions. The scratch pad can be used as a temporary place holder for the register contents of the PRU cores. Direct connection between the PRU cores is also supported for transferring register contents directly between the cores. This section describes the Scratch Pad Memory shared between and directly accessible by the PRU0 and PRU1 cores, as well as the XFR direct method used by the PRU cores of the PRU-ICSS1 /PRU-ICSS2.

30.5.62 PRU0/1 Scratch Pad Overview

The PRU-ICSS scratch pad supports the following features:

  • Three scratch pad banks of 30, 32-bit registers (R29:0)
  • Flexible load/store options
    • User-defined start byte and length of the transfer
    • Length of transfer ranges from one byte of a register to the entire register content (R29 to R0)
    • Simultaneous transactions supported between PRU0 ↔ Bank<n> and PRU1 ↔ Bank<m>
    • Direct connection of PRU0 → PRU1 or PRU1 → PRU0 for all registers R29-R0
  • XFR instructions operate in one clock cycle
  • Optional XIN/XOUT shift functionality allows remapping of registers (R<n> → R<m>) during load/store operation

Figure 30-30 shows a simplified model of the ScratchPad integration.

AM571x ScratchPad and PRU IntegrationFigure 30-30 ScratchPad and PRU Integration

30.5.63 PRU0 /1 Scratch Pad Operations

XFR instructions are used to load/store register contents between the PRU cores and the scratch pad banks. These instructions define the start, size, direction of the operation, and device ID. The device ID corresponds to the external source or destination (either a scratch pad bank or the other PRU core). The device ID numbers are shown in Table 30-68. Note the direct connect mode (device ID 14) can be used to synchronize the PRU cores. This mode requires the transmitting PRU core to execute XOUT and the receiving PRU core to execute XIN.

Table 30-68 Scratch Pad XFR ID
Device IDFunction
10Selects Bank0
11Selects Bank1
12Selects Bank2
13Reserved
14Selects other PRU core (Direct connect mode)

A collision occurs when two XOUT commands simultaneously access the same asset or device ID. Table 30-69 shows the priority assigned to each operation when a collision occurs. In direct connect mode (device ID 14), any PRU transaction will be terminated if the stall is greater than 1024 cycles. This will generate the event pr<k>_xfr_timeout that is connected to INTC.

Table 30-69 Scratch Pad XFR Collision and Stall Conditions
OperationCollision and Stall Handling
PRU <n> XOUT (→) bank[j]If both PRU cores access the same bank simultaneously, PRU0 is given priority. PRU1 will temporarily stall until the PRU0 operation completes.
PRU <n> XOUT (→) PRU<m>Direct connect mode requires the transmitting core (PRU<n>) to execute XOUT and the receiving core (PRU<m>) to execute XIN. If PRU<n> executes XOUT before PRU<m> executes XIN, then PRU<n> will stall until either PRU<m> executes XIN or the stall is greater than 1024 cycles.
PRU<m> XIN (←) PRU<n>Direct connect mode requires the transmitting core (PRU<n>) to execute XOUT and the receiving core (PRU<m>) to execute XIN. If PRU<m> executes XIN before PRU<n> executes XOUT, then PRU<m> will stall until either PRU<n> executes XOUT or the stall is greater than 1024 cycles.

30.5.64 Optional XIN/XOUT Shift

The optional XIN/XOUT shift functionality allows register contents to be remapped or shifted within the destination’s register space. For example, the contents of PRU0 R6-R8 could be remapped to Bank1 R10-12. The XIN/XOUT shift feature is not supported for direct connect mode, only for transfers between a PRU core and scratch pad bank.

The shift feature is enabled or disabled through the PRU subsystem level register PRUSS_SPP[1] XFR_SHIFT_EN bit. When enabled, R0[4:0] (internal to the PRU) defines the number of 32-bit registers in which content is shifted in the scratch pad bank. Note that scratch pad banks do not have registers R30 or R31.

The following PRU firmware examples demonstrate the shift functionality. Note these assume the XFR_SHIFT_EN bit of the PRUSS_SPP register of the PRU-ICSS CFG register space has been set.

XOUT Shift By 4 Registers

Store R4:R7 to R8:R11 in bank0:

  • Load 4 into R0.b0
  • XOUT using the following parameters:
    • Device ID = 10
    • Base register = R4
    • Size = 16

XOUT Shift By 9 Registers, With Wrap Around

Store R25:R29 to R4:R8 in bank1:

  • Load 9 into R0.b0
  • XOUT using the following parameters:
    • Device ID = 11
    • Base register = R25
    • Size = 20

XIN Shift By 10 Registers

Load R14:R16 from bank2 to R4:R6:

  • Load 10 into R0.b0
  • XIN using the following parameters:
    • Device ID = 12
    • Base register = R4
    • Size = 12

30.5.65 PASM_2 — PRU Assembler Overview

PASM_2 is a command-line-driven assembler for the programmable real-time execution unit (PRU). It is designed to build single executable images using a flexible source code syntax and a variety of output options. PRU_ASM is available for Windows and Linux.

Note:

The PASM_2 (version 2) command-line driven assembler supports version 3 of the PRU core instructions set.

30.5.66 PRU Calling Syntax

The command line syntax to PASM_2 is:

pasm_2 -PRUv2[bcmldz] SourceFile [OutFileBasename] [-Dname=value] [-CArrayName]

Note that only the source file SourceFile is required on the command line. The assembler will default to output option "-c" which generates a C array containing the binary opcode data. The majority of the option flags select a variety of output formats.

The output file OutFileBasename is a base name only. It defaults to the same name as the source file (for example "myprog.p" would have a default base name of "myprog"). Standard filename extensions are applied to the base name to create the final output filename(s), depending on the output option(s) selected.

When specifying PASM_2 options, options can be specified individually or as a group. For example, either of the two invocations below is valid:

pasm_2 -PRUv2 -cdl myprog.p
pasm_2 -PRUv2 -c -d -l myprog.p

Filenames and options can also be mixed, for example:

pasm_2 -PRUv2 myprog.p -cdl
pasm_2 -PRUv2 -cd myprog.p -DMYVAL=1 -l 

30.5.67 PRU Output Formats

All program images start at Programmable Real-Time Unit (PRU) address 0. For example, if a program has an internal origin of 8, the first eight 32 bit words of the program image output will be zero.

The following output options are supported. The output file name shown in the table is generated assuming a base name of “myprog”:

Command Line OptionOutput FormatOutput Filename
-bLittle endian binary filemyprog.bin
-cC include file containing unsigned long array called PRUcode[](1)myprog_bin.h
-mImage file containing one 32 bit hex opcode per linemyprog.img
-LListing file containing original source code and generated opcodes.myprog.txt
-lListing file containing post-processed code and generated opcodesmyprog.lst
-dDebugger output file (opcodes with source and label info)myprog.dbg
The name “PRUcode[]” can be redefined using the –C option.

30.5.68 PRU Additional Options

PASM_2 supports some additional command line options that are not associated with output file format:

Command Line OptionFunction
-PRUv2Version number. PRUv2 for PRUSSv2.
-CRename the code array declared when using the -c option
-DConstant definition
-zEnable PASM_2 assembler debug output

30.5.69 Rename the Code Array for the -c Option

By default, the –c option will create an output file with a name ending in “_bin.h”. Inside this created include file, the output code is defined as a C array of 32 bit values. The default name of the array is “PRUcode[]”. The –C option allows the user to redefine this name to something more appropriate. For example the following command line will create an output file named “myprog_bin.h”, and the C array inside the created file will be called “MyProg_Release_003a[]”.

pasm_2 -PRUv2 -c myprog.p -CMyProg_Release_003a

30.5.70 Constant Definitions

When the “-D” option is specified, the remaining command line argument is interpreted as a constant assignment. For example, to add an assignment “1” to the constant “MYVAL”, any of the following is valid:

pasm_2 -PRUv2 -cdl myprog.p -DMYVAL=1
pasm_2 -PRUv2 -c -d -l -DMYVAL=1 myprog.p
pasm_2 -PRUv2 myprog.p -cdlDMYVAL=1

Since the default value assigned to a constant is “1”, the following is also equivalent:

pasm_2 -PRUv2 -c -d -l -DMYVAL myprog.p

Note that constants defined on the command line do not override constants defined in the source code.

30.5.71 PRU Assembler Source File Syntax

PASM_2 is a non-linking two pass assembler. It assembles programs as a single monolithic image and directly generates executable code. As there is no linking stage in a PASM_2 build, there are no section or segment directives, nor memory maps or command files.

In PASM_2, there are four basic assembly operators. These include dot “.” commands, hash “#” commands, labels, and instructions (mnemonics). The user may supply comments that are invisible to the assembler.

30.5.72 Dot Commands

Dot commands are used to control the assembler, for example “.origin” and “.proc”. They can also be used to declare complex data types as in the “.struct” directive.

30.5.73 Syntax

The rules for a dot command are as follows:

  • Must be the only assembly type on the line
  • Can be followed by a comment
  • Does not need to start in column 0

30.5.74 Origin (.origin) Command

The origin command is used to specify a code offset in the PRU source file. Typically a single origin statement is specified before any instructions, but multiple origin commands can be specified in order to insert space into the code map.

Example:

.origin    8       // Start the next instruction at code offset 8

30.5.75 Entry Point (.entrypoint) Command

The entry point command is used to specify the code entry point to the debugger, and stores the information in the debug output file (*.dbg). It has no affect on any other output file type.

By default PASM_2 will set the entry point to the first instruction generated by the assembly.

Examples:

.entrypoint 0	      // Set code entrypoint to address 0
.entrypoint Start	// Set code entrypoint to the code label "Start"

30.5.76 Set Call/Return Register (.setcallreg) Command

This command sets the call/return register that is used in the CALL and RET pseudo op instructions. If this command is not specified, a default register of R30.w0 is used. This command must appear in the source code prior to any program instructions, and it must specify a 16-bit register field.

Example:

.setcallreg  r15.w2  // Use R15.W2 in the CALL/RET pseudo ops

30.5.77 Start Macro Definition (.macro)

The .macro command is used to begin the definition of a macro. In the assembler, a macro can only be used in place of an opcode. There is always a single parameter to the command, being the name of the macro. Each macro section must start with a “.macro” and end with an “.endm”.

See Section 30.5.109 for more details on using macros.

Example:

.macro  mov32               // Define macro "mov32"

30.5.78 Specific Macro Parameter(s) (.mparam)

The .mparam command is used to add one or more parameters to a macro. The form of the command is:

.mparam   param1 [= default_value] [, param2 [= default_value] ]

When a parameter is given a default value, it is considered an optional parameter. Any optional parameters must be the last parameters specified in the parameter list. It is acceptable to supply both required and optional parameters on the same .mparam line.

See Section 30.5.109 for more details on using macros.

Example:

.mparam    dst, src    // Define 2 required parameters, "dst" and "src"
.mparam    temp = r0   // Define an optional parameter "temp" that
                          // defaults to the value 'r0'.

30.5.79 End Macro Definition (.endm)

The .endm command is used to complete the definition of a macro. It is required at the end of any macro specification. There are no parameters.

See Section 30.5.109 for more details on using macros.

Example:

.endm                   // Completed defining macro

30.5.80 Structure (.struct) Command

The structure command is used to open a declaration to a new structure in PASM_2. PASM_2 uses structures to generate standard equates, and allow the user to perform register allocation to private structure instances.

See Section 30.5.115 for more details on using scope and structures.

Example:

.struct myStruct        // Declare a structure template called "myStruct"

30.5.81 End Structure (.ends) Command

The end structure command is used to close a structure declaration. PASM_2 uses structures to generate standard equates, and allow the user to perform register allocation to private structure instances.

See Section 30.5.115 for more details on using scope and structures.

Example:

.ends

30.5.82 Field Directives (.u8, .u16, .u32)

Field directives are used within an open structure declaration to define fields within the structure.

See Section 30.5.115 for more details on using scope and structures.

Example:

.struct MyStruct
	.u32	MyInt					// 32-bit field
	.u16	MyShort					// 16-bit field
	.u8	MyByte1					// 8-bit field
	.u8	MyByte2					// 8-bit field
.ends

30.5.83 Assignment Directive (.assign)

The assignment directive is used to map a defined structure onto the PRU register file. An assign statement can begin on any register boundary.

The programmer may declare the full assignment span manually (both starting and ending register), or leave the ending register blank. When the programmer declares a full register span, PASM_2 will generate an error when the specified span is incorrect. This allows the programmer to formally map structures to specific register spans, reducing the chance that register assignments will accidentally overlap.

Some structures will also require specific alignments due to how their fields are arranged within the structure. PASM_2 will generate an error if the structure alignment requirements can not be met with the specified starting register.

See Section 30.5.115 for more details on using scope and structures.

Example:

.assign MyStruct, R4, R5, MyName1  // Make sure this uses R4 thru R5
.assign MyStruct, R6,  *, MyName2  // Don’t need to validate the range

30.5.84 Enter New Variable Scope (.enter)

The .enter command is used to create and enter a new variable scope. There is a single parameter to the command that specifies the name of the scope. Any structures that are assigned inside a named scope can only be accessed when the scope is open. Use of variable scopes is optional.

See Section 30.5.115 for more details on using scope and structures.

Example:

.enter  Scope1      // Create and enter scope named "Scope1"

30.5.85 Leave a Variable Scope (.leave)

The .leave command is used to leave a specific variable scope. There is a single parameter to the command that specifies the name of the scope to leave. Scopes do not need to be entered or left in any particular order, but a natural ordering can be enforced by the programmer.

See Section 30.5.115 for more details on using scope and structures.

Example:

.enter Scope1					// Create and enter scope named "Scope1"
	.enter Scope2					// Create and enter scope named "Scope2"
	.leave Scope2					// Leave scope named "Scope2"
.leave Scope1					// Leave scope named "Scope1"

30.5.86 Referencing an Existing Variable Scope (.using)

The .using command is used to enter a specific variable scope that has been previously created and left. There is a single parameter to the command that specifies the name of the scope to enter. The .leave command is then used to leave the scope after being entered with .using.

See Section 30.5.115 for more details on using scope and structures.

Example:

.using Scope1					// Enter existing scope named "Scope1"
	.using Scope2					// Enter existing scope named "Scope2"
	.leave Scope2					// Leave scope named "Scope2"
.leave Scope1					// Leave scope named "Scope1"

30.5.87 PRU Hash Commands

Hash commands are used to control the assembler pre-processor. They are quite similar to their C counterparts.

30.5.88 Syntax

The rules for a hash command are as follows:

  • Must be the only assembly type on the line
  • Can be followed by a comment
  • Does not need to start in column 0

30.5.89 Include (#include) Command

The #include command is used to include additional source files in the assembly process. When a “#include” is specified, the included file is immediately opened, parsed, and processed.

The calling syntax for #include can use quotes ‘” “’ or brackets “< >". Specifying quotes is functionally equivalent to specifying brackets. For example:

#include "localInclude.h"
#include "c:\include\myInclude.h"
#include <inc\myInclude.h>

As PASM_2 uses a monolithic single source approach, the #include statement can be used to specify external source files. This allows a developer to break up a complicated application into several smaller source files.

For example, an application may consist of a master source file “myApp.p” which itself contains nothing but include commands for including sub source files. The contents of “myApp.p” may appear as follows:

#include "myInitialization.p"
#include "myMainLoop.p"
#include "mySubroutines.p"

The above lines would include each source file in turn, concatenating one after the other in the final code image. Each of these included source files may have additional include files of their own.

Including the same include file multiple times will not result in an error, however including files recursively will result in an error.

30.5.90 Define (#define) Command

The “#define” command is used to specify a simple text substitution. Any text defined in a #define is substituted for the defined name within the code.

For example, if the programmer writes:

#define BUFFER_ADDRESS	0x08001000
	ldi     r1.w0, BUFFER_ADDRESS & 0xFFFF
	ldi     r1.w2, BUFFER_ADDRESS >> 16

This would load 0x1000 into register r1.w0 and then 0x0800 into register r1.w2.

Equates are expanded recursively, so the value of the define does not need to be resolved until it is used. For example:

#define B A
#define A 1
        ldi     r1, B

The above will load “1” in register r1.

30.5.91 Undefine (#undef) Command

The “#undef” command is used to undefined a constant that was previously assigned via #define.

For example:

// Redefine our buffer address without generating an assmbler warning
#undef BUFFER_ADDRESS
#define BUFFER_ADDRESS	0x08001000

30.5.92 Error (#error) Command

The “#error” command is used to specify an error during assembly. For example, if the programmer wishes to verify the constant value MYMODE is defined, they can write:

#ifndef MYMODE
#error Mode not specified
#endif

The above will produce an error if the program is assembled and MYMODE is not defined.

30.5.93 Warning (#warn) Command

The “#warn” command is used to specify a warning during pass 1 of the assembly. For example, if the programmer wishes to verify the constant value MYMODE is defined, but still allow a default mode, they can write:

#ifndef MYMODE
#warn   Mode not specified - setting default
#define MYMODE DEFAULT_MODE
#endif

The above will produce an assembler warning if the program is assembled and MYMODE is not defined.

30.5.94 Notation (#note) Command

The “#note” command is used to specify a notation during pass 1 of the assembly. For example, if the programmer wishes to allow a default setting of the constant value MYMODE, but still notify the programmer what is happening, they can write:

#ifndef MYMODE
#note   Using default MYMODE
#define MYMODE DEFAULT_MODE
#endif

The above will produce an assembler notation if the program is assembled and MYMODE is not defined, but it is not counted as an error or a warning.

30.5.95 If Defined (#ifdef) Command

The “#ifdef” command is used to specify a block of conditional code based on whether the supplied constant is defined. Here, the code inside the #ifdef block will be assembled only if the constant is defined, regardless of its defined value. Every #ifdef must be followed by a #endif. For example:

#define MYVAL 1
#ifdef MYVAL
    // This code in this block will be assembled
#endif
#undef MYVAL
#ifdef MYVAL
    // This code in this block will not be assembled
#endif

30.5.96 If Not Defined (#ifndef) Command

The “#ifndef” command is used to specify a block of conditional code based on whether the supplied constant is defined. Here, the code inside the #ifndef block will be assembled only if the constant is not defined. Every #ifndef must be followed by a #endif. For example:

#define MYVAL 1
#ifndef MYVAL
    // This code in this block will not be assembled
#endif
#undef MYVAL
#ifndef MYVAL
    // This code in this block will be assembled
#endif

30.5.97 End If (#endif) Command

The “#endif” command is used to close a previously open #ifdef or #ifndef, thus closing the conditional assembly block.

30.5.98 Else (#else) Command

The “#else” command is used to specify a block of conditional code based on a previous #ifdef or #ifndef, allowing for the opposite case. For example:

#define MYVAL 1
#ifdef MYVAL
    // This code in this block will be assembled
#else
    // This code in this block will not be assembled
#endif

30.5.99 Labels

Labels are used denote program addresses. When placed at the beginning of a source line and immediately followed by a colon ‘:’, they mark a program address location. When referenced by an instruction, the corresponding marked address is substituted for the label.

The syntax rules for labels are as follows:

  • A label definition must be immediately followed by a colon.
  • Only instructions and/or comments can occupy the same source line as a label.
  • Labels can use characters ‘A’-‘Z’, ‘a’-‘z’, ‘0’-‘9’ plus underscores ‘_’ and dots ‘.’.
  • A label can not begin with a number (‘0’-‘9’).

The following illustrates defining and using the label named “loop_label”:

        ldi     r0, 100
loop_label:
        sub     r0, r0, 1
        qbne    loop_label, r0, 0
        ret                                     

30.5.100 Comments

In PASM_2 comments are transparent to all other operations, thus they can appear anywhere on any source line. However, since comments are terminated by the end of line, they are by definition, the last field on a line.

The syntax rules for comments are as follows:

  • Comments must be preceded by '//'.
  • Comments are always the last field to appear on a line.

The following illustrates defining a comment:

       //-------------------------
       // This is a comment
       //-------------------------
       ldi     r0, 100     // This is a comment

30.5.101 PRU Assembly Instructions

Instruction lines include a PRU mnemonic, followed by a list of parameters appropriate for the mnemonic. See Section 30.5.129, PRU Instruction Set, for supported instructions. Note that some of these are pseudo ops, which do not affect their use, but may affect how they are displayed when disassembled by a debugger.

30.5.102 Syntax

An instruction line consists of a mnemonic is followed by a specific number of parameters appropriate for the instruction. Parameters are always separated by commas. For example:

mnemonic  parameter1, parameter2, parameter3, parameter4

Each instruction accepts either a fixed or varying number of parameters. Those that use a varying number of parameters do so for either flexibility in formatting, or to adjust to different use cases. In most cases, at least one of the parameters can be one of a couple different types. For example, on many instructions the third parameter can be either a register or an immediate value.

All parameters take the form a register, label, or immediate value. There exists both a formal and informal syntax for instruction lines. The formal syntax was inherited from an earlier assembler. Modern applications typically use the informal syntax. These are discussed in more detail later in section dealing with parameter type, but here are some examples of both formal and informal syntax.

Formal Syntax:

        LDI     R2, #5
        LDI     R3, #3
        ADD     R1, R2, R3
        QBNE    (LABEL), R1, #8
        JMP     (LABEL)    

Informal Syntax:

        ldi     r2, 5
        ldi     r3, 3
        add     r1, r2, r3
        qbne    label, r1, 8
        jmp     label    
   

30.5.103 PRU Registers Access

The PASM_2 assembler treats PRU registers as bit fields within the register file. All registers start with a base register (R0 through R31). A base register defines an unsigned 32 bit quantity. This 32 bit base field can be modified by appending different register modifier suffixes. The modifier suffix selects which portion of the register on which to operate. The suffixes are as follows:

SuffixRange of nMeaning
.wn0 to 216 bit field with a byte offset of n within the parent field
.bn0 to 38 bit field with a byte offset of n within the parent field
.tn0 to 311 bit field with a bit offset of n within the parent field

Multiple suffixes may appear on a base register to further modify the desired field. For example:

RegisterMeaning
R532 bit value, bits 0 to 32 of register R5
R5.w016 bit value, bits 0 to 15 of register R5
R5.w116 bit value, bits 8 to 23 of register R5
R5.b18 bit value, bits 8 to 15 of register R5
R5.t71 bit value, bit 7 of register R5
R5.w1.b18 bit value, bits 8 to 15 of “R5.w1”
(this corresponds to bits 16 to 23 of register R5)
R5.w1.b1.t71 bit value, bit 7 of R5.w1.b1
(since R5.w1.b1 is bits 16 to 23 of R5, this is bit 23 of register R5)

Note that some suffix combinations are illegal. A combination is illegal when a modifier attempts to extract a field that is not contained in the parent field. For example:

Illegal RegisterReason for Illegality
R5.t0.b0A byte field can be extracted from a single bit field
R5.w2.b2Bits 16 to 23 can not be extracted out of a 16 bit field
R5.b0.t8Bit 8 can not be extracted out of an 8 bit field
R5.w0.w1Bits 8 to 23 can not be extracted out of a 16 bit field. Note that R5.w1.w0 would be legal, but not of much use as R5.w1.w0 == R5.w1

30.5.104 Loop/Byte Count Registers

Register R0 is used in some instructions to specify a loop count or byte count value. A count of this type is always the last parameter in the parameter list. A loop/byte count is always an 8 bit sub-field of R0. For legacy reasons, the register is expressed only by its modifier suffix. For example: “b0” is taken to mean “R0.b0” and “b2” is taken to mean “R0.b2”.

Register loop/byte counts are allowed only in very specific circumstances which are detailed in the appropriate instruction description.

30.5.105 Labels

Labels are used to reference code locations in a program. In PASM_2, labels are used to specify targets of jump instructions, but can also be used in an instruction that calls for an immediate value (so long as the label’s value fits in the immediate field’s specified bit width). When specifying a label, the user has the option of enclosing it in parenthesis “( )” for legacy concerns, but it is not required or recommended. For example:

        QBNE    (MyLabel), R1, #8
        JMP     (MyLabel)    
        LDI     R1.W0, #MyLabel
        qbne    MyLabel, r1, 8
        jmp     MyLabel
        ldi     r1.w0, MyLabel          

30.5.106 Immediate Values

Immediate values are simple numbers or expressions that compute to constant values. Immediate values or expressions can be preceded by a hash character ‘#’ for legacy concerns, but this is not required or recommended. For example:

        LDI     R1, #0x25
        and     r2, r1, 0b1001011
        ldi     r1.w0, 0x12345678 & 0xFFFF
        ldi     r1.w2, 0x12345678 >> 16
        add     r2, r3, (6*(5-3)/2) << 2

Note that if an immediate value is lead by a ‘0’ without a format notation of ‘x’ or ‘b’, then the base is assumed to be in octal format.

30.5.107 Syntax Terms and Definitions

The following terms are definitions are used to specify parameters in a formal instruction definition.

Field NameMeaningExamples
REG, REG1, REG2, …Any register field from 8 to 32 bitsr0
r1.w0
r3.b2
Rn, Rn1, Rn2, …Any 32 bit register field (r0 through r31)r0
r1
Rn.txAny 1 bit register field (x denotes the bit position)r0.t23
r1.b1.t4
Cn, Cn1, Cn2, …Any 32 bit constant register entry (c0 through c31)c0
c1
bnSpecifies a field that must be b0, b1, b2, or b3 – denoting r0.b0, r0.b1, r0.b2, and r0.b3 respectively.b0
LABELAny valid label, specified with or without parenthesis. An immediate value denoting an instruction address is also acceptable.loop1
(loop1)
0
IM(n)An immediate value from 0 to n. Immediate values can be specified with or without a leading hash “#” character. Immediate values, labels, and register addresses are all acceptable.#23
0b0110
2+2
&r3.w2
OP(n)This is a combination (or the union) of REG and IM(n). It specifies a register field from 8 to 32 bits, or an immediate value from 0 to n. A label or register address that resolves to a value within the denoted range is also acceptable.r0
r1.w0
#0x7F
1<<3
loop1
&r1.w0

For example the following is the definition for the ADD instruction:

	   ADD REG1, REG2, OP(255)

This means that the first and second parameters can be any register field from 8 to 32 bits. The third parameter can be any register field from 8 to 32 bits or an immediate value from 0 to 255. Thus the following are all legal ADD instructions:

        ADD     R1, R1, #0x25        // r1 += 37
        ADD     r1, r1, 0x25         // r1 += 37
        ADD     r3, r1, r2           // r3 = r1 + r2
        ADD     r1.b0, r1.b0, 0b100  // r1.b0 += 4
        ADD     r2, r1.w0, 1<<3      // r2 = r1.w0 + 8

30.5.108 PRU Advanced Topics

30.5.109 PRU Using Macros

Macros are used to define custom instructions for the CPU. They are similar to in-line subroutines in C.

30.5.110 Defining a Macro

A macro is defined by first declaring the start of a macro block and specifying the macro name, then specifying the assembly code to implement the intended function, and finally closing the macro block.

    .macro  macro name
    .mparam macro parameters
       	 < lines of assembly code >
       	 < lines of assembly code >
       	 < lines of assembly code >
    .endm

The assembly code within a macro block is identical to that used outside a macro block with minor variances:

  • Macros cannot be nested
  • No dot commands may appear within a macro block other than “.mparam”.
  • Pre-processor definitions and conditional assembly are processed when the macro is defined.
  • Structure references are expanded when the macro is used.
  • Labels defined within a macro are considered local and can only be referenced from within the macro.
  • References to external labels from within a macro are allowed.

30.5.111 Macro Parameters

The macro parameters can be specified on one “.mparam” line or multiple. They are processed in the order that they are encountered. There are two types of parameters, mandatory and optional. Optional parameters are assigned a default value that is used in the event that they are not specified when the macro is used. Since parameters are always processed in order, any optional parameters must come last, and once an optional parameter is used, none of the remaining parameters may be specified.

For example:

    .macro  mv1             // Define macro "mv1"        
    .mparam dst=r0, src=5   // Two optional parameters
        mov dst, src
    .endm                      

For the above macro, the following expansions are possible:

Macro InvocationResult
mv1 r1, 7mov r1, 7
mv1 r2mov r2, 5
mv1mov r0, 5

Note that optional parameters can not be passed by using “empty” delimiters. For example, the following invocation of “mv1” is illegal:

        mv1      , 7     // Illegal attempt to do ‘mov r0, 7’        

30.5.112 Example Macros

30.5.113 Example 1: Move 32-bit Value (mov32)

The mov32 macro is a good example of a simple macro that saves some typing and makes a source code look a little cleaner.

Note: The latest assembler supports 32-bit immediate values natively, making this MACRO undesirable for general use (but it makes a good macro example).

Specification:

//
// mov32 : Move a 32bit value to a register
//
// Usage:
//     mov32   dst, src    
//
// Sets dst = src. Src must be a 32 bit immediate value.
//
.macro  mov32               
.mparam dst, src
        mov     dst.w0, (src) & 0xFFFF
        mov     dst.w2, (src) >> 16
.endm       

Example Invocation:

The invocation for this macro is the same as the standard mov pseudo op:

        mov32   r0, 0x12345678

Example Expansion:

The expansion of the above invocation uses to immediate value moves to accomplish the 32-bit load.

        mov     r0.w0, (0x12345678) & 0xFFFF
        mov     r0.w2, (0x12345678) >> 16

30.5.114 Example 2: Quick Branch If in Range (qbir)

Any label defined within a macro is altered upon expansion to be unique. Thus internal labels are local to the macro and code defined outside of a macro cannot make direct use of a label that is defined inside a macro. However code contained within a macro can make free use of externally defined labels.

The qbir macro is a simple example that uses a local label. The macro instruction will jump to the supplied label if the test value is within the specified range.

Specification:

//
// qbir : Quick branch in range
//
// Usage:
//     qbir    label, test, low, high  
//
// Jumps to label if (low <= test <= high).
// Test must be a register. Low and high can be 
// a register or a 8 bit immediate value.
//
.macro  qbir
.mparam label, test, low, high
        qbgt    out_of_range, test, low
        qbge    label, test, high
out_of_range:
.endm  

Example Invocation:

The example below checks the value in R5 for membership of two different ranges. Note that the range “low” and “high” values could also come from registers. They do not need to be immediate values:

        qbir    range1, r5,  1,  9   // Jump if (1 <= r5 <= 9)
        qbir    range2, r5, 25, 50   // Jump if (25 <= r5 <= 50)

Example Expansion:

The expansion of the above invocation illustrates how external labels are used unmodified while internal labels are altered on expansion to make them unique.

        qbgt     _out_of_range_1_, R5, 1
        qbge     range1, r5, 9
_out_of_range_1_: 
        qbgt     _out_of_range_2_, R5, 25
        qbge     range2, r5, 50
_out_of_range_2_:

30.5.115 Using Structures and Scope

30.5.116 Basic Structures

Structures are used in PASM_2 to eliminate the tedious process of defining structure offset fields for using in LBBO/SBBO, and the even more painful process of mapping structures to registers.

30.5.117 Declaring Structure Types

Structures are declared in PASM_2 using the “.struct” dot command. This is similar to using a “typedef” in C. PASM_2 automatically processes each declared structure template and creates an internal structure type. The named structure type is not yet associated with any registers or storage. For example, say the application programmer has the following structure in C:

typedef struct _PktDesc {
    struct _PktDesc *pNext;
    char            *pBuffer;
    unsigned short  Offset;
    unsigned short  BufLength;
    unsigned short  Flags;
    unsigned short  PktLength;
} PKTDESC;

The equivalent PASM_2 structure type is created using the following syntax:

.struct PktDesc
    .u32    pNext
    .u32    pBuffer
    .u16    Offset
    .u16    BufLength
    .u16    Flags
    .u16    PktLength
.ends

30.5.118 Assigning Structure Interfaces to Registers

The second function of the PASM_2 structure is to allow the application developer to map structures onto the PRU register file without the need to manually allocate registers to each field. This is done through the “.assign” dot command. For example, say the application programmer performs the following assignment:

    .assign PktDesc, R4, R7, RxDesc   // Make sure this uses R4 thru R7

When PASM_2 sees this assignment, it will perform three tasks for the application developer:

  1. PASM_2 will verify that the structure perfectly spans the declared range (in this case R4 through R7). The application developer can avoid the formal range declaration by substituting ‘*’ for ‘R7’ above.
  2. PASM_2 will verify that all structure fields are able to be mapped onto the declared range without any alignment issues. If an alignment issue is found, it is reported as an error along with the field in question. Note that assignments can begin on any register boundary.
  3. PASM_2 will create an internal data type named “RxDesc”, which is of type “PktDesc”.

For the above assignment, PASM_2 will use the following variable equivalencies. Note that PASM_2 will automatically adjust for endian mode.

VariableLittle Endian
RxDescR4
RxDesc.pNextR4
RxDesc.pBufferR5
RxDesc.OffsetR6.w0
RxDesc.BufLengthR6.w2
RxDesc.FlagsR7.w0
RxDesc.PktLengthR7.w2

For example the source line below will be converted to the output shown:

        // Input Source Line
        ADD     r20, RxDesc.pBuffer, RxDesc.Offset
        // Output Source Line
        ADD     r20, R5, R6.w0

30.5.119 SIZE and OFFSET Operators

SIZE and OFFSET are two useful operators that can be applied to either structure types or structure assignments. The SIZE operator returns the byte size of the supplied structure or structure field. The OFFSET operator returns the byte offset of the supplied field from the start of the structure.

30.5.120 SIZE Operator Example

Using the assignment example from the previous section, the following SIZE equivalencies would apply:

Variable OperationResults
SIZE(PktDesc)16
SIZE(PktDesc.pNext)4
SIZE(PktDesc.pBuffer)4
SIZE(PktDesc.Offset)2
SIZE(PktDesc.BufLength)2
SIZE(PktDesc.Flags)2
SIZE(PktDesc.PktLength)2
SIZE(RxDesc)16
SIZE(RxDesc.pNext)4
SIZE(RxDesc.pBuffer)4
SIZE(RxDesc.Offset)2
SIZE(RxDesc.BufLength)2
SIZE(RxDesc.Flags)2
SIZE(RxDesc.PktLength)2

30.5.121 OFFSET Operator Example

Using the assignment example from the previous section, the following OFFSET equivalencies would apply:

Variable OperationResults
OFFSET(PktDesc)0
OFFSET(PktDesc.pNext)0
OFFSET(PktDesc.pBuffer)4
OFFSET(PktDesc.Offset)8
OFFSET(PktDesc.BufLength)10
OFFSET(PktDesc.Flags)12
OFFSET(PktDesc.PktLength)14
OFFSET(RxDesc)0
OFFSET(RxDesc.pNext)0
OFFSET(RxDesc.pBuffer)4
OFFSET(RxDesc.Offset)8
OFFSET(RxDesc.BufLength)10
OFFSET(RxDesc.Flags)12
OFFSET(RxDesc.PktLength)14

30.5.122 Using Variable Scopes

On larger PASM_2 applications, it is common for different structures to be applied to the same register range for use at different times in the code. For example, assume the programmer uses three structures, one called “global”, one called “init” and one called “work”. Assume that the global structure is always valid, but that the init and work structures do not need to be used at the same time.

The programmer could assign the structures as follows:

.assign struct_global,   R2, R8,  myGlobal 
.assign struct_init      R9, R12, init      // Registers shared with "work" 
.assign struct_work      R9, R13, work      // Registers shared with "init" 

The program code may look something like the following:

Start:
     call InitGlobalData
     mov  init.suff, myGlobal.data
Using R9 to R12 for "init" structure
     call InitProcessing
     qbbs InitComplete, init.flags.fComplete
DoWork:
     call LoadWorkRecord
     mov  r0, myGlobal.Status
Using R9 to R13 for "work" structure
     qbeq type1, work.type, myGlobal.WorkType1
...
InitProcessing:
     mov  init.start, init.stuff
     set  init.flags.fComplete
Using R9 to R12 for "init" structure
     ret

The code has been shaded to emphasize when the shared registers are being used for the “init” structure and when they are been used for the “work” structure. The above is quite legal, but in this example, PASM_2 does not provide any enforcement for the register sharing. For example, assume the work section of the code contained a reference to the “init” structure:

DoWork:
     call LoadWorkRecord
     mov  r0, myGlobal.Status
     set init.flags.fWorkStarted
The reference to "init" would not cause an assembly error.
     qbeq type1, work.type, myGlobal.WorkType1
...

The above example would not result in an assembly error even though using the same registers for two different purposes at the same time would result in a functional error.

To solve this potential problem, named variable scopes can be defined in which the register assignments are to be made. For example, the above shared assignments can be revised to as shown below to include the creation of variable scopes:

.assign struct_global,   R2, R8,  myGlobal // Available in all scopes 
.enter Init_Scope                          // Create new scope Init_Scope 
    .assign struct_init  R9, R12, init     // Only available in Init_Scope 
.leave Init_Scope                          // Leave scope Init_Scope
.enter Work_Scope                          // Create new scope Work_Scope
    .assign struct_work  R9, R13, work     // Only available in Work_Scope 
.leave Work_Scope                          // Leave scope Work_Scope

Once the scopes have been defined, the structures assigned within can only be accessed while the scope is open. Previously defined scopes can be reopened via the “.using” command.

.using Init_Scope
Start:
     call InitGlobalData
     mov  init.suff, myGlobal.data
Using "Init_Scope"
     call InitProcessing
     qbbs InitComplete, init.flags.fComplete
.leave Init_Scope
.using Work_Scope
DoWork:
     call LoadWorkRecord
     mov  r0, myGlobal.Status
Using "Work_Scope"
     qbeq type1, work.type, myGlobal.WorkType1
...
.leave Work_Scope
.using Init_Scope
InitProcessing:
     mov  init.start, init.stuff
     set  init.flags.fComplete
Using "Init_Scope"
     ret
.leave Init_Scope

When using scopes as in the above example, any attempted reference to a structure assignment made outside a currently open scope will result in an assembly error.

30.5.123 PRU Register Addressing and Spanning

Certain PRU instructions act upon or affect more than a single register field. These include MVIx, ZERO, SCAN, LBxO, and SBxO. It is important to understand how register fields are packed into registers, and how these fields are addressed when using one of these PRU functions.

30.5.124 PRU Little Endian Register Mapping

The registers of the PRU are memory mapped with the little endian byte ordering scheme. For example, say we have the following registers set to the given values:

R0 = 0x80818283

R1 = 0x84858687

The following table is the register mapping to byte offset in little endian:

Table 30-70 Register Byte Mapping in Little Endian
Byte Offset01234567
Register FieldR0.b0R0.b1R0.b2R0.b3R1.b0R1.b1R1.b2R1.b3
Example Value0x830x820x810x800x870x860x850x84

There are three factors affected by register mapping and little endian mapping. There are register spans, the first byte affected in a register field, and register addressing. In addition, there are some alterations in PRU opcode encoding.

30.5.125 PRU Register Spans

The concept of how the register file is spanned can be best viewed using the tables created in the example from section 3.3.1. Registers are spanned by incrementing the byte offset from the start of the register file for each subsequent byte.

For example assume we have the following registers set to their indicated values:

R0 = 0x80818283

R1 = 0x84858687

R2 = 0x00001000

If the instruction “SBBO R0.b2, R2, 0, 5” is executed, it will result in a memory write to memory address 0x1000 as shown in little endian:

Table 30-71 SBBO Result for Little Endian Mode
Byte Address0x10000x10010x10020x10030x1004
Value0x810x800x870x860x85

30.5.126 PRU First Byte Affected

The first affected byte in a register field is literally the first byte to be altered when executing a PRU instruction. For example, in the instruction “LBBO R0, R1, 0, 4”, the first byte to be affected by the LBBO is R0.b0 in little endian. The width of a field in a register span operation is almost irrelevant in little endian, since the first byte affected is independent of field width. For example, consider the following table:

Table 30-72 First Byte Affected in Little Endian Mode
Register ExpressionFirst Byte Affected
R0R0.b0
R0.w0R0.b0
R0.w1R0.b1
R0.w2R0.b2
R0.b0R0.b0
R0.b1R0.b1
R0.b2R0.b2
R0.b3R0.b3

As can be seen in the table above, for any expression the first byte affected is always the byte offset of the field within the register. Thus in little endian, the expressions listed below all result in identical behavior.

  • LBBO R0, R1, 0, 4
  • LBBO R0.w0, R1, 0, 4
  • LBBO R0.b0, R1, 0, 4

30.5.127 PRU Register Address

The MVIx, ZERO, SCAN, LBxO, and SBxO instructions may use or require a register address instead of the direct register field in the instruction. In the assembler a leading ‘&’ character is used to specify that a register address is to be used. The address of a register is defined to be the byte offset within the register file of the first affected byte in the supplied field.

Given the information already presented in this chapter, it should be straight forward to verify the following register address mappings:

Table 30-73 Register Addressing in Little Endian
Register Address ExpressionLittle Endian
First Byte AffectedRegister Address
&RnRn.b0(n*4)
&Rn.w0Rn.b0(n*4)
&Rn.w1Rn.b1(n*4) + 1
&Rn.w2Rn.b2(n*4) + 2
&Rn.b0Rn.b0(n*4)
&Rn.b1Rn.b1(n*4) + 1
&Rn.b2Rn.b2(n*4) + 2
&Rn.b3Rn.b3(n*4) + 3

Register addresses are very useful for writing endian agnostic code, or for overriding the declared field widths in a structure element.

30.5.128 PRU Opcode Generation

The PRU binary opcode formats for LBBO, SBBO, LBCO, and SBCO use a byte offset for the source/destination register in the PRU register file. For example, only the following destination fields can actually be encoded into a PRU opcode for register R1:

  • LBBO R1.b0, R0, 0, 4
  • LBBO R1.b1, R0, 0, 4
  • LBBO R1.b2, R0, 0, 4
  • LBBO R1.b3, R0, 0, 4

30.5.129 PRU Instruction Set

This section gives the Instruction set of the PRU cores integrated in the device PRU Subsystem.

30.5.130 Arithmetic and Logical

All operations are 32 bits wide (with a 33-bit result in the case of arithmetic). The source values are zero extended prior to the operation. If the destination is too small to accept the result, the result is truncated.

On arithmetic operations, the first bit to the right of the destination width becomes the carry value. Thus if the destination register is an 8 bit field, bit 8 of the result becomes the carry. For 16 and 32 bit destinations, bit 16 and bit 32 are used as the carry bit respectively.

30.5.131 Unsigned Integer Add (ADD)

Performs 32-bit add on two 32 bit zero extended source values.

Definition:

ADD REG1, REG2, OP(255)

Operation:

REG1 = REG2 + OP(255) 
carry   = (( REG2 + OP(255) ) >> bitwidth(REG1)) & 1

Example:

add     r3, r1, r2
add     r3, r1.b0, r2.w2
add     r3, r3, 10

30.5.132 Unsigned Integer Add with Carry (ADC)

Performs 32-bit add on two 32 bit zero extended source values, plus a stored carry bit.

Definition:

ADC REG1, REG2, OP(255)

Operation:

REG1 = REG2 + OP(255) + carry
carry   = (( REG2 + OP(255) + carry ) >> bitwidth(REG1)) & 1

Example:

adc     r3, r1, r2
adc     r3, r1.b0, r2.w2
adc     r3, r3, 10

30.5.133 Unsigned Integer Subtract (SUB)

Performs 32-bit subtract on two 32 bit zero extended source values.

Definition:

SUB REG1, REG2, OP(255)

Operation:

REG1 = REG2 - OP(255) 
carry   = (( REG2 - OP(255) ) >> bitwidth(REG1)) & 1

Example:

sub     r3, r1, r2
sub     r3, r1.b0, r2.w2
sub     r3, r3, 10

30.5.134 Unsigned Integer Subtract with Carry (SUC)

Performs 32-bit subtract on two 32 bit zero extended source values with carry (borrow).

Definition:

SUC REG1, REG2, OP(255)

Operation:

REG1 = REG2 - OP(255) - carry
carry   = (( REG2 - OP(255) - carry ) >> bitwidth(REG1)) & 1

Example:

suc     r3, r1, r2
suc     r3, r1.b0, r2.w2
suc     r3, r3, 10

30.5.135 Reverse Unsigned Integer Subtract (RSB)

Performs 32-bit subtract on two 32 bit zero extended source values. Source values reversed.

Definition:

RSB REG1, REG2, OP(255)

Operation:

REG1 = OP(255) - REG2
carry   = (( OP(255) - REG2 ) >> bitwidth(REG1)) & 1

Example:

rsb     r3, r1, r2
rsb     r3, r1.b0, r2.w2
rsb     r3, r3, 10

30.5.136 Reverse Unsigned Integer Subtract with Carry (RSC)

Performs 32-bit subtract on two 32 bit zero extended source values with carry (borrow). Source values reversed.

Definition:

RSC REG1, REG2, OP(255)

Operation:

REG1 = OP(255) - REG2 - carry
carry   = (( OP(255) - REG2 - carry ) >> bitwidth(REG1)) & 1

Example:

rsc     r3, r1, r2
rsc     r3, r1.b0, r2.w2
rsc     r3, r3, 10

30.5.137 Logical Shift Left (LSL)

Performs 32-bit shift left of the zero extended source value.

Definition:

LSL REG1, REG2, OP(31)

Operation:

REG1 = REG2 << ( OP(31) & 0x1f )

Example:

lsl     r3, r3, 2
lsl     r3, r3, r1.b0 
lsl     r3, r3.b0, 10

30.5.138 Logical Shift Right (LSR)

Performs 32-bit shift right of the zero extended source value.

Definition:

LSR REG1, REG2, OP(31)

Operation:

REG1 = REG2 >> ( OP(31) & 0x1f )

Example:

lsr     r3, r3, 2
lsr     r3, r3, r1.b0 
lsr     r3, r3.b0, 10

30.5.139 Bitwise AND (AND)

Performs 32-bit logical AND on two 32 bit zero extended source values.

Definition:

AND REG1, REG2, OP(255)

Operation:

REG1 = REG2 & OP(255)

Example:

and     r3, r1, r2
and     r3, r1.b0, r2.w2
and     r3.b0, r3.b0, ~(1<<3)    // Clear bit 3

30.5.140 Bitwise OR (OR)

Performs 32-bit logical OR on two 32 bit zero extended source values.

Definition:

OR REG1, REG2, OP(255)

Operation:

REG1 = REG2 | OP(255)

Example:

or      r3, r1, r2
or      r3, r1.b0, r2.w2
or      r3.b0, r3.b0, 1<<3     // Set bit 3

30.5.141 Bitwise Exclusive OR (XOR)

Performs 32-bit logical XOR on two 32 bit zero extended source values.

Definition:

XOR REG1, REG2, OP(255)

Operation:

REG1 = REG2 ^ OP(255)

Example:

xor      r3, r1, r2
xor      r3, r1.b0, r2.w2
xor      r3.b0, r3.b0, 1<<3   // Toggle bit 3

30.5.142 Bitwise not (not)

Performs 32-bit logical not on the 32 bit zero extended source value.

Definition:

not REG1, REG2

Operation:

REG1 = ~REG2

Example:

not      r3, r3
not      r1.w0, r1.b0

30.5.143 Copy Minimum (MIN)

Compares two 32 bit zero extended source values and copies the minimum value to the destination register.

Definition:

MIN REG1, REG2, OP(255)

Operation:

if( OP(255) > REG2 )
        REG1 = REG2;
else
        REG1 = OP(255);

Example:

min      r3, r1, r2
min      r1.w2, r1.b0, 127

30.5.144 Copy Maximum (MAX)

Compares two 32 bit zero extended source values and copies the maximum value to the destination register.

Definition:

MAX REG1, REG2, OP(255)

Operation:

if( OP(255) > REG2 )
        REG1 = REG2;
else
        REG1 = OP(255);

Example:

max      r3, r1, r2
max      r1.w2, r1.b0, 127

30.5.145 Clear Bit (CLR)

Clears the specified bit in the source and copies the result to the destination. Various calling formats are supported:

Format 1:

Definition:

CLR REG1, REG2, OP(255)

Operation:

REG1 = REG2 & ~( 1 << (OP(31) & 0x1f) )

Example:

clr      r3, r1, r2          // r3 = r1 & ~(1<<r2)
clr      r1.b1, r1.b0, 5     // r1.b1 = r1.b0 & ~(1<<5)

Format 2 (same source and destination):

Definition:

CLR REG1, OP(255)

Operation:

REG1 = REG1 & ~( 1 << (OP(31) & 0x1f) )

Example:

clr      r3, r1             // r3 = r3 & ~(1<<r1)
clr      r1.b1, 5           // r1.b1 = r1.b1 & ~(1<<5)

Format 3 (source abbreviated):

Definition:

CLR REG1, Rn.tx

Operation:

REG1 = Rn & ~Rn.tx

Example:

clr      r3, r1.t2         // r3 = r1 & ~(1<<2)
clr      r1.b1, r1.b0.t5   // r1.b1 = r1.b0 & ~(1<<5)

Format 4 (same source and destination – abbreviated):

Definition:

CLR Rn.tx

Operation:

Rn = Rn & ~Rn.tx

Example:

clr      r3.t2             // r3 = r3 & ~(1<<2)

30.5.146 Set Bit

Sets the specified bit in the source and copies the result to the destination. Various calling formats are supported.

Note: Whenever R31 is selected as the source operand to a SET, the resulting source bits will be NULL, and not reflect the current input event flags that are normally obtained by reading R31.

Format 1:

Definition:

SET REG1, REG2, OP(255)

Operation:

REG1 = REG2 | ( 1 << (OP(31) & 0x1f) )

Example:

set      r3, r1, r2          // r3 = r1 | (1<<r2)
set      r1.b1, r1.b0, 5     // r1.b1 = r1.b0 | (1<<5)

Format 2 (same source and destination):

Definition:

SET REG1, OP(255)

Operation:

REG1 = REG1 | ( 1 << (OP(31) & 0x1f) )

Example:

set      r3, r1             // r3 = r3 | (1<<r1)
set      r1.b1, 5           // r1.b1 = r1.b1 | 1<<5)

Format 3 (source abbreviated):

Definition:

SET REG1, Rn.tx

Operation:

REG1 = Rn | Rn.tx

Example:

set      r3, r1.t2         // r3 = r1 | (1<<2)
set      r1.b1, r1.b0.t5   // r1.b1 = r1.b0 | (1<<5)

Format 4 (same source and destination – abbreviated):

Definition:

SET Rn.tx

Operation:

Rn = Rn | Rn.tx

Example:

set      r3.t2             // r3 = r3 | (1<<2)

30.5.147 Left-Most Bit Detect (LMBD)

Scans REG2 from its left-most bit for a bit value matching bit 0 of OP(255), and writes the bit number in REG1 (writes 32 to REG1 if the bit is not found).

Definition:

LMBD REG1, REG2, OP(255)

Operation:

for( i=(bitwidth(REG2)-1); i>=0; i-- )
if( !((( REG2>>i) ^ OP(255))&1) )
    break;
if( i<0 )
    REG1 = 32;
else
    REG1 = i;

Example:

lmbd     r3, r1, r2
lmbd     r3, r1, 1
lmbd     r3.b3, r3.w0, 0

30.5.148 NULL Operation (NOPn)

This instruction performs no standard operation. The instruction may or may not provide custom functionality that will vary from platform to platform.

There are 16 forms of the instruction including NOP0 through NOP9, and NOPA through NOPF.

Definition:

NOPn REG1, REG2, OP(255)

Operation:

NULL operation or Platform dependent

Example:

nop0     r3, r1, r2
nop9     r3, r1.b0, r2.w2
nopf     r3, r3, 10

30.5.149 PRU Register Load and Store

30.5.150 Copy Value (MOV)

The MOV instruction moves the value from OP(0xFFFFFFFF), zero extends it, and stores it into REG1. The instruction is a pseudo op, and is coded with different PRU instructions, depending on how it is used. When used with a constant, it is similar to the LDI instruction except that it allows for moving values up to 32-bits by automatically inserting two LDI instructions. It will always select the optimal coding method to perform the desired operation.

Definition:

MOV REG1, OP(0xFFFFFFFF)

Operation:

REG1 = OP(0xFFFFFFFF)

Example:

mov     r3, r1
mov     r3, r1.b0        // Zero extend r1.b0 into r3
mov     r1, 10           // Move 10 into r1
mov     r1, #10          // Move 10 into r1
mov     r1, 0b10 + 020/2 // Move 10 into r1
mov     r1, 0x12345678   // Move 0x12345678 into r1
mov     r30.b0, &r2      // Move the offset of r2 into r30.b0

30.5.151 Load Immediate (LDI)

The LDI instruction moves the value from IM(65535), zero extends it, and stores it into REG1. This instruction is one form of MOV (the MOV pseudo op uses LDI when the source data is an immediate value).

Definition:

LDI REG1, IM(65535)

Operation:

REG1 = IM(65535)

Example:

ldi     r1, 10           // Load 10 into r1
ldi     r1, #10          // Load 10 into r1
ldi     r1, 0b10 + 020/2 // Load 10 into r1
ldi     r30.b0, &r2      // Load the offset of r2 into r30.b0

30.5.152 Move Register File Indirect (MVIx)

The MVIx instruction family moves an 8-, 16-, or 32-bit value from the source to the destination. The size of the value is determined by the exact instruction used; MVIB, MVIW, and MVID, for 8-, 16-, and 32-bit values respectively. The source, destination, or both can be register pointers. There is an option for auto-increment and auto-decrement on register pointers.

Definition:

MVIB	[*][&][--]REG1[++], [*][&][--]REG2[++]  
MVIW	[*][&][--]REG1[++], [*][&][--]REG2[++]  
MVID	[*][&][--]REG1[++], [*][&][--]REG2[++]  

Operation:

  • Register pointers are byte offsets into the register file
  • Auto increment and decrement operations are done by the byte width of the operation
    • Increments are post-increment; incremented after the register offset is used
    • Decrements are pre-decrement; decremented before the register offset is used
  • When the destination register is not expressed as register pointer, the size of the data written is determined by the field width of the destination register. If the data transfer size is less than the width of the destination, the data is zero extended. Size conversion occurs after indirect reads, and before indirect writes.
  • When the source register is not expressed as a register pointer, the size of the data read is the lesser of register source width and the instruction width. For example, a MVIB from R0 will read only 8 bits from R0.b3, and a MVID from R0.b3 will read 8 bits from R0.b3 (and then zero extend it to a 32-bit value).

Note that register pointer registers are restricted to r1.b0, r1.b1, r1.b2, and r1.b3.

30.5.153 Notes on Endian Mode and Size Conversion

On an indirect read operation, the data is first read indirectly using the source pointer. The resulting data size is the size specified by the MVIx opcode. It is then converted to the destination register size using truncation or zero extend.

Say we have the following registers set:

R1.b0 = 8 (this is &R2)
R2 = 0x01020304
R3 = 0

The following are some indirect read examples:

OperationResult
Little Endian
mvib r3, *r1.b0R3 = 0x00000004
mviw r3, *r1.b0R3 = 0x00000304
mvid r3, *r1.b0R3 = 0x01020304
mvid r3.w0, *r1.b0R3 = 0x00000304
mvid r3.b0, *r1.b0R3 = 0x00000004

On an indirect write operation, the data is first converted to the size as specified by the MVIx opcode using zero extend or truncation. It is then written indirectly using the destination pointer.

Say we have the following registers set:

R1.b0 = 8 (this is &R2)
R2 = 0
R3 = 0x01020304

The following are some indirect write examples:

OperationResult
Little Endian
mvib *r1.b0, r3R2 = 0x00000004
mviw *r1.b0, r3R2 = 0x00000304
mvid *r1.b0, r3R2 = 0x01020304
mvid *r1.b0, r3.w0R2 = 0x00000304
mvid *r1.b0, r3.b0R2 = 0x00000004

30.5.154 Load Byte Burst (LBBO)

The LBBO instruction is used to read a block of data from memory into the register file. The memory address to read from is specified by a 32 bit register (Rn2), using an optional offset. The destination in the register file can be specified as a direct register, or indirectly through a register pointer.

Note: Either the traditional direct register syntax or the more recent register address offset syntax can be used for the first parameter.

Format 1 (immediate count):

Definition:

LBBO REG1, Rn2, OP(255), IM(124) 

Operation:

memcpy( offset(REG1), Rn2+OP(255), IM(124) );

Example:

lbbo     r2, r1, 5, 8      // Copy 8 bytes into r2/r3 from the
                           // memory address r1+5
lbbo     &r2, r1, 5, 8     // Copy 8 bytes into r2/r3 from the
                           // memory address r1+5

Format 2 (register count):

Definition:

LBBO REG1, Rn2, OP(255), bn

Operation:

memcpy( offset(REG1), Rn2+OP(255), bn );

Example:

lbbo     r3, r1, r2.w0, b0 // Copy "r0.b0" bytes into r3 from the
                           // memory address r1+r2.w0
lbbo     &r3, r1, r2.w0, b0 // Copy "r0.b0" bytes into r3 from the
                            // memory address r1+r2.w0

30.5.155 Store Byte Burst (SBBO)

The SBBO instruction is used to write a block of data from the register file into memory. The memory address to write to is specified by a 32 bit register (Rn2), using an optional offset. The source in the register file can be specified as a direct register, or indirectly through a register pointer.

Note: Either the traditional direct register syntax or the more recent register address offset syntax can be used for the first parameter.

Format 1 (immediate count):

Definition:

SBBO REG1, Rn2, OP(255), IM(124)

Operation:

memcpy( Rn2+OP(255), offset(REG1), IM(124) );

Example:

sbbo     r2, r1, 5, 8      // Copy 8 bytes from r2/r3 to the
                           // memory address r1+5
sbbo     &r2, r1, 5, 8     // Copy 8 bytes from r2/r3 to the
                           // memory address r1+5

Format 2 (register count):

Definition:

SBBO REG1, Rn2, OP(255), bn

Operation:

memcpy( Rn2+OP(255), offset(REG1), bn );

Example:

sbbo     r3, r1, r2.w0, b0 // Copy "r0.b0" bytes from r3 to the
                           // memory address r1+r2.w0
sbbo     &r3, r1, r2.w0, b0 // Copy "r0.b0" bytes from r3 to the
                            // memory address r1+r2.w0

30.5.156 Load Byte Burst with Constant Table Offset (LBCO)

The LBCO instruction is used to read a block of data from memory into the register file. The memory address to read from is specified by a 32 bit constant register (Cn2), using an optional offset from an immediate or register value. The destination in the register file is specified as a direct register.

Note: Either the traditional direct register syntax or the more recent register address offset syntax can be used for the first parameter.

Format 1 (immediate count):

Definition:

LBCO REG1, Cn2, OP(255), IM(124)

Operation:

memcpy( offset(REG1), Cn2+OP(255), IM(124) );

Example:

lbco     r2, c1, 5, 8      // Copy 8 bytes into r2/r3 from the
                           // memory address c1+5
lbco     &r2, c1, 5, 8     // Copy 8 bytes into r2/r3 from the
                           // memory address c1+5

Format 2 (register count):

Definition:

LBCO REG1, Cn2, OP(255), bn

Operation:

memcpy( offset(REG1), Cn2+OP(255), bn );

Example:

lbco     r3, c1, r2.w0, b0 // Copy "r0.b0" bytes into r3 from the
                           // memory address c1+r2.w0
lbco     &r3, c1, r2.w0, b0 // Copy "r0.b0" bytes into r3 from the
                            // memory address c1+r2.w0

30.5.157 Store Byte Burst with Constant Table Offset (SBCO)

The SBCO instruction is used to write a block of data from the register file into memory. The memory address to write to is specified by a 32 bit constant register (Cn2), using an optional offset from an immediate or register value. The source in the register file is specified as a direct register.

Note: Either the traditional direct register syntax or the more recent register address offset syntax can be used for the first parameter.

Format 1 (immediate count):

Definition:

SBCO REG1, Cn2, OP(255), IM(124)

Operation:

memcpy( Cn2+OP(255), offset(REG1), IM(124) );

Example:

sbco     r2, c1, 5, 8      // Copy 8 bytes from r2/r3 to the
                           // memory address c1+5
sbco     &r2, c1, 5, 8     // Copy 8 bytes from r2/r3 to the
                           // memory address c1+5

Format 2 (register count):

Definition:

SBCO REG1, Cn2, OP(255), bn

Operation:

SBCO REG1, Cn2, OP(255), bn

Example:

sbco     r3, c1, r2.w0, b0 // Copy "r0.b0" bytes from r3 to the
                           // memory address c1+r2.w0
sbco     &r3, c1, r2.w0, b0 // Copy "r0.b0" bytes from r3 to the
                            // memory address c1+r2.w0

30.5.158 Clear Register Space (ZERO)

Clear space in the register file (set to zero).

Definition:

ZERO IM(123), IM(124)
ZERO &REG1, IM(124)

Operation: The register file data starting at offset IM(123) (or &REG1) with a length of IM(124) is cleared to zero.

Example:

zero    0, 8     // Set R0 and R1 to zero
zero    &r0, 8   // Set R0 and R1 to zero
// Set all elements in myStruct zero
zero    &myStruct, SIZE(myStruct)

This pseudo-op is implemented using a form of the XFR instruction, and always completes in a single clock cycle.

30.5.159 Fill Register Space (FILL)

Set all bits in a register file range.

Definition:

FILL IM(123), IM(124)
FILL &REG1, IM(124)

Operation: The register file data starting at offset IM(123) (or &REG1) with a length of IM(124) is set to one.

Example:

fill    0, 8     // Set R0 and R1 to 0xFFFFFFFF
fill    &r0, 8   // Set R0 and R1 to 0xFFFFFFFF
// Set all elements in myStruct 0xFF
fill    &myStruct, SIZE(myStruct)

This pseudo-op will generate the necessary XFR instruction and will always complete in a single clock cycle.

30.5.160 PRU Register Transfer In, Out, and Exchange (XIN, XOUT, XCHG)

These XFR pseudo-ops use the XFR wide transfer bus to read in a range of bytes into the register file, write out a range of bytes from the register file, or exchange the range of bytes to/from the register file.

Definition:

XIN	IM(253), REG, IM(124)
XIN	IM(253), REG, bn
XOUT	IM(253), REG, IM(124)
XOUT	IM(253), REG, bn
XCHG	IM(253), REG, IM(124)
XCHG	IM(253), REG, bn

Operation:

On XIN, the register file data starting at the register REG with a length of IM(124) is read in from the parallel XFR interface from the hardware device with the device id specified in IM(253).

On XOUT, the register file data starting at the register REG with a length of IM(124) is written out to the parallel XFR interface to the hardware device with the device id specified in IM(253).

On XCHG, the register file data starting at the register REG with a length of IM(124) is exchanged on the parallel XFR interface between the register file and the hardware device with the device id specified in IM(253).

Example:

XIN   XID_SCRATCH, R2, 8   // Read 8 bytes from scratch to R2:R3
XOUT  XID_SCRATCH, R2, b2  // Write ‘b2’ byte to scratch starting at R2
XCHG  XID_SCRATCH, R2, 8   // Exchange the values of R2:R3 with 8 bytes
                           // from scratch
XIN   XID_PKTFIFO, R6, 24  // Read 24 bytes from the "Packet FIFO"
                           // info R6:R7:R8:R9

30.5.161 PRU Register and Status Transfer In, Out, and Exchange (SXIN, SXOUT, SXCHG)

These XFR pseudo-ops use the XFR wide transfer bus to read in a range of bytes into the register file, write out a range of bytes from the register file, or exchange the range of bytes to/from the register file. This version also transfers status along with any specified registers.

Definition:

SXIN	IM(253), REG, IM(124)
SXIN	IM(253), REG, bn
SXOUT	IM(253), REG, IM(124)
SXOUT	IM(253), REG, bn
SXCHG	IM(253), REG, IM(124)
SXCHG	IM(253), REG, bn

Operation: Operation of their instructions is identical to their non-status counterparts, except that core status is transferred along with any specified registers. Status includes things such as instruction pointer and the carry/borrow bit.

30.5.162 Notes on the PRU Register Transfer Bus

All register transfers use the same fixed alignment. For example, the contents of R0.b3 may only be transferred to the exact byte location that is mapped to R0.b3 on the destination device. Although transfers ideally complete in one cycle, peripherals have the ability to stall the PRU when a transfer can not be completed.

A transfer can start and end on a register byte boundary, but must be contiguous. For example, a transfer of 9 bytes starting at R0.b1 will transfer the following bytes:

Endian ModeBytes Transferred (9 bytes starting with R0.b1)
Little EndianR0.b1, R0.b2, R0.b3, R1.b0, R1.b1, R1.b2, R1.b3, R2.b0, R2.b1

Some peripherals may limit transfers to multiples of 4 bytes on word boundaries.

30.5.163 PRU Transfer Bus Hardware Connection

The transfer bus coming out of the PRU consists of 124 bytes of data and a sufficient number of control lines to control the transfer. Any given transfer will consist of a direction (in or out of the PRU), a peripheral ID, a starting byte offset, and a length. These can be represented in hardware as register and byte enable signals as needed for a proper implementation (which is beyond the scope of this description).

How the bus transfer is used is entirely up to the peripherals that connect to it. The number of registers that are implemented on the peripheral and how they align to the PRU register file is determined by the peripheral connection. For example, the system below connects PRU registers R1::R3 to “peripheral A” registers A0::A2, and connects PRU registers R2::R4 to “peripheral B” registers B0::B2.

AM571x PRU Peripherals Mapped to PRU Transfer BusFigure 30-31 PRU Peripherals Mapped to PRU Transfer Bus

30.5.164 External Peripherals vs PRU Register Mappings

Using the XFR command, the PRU can transfer register contents between its register file and externally connected peripherals. The transfer id used for the source and destination allows for up to 253 additional peripherals to be connected to the PRU with register transfer capability.

Not all peripherals will implement the entire 32 PRU register space, and any transfer from space that is not implemented on the peripheral will return undefined results. Peripherals that do not implement the full space can define which register range to implement, and can even replicated a smaller set of registers across the PRU register space.

The example below shows two possible implementations of a peripheral that only contains a 32 byte data window (8 registers). The first example has a straight register mapping. The second example maps three PRU register spans onto the same local peripheral space. This allows the PRU to transfer peripheral data to or from any one of the three possible spans, allowing for much greater flexibility in using the peripheral.

AM571x Possible Implementations of a 32-Byte Data Window PeripheralFigure 30-32 Possible Implementations of a 32-Byte Data Window Peripheral

It is also possible for a peripheral to map the same PRU registers into multiple internal device registers by using more that one peripheral ID. For example, below are two possible implementations of a peripheral with a 64 byte register space. The first uses a standard transfer, while the second makes use of 2 transfer ID values to allow the same PRU register span to be mapped to both of its internal register sets. Mapping the same PRU register space into multiple peripheral registers can benefit the PRU when the entire space need not be valid at any particular time. For example, a network packet search engine may map the Layer 2 fields to the same PRU register space at the Layer 3 fields, knowing that they both do not need to be valid at the same time and thus freeing up addition PRU registers for other use.

AM571x PRU Registers Mapped into Multiple Internal Device Registers Figure 30-33 PRU Registers Mapped into Multiple Internal Device Registers

30.5.165 PRU Flow Control

30.5.166 Unconditional Jump (JMP)

Unconditional jump to a 16 bit instruction address, specified by register or immediate value.

Definition:

JMP OP(65535)

Operation:

PRU Instruction Pointer = OP(65535)

Example:

jmp     r2.w0    // Jump to the address stored in r2.w0
jmp     myLabel  // Jump to the supplied code label

30.5.167 Unconditional Jump and Link (JAL)

Unconditional jump to a 16 bit instruction address, specified by register or immediate value. The address following the JAL instruction is stored into REG1, so that REG1 can later be used as a “return” address.

Definition:

JAL REG1, OP(65535)

Operation:

REG1 = Current PRU Instruction Pointer + 1
PRU Instruction Pointer = OP(65535)

Example:

jal     r2.w2, r2.w0      // Jump to the address stored in r2.w0
                          // put return location in r2.w2
jal     r30.w0, myLabel   // Jump to the supplied code label and
                          // put the return location in r30.w0

30.5.168 Call Procedure (CALL)

The CALL instruction is a pseudo op designed to emulate a subroutine call on a stack based processor. Here, the JAL instruction is used with a specific call/ret register being the location to save the return pointer. The default register is R30.w0, but this can be changed by using the .setcallreg dot command. This instruction works in conjunction with the “.ret” dot command (deprecated) or the RET pseudo op instruction.

Definition:

CALL OP(65535)

Operation:

JAL call register, OP(65535)   (where call register defaults to r30.w0)

Example:

call    r2.w0    // Call to the address stored in r2.w0
call    myLabel  // Call to the supplied code label

30.5.169 Return from Procedure (RET)

The RET instruction is a pseudo op designed to emulate a subroutine return on a stack based processor. Here, the JMP instruction is used with a specific call/ret register being the location of the return pointer. The default register is R30.w0, but this can be changed by using the .setcallreg dot command. This instruction works in conjunction with the CALL pseudo op instruction.

Definition:

RET

Operation:

JMP call register   (where call register defaults to r30.w0)

Example:

ret    // Return address stored in our call register

30.5.170 Quick Branch if Greater Than (QBGT)

Jumps if the value of OP(255) is greater than REG1.

Definition:

QBGT LABEL, REG1, OP(255)

Operation: Branch to LABEL if OP(255) > REG1

Example:

qbgt    myLabel, r2.w0, 5  // Branch if 5 > r2.w0
qbgt    myLabel, r3, r4    // Branch if r4 > r3

30.5.171 Quick Branch if Greater Than or Equal (QBGE)

Jumps if the value of OP(255) is greater than or equal to REG1.

Definition:

QBGE LABEL, REG1, OP(255)

Operation:

Branch to LABEL if OP(255) >= REG1

Example:

qbge    myLabel, r2.w0, 5  // Branch if 5 >= r2.w0
qbge    myLabel, r3, r4    // Branch if r4 >= r3

30.5.172 Quick Branch if Less Than (QBLT)

Jumps if the value of OP(255) is less than REG1.

Definition:

QBLT LABEL, REG1, OP(255)

Operation:

Branch to LABEL if OP(255) < REG1

Example:

qblt    myLabel, r2.w0, 5  // Branch if 5 < r2.w0
qblt    myLabel, r3, r4    // Branch if r4 < r3

30.5.173 Quick Branch if Less Than or Equal (QBLE)

Jumps if the value of OP(255) is less than or equal to REG1.

Definition:

QBLE LABEL, REG1, OP(255)

Operation:

Branch to LABEL if OP(255) <= REG1

Example:

qble    myLabel, r2.w0, 5  // Branch if 5 <= r2.w0
qble    myLabel, r3, r4    // Branch if r4 <= r3

30.5.174 Quick Branch if Equal (QBEQ)

Jumps if the value of OP(255) is equal to REG1.

Definition:

QBGT LABEL, REG1, OP(255)

Operation:

Branch to LABEL if OP(255) == REG1

Example:

qbeq    myLabel, r2.w0, 5  // Branch if r2.w0==5
qbeq    myLabel, r3, r4    // Branch if r4==r3

30.5.175 Quick Branch if Not Equal (QBNE)

Jumps if the value of OP(255) is not equal to REG1.

Definition:

QBNE LABEL, REG1, OP(255)

Operation:

Branch to LABEL if OP(255) != REG1

Example:

qbne    myLabel, r2.w0, 5  // Branch if r2.w0==5
qbne    myLabel, r3, r4    // Branch if r4!=r3

30.5.176 Quick Branch Always (QBA)'

Jump always. This is similar to the JMP instruction, only QBA uses an address offset and thus can be relocated in memory.

Definition:

QBA LABEL

Operation:

Branch to LABEL

Example:

qba    myLabel	  // Branch

30.5.177 Quick Branch if Bit is Set (QBBS)

Jumps if the bit OP(31) is set in REG1.

Format 1:

Definition:

QBBS LABEL, REG1, OP(255)

Operation:

Branch to LABEL if( REG1 & ( 1 <<  (OP(31) & 0x1f) ) )

Example:

qbbs     myLabel r3, r1     // Branch if( r3&(1<<r1) )
qbbs     myLabel, r1.b1, 5  // Branch if( r1.b1 & 1<<5 )

Format 2:

Definition:

QBBS LABEL, Rn.tx

Operation:

Branch to LABEL if( Rn & Rn.tx )

Example:

qbbs     myLabel, r1.b1.t5	// Branch if( r1.b1 & 1<<5 )
qbbs     myLabel, r0.t0    // Brach if bit 0 in R0 is set

30.5.178 Quick Branch if Bit is Clear (QBBC)

Jumps if the bit OP(31) is clear in REG1.

Format 1:

Definition:

QBBC LABEL, REG1, OP(255)

Operation:

Branch to LABEL if( !(REG1 & ( 1 <<  (OP(31) & 0x1f) )) )

Example:

qbbc     myLabel r3, r1     // Branch if( !(r3&(1<<r1)) )
qbbc     myLabel, r1.b1, 5  // Branch if( !(r1.b1 & 1<<5) )

Format 2:

Definition:

QBBC LABEL, Rn.tx

Operation:

Branch to LABEL if( !(Rn & Rn.tx) )

Example:

qbbc     myLabel, r1.b1.t5	// Branch if( !(r1.b1 & 1<<5) )
qbbc     myLabel, r0.t0    // Brach if bit 0 in R0 is clear

30.5.179 Wait Until Bit Set (WBS)

The WBS instruction is a pseudo op that uses the QBBC instruction. It is used to poll on a status bit, spinning until the bit is set. In this case, REG1 is almost certainly R31, else this instruction could lead to an infinite loop.

Format 1:

Definition:

WBS REG1, OP(255)

Operation:

QBBC $, REG1, OP(255)

Example:

wbs     r31, r1     	// Spin here while ( !(r31&(1<<r1)) )
wbs     r31.b1, 5  	// Spin here while ( !(r31.b1 & 1<<5) )

Format 2:

Definition:

WBS Rn.tx

Operation:

QBBC $, Rn.tx

Example:

wbs     r31.b1.t5     // Spin here while ( !(r31.b1 & 1<<5) )
wbs     r31.t0        // Spin here while bit 0 in R31 is clear

30.5.180 Wait Until Bit Clear (WBC)

The WBC instruction is a pseudo op that uses the QBBS instruction. It is used to poll on a status bit, spinning until the bit is clear. In this case, REG1 is almost certainly R31, else this instruction could lead to an infinite loop.

Format 1:

Definition:

WBC REG1, OP(255)

Operation:

QBBS $, REG1, OP(255)

Example:

wbc     r31, r1     	// Spin here while ( r31&(1<<r1) )
wbc     r31.b1, 5  	// Spin here while ( r31.b1 & 1<<5 )

Format 2:

Definition:

WBC Rn.tx

Operation:

QBBS $, Rn.tx

Example:

wbc     r31.b1.t5    // Spin here while ( r31.b1 & 1<<5 )
wbc     r31.t0       // Spin here while bit 0 in R31 is set

30.5.181 Halt Operation (HALT)

The HALT instruction disables the PRU. This instruction is used to implement software breakpoints in a debugger. The PRU program counter remains at its current location (the location of the HALT). When the PRU is re-enabled, the instruction is re-fetched from instruction memory.

Definition: HALT

Operation: Disable PRU

Example: halt

30.5.182 Sleep Operation (SLP)

The SLP instruction will sleep the PRU, causing it to disable its clock. This instruction can specify either a permanent sleep (requiring a PRU reset to recover) or a “wake on event”. When the wake on event option is set to “1”, the PRU will wake on any event that is enabled in the PRU Wakeup Enable register.

Definition: SLP IM(1)

Operation: Sleep the PRU with operational "wake on event" flag.

Example:

SLP	0	// Sleep without wake events
SLP	1	// Sleep until wake event set

30.5.183 Hardware Loop Assist (LOOP, ILOOP)

Defines a hardware-assisted loop operation. The loop can be non-interruptible (LOOP), or can be interruptible based on an external break signal (ILOOP). The loop operation works by detecting when the instruction pointer would normal hit the instruction at the designated target label, and instead decrementing a loop counter and jumping back to the instruction immediately following the loop instruction.

Definition:

LOOP LABEL, OP(256)
	ILOOP LABEL, OP(256)

Operation:

LoopCounter = OP(256)
                    LoopTop       = $+1
                    While (LoopCounter>0)
	{
                        If (InstructionPointer==LABEL)
	    {
	        LoopCounter--;
	        InstructionPointer = LoopTop;
	    }
                   }

Example 1:

loop    EndLoop, 5        // Peform the loop 5 times
	    mvi     r2, *r1.b0        // Get value
	    xor     r2, r2, r3        // Change value
	    mvi     *r1.b0++, r1      // Save value
	EndLoop:

Example 2:

mvi     r2, *r1.b0++      // Get the number of elements
	    loop    EndLoop, r2       // Peform the loop for each element
	    mvi     r2, *r1.b0        // Get value
	    call    ProcessValue      // It is legal to jump outside the loop
	    mvi     *r1.b0++, r1      // Save value
	EndLoop:
Note:

When the loop count is set from a register, only the 16 LS bits are used (regardless of the field size). If this 16-bit value is zero, the instruction jumps directly to the end of loop.

30.5.184 PRUSS_PRU_CTRL Register Manual

This section describes the PRUSS PRU0 and PRU1 cores memory mapped registers.

30.5.185 PRUSS_PRU_CTRL Instance Summary

Table 30-74 PRUSS_PRU_CTRL Instance Summary
Module NameBase AddressSize
PRUSS1_PRU0_CTRL0x4B22 200048 Bytes
PRUSS1_PRU1_CTRL0x4B22 400048 Bytes
PRUSS2_PRU0_CTRL0x4B2A 200048 Bytes
PRUSS2_PRU1_CTRL0x4B2A 400048 Bytes

30.5.186 PRUSS_PRU_CTRL Registers

30.5.187 PRUSS_PRU_CTRL Register Summary

Table 30-75 PRUSS1_PRUn_CTRL Registers Mapping Summary
Register NameTypeRegister Width (Bits)Address OffsetPRUSS1_PRU0_CTRL Physical AddressPRUSS1_PRU1_CTRL Physical Address
PRU_CONTROLRW320x0000 00000x4B22 20000x4B22 4000
PRU_STATUSR320x0000 00040x4B22 20040x4B22 4004
PRU_WAKEUP_ENRW320x0000 00080x4B22 20080x4B22 4008
PRU_CYCLERW320x0000 000C0x4B22 200C0x4B22 400C
PRU_STALLRW320x0000 00100x4B22 20100x4B22 4010
PRU_CTBIR0RW320x0000 00200x4B22 20200x4B22 4020
PRU_CTBIR1RW320x0000 00240x4B22 20240x4B22 4024
PRU_CTPPR0RW320x0000 00280x4B22 20280x4B22 4028
PRU_CTPPR1RW320x0000 002C0x4B22 202C0x4B22 402C
Table 30-76 PRUSS2_PRUn_CTRL Registers Mapping Summary
Register NameTypeRegister Width (Bits)Address OffsetPRUSS2_PRU0_CTRL Physical AddressPRUSS2_PRU1_CTRL Physical Address
PRU_CONTROLRW320x0000 00000x4B2A 20000x4B2A 4000
PRU_STATUSR320x0000 00040x4B2A 20040x4B2A 4004
PRU_WAKEUP_ENRW320x0000 00080x4B2A 20080x4B2A 4008
PRU_CYCLERW320x0000 000C0x4B2A 200C0x4B2A 400C
PRU_STALLRW320x0000 00100x4B2A 20100x4B2A 4010
PRU_CTBIR0RW320x0000 00200x4B2A 20200x4B2A 4020
PRU_CTBIR1RW320x0000 00240x4B2A 20240x4B2A 4024
PRU_CTPPR0RW320x0000 00280x4B2A 20280x4B2A 4028
PRU_CTPPR1RW320x0000 002C0x4B2A 202C0x4B2A 402C

30.5.188 PRUSS_PRU_CTRL Register Description

Table 30-77 PRU_CONTROL
Address Offset0x0000 0000
Physical Address0x4B22 2000
0x4B22 4000
0x4B2A 2000
0x4B2A 4000
InstancePRUSS1_PRU0_CTRL
PRUSS1_PRU1_CTRL
PRUSS2_PRU0_CTRL
PRUSS2_PRU1_CTRL
DescriptionCONTROL REGISTER
TypeRW
313029282726252423222120191817161514131211109876543210
PCOUNTER_RST_VALRUNSTATEBIG_ENDIANRESERVEDSINGLE_STEPRESERVEDCOUNTER_ENABLESLEEPINGENABLESOFT_RST_N
BitsField NameDescriptionTypeReset
31:16PCOUNTER_RST_VALProgram Counter Reset Value: This field controls the address where the PRU will start executing code from after it is taken out of reset.RW0x0
15RUNSTATERun State: This bit indicates whether the PRU is currently executing an instruction or is halted. 0 = PRU is halted and host has access to the instruction RAM and debug registers regions. 1 = PRU is currently running and the host is locked out of the instruction RAM and debug registers regions. This bit is used by an external debug agent to know when the PRU has actually halted when waiting for a HALT instruction to execute, a single step to finish, or any other time when the pru_enable has been cleared.R0x0
14BIG_ENDIANR0x0
13:9RESERVEDR0x0
8SINGLE_STEPSingle Step Enable: This bit controls whether or not the PRU will only execute a single instruction when enabled. 0 = PRU will free run when enabled. 1 = PRU will execute a single instruction and then the pru_enable bit will be cleared. Note that this bit does not actually enable the PRU, it only sets the policy for how much code will be run after the PRU is enabled. The pru_enable bit must be explicitly asserted. It is legal to initialize both the single_step and pru_enable bits simultaneously. (Two independent writes are not required to cause the stated functionality.)RW0x0
7:4RESERVEDR0x0
3COUNTER_ENABLEPRU Cycle Counter Enable: Enables PRU cycle counters. 0 = Counters not enabled 1 = Counters enabledRW0x0
2SLEEPINGPRU Sleep Indicator: This bit indicates whether or not the PRU is currently asleep. 0 = PRU is not asleep 1 = PRU is asleep If this bit is written to a 0, the PRU will be forced to power up from sleep mode.RW0x0
1ENABLEProcessor Enable: This bit controls whether or not the PRU is allowed to fetch new instructions. 0 = PRU is disabled. 1 = PRU is enabled. If this bit is de-asserted while the PRU is currently running and has completed the initial cycle of a multi-cycle instruction (LBxO,SBxO,SCAN, etc.), the current instruction will be allowed to complete before the PRU pauses execution. Otherwise, the PRU will halt immediately. Because of the unpredictability timing sensitivity of the instruction execution loop, this bit is not a reliable indication of whether or not the PRU is currently running. The pru_state bit should be consulted for an absolute indication of the run state of the core. When the PRU is halted, its internal state remains coherent therefore this bit can be reasserted without issuing a software reset and the PRU will resume processing exactly where it left off in the instruction stream.RW0x0
0SOFT_RST_NSoft Reset: When this bit is cleared, the PRU will be reset. This bit is set back to 1 on the next cycle after it has been cleared.RW0x1
Table 30-78 PRU_STATUS
Address Offset0x0000 0004
Physical Address0x4B22 2004
0x4B22 4004
0x4B2A 2004
0x4B2A 4004
InstancePRUSS1_PRU0_CTRL
PRUSS1_PRU1_CTRL
PRUSS2_PRU0_CTRL
PRUSS2_PRU1_CTRL
DescriptionSTATUS REGISTER
TypeR
313029282726252423222120191817161514131211109876543210
RESERVEDPCOUNTER
BitsField NameDescriptionTypeReset
31:16RESERVEDR0x0000
15:0PCOUNTERProgram Counter: This field is a registered (1 cycle delayed) reflection of the PRU program counter. Note that the PC is an instruction address where each instruction is a 32 bit word. This is not a byte address and to compute the byte address just multiply the PC by 4 (PC of 2 = byte address of 0x8, or PC of 8 = byte address of 0x20).R0x0
Table 30-79 PRU_WAKEUP_EN
Address Offset0x0000 0008
Physical Address0x4B22 2008
0x4B22 4008
0x4B2A 2008
0x4B2A 4008
InstancePRUSS1_PRU0_CTRL
PRUSS1_PRU1_CTRL
PRUSS2_PRU0_CTRL
PRUSS2_PRU1_CTRL
DescriptionWAKEUP ENABLE REGISTER
TypeRW
313029282726252423222120191817161514131211109876543210
BITWISE_ENABLES
BitsField NameDescriptionTypeReset
31:0BITWISE_ENABLESWakeup Enables: This field is ANDed with the incoming R31 status inputs (whose bit positions were specified in the stmap parameter) to produce a vector which is unary ORed to produce the status_wakeup source for the core. Setting any bit in this vector will allow the corresponding status input to wake up the core when it is asserted high. The PRU should set this enable vector prior to executing a SLP (sleep) instruction to ensure that the desired sources can wake up the core.RW0x0
Table 30-80 PRU_CYCLE
Address Offset0x0000 000C
Physical Address0x4B22 200C
0x4B22 400C
0x4B2A 200C
0x4B2A 400C
InstancePRUSS1_PRU0_CTRL
PRUSS1_PRU1_CTRL
PRUSS2_PRU0_CTRL
PRUSS2_PRU1_CTRL
DescriptionCYCLE COUNT. This register counts the number of cycles for which the PRU has been enabled.
TypeRW
313029282726252423222120191817161514131211109876543210
CYCLECOUNT
BitsField NameDescriptionTypeReset
31:0CYCLECOUNTThis value is incremented by 1 for every cycle during which the PRU is enabled and the counter is enabled (both bits ENABLE and COUNTENABLE set in the PRU control register). Counting halts while the PRU is disabled or counter is disabled, and resumes when re-eneabled. Counter clears the COUNTENABLE bit in the PRU control register when the count reaches 0xFFFFFFFF. (Count does does not wrap). The register can be read at any time. The register can be cleared when the counter or PRU is disabled. Clearing this register also clears the PRU Stall Count Register.RW0x0
Table 30-81 PRU_STALL
Address Offset0x0000 0010
Physical Address0x4B22 2010
0x4B22 4010
0x4B2A 2010
0x4B2A 4010
InstancePRUSS1_PRU0_CTRL
PRUSS1_PRU1_CTRL
PRUSS2_PRU0_CTRL
PRUSS2_PRU1_CTRL
DescriptionSTALL COUNT. This register counts the number of cycles for which the PRU has been enabled, but unable to fetch a new instruction. It is linked to the Cycle Count Register (0x0C) such that this register reflects the stall cycles measured over the same cycles as counted by the cycle count register. Thus the value of this register is always less than or equal to cycle count.
TypeRW
313029282726252423222120191817161514131211109876543210
STALLCOUNT
BitsField NameDescriptionTypeReset
31:0STALLCOUNTThis value is incremented by 1 for every cycle during which the PRU is enabled and the counter is enabled (both bits ENABLE and COUNTENABLE set in the PRU control register), and the PRU was unable to fetch a new instruction for any reason.RW0x0
Table 30-82 PRU_CTBIR0
Address Offset0x0000 0020
Physical Address0x4B22 2020
0x4B22 4020
0x4B2A 2020
0x4B2A 4020
InstancePRUSS1_PRU0_CTRL
PRUSS1_PRU1_CTRL
PRUSS2_PRU0_CTRL
PRUSS2_PRU1_CTRL
DescriptionCONSTANT TABLE BLOCK INDEX REGISTER 0. This register is used to set the block indices which are used to modify entries 24 and 25 in the PRU Constant Table. This register can be written by the PRU whenever it needs to change to a new base pointer for a block in the State Scratchpad RAM. This function is useful since the PRU is often processing multiple processing threads which require it to change contexts. The PRU can use this register to avoid requiring excessive amounts of code for repetitive context switching.
TypeRW
313029282726252423222120191817161514131211109876543210
RESERVEDC25_BLK_INDEXRESERVEDC24_BLK_INDEX
BitsField NameDescriptionTypeReset
31:24RESERVEDR0x00
23:16C25_BLK_INDEXPRU Constant Entry 25 Block Index: This field sets the value that will appear in bits 11:8 of entry 25 in the PRU Constant Table.RW0x0
15:8RESERVEDR0x00
7:0C24_BLK_INDEXPRU Constant Entry 24 Block Index: This field sets the value that will appear in bits 11:8 of entry 24 in the PRU Constant Table.RW0x0
Table 30-83 PRU_CTBIR1
Address Offset0x0000 0024
Physical Address0x4B22 2024
0x4B22 4024
0x4B2A 2024
0x4B2A 4024
InstancePRUSS1_PRU0_CTRL
PRUSS1_PRU1_CTRL
PRUSS2_PRU0_CTRL
PRUSS2_PRU1_CTRL
DescriptionCONSTANT TABLE BLOCK INDEX REGISTER 1. This register is used to set the block indices which are used to modify entries 26 and 27 in the PRU Constant Table. This register can be written by the PRU whenever it needs to change to a new base pointer for a block in the State Scratchpad RAM. This function is useful since the PRU is often processing multiple processing threads which require it to change contexts. The PRU can use this register to avoid requiring excessive amounts of code for repetitive context switching.
TypeRW
313029282726252423222120191817161514131211109876543210
RESERVEDC27_BLK_INDEXRESERVEDC26_BLK_INDEX
BitsField NameDescriptionTypeReset
31:24RESERVEDR0x00
23:16C27_BLK_INDEXPRU Constant Entry 27 Block Index: This field sets the value that will appear in bits 11:8 of entry 27 in the PRU Constant Table.RW0x0
15:8RESERVEDR0x00
7:0C26_BLK_INDEXPRU Constant Entry 26 Block Index: This field sets the value that will appear in bits 11:8 of entry 26 in the PRU Constant Table.RW0x0
Table 30-84 PRU_CTPPR0
Address Offset0x0000 0028
Physical Address0x4B22 2028
0x4B22 4028
0x4B2A 2028
0x4B2A 4028
InstancePRUSS1_PRU0_CTRL
PRUSS1_PRU1_CTRL
PRUSS2_PRU0_CTRL
PRUSS2_PRU1_CTRL
DescriptionCONSTANT TABLE PROGRAMMABLE POINTER REGISTER 0. This register allows the PRU to set up the 256-byte page index for entries 28 and 29 in the PRU Constant Table which serve as general purpose pointers which can be configured to point to any locations inside the session router address map. This register is useful when the PRU needs to frequently access certain structures inside the session router address space whose locations are not hard coded such as tables in scratchpad memory.
TypeRW
313029282726252423222120191817161514131211109876543210
C29_POINTERC28_POINTER
BitsField NameDescriptionTypeReset
31:16C29_POINTERPRU Constant Entry 29 Pointer: This field sets the value that will appear in bits 23:8 of entry 29 in the PRU Constant Table.RW0x0
15:0C28_POINTERPRU Constant Entry 28 Pointer: This field sets the value that will appear in bits 23:8 of entry 28 in the PRU Constant Table.RW0x0
Table 30-85 PRU_CTPPR1
Address Offset0x0000 002C
Physical Address0x4B22 202C
0x4B22 402C
0x4B2A 202C
0x4B2A 402C
InstancePRUSS1_PRU0_CTRL
PRUSS1_PRU1_CTRL
PRUSS2_PRU0_CTRL
PRUSS2_PRU1_CTRL
DescriptionCONSTANT TABLE PROGRAMMABLE POINTER REGISTER 1. This register functions the same as the PRU Constant Table Programmable Pointer Register 0 but allows the PRU to control entries 30 and 31 in the PRU Constant Table.
TypeRW
313029282726252423222120191817161514131211109876543210
C31_POINTERC30_POINTER
BitsField NameDescriptionTypeReset
31:16C31_POINTERPRU Constant Entry 31 Pointer: This field sets the value that will appear in bits 23:8 of entry 31 in the PRU Constant Table.RW0x0
15:0C30_POINTERPRU Constant Entry 30 Pointer: This field sets the value that will appear in bits 23:8 of entry 30 in the PRU Constant Table.RW0x0

30.5.189 PRUSS_PRU_DEBUG Register Manual

30.5.190 PRUSS_PRU_DEBUG Instance Summary

Table 30-86 PRUSS_PRU_DEBUG Instances Summary
Module NameBase AddressSize
PRUSS1_PRU0_DEBUG0x20AA 2400144 Bytes
PRUSS1_PRU1_DEBUG0x20AA 4400144 Bytes
PRUSS2_PRU0_DEBUG0x20AE 2400144 Bytes
PRUSS2_PRU1_DEBUG0x20AE 4400144 Bytes

30.5.191 PRUSS_PRU_DEBUG Registers

30.5.192 PRUSS_PRU_DEBUG Register Summary

Table 30-87 PRUSS1_PRU_DEBUG Registers Mapping Summary
AcronymTypeRegister
Width (Bits)
Address OffsetPRUSS1_PRU0_DEBUG Physical AddressPRUSS1_PRU1_DEBUG Physical Address
PRUSS_DBG_GPREG0RW320x0000 00000x20AA 24000x20AA 4400
PRUSS_DBG_GPREG1RW320x0000 00040x20AA 24040x20AA 4404
PRUSS_DBG_GPREG2RW320x0000 00080x20AA 24080x20AA 4408
PRUSS_DBG_GPREG3RW320x0000 000C0x20AA 240C0x20AA 440C
PRUSS_DBG_GPREG4RW320x0000 00100x20AA 24100x20AA 4410
PRUSS_DBG_GPREG5RW320x0000 00140x20AA 24140x20AA 4414
PRUSS_DBG_GPREG6RW320x0000 00180x20AA 24180x20AA 4418
PRUSS_DBG_GPREG7RW320x0000 001C0x20AA 241C0x20AA 441C
PRUSS_DBG_GPREG8RW320x0000 00200x20AA 24200x20AA 4420
PRUSS_DBG_GPREG9RW320x0000 00240x20AA 24240x20AA 4424
PRUSS_DBG_GPREG10RW320x0000 00280x20AA 24280x20AA 4428
PRUSS_DBG_GPREG11RW320x0000 002C0x20AA 242C0x20AA 442C
PRUSS_DBG_GPREG12RW320x0000 00300x20AA 24300x20AA 4430
PRUSS_DBG_GPREG13RW320x0000 00340x20AA 24340x20AA 4434
PRUSS_DBG_GPREG14RW320x0000 00380x20AA 24380x20AA 4438
PRUSS_DBG_GPREG15RW320x0000 003C0x20AA 243C0x20AA 443C
PRUSS_DBG_GPREG16RW320x0000 00400x20AA 24400x20AA 4440
PRUSS_DBG_GPREG17RW320x0000 00440x20AA 24440x20AA 4444
PRUSS_DBG_GPREG18RW320x0000 00480x20AA 24480x20AA 4448
PRUSS_DBG_GPREG19RW320x0000 004C0x20AA 244C0x20AA 444C
PRUSS_DBG_GPREG20RW320x0000 00500x20AA 24500x20AA 4450
PRUSS_DBG_GPREG21RW320x0000 00540x20AA 24540x20AA 4454
PRUSS_DBG_GPREG22RW320x0000 00580x20AA 24580x20AA 4458
PRUSS_DBG_GPREG23RW320x0000 005C0x20AA 245C0x20AA 445C
PRUSS_DBG_GPREG24RW320x0000 00600x20AA 24600x20AA 4460
PRUSS_DBG_GPREG25RW320x0000 00640x20AA 24640x20AA 4464
PRUSS_DBG_GPREG26RW320x0000 00680x20AA 24680x20AA 4468
PRUSS_DBG_GPREG27RW320x0000 006C0x20AA 246C0x20AA 446C
PRUSS_DBG_GPREG28RW320x0000 00700x20AA 24700x20AA 4470
PRUSS_DBG_GPREG29RW320x0000 00740x20AA 24740x20AA 4474
PRUSS_DBG_GPREG30RW320x0000 00780x20AA 24780x20AA 4478
PRUSS_DBG_GPREG31RW320x0000 007C0x20AA 247C0x20AA 447C
PRUSS_DBG_CT_REG0R320x0000 00800x20AA 24800x20AA 4480
PRUSS_DBG_CT_REG1R320x0000 00840x20AA 24840x20AA 4484
PRUSS_DBG_CT_REG2R320x0000 00880x20AA 24880x20AA 4488
PRUSS_DBG_CT_REG3R320x0000 008C0x20AA 248C0x20AA 448C
PRUSS_DBG_CT_REG4R320x0000 00900x20AA 24900x20AA 4490
PRUSS_DBG_CT_REG5R320x0000 00940x20AA 24940x20AA 4494
PRUSS_DBG_CT_REG6R320x0000 00980x20AA 24980x20AA 4498
PRUSS_DBG_CT_REG7R320x0000 009C0x20AA 249C0x20AA 449C
PRUSS_DBG_CT_REG8R320x0000 00A00x20AA 24A00x20AA 44A0
PRUSS_DBG_CT_REG9R320x0000 00A40x20AA 24A40x20AA 44A4
PRUSS_DBG_CT_REG10R320x0000 00A80x20AA 24A80x20AA 44A8
PRUSS_DBG_CT_REG11R320x0000 00AC0x20AA 24AC0x20AA 44AC
PRUSS_DBG_CT_REG12R320x0000 00B00x20AA 24B00x20AA 44B0
PRUSS_DBG_CT_REG13R320x0000 00B40x20AA 24B40x20AA 44B4
PRUSS_DBG_CT_REG14R320x0000 00B80x20AA 24B80x20AA 44B8
PRUSS_DBG_CT_REG15R320x0000 00BC0x20AA 24BC0x20AA 44BC
PRUSS_DBG_CT_REG16R320x0000 00C00x20AA 24C00x20AA 44C0
PRUSS_DBG_CT_REG17R320x0000 00C40x20AA 24C40x20AA 44C4
PRUSS_DBG_CT_REG18R320x0000 00C80x20AA 24C80x20AA 44C8
PRUSS_DBG_CT_REG19R320x0000 00CC0x20AA 24CC0x20AA 44CC
PRUSS_DBG_CT_REG20R320x0000 00D00x20AA 24D00x20AA 44D0
PRUSS_DBG_CT_REG21R320x0000 00D40x20AA 24D40x20AA 44D4
PRUSS_DBG_CT_REG22R320x0000 00D80x20AA 24D80x20AA 44D8
PRUSS_DBG_CT_REG23R320x0000 00DC0x20AA 24DC0x20AA 44DC
PRUSS_DBG_CT_REG24R320x0000 00E00x20AA 24E00x20AA 44E0
PRUSS_DBG_CT_REG25R320x0000 00E40x20AA 24E40x20AA 44E4
PRUSS_DBG_CT_REG26R320x0000 00E80x20AA 24E80x20AA 44E8
PRUSS_DBG_CT_REG27R320x0000 00EC0x20AA 24EC0x20AA 44EC
PRUSS_DBG_CT_REG28R320x0000 00F00x20AA 24F00x20AA 44F0
PRUSS_DBG_CT_REG29R320x0000 00F40x20AA 24F40x20AA 44F4
PRUSS_DBG_CT_REG30R320x0000 00F80x20AA 24F80x20AA 44F8
PRUSS_DBG_CT_REG31R320x0000 00FC0x20AA 24FC0x20AA 44FC
Table 30-88 PRUSS2_PRU_DEBUG Registers Mapping Summary
AcronymTypeRegister
Width (Bits)
Address OffsetPRUSS2_PRU0_DEBUG Physical AddressPRUSS2_PRU1_DEBUG Physical Address
PRUSS_DBG_GPREG0RW320x0000 00000x20AE 24000x20AE 4400
PRUSS_DBG_GPREG1RW320x0000 00040x20AE 24040x20AE 4404
PRUSS_DBG_GPREG2RW320x0000 00080x20AE 24080x20AE 4408
PRUSS_DBG_GPREG3RW320x0000 000C0x20AE 240C0x20AE 440C
PRUSS_DBG_GPREG4RW320x0000 00100x20AE 24100x20AE 4410
PRUSS_DBG_GPREG5RW320x0000 00140x20AE 24140x20AE 4414
PRUSS_DBG_GPREG6RW320x0000 00180x20AE 24180x20AE 4418
PRUSS_DBG_GPREG7RW320x0000 001C0x20AE 241C0x20AE 441C
PRUSS_DBG_GPREG8RW320x0000 00200x20AE 24200x20AE 4420
PRUSS_DBG_GPREG9RW320x0000 00240x20AE 24240x20AE 4424
PRUSS_DBG_GPREG10RW320x0000 00280x20AE 24280x20AE 4428
PRUSS_DBG_GPREG11RW320x0000 002C0x20AE 242C0x20AE 442C
PRUSS_DBG_GPREG12RW320x0000 00300x20AE 24300x20AE 4430
PRUSS_DBG_GPREG13RW320x0000 00340x20AE 24340x20AE 4434
PRUSS_DBG_GPREG14RW320x0000 00380x20AE 24380x20AE 4438
PRUSS_DBG_GPREG15RW320x0000 003C0x20AE 243C0x20AE 443C
PRUSS_DBG_GPREG16RW320x0000 00400x20AE 24400x20AE 4440
PRUSS_DBG_GPREG17RW320x0000 00440x20AE 24440x20AE 4444
PRUSS_DBG_GPREG18RW320x0000 00480x20AE 24480x20AE 4448
PRUSS_DBG_GPREG19RW320x0000 004C0x20AE 244C0x20AE 444C
PRUSS_DBG_GPREG20RW320x0000 00500x20AE 24500x20AE 4450
PRUSS_DBG_GPREG21RW320x0000 00540x20AE 24540x20AE 4454
PRUSS_DBG_GPREG22RW320x0000 00580x20AE 24580x20AE 4458
PRUSS_DBG_GPREG23RW320x0000 005C0x20AE 245C0x20AE 445C
PRUSS_DBG_GPREG24RW320x0000 00600x20AE 24600x20AE 4460
PRUSS_DBG_GPREG25RW320x0000 00640x20AE 24640x20AE 4464
PRUSS_DBG_GPREG26RW320x0000 00680x20AE 24680x20AE 4468
PRUSS_DBG_GPREG27RW320x0000 006C0x20AE 246C0x20AE 446C
PRUSS_DBG_GPREG28RW320x0000 00700x20AE 24700x20AE 4470
PRUSS_DBG_GPREG29RW320x0000 00740x20AE 24740x20AE 4474
PRUSS_DBG_GPREG30RW320x0000 00780x20AE 24780x20AE 4478
PRUSS_DBG_GPREG31RW320x0000 007C0x20AE 247C0x20AE 447C
PRUSS_DBG_CT_REG0R320x0000 00800x20AE 24800x20AE 4480
PRUSS_DBG_CT_REG1R320x0000 00840x20AE 24840x20AE 4484
PRUSS_DBG_CT_REG2R320x0000 00880x20AE 24880x20AE 4488
PRUSS_DBG_CT_REG3R320x0000 008C0x20AE 248C0x20AE 448C
PRUSS_DBG_CT_REG4R320x0000 00900x20AE 24900x20AE 4490
PRUSS_DBG_CT_REG5R320x0000 00940x20AE 24940x20AE 4494
PRUSS_DBG_CT_REG6R320x0000 00980x20AE 24980x20AE 4498
PRUSS_DBG_CT_REG7R320x0000 009C0x20AE 249C0x20AE 449C
PRUSS_DBG_CT_REG8R320x0000 00A00x20AE 24A00x20AE 44A0
PRUSS_DBG_CT_REG9R320x0000 00A40x20AE 24A40x20AE 44A4
PRUSS_DBG_CT_REG10R320x0000 00A80x20AE 24A80x20AE 44A8
PRUSS_DBG_CT_REG11R320x0000 00AC0x20AE 24AC0x20AE 44AC
PRUSS_DBG_CT_REG12R320x0000 00B00x20AE 24B00x20AE 44B0
PRUSS_DBG_CT_REG13R320x0000 00B40x20AE 24B40x20AE 44B4
PRUSS_DBG_CT_REG14R320x0000 00B80x20AE 24B80x20AE 44B8
PRUSS_DBG_CT_REG15R320x0000 00BC0x20AE 24BC0x20AE 44BC
PRUSS_DBG_CT_REG16R320x0000 00C00x20AE 24C00x20AE 44C0
PRUSS_DBG_CT_REG17R320x0000 00C40x20AE 24C40x20AE 44C4
PRUSS_DBG_CT_REG18R320x0000 00C80x20AE 24C80x20AE 44C8
PRUSS_DBG_CT_REG19R320x0000 00CC0x20AE 24CC0x20AE 44CC
PRUSS_DBG_CT_REG20R320x0000 00D00x20AE 24D00x20AE 44D0
PRUSS_DBG_CT_REG21R320x0000 00D40x20AE 24D40x20AE 44D4
PRUSS_DBG_CT_REG22R320x0000 00D80x20AE 24D80x20AE 44D8
PRUSS_DBG_CT_REG23R320x0000 00DC0x20AE 24DC0x20AE 44DC
PRUSS_DBG_CT_REG24R320x0000 00E00x20AE 24E00x20AE 44E0
PRUSS_DBG_CT_REG25R320x0000 00E40x20AE 24E40x20AE 44E4
PRUSS_DBG_CT_REG26R320x0000 00E80x20AE 24E80x20AE 44E8
PRUSS_DBG_CT_REG27R320x0000 00EC0x20AE 24EC0x20AE 44EC
PRUSS_DBG_CT_REG28R320x0000 00F00x20AE 24F00x20AE 44F0
PRUSS_DBG_CT_REG29R320x0000 00F40x20AE 24F40x20AE 44F4
PRUSS_DBG_CT_REG30R320x0000 00F80x20AE 24F80x20AE 44F8
PRUSS_DBG_CT_REG31R320x0000 00FC0x20AE 24FC0x20AE 44FC

30.5.193 PRUSS_PRU_DEBUG Register Description

Table 30-89 PRUSS_DBG_GPREG0
Address Offset0x0000 0000
Physical Address0x20AA 2400
0x20AA 4400
0x20AE 2400
0x20AE 4400
InstancePRUSS1_PRU0_DEBUG
PRUSS1_PRU1_DEBUG
PRUSS2_PRU0_DEBUG
PRUSS2_PRU1_DEBUG
DescriptionDEBUG PRU GENERAL PURPOSE REGISTER 0. This register allows an external agent to debug the PRU while it is disabled. Reading or writing to these registers will have the same effect as a read or write to these registers from an internal instruction in the PRU. For R30, this includes generation of the pulse outputs whenever the register is written.
TypeRW
313029282726252423222120191817161514131211109876543210
GP_REG0
BitsField NameDescriptionTypeReset
31:0GP_REG0PRU Internal GP Register n: Reading / writing this field directly inspects/modifies the corresponding internal register in the PRU internal regfileRW0x0
Table 30-90 PRUSS_DBG_GPREG1
Address Offset0x0000 0004
Physical Address0x20AA 2404
0x20AA 4404
0x20AE 2404
0x20AE 4404
InstancePRUSS1_PRU0_DEBUG
PRUSS1_PRU1_DEBUG
PRUSS2_PRU0_DEBUG
PRUSS2_PRU1_DEBUG
DescriptionDEBUG PRU GENERAL PURPOSE REGISTER 1. This register allows an external agent to debug the PRU while it is disabled. Reading or writing to these registers will have the same effect as a read or write to these registers from an internal instruction in the PRU. For R30, this includes generation of the pulse outputs whenever the register is written.
TypeRW
313029282726252423222120191817161514131211109876543210
GP_REG1
BitsField NameDescriptionTypeReset
31:0GP_REG1PRU Internal GP Register n: Reading / writing this field directly inspects/modifies the corresponding internal register in the PRU internal regfileRW0x0
Table 30-91 PRUSS_DBG_GPREG2
Address Offset0x0000 0008
Physical Address0x20AA 2408
0x20AA 4408
0x20AE 2408
0x20AE 4408
InstancePRUSS1_PRU0_DEBUG
PRUSS1_PRU1_DEBUG
PRUSS2_PRU0_DEBUG
PRUSS2_PRU1_DEBUG
DescriptionDEBUG PRU GENERAL PURPOSE REGISTER 2. This register allows an external agent to debug the PRU while it is disabled. Reading or writing to these registers will have the same effect as a read or write to these registers from an internal instruction in the PRU. For R30, this includes generation of the pulse outputs whenever the register is written.
TypeRW
313029282726252423222120191817161514131211109876543210
GP_REG2
BitsField NameDescriptionTypeReset
31:0GP_REG2PRU Internal GP Register n: Reading / writing this field directly inspects/modifies the corresponding internal register in the PRU internal regfileRW0x0
Table 30-92 PRUSS_DBG_GPREG3
Address Offset0x0000 000C
Physical Address0x20AA 240C
0x20AA 440C
0x20AE 240C
0x20AE 440C
InstancePRUSS1_PRU0_DEBUG
PRUSS1_PRU1_DEBUG
PRUSS2_PRU0_DEBUG
PRUSS2_PRU1_DEBUG
DescriptionDEBUG PRU GENERAL PURPOSE REGISTER 3. This register allows an external agent to debug the PRU while it is disabled. Reading or writing to these registers will have the same effect as a read or write to these registers from an internal instruction in the PRU. For R30, this includes generation of the pulse outputs whenever the register is written.
TypeRW
313029282726252423222120191817161514131211109876543210
GP_REG3
BitsField NameDescriptionTypeReset
31:0GP_REG3PRU Internal GP Register n: Reading / writing this field directly inspects/modifies the corresponding internal register in the PRU internal regfileRW0x0
Table 30-93 PRUSS_DBG_GPREG4
Address Offset0x0000 0010
Physical Address0x20AA 2410
0x20AA 4410
0x20AE 2410
0x20AE 4410
InstancePRUSS1_PRU0_DEBUG
PRUSS1_PRU1_DEBUG
PRUSS2_PRU0_DEBUG
PRUSS2_PRU1_DEBUG
DescriptionDEBUG PRU GENERAL PURPOSE REGISTER 4. This register allows an external agent to debug the PRU while it is disabled. Reading or writing to these registers will have the same effect as a read or write to these registers from an internal instruction in the PRU. For R30, this includes generation of the pulse outputs whenever the register is written.
TypeRW
313029282726252423222120191817161514131211109876543210
GP_REG4
BitsField NameDescriptionTypeReset
31:0GP_REG4PRU Internal GP Register n: Reading / writing this field directly inspects/modifies the corresponding internal register in the PRU internal regfileRW0x0
Table 30-94 PRUSS_DBG_GPREG5
Address Offset0x0000 0014
Physical Address0x20AA 2414
0x20AA 4414
0x20AE 2414
0x20AE 4414
InstancePRUSS1_PRU0_DEBUG
PRUSS1_PRU1_DEBUG
PRUSS2_PRU0_DEBUG
PRUSS2_PRU1_DEBUG
DescriptionDEBUG PRU GENERAL PURPOSE REGISTER 5. This register allows an external agent to debug the PRU while it is disabled. Reading or writing to these registers will have the same effect as a read or write to these registers from an internal instruction in the PRU. For R30, this includes generation of the pulse outputs whenever the register is written.
TypeRW
313029282726252423222120191817161514131211109876543210
GP_REG5
BitsField NameDescriptionTypeReset
31:0GP_REG5PRU Internal GP Register n: Reading / writing this field directly inspects/modifies the corresponding internal register in the PRU internal regfileRW0x0
Table 30-95 PRUSS_DBG_GPREG6
Address Offset0x0000 0018
Physical Address0x20AA 2418
0x20AA 4418
0x20AE 2418
0x20AE 4418
InstancePRUSS1_PRU0_DEBUG
PRUSS1_PRU1_DEBUG
PRUSS2_PRU0_DEBUG
PRUSS2_PRU1_DEBUG
DescriptionDEBUG PRU GENERAL PURPOSE REGISTER 6. This register allows an external agent to debug the PRU while it is disabled. Reading or writing to these registers will have the same effect as a read or write to these registers from an internal instruction in the PRU. For R30, this includes generation of the pulse outputs whenever the register is written.
TypeRW
313029282726252423222120191817161514131211109876543210
GP_REG6
BitsField NameDescriptionTypeReset
31:0GP_REG6PRU Internal GP Register n: Reading / writing this field directly inspects/modifies the corresponding internal register in the PRU internal regfileRW0x0
Table 30-96 PRUSS_DBG_GPREG7
Address Offset0x0000 001C
Physical Address0x20AA 241C
0x20AA 441C
0x20AE 241C
0x20AE 441C
InstancePRUSS1_PRU0_DEBUG
PRUSS1_PRU1_DEBUG
PRUSS2_PRU0_DEBUG
PRUSS2_PRU1_DEBUG
DescriptionDEBUG PRU GENERAL PURPOSE REGISTER 7. This register allows an external agent to debug the PRU while it is disabled. Reading or writing to these registers will have the same effect as a read or write to these registers from an internal instruction in the PRU. For R30, this includes generation of the pulse outputs whenever the register is written.
TypeRW
313029282726252423222120191817161514131211109876543210
GP_REG7
BitsField NameDescriptionTypeReset
31:0GP_REG7PRU Internal GP Register n: Reading / writing this field directly inspects/modifies the corresponding internal register in the PRU internal regfileRW0x0
Table 30-97 PRUSS_DBG_GPREG8
Address Offset0x0000 0020
Physical Address0x20AA 2420
0x20AA 4420
0x20AE 2420
0x20AE 4420
InstancePRUSS1_PRU0_DEBUG
PRUSS1_PRU1_DEBUG
PRUSS2_PRU0_DEBUG
PRUSS2_PRU1_DEBUG
DescriptionDEBUG PRU GENERAL PURPOSE REGISTER 8. This register allows an external agent to debug the PRU while it is disabled. Reading or writing to these registers will have the same effect as a read or write to these registers from an internal instruction in the PRU. For R30, this includes generation of the pulse outputs whenever the register is written.
TypeRW
313029282726252423222120191817161514131211109876543210
GP_REG8
BitsField NameDescriptionTypeReset
31:0GP_REG8PRU Internal GP Register n: Reading / writing this field directly inspects/modifies the corresponding internal register in the PRU internal regfileRW0x0
Table 30-98 PRUSS_DBG_GPREG9
Address Offset0x0000 0024
Physical Address0x20AA 2424
0x20AA 4424
0x20AE 2424
0x20AE 4424
InstancePRUSS1_PRU0_DEBUG
PRUSS1_PRU1_DEBUG
PRUSS2_PRU0_DEBUG
PRUSS2_PRU1_DEBUG
DescriptionDEBUG PRU GENERAL PURPOSE REGISTER 9. This register allows an external agent to debug the PRU while it is disabled. Reading or writing to these registers will have the same effect as a read or write to these registers from an internal instruction in the PRU. For R30, this includes generation of the pulse outputs whenever the register is written.
TypeRW
313029282726252423222120191817161514131211109876543210
GP_REG9
BitsField NameDescriptionTypeReset
31:0GP_REG9PRU Internal GP Register n: Reading / writing this field directly inspects/modifies the corresponding internal register in the PRU internal regfileRW0x0
Table 30-99 PRUSS_DBG_GPREG10
Address Offset0x0000 0028
Physical Address0x20AA 2428
0x20AA 4428
0x20AE 2428
0x20AE 4428
InstancePRUSS1_PRU0_DEBUG
PRUSS1_PRU1_DEBUG
PRUSS2_PRU0_DEBUG
PRUSS2_PRU1_DEBUG
DescriptionDEBUG PRU GENERAL PURPOSE REGISTER 10. This register allows an external agent to debug the PRU while it is disabled. Reading or writing to these registers will have the same effect as a read or write to these registers from an internal instruction in the PRU. For R30, this includes generation of the pulse outputs whenever the register is written.
TypeRW
313029282726252423222120191817161514131211109876543210
GP_REG10
BitsField NameDescriptionTypeReset
31:0GP_REG10PRU Internal GP Register n: Reading / writing this field directly inspects/modifies the corresponding internal register in the PRU internal regfileRW0x0
Table 30-100 PRUSS_DBG_GPREG11
Address Offset0x0000 002C
Physical Address0x20AA 242C
0x20AA 442C
0x20AE 242C
0x20AE 442C
InstancePRUSS1_PRU0_DEBUG
PRUSS1_PRU1_DEBUG
PRUSS2_PRU0_DEBUG
PRUSS2_PRU1_DEBUG
DescriptionDEBUG PRU GENERAL PURPOSE REGISTER 11. This register allows an external agent to debug the PRU while it is disabled. Reading or writing to these registers will have the same effect as a read or write to these registers from an internal instruction in the PRU. For R30, this includes generation of the pulse outputs whenever the register is written.
TypeRW
313029282726252423222120191817161514131211109876543210
GP_REG11
BitsField NameDescriptionTypeReset
31:0GP_REG11PRU Internal GP Register n: Reading / writing this field directly inspects/modifies the corresponding internal register in the PRU internal regfileRW0x0
Table 30-101 PRUSS_DBG_GPREG12
Address Offset0x0000 0030
Physical Address0x20AA 2430
0x20AA 4430
0x20AE 2430
0x20AE 4430
InstancePRUSS1_PRU0_DEBUG
PRUSS1_PRU1_DEBUG
PRUSS2_PRU0_DEBUG
PRUSS2_PRU1_DEBUG
DescriptionDEBUG PRU GENERAL PURPOSE REGISTER 12. This register allows an external agent to debug the PRU while it is disabled. Reading or writing to these registers will have the same effect as a read or write to these registers from an internal instruction in the PRU. For R30, this includes generation of the pulse outputs whenever the register is written.
TypeRW
313029282726252423222120191817161514131211109876543210
GP_REG12
BitsField NameDescriptionTypeReset
31:0GP_REG12PRU Internal GP Register n: Reading / writing this field directly inspects/modifies the corresponding internal register in the PRU internal regfileRW0x0
Table 30-102 PRUSS_DBG_GPREG13
Address Offset0x0000 0034
Physical Address0x20AA 2434
0x20AA 4434
0x20AE 2434
0x20AE 4434
InstancePRUSS1_PRU0_DEBUG
PRUSS1_PRU1_DEBUG
PRUSS2_PRU0_DEBUG
PRUSS2_PRU1_DEBUG
DescriptionDEBUG PRU GENERAL PURPOSE REGISTER 13. This register allows an external agent to debug the PRU while it is disabled. Reading or writing to these registers will have the same effect as a read or write to these registers from an internal instruction in the PRU. For R30, this includes generation of the pulse outputs whenever the register is written.
TypeRW
313029282726252423222120191817161514131211109876543210
GP_REG13
BitsField NameDescriptionTypeReset
31:0GP_REG13PRU Internal GP Register n: Reading / writing this field directly inspects/modifies the corresponding internal register in the PRU internal regfileRW0x0
Table 30-103 PRUSS_DBG_GPREG14
Address Offset0x0000 0038
Physical Address0x20AA 2438
0x20AA 4438
0x20AE 2438
0x20AE 4438
InstancePRUSS1_PRU0_DEBUG
PRUSS1_PRU1_DEBUG
PRUSS2_PRU0_DEBUG
PRUSS2_PRU1_DEBUG
DescriptionDEBUG PRU GENERAL PURPOSE REGISTER 14. This register allows an external agent to debug the PRU while it is disabled. Reading or writing to these registers will have the same effect as a read or write to these registers from an internal instruction in the PRU. For R30, this includes generation of the pulse outputs whenever the register is written.
TypeRW
313029282726252423222120191817161514131211109876543210
GP_REG14
BitsField NameDescriptionTypeReset
31:0GP_REG14PRU Internal GP Register n: Reading / writing this field directly inspects/modifies the corresponding internal register in the PRU internal regfileRW0x0
Table 30-104 PRUSS_DBG_GPREG15
Address Offset0x0000 003C
Physical Address0x20AA 243C
0x20AA 443C
0x20AE 243C
0x20AE 443C
InstancePRUSS1_PRU0_DEBUG
PRUSS1_PRU1_DEBUG
PRUSS2_PRU0_DEBUG
PRUSS2_PRU1_DEBUG
DescriptionDEBUG PRU GENERAL PURPOSE REGISTER 15. This register allows an external agent to debug the PRU while it is disabled. Reading or writing to these registers will have the same effect as a read or write to these registers from an internal instruction in the PRU. For R30, this includes generation of the pulse outputs whenever the register is written.
TypeRW
313029282726252423222120191817161514131211109876543210
GP_REG15
BitsField NameDescriptionTypeReset
31:0GP_REG15PRU Internal GP Register n: Reading / writing this field directly inspects/modifies the corresponding internal register in the PRU internal regfileRW0x0
Table 30-105 PRUSS_DBG_GPREG16
Address Offset0x0000 0040
Physical Address0x20AA 2440
0x20AA 4440
0x20AE 2440
0x20AE 4440
InstancePRUSS1_PRU0_DEBUG
PRUSS1_PRU1_DEBUG
PRUSS2_PRU0_DEBUG
PRUSS2_PRU1_DEBUG
DescriptionDEBUG PRU GENERAL PURPOSE REGISTER 16. This register allows an external agent to debug the PRU while it is disabled. Reading or writing to these registers will have the same effect as a read or write to these registers from an internal instruction in the PRU. For R30, this includes generation of the pulse outputs whenever the register is written.
TypeRW
313029282726252423222120191817161514131211109876543210
GP_REG16
BitsField NameDescriptionTypeReset
31:0GP_REG16PRU Internal GP Register n: Reading / writing this field directly inspects/modifies the corresponding internal register in the PRU internal regfileRW0x0
Table 30-106 PRUSS_DBG_GPREG17
Address Offset0x0000 0044
Physical Address0x20AA 2444
0x20AA 4444
0x20AE 2444
0x20AE 4444
InstancePRUSS1_PRU0_DEBUG
PRUSS1_PRU1_DEBUG
PRUSS2_PRU0_DEBUG
PRUSS2_PRU1_DEBUG
DescriptionDEBUG PRU GENERAL PURPOSE REGISTER 17. This register allows an external agent to debug the PRU while it is disabled. Reading or writing to these registers will have the same effect as a read or write to these registers from an internal instruction in the PRU. For R30, this includes generation of the pulse outputs whenever the register is written.
TypeRW
313029282726252423222120191817161514131211109876543210
GP_REG17
BitsField NameDescriptionTypeReset
31:0GP_REG17PRU Internal GP Register n: Reading / writing this field directly inspects/modifies the corresponding internal register in the PRU internal regfileRW0x0
Table 30-107 PRUSS_DBG_GPREG18
Address Offset0x0000 0048
Physical Address0x20AA 2448
0x20AA 4448
0x20AE 2448
0x20AE 4448
InstancePRUSS1_PRU0_DEBUG
PRUSS1_PRU1_DEBUG
PRUSS2_PRU0_DEBUG
PRUSS2_PRU1_DEBUG
DescriptionDEBUG PRU GENERAL PURPOSE REGISTER 18. This register allows an external agent to debug the PRU while it is disabled. Reading or writing to these registers will have the same effect as a read or write to these registers from an internal instruction in the PRU. For R30, this includes generation of the pulse outputs whenever the register is written.
TypeRW
313029282726252423222120191817161514131211109876543210
GP_REG18
BitsField NameDescriptionTypeReset
31:0GP_REG18PRU Internal GP Register n: Reading / writing this field directly inspects/modifies the corresponding internal register in the PRU internal regfileRW0x0
Table 30-108 PRUSS_DBG_GPREG19
Address Offset0x0000 004C
Physical Address0x20AA 244C
0x20AA 444C
0x20AE 244C
0x20AE 444C
InstancePRUSS1_PRU0_DEBUG
PRUSS1_PRU1_DEBUG
PRUSS2_PRU0_DEBUG
PRUSS2_PRU1_DEBUG
DescriptionDEBUG PRU GENERAL PURPOSE REGISTER 19. This register allows an external agent to debug the PRU while it is disabled. Reading or writing to these registers will have the same effect as a read or write to these registers from an internal instruction in the PRU. For R30, this includes generation of the pulse outputs whenever the register is written.
TypeRW
313029282726252423222120191817161514131211109876543210
GP_REG19
BitsField NameDescriptionTypeReset
31:0GP_REG19PRU Internal GP Register n: Reading / writing this field directly inspects/modifies the corresponding internal register in the PRU internal regfileRW0x0
Table 30-109 PRUSS_DBG_GPREG20
Address Offset0x0000 0050
Physical Address0x20AA 2450
0x20AA 4450
0x20AE 2450
0x20AE 4450
InstancePRUSS1_PRU0_DEBUG
PRUSS1_PRU1_DEBUG
PRUSS2_PRU0_DEBUG
PRUSS2_PRU1_DEBUG
DescriptionDEBUG PRU GENERAL PURPOSE REGISTER 20. This register allows an external agent to debug the PRU while it is disabled. Reading or writing to these registers will have the same effect as a read or write to these registers from an internal instruction in the PRU. For R30, this includes generation of the pulse outputs whenever the register is written.
TypeRW
313029282726252423222120191817161514131211109876543210
GP_REG20
BitsField NameDescriptionTypeReset
31:0GP_REG20PRU Internal GP Register n: Reading / writing this field directly inspects/modifies the corresponding internal register in the PRU internal regfileRW0x0
Table 30-110 PRUSS_DBG_GPREG21
Address Offset0x0000 0054
Physical Address0x20AA 2454
0x20AA 4454
0x20AE 2454
0x20AE 4454
InstancePRUSS1_PRU0_DEBUG
PRUSS1_PRU1_DEBUG
PRUSS2_PRU0_DEBUG
PRUSS2_PRU1_DEBUG
DescriptionDEBUG PRU GENERAL PURPOSE REGISTER 21. This register allows an external agent to debug the PRU while it is disabled. Reading or writing to these registers will have the same effect as a read or write to these registers from an internal instruction in the PRU. For R30, this includes generation of the pulse outputs whenever the register is written.
TypeRW
313029282726252423222120191817161514131211109876543210
GP_REG21
BitsField NameDescriptionTypeReset
31:0GP_REG21PRU Internal GP Register n: Reading / writing this field directly inspects/modifies the corresponding internal register in the PRU internal regfileRW0x0
Table 30-111 PRUSS_DBG_GPREG22
Address Offset0x0000 0058
Physical Address0x20AA 2458
0x20AA 4458
0x20AE 2458
0x20AE 4458
InstancePRUSS1_PRU0_DEBUG
PRUSS1_PRU1_DEBUG
PRUSS2_PRU0_DEBUG
PRUSS2_PRU1_DEBUG
DescriptionDEBUG PRU GENERAL PURPOSE REGISTER 22. This register allows an external agent to debug the PRU while it is disabled. Reading or writing to these registers will have the same effect as a read or write to these registers from an internal instruction in the PRU. For R30, this includes generation of the pulse outputs whenever the register is written.
TypeRW
313029282726252423222120191817161514131211109876543210
GP_REG22
BitsField NameDescriptionTypeReset
31:0GP_REG22PRU Internal GP Register n: Reading / writing this field directly inspects/modifies the corresponding internal register in the PRU internal regfileRW0x0
Table 30-112 PRUSS_DBG_GPREG23
Address Offset0x0000 005C
Physical Address0x20AA 245C
0x20AA 445C
0x20AE 245C
0x20AE 445C
InstancePRUSS1_PRU0_DEBUG
PRUSS1_PRU1_DEBUG
PRUSS2_PRU0_DEBUG
PRUSS2_PRU1_DEBUG
DescriptionDEBUG PRU GENERAL PURPOSE REGISTER 23. This register allows an external agent to debug the PRU while it is disabled. Reading or writing to these registers will have the same effect as a read or write to these registers from an internal instruction in the PRU. For R30, this includes generation of the pulse outputs whenever the register is written.
TypeRW
313029282726252423222120191817161514131211109876543210
GP_REG23
BitsField NameDescriptionTypeReset
31:0GP_REG23PRU Internal GP Register n: Reading / writing this field directly inspects/modifies the corresponding internal register in the PRU internal regfileRW0x0
Table 30-113 PRUSS_DBG_GPREG24
Address Offset0x0000 0060
Physical Address0x20AA 2460
0x20AA 4460
0x20AE 2460
0x20AE 4460
InstancePRUSS1_PRU0_DEBUG
PRUSS1_PRU1_DEBUG
PRUSS2_PRU0_DEBUG
PRUSS2_PRU1_DEBUG
DescriptionDEBUG PRU GENERAL PURPOSE REGISTER 24. This register allows an external agent to debug the PRU while it is disabled. Reading or writing to these registers will have the same effect as a read or write to these registers from an internal instruction in the PRU. For R30, this includes generation of the pulse outputs whenever the register is written.
TypeRW
313029282726252423222120191817161514131211109876543210
GP_REG24
BitsField NameDescriptionTypeReset
31:0GP_REG24PRU Internal GP Register n: Reading / writing this field directly inspects/modifies the corresponding internal register in the PRU internal regfileRW0x0
Table 30-114 PRUSS_DBG_GPREG25
Address Offset0x0000 0064
Physical Address0x20AA 2464
0x20AA 4464
0x20AE 2464
0x20AE 4464
InstancePRUSS1_PRU0_DEBUG
PRUSS1_PRU1_DEBUG
PRUSS2_PRU0_DEBUG
PRUSS2_PRU1_DEBUG
DescriptionDEBUG PRU GENERAL PURPOSE REGISTER 25. This register allows an external agent to debug the PRU while it is disabled. Reading or writing to these registers will have the same effect as a read or write to these registers from an internal instruction in the PRU. For R30, this includes generation of the pulse outputs whenever the register is written.
TypeRW
313029282726252423222120191817161514131211109876543210
GP_REG25
BitsField NameDescriptionTypeReset
31:0GP_REG25PRU Internal GP Register n: Reading / writing this field directly inspects/modifies the corresponding internal register in the PRU internal regfileRW0x0
Table 30-115 PRUSS_DBG_GPREG26
Address Offset0x0000 0068
Physical Address0x20AA 2468
0x20AA 4468
0x20AE 2468
0x20AE 4468
InstancePRUSS1_PRU0_DEBUG
PRUSS1_PRU1_DEBUG
PRUSS2_PRU0_DEBUG
PRUSS2_PRU1_DEBUG
DescriptionDEBUG PRU GENERAL PURPOSE REGISTER 26. This register allows an external agent to debug the PRU while it is disabled. Reading or writing to these registers will have the same effect as a read or write to these registers from an internal instruction in the PRU. For R30, this includes generation of the pulse outputs whenever the register is written.
TypeRW
313029282726252423222120191817161514131211109876543210
GP_REG26
BitsField NameDescriptionTypeReset
31:0GP_REG26PRU Internal GP Register n: Reading / writing this field directly inspects/modifies the corresponding internal register in the PRU internal regfileRW0x0
Table 30-116 PRUSS_DBG_GPREG27
Address Offset0x0000 006C
Physical Address0x20AA 246C
0x20AA 446C
0x20AE 246C
0x20AE 446C
InstancePRUSS1_PRU0_DEBUG
PRUSS1_PRU1_DEBUG
PRUSS2_PRU0_DEBUG
PRUSS2_PRU1_DEBUG
DescriptionDEBUG PRU GENERAL PURPOSE REGISTER 27. This register allows an external agent to debug the PRU while it is disabled. Reading or writing to these registers will have the same effect as a read or write to these registers from an internal instruction in the PRU. For R30, this includes generation of the pulse outputs whenever the register is written.
TypeRW
313029282726252423222120191817161514131211109876543210
GP_REG27
BitsField NameDescriptionTypeReset
31:0GP_REG27PRU Internal GP Register n: Reading / writing this field directly inspects/modifies the corresponding internal register in the PRU internal regfileRW0x0
Table 30-117 PRUSS_DBG_GPREG28
Address Offset0x0000 0070
Physical Address0x20AA 2470
0x20AA 4470
0x20AE 2470
0x20AE 4470
InstancePRUSS1_PRU0_DEBUG
PRUSS1_PRU1_DEBUG
PRUSS2_PRU0_DEBUG
PRUSS2_PRU1_DEBUG
DescriptionDEBUG PRU GENERAL PURPOSE REGISTER 28. This register allows an external agent to debug the PRU while it is disabled. Reading or writing to these registers will have the same effect as a read or write to these registers from an internal instruction in the PRU. For R30, this includes generation of the pulse outputs whenever the register is written.
TypeRW
313029282726252423222120191817161514131211109876543210
GP_REG28
BitsField NameDescriptionTypeReset
31:0GP_REG28PRU Internal GP Register n: Reading / writing this field directly inspects/modifies the corresponding internal register in the PRU internal regfileRW0x0
Table 30-118 PRUSS_DBG_GPREG29
Address Offset0x0000 0074
Physical Address0x20AA 2474
0x20AA 4474
0x20AE 2474
0x20AE 4474
InstancePRUSS1_PRU0_DEBUG
PRUSS1_PRU1_DEBUG
PRUSS2_PRU0_DEBUG
PRUSS2_PRU1_DEBUG
DescriptionDEBUG PRU GENERAL PURPOSE REGISTER 29. This register allows an external agent to debug the PRU while it is disabled. Reading or writing to these registers will have the same effect as a read or write to these registers from an internal instruction in the PRU. For R30, this includes generation of the pulse outputs whenever the register is written.
TypeRW
313029282726252423222120191817161514131211109876543210
GP_REG29
BitsField NameDescriptionTypeReset
31:0GP_REG29PRU Internal GP Register n: Reading / writing this field directly inspects/modifies the corresponding internal register in the PRU internal regfileRW0x0
Table 30-119 PRUSS_DBG_GPREG30
Address Offset0x0000 0078
Physical Address0x20AA 2478
0x20AA 4478
0x20AE 2478
0x20AE 4478
InstancePRUSS1_PRU0_DEBUG
PRUSS1_PRU1_DEBUG
PRUSS2_PRU0_DEBUG
PRUSS2_PRU1_DEBUG
DescriptionDEBUG PRU GENERAL PURPOSE REGISTER 30. This register allows an external agent to debug the PRU while it is disabled. Reading or writing to these registers will have the same effect as a read or write to these registers from an internal instruction in the PRU. For R30, this includes generation of the pulse outputs whenever the register is written.
TypeRW
313029282726252423222120191817161514131211109876543210
GP_REG30
BitsField NameDescriptionTypeReset
31:0GP_REG30PRU Internal GP Register n: Reading / writing this field directly inspects/modifies the corresponding internal register in the PRU internal regfileRW0x0
Table 30-120 PRUSS_DBG_GPREG31
Address Offset0x0000 007C
Physical Address0x20AA 247C
0x20AA 447C
0x20AE 247C
0x20AE 447C
InstancePRUSS1_PRU0_DEBUG
PRUSS1_PRU1_DEBUG
PRUSS2_PRU0_DEBUG
PRUSS2_PRU1_DEBUG
DescriptionDEBUG PRU GENERAL PURPOSE REGISTER 31. This register allows an external agent to debug the PRU while it is disabled. Reading or writing to these registers will have the same effect as a read or write to these registers from an internal instruction in the PRU. For R30, this includes generation of the pulse outputs whenever the register is written.
TypeRW
313029282726252423222120191817161514131211109876543210
GP_REG31
BitsField NameDescriptionTypeReset
31:0GP_REG31PRU Internal GP Register n: Reading / writing this field directly inspects/modifies the corresponding internal register in the PRU internal regfileRW0x0
Table 30-121 PRUSS_DBG_CT_REG0
Address Offset0x0000 0080
Physical Address0x20AA 2480
0x20AA 4480
0x20AE 2480
0x20AE 4480
InstancePRUSS1_PRU0_DEBUG
PRUSS1_PRU1_DEBUG
PRUSS2_PRU0_DEBUG
PRUSS2_PRU1_DEBUG
DescriptionDEBUG PRU CONSTANTS TABLE ENTRY 0. This register allows an external agent to debug the PRU while it is disabled. Since some of the constants table entries may actually depend on system inputs / and or the internal state of the PRU, these registers are provided to allow an external agent to easily determine the state of the constants table.
TypeR
313029282726252423222120191817161514131211109876543210
CT_REG0
BitsField NameDescriptionTypeReset
31:0CT_REG0PRU Internal Constants Table Entry n: Reading this field directly inspects the corresponding entry in the PRU internal constants table.R0x02 0000
Table 30-122 PRUSS_DBG_CT_REG1
Address Offset0x0000 0084
Physical Address0x20AA 2484
0x20AA 4484
0x20AE 2484
0x20AE 4484
InstancePRUSS1_PRU0_DEBUG
PRUSS1_PRU1_DEBUG
PRUSS2_PRU0_DEBUG
PRUSS2_PRU1_DEBUG
DescriptionDEBUG PRU CONSTANTS TABLE ENTRY 1. This register allows an external agent to debug the PRU while it is disabled. Since some of the constants table entries may actually depend on system inputs / and or the internal state of the PRU, these registers are provided to allow an external agent to easily determine the state of the constants table.
TypeR
313029282726252423222120191817161514131211109876543210
CT_REG1
BitsField NameDescriptionTypeReset
31:0CT_REG1PRU Internal Constants Table Entry n: Reading this field directly inspects the corresponding entry in the PRU internal constants table.R0x4804 0000
Table 30-123 PRUSS_DBG_CT_REG2
Address Offset0x0000 0088
Physical Address0x20AA 2488
0x20AA 4488
0x20AE 2488
0x20AE 4488
InstancePRUSS1_PRU0_DEBUG
PRUSS1_PRU1_DEBUG
PRUSS2_PRU0_DEBUG
PRUSS2_PRU1_DEBUG
DescriptionDEBUG PRU CONSTANTS TABLE ENTRY 2. This register allows an external agent to debug the PRU while it is disabled. Since some of the constants table entries may actually depend on system inputs / and or the internal state of the PRU, these registers are provided to allow an external agent to easily determine the state of the constants table.
TypeR
313029282726252423222120191817161514131211109876543210
CT_REG2
BitsField NameDescriptionTypeReset
31:0CT_REG2PRU Internal Constants Table Entry n: Reading this field directly inspects the corresponding entry in the PRU internal constants table.R0x4802 A000
Table 30-124 PRUSS_DBG_CT_REG3
Address Offset0x0000 008C
Physical Address0x20AA 248C
0x20AA 448C
0x20AE 248C
0x20AE 448C
InstancePRUSS1_PRU0_DEBUG
PRUSS1_PRU1_DEBUG
PRUSS2_PRU0_DEBUG
PRUSS2_PRU1_DEBUG
DescriptionDEBUG PRU CONSTANTS TABLE ENTRY 3. This register allows an external agent to debug the PRU while it is disabled. Since some of the constants table entries may actually depend on system inputs / and or the internal state of the PRU, these registers are provided to allow an external agent to easily determine the state of the constants table.
TypeR
313029282726252423222120191817161514131211109876543210
CT_REG3
BitsField NameDescriptionTypeReset
31:0CT_REG3PRU Internal Constants Table Entry n: Reading this field directly inspects the corresponding entry in the PRU internal constants table.R0x03 0000
Table 30-125 PRUSS_DBG_CT_REG4
Address Offset0x0000 0090
Physical Address0x20AA 2490
0x20AA 4490
0x20AE 2490
0x20AE 4490
InstancePRUSS1_PRU0_DEBUG
PRUSS1_PRU1_DEBUG
PRUSS2_PRU0_DEBUG
PRUSS2_PRU1_DEBUG
DescriptionDEBUG PRU CONSTANTS TABLE ENTRY 4. This register allows an external agent to debug the PRU while it is disabled. Since some of the constants table entries may actually depend on system inputs / and or the internal state of the PRU, these registers are provided to allow an external agent to easily determine the state of the constants table.
TypeR
313029282726252423222120191817161514131211109876543210
CT_REG4
BitsField NameDescriptionTypeReset
31:0CT_REG4PRU Internal Constants Table Entry n: Reading this field directly inspects the corresponding entry in the PRU internal constants table.R0x02 6000
Table 30-126 PRUSS_DBG_CT_REG5
Address Offset0x0000 0094
Physical Address0x20AA 2494
0x20AA 4494
0x20AE 2494
0x20AE 4494
InstancePRUSS1_PRU0_DEBUG
PRUSS1_PRU1_DEBUG
PRUSS2_PRU0_DEBUG
PRUSS2_PRU1_DEBUG
DescriptionDEBUG PRU CONSTANTS TABLE ENTRY 5. This register allows an external agent to debug the PRU while it is disabled. Since some of the constants table entries may actually depend on system inputs / and or the internal state of the PRU, these registers are provided to allow an external agent to easily determine the state of the constants table.
TypeR
313029282726252423222120191817161514131211109876543210
CT_REG5
BitsField NameDescriptionTypeReset
31:0CT_REG5PRU Internal Constants Table Entry n: Reading this field directly inspects the corresponding entry in the PRU internal constants table.R0x4806 0000
Table 30-127 PRUSS_DBG_CT_REG6
Address Offset0x0000 0098
Physical Address0x20AA 2498
0x20AA 4498
0x20AE 2498
0x20AE 4498
InstancePRUSS1_PRU0_DEBUG
PRUSS1_PRU1_DEBUG
PRUSS2_PRU0_DEBUG
PRUSS2_PRU1_DEBUG
DescriptionDEBUG PRU CONSTANTS TABLE ENTRY 6. This register allows an external agent to debug the PRU while it is disabled. Since some of the constants table entries may actually depend on system inputs / and or the internal state of the PRU, these registers are provided to allow an external agent to easily determine the state of the constants table.
TypeR
313029282726252423222120191817161514131211109876543210
CT_REG6
BitsField NameDescriptionTypeReset
31:0CT_REG6PRU Internal Constants Table Entry n: Reading this field directly inspects the corresponding entry in the PRU internal constants table.R0x4803 0000
Table 30-128 PRUSS_DBG_CT_REG7
Address Offset0x0000 009C
Physical Address0x20AA 249C
0x20AA 449C
0x20AE 249C
0x20AE 449C
InstancePRUSS1_PRU0_DEBUG
PRUSS1_PRU1_DEBUG
PRUSS2_PRU0_DEBUG
PRUSS2_PRU1_DEBUG
DescriptionDEBUG PRU CONSTANTS TABLE ENTRY 7. This register allows an external agent to debug the PRU while it is disabled. Since some of the constants table entries may actually depend on system inputs / and or the internal state of the PRU, these registers are provided to allow an external agent to easily determine the state of the constants table.
TypeR
313029282726252423222120191817161514131211109876543210
CT_REG7
BitsField NameDescriptionTypeReset
31:0CT_REG7PRU Internal Constants Table Entry n: Reading this field directly inspects the corresponding entry in the PRU internal constants table.R0x02 8000
Table 30-129 PRUSS_DBG_CT_REG8
Address Offset0x0000 00A0
Physical Address0x20AA 24A0
0x20AA 44A0
0x20AE 24A0
0x20AE 44A0
InstancePRUSS1_PRU0_DEBUG
PRUSS1_PRU1_DEBUG
PRUSS2_PRU0_DEBUG
PRUSS2_PRU1_DEBUG
DescriptionDEBUG PRU CONSTANTS TABLE ENTRY 8. This register allows an external agent to debug the PRU while it is disabled. Since some of the constants table entries may actually depend on system inputs / and or the internal state of the PRU, these registers are provided to allow an external agent to easily determine the state of the constants table.
TypeR
313029282726252423222120191817161514131211109876543210
CT_REG8
BitsField NameDescriptionTypeReset
31:0CT_REG8PRU Internal Constants Table Entry n: Reading this field directly inspects the corresponding entry in the PRU internal constants table.R0x4600 0000
Table 30-130 PRUSS_DBG_CT_REG9
Address Offset0x0000 00A4
Physical Address0x20AA 24A4
0x20AA 44A4
0x20AE 24A4
0x20AE 44A4
InstancePRUSS1_PRU0_DEBUG
PRUSS1_PRU1_DEBUG
PRUSS2_PRU0_DEBUG
PRUSS2_PRU1_DEBUG
DescriptionDEBUG PRU CONSTANTS TABLE ENTRY 9. This register allows an external agent to debug the PRU while it is disabled. Since some of the constants table entries may actually depend on system inputs / and or the internal state of the PRU, these registers are provided to allow an external agent to easily determine the state of the constants table.
TypeR
313029282726252423222120191817161514131211109876543210
CT_REG9
BitsField NameDescriptionTypeReset
31:0CT_REG9PRU Internal Constants Table Entry n: Reading this field directly inspects the corresponding entry in the PRU internal constants table.R0x4A10 0000
Table 30-131 PRUSS_DBG_CT_REG10
Address Offset0x0000 00A8
Physical Address0x20AA 24A8
0x20AA 44A8
0x20AE 24A8
0x20AE 44A8
InstancePRUSS1_PRU0_DEBUG
PRUSS1_PRU1_DEBUG
PRUSS2_PRU0_DEBUG
PRUSS2_PRU1_DEBUG
DescriptionDEBUG PRU CONSTANTS TABLE ENTRY 10. This register allows an external agent to debug the PRU while it is disabled. Since some of the constants table entries may actually depend on system inputs / and or the internal state of the PRU, these registers are provided to allow an external agent to easily determine the state of the constants table.
TypeR
313029282726252423222120191817161514131211109876543210
CT_REG10
BitsField NameDescriptionTypeReset
31:0CT_REG10PRU Internal Constants Table Entry n: Reading this field directly inspects the corresponding entry in the PRU internal constants table.R0x4831 8000
Table 30-132 PRUSS_DBG_CT_REG11
Address Offset0x0000 00AC
Physical Address0x20AA 24AC
0x20AA 44AC
0x20AE 24AC
0x20AE 44AC
InstancePRUSS1_PRU0_DEBUG
PRUSS1_PRU1_DEBUG
PRUSS2_PRU0_DEBUG
PRUSS2_PRU1_DEBUG
DescriptionDEBUG PRU CONSTANTS TABLE ENTRY 11. This register allows an external agent to debug the PRU while it is disabled. Since some of the constants table entries may actually depend on system inputs / and or the internal state of the PRU, these registers are provided to allow an external agent to easily determine the state of the constants table.
TypeR
313029282726252423222120191817161514131211109876543210
CT_REG11
BitsField NameDescriptionTypeReset
31:0CT_REG11PRU Internal Constants Table Entry n: Reading this field directly inspects the corresponding entry in the PRU internal constants table.R0x4802 2000
Table 30-133 PRUSS_DBG_CT_REG12
Address Offset0x0000 00B0
Physical Address0x20AA 24B0
0x20AA 44B0
0x20AE 24B0
0x20AE 44B0
InstancePRUSS1_PRU0_DEBUG
PRUSS1_PRU1_DEBUG
PRUSS2_PRU0_DEBUG
PRUSS2_PRU1_DEBUG
DescriptionDEBUG PRU CONSTANTS TABLE ENTRY 12. This register allows an external agent to debug the PRU while it is disabled. Since some of the constants table entries may actually depend on system inputs / and or the internal state of the PRU, these registers are provided to allow an external agent to easily determine the state of the constants table.
TypeR
313029282726252423222120191817161514131211109876543210
CT_REG12
BitsField NameDescriptionTypeReset
31:0CT_REG12PRU Internal Constants Table Entry n: Reading this field directly inspects the corresponding entry in the PRU internal constants table.R0x4802 4000
Table 30-134 PRUSS_DBG_CT_REG13
Address Offset0x0000 00B4
Physical Address0x20AA 24B4
0x20AA 44B4
0x20AE 24B4
0x20AE 44B4
InstancePRUSS1_PRU0_DEBUG
PRUSS1_PRU1_DEBUG
PRUSS2_PRU0_DEBUG
PRUSS2_PRU1_DEBUG
DescriptionDEBUG PRU CONSTANTS TABLE ENTRY 13. This register allows an external agent to debug the PRU while it is disabled. Since some of the constants table entries may actually depend on system inputs / and or the internal state of the PRU, these registers are provided to allow an external agent to easily determine the state of the constants table.
TypeR
313029282726252423222120191817161514131211109876543210
CT_REG13
BitsField NameDescriptionTypeReset
31:0CT_REG13PRU Internal Constants Table Entry n: Reading this field directly inspects the corresponding entry in the PRU internal constants table.R0x4831 0000
Table 30-135 PRUSS_DBG_CT_REG14
Address Offset0x0000 00B8
Physical Address0x20AA 24B8
0x20AA 44B8
0x20AE 24B8
0x20AE 44B8
InstancePRUSS1_PRU0_DEBUG
PRUSS1_PRU1_DEBUG
PRUSS2_PRU0_DEBUG
PRUSS2_PRU1_DEBUG
DescriptionDEBUG PRU CONSTANTS TABLE ENTRY 14. This register allows an external agent to debug the PRU while it is disabled. Since some of the constants table entries may actually depend on system inputs / and or the internal state of the PRU, these registers are provided to allow an external agent to easily determine the state of the constants table.
TypeR
313029282726252423222120191817161514131211109876543210
CT_REG14
BitsField NameDescriptionTypeReset
31:0CT_REG14PRU Internal Constants Table Entry n: Reading this field directly inspects the corresponding entry in the PRU internal constants table.R0x481C C000
Table 30-136 PRUSS_DBG_CT_REG15
Address Offset0x0000 00BC
Physical Address0x20AA 24BC
0x20AA 44BC
0x20AE 24BC
0x20AE 44BC
InstancePRUSS1_PRU0_DEBUG
PRUSS1_PRU1_DEBUG
PRUSS2_PRU0_DEBUG
PRUSS2_PRU1_DEBUG
DescriptionDEBUG PRU CONSTANTS TABLE ENTRY 15. This register allows an external agent to debug the PRU while it is disabled. Since some of the constants table entries may actually depend on system inputs / and or the internal state of the PRU, these registers are provided to allow an external agent to easily determine the state of the constants table.
TypeR
313029282726252423222120191817161514131211109876543210
CT_REG15
BitsField NameDescriptionTypeReset
31:0CT_REG15PRU Internal Constants Table Entry n: Reading this field directly inspects the corresponding entry in the PRU internal constants table.R0x481D 0000
Table 30-137 PRUSS_DBG_CT_REG16
Address Offset0x0000 00C0
Physical Address0x20AA 24C0
0x20AA 44C0
0x20AE 24C0
0x20AE 44C0
InstancePRUSS1_PRU0_DEBUG
PRUSS1_PRU1_DEBUG
PRUSS2_PRU0_DEBUG
PRUSS2_PRU1_DEBUG
DescriptionDEBUG PRU CONSTANTS TABLE ENTRY 16. This register allows an external agent to debug the PRU while it is disabled. Since some of the constants table entries may actually depend on system inputs / and or the internal state of the PRU, these registers are provided to allow an external agent to easily determine the state of the constants table.
TypeR
313029282726252423222120191817161514131211109876543210
CT_REG16
BitsField NameDescriptionTypeReset
31:0CT_REG16PRU Internal Constants Table Entry n: Reading this field directly inspects the corresponding entry in the PRU internal constants table.R0x481A 0000
Table 30-138 PRUSS_DBG_CT_REG17
Address Offset0x0000 00C4
Physical Address0x20AA 24C4
0x20AA 44C4
0x20AE 24C4
0x20AE 44C4
InstancePRUSS1_PRU0_DEBUG
PRUSS1_PRU1_DEBUG
PRUSS2_PRU0_DEBUG
PRUSS2_PRU1_DEBUG
DescriptionDEBUG PRU CONSTANTS TABLE ENTRY 17. This register allows an external agent to debug the PRU while it is disabled. Since some of the constants table entries may actually depend on system inputs / and or the internal state of the PRU, these registers are provided to allow an external agent to easily determine the state of the constants table.
TypeR
313029282726252423222120191817161514131211109876543210
CT_REG17
BitsField NameDescriptionTypeReset
31:0CT_REG17PRU Internal Constants Table Entry n: Reading this field directly inspects the corresponding entry in the PRU internal constants table.R0x4819 C000
Table 30-139 PRUSS_DBG_CT_REG18
Address Offset0x0000 00C8
Physical Address0x20AA 24C8
0x20AA 44C8
0x20AE 24C8
0x20AE 44C8
InstancePRUSS1_PRU0_DEBUG
PRUSS1_PRU1_DEBUG
PRUSS2_PRU0_DEBUG
PRUSS2_PRU1_DEBUG
DescriptionDEBUG PRU CONSTANTS TABLE ENTRY 18. This register allows an external agent to debug the PRU while it is disabled. Since some of the constants table entries may actually depend on system inputs / and or the internal state of the PRU, these registers are provided to allow an external agent to easily determine the state of the constants table.
TypeR
313029282726252423222120191817161514131211109876543210
CT_REG18
BitsField NameDescriptionTypeReset
31:0CT_REG18PRU Internal Constants Table Entry n: Reading this field directly inspects the corresponding entry in the PRU internal constants table.R0x4830 0000
Table 30-140 PRUSS_DBG_CT_REG19
Address Offset0x0000 00CC
Physical Address0x20AA 24CC
0x20AA 44CC
0x20AE 24CC
0x20AE 44CC
InstancePRUSS1_PRU0_DEBUG
PRUSS1_PRU1_DEBUG
PRUSS2_PRU0_DEBUG
PRUSS2_PRU1_DEBUG
DescriptionDEBUG PRU CONSTANTS TABLE ENTRY 19. This register allows an external agent to debug the PRU while it is disabled. Since some of the constants table entries may actually depend on system inputs / and or the internal state of the PRU, these registers are provided to allow an external agent to easily determine the state of the constants table.
TypeR
313029282726252423222120191817161514131211109876543210
CT_REG19
BitsField NameDescriptionTypeReset
31:0CT_REG19PRU Internal Constants Table Entry n: Reading this field directly inspects the corresponding entry in the PRU internal constants table.R0x4830 2000
Table 30-141 PRUSS_DBG_CT_REG20
Address Offset0x0000 00D0
Physical Address0x20AA 24D0
0x20AA 44D0
0x20AE 24D0
0x20AE 44D0
InstancePRUSS1_PRU0_DEBUG
PRUSS1_PRU1_DEBUG
PRUSS2_PRU0_DEBUG
PRUSS2_PRU1_DEBUG
DescriptionDEBUG PRU CONSTANTS TABLE ENTRY 20. This register allows an external agent to debug the PRU while it is disabled. Since some of the constants table entries may actually depend on system inputs / and or the internal state of the PRU, these registers are provided to allow an external agent to easily determine the state of the constants table.
TypeR
313029282726252423222120191817161514131211109876543210
CT_REG20
BitsField NameDescriptionTypeReset
31:0CT_REG20PRU Internal Constants Table Entry n: Reading this field directly inspects the corresponding entry in the PRU internal constants table.R0x4830 4000
Table 30-142 PRUSS_DBG_CT_REG21
Address Offset0x0000 00D4
Physical Address0x20AA 24D4
0x20AA 44D4
0x20AE 24D4
0x20AE 44D4
InstancePRUSS1_PRU0_DEBUG
PRUSS1_PRU1_DEBUG
PRUSS2_PRU0_DEBUG
PRUSS2_PRU1_DEBUG
DescriptionDEBUG PRU CONSTANTS TABLE ENTRY 21. This register allows an external agent to debug the PRU while it is disabled. Since some of the constants table entries may actually depend on system inputs / and or the internal state of the PRU, these registers are provided to allow an external agent to easily determine the state of the constants table.
TypeR
313029282726252423222120191817161514131211109876543210
CT_REG21
BitsField NameDescriptionTypeReset
31:0CT_REG21PRU Internal Constants Table Entry n: Reading this field directly inspects the corresponding entry in the PRU internal constants table.R0x03 2400
Table 30-143 PRUSS_DBG_CT_REG22
Address Offset0x0000 00D8
Physical Address0x20AA 24D8
0x20AA 44D8
0x20AE 24D8
0x20AE 44D8
InstancePRUSS1_PRU0_DEBUG
PRUSS1_PRU1_DEBUG
PRUSS2_PRU0_DEBUG
PRUSS2_PRU1_DEBUG
DescriptionDEBUG PRU CONSTANTS TABLE ENTRY 22. This register allows an external agent to debug the PRU while it is disabled. Since some of the constants table entries may actually depend on system inputs / and or the internal state of the PRU, these registers are provided to allow an external agent to easily determine the state of the constants table.
TypeR
313029282726252423222120191817161514131211109876543210
CT_REG22
BitsField NameDescriptionTypeReset
31:0CT_REG22PRU Internal Constants Table Entry n: Reading this field directly inspects the corresponding entry in the PRU internal constants table.R0x480C 8000
Table 30-144 PRUSS_DBG_CT_REG23
Address Offset0x0000 00DC
Physical Address0x20AA 24DC
0x20AA 44DC
0x20AE 24DC
0x20AE 44DC
InstancePRUSS1_PRU0_DEBUG
PRUSS1_PRU1_DEBUG
PRUSS2_PRU0_DEBUG
PRUSS2_PRU1_DEBUG
DescriptionDEBUG PRU CONSTANTS TABLE ENTRY 23. This register allows an external agent to debug the PRU while it is disabled. Since some of the constants table entries may actually depend on system inputs / and or the internal state of the PRU, these registers are provided to allow an external agent to easily determine the state of the constants table.
TypeR
313029282726252423222120191817161514131211109876543210
CT_REG23
BitsField NameDescriptionTypeReset
31:0CT_REG23PRU Internal Constants Table Entry n: Reading this field directly inspects the corresponding entry in the PRU internal constants table.R0x480C A000
Table 30-145 PRUSS_DBG_CT_REG24
Address Offset0x0000 00E0
Physical Address0x20AA 24E0
0x20AA 44E0
0x20AE 24E0
0x20AE 44E0
InstancePRUSS1_PRU0_DEBUG
PRUSS1_PRU1_DEBUG
PRUSS2_PRU0_DEBUG
PRUSS2_PRU1_DEBUG
DescriptionDEBUG PRU CONSTANTS TABLE ENTRY 24. This register allows an external agent to debug the PRU while it is disabled. Since some of the constants table entries may actually depend on system inputs / and or the internal state of the PRU, these registers are provided to allow an external agent to easily determine the state of the constants table.
TypeR
313029282726252423222120191817161514131211109876543210
CT_REG24
BitsField NameDescriptionTypeReset
31:0CT_REG24PRU Internal Constants Table Entry n: Reading this field directly inspects the corresponding entry in the PRU internal constants table.
This entry is partially programmable through the c24_blk_index in the PRU Control register.
The reset value for this Constant Table Entry is 0x00000n00, n=c24_blk_index[3:0].
R0x0
Table 30-146 PRUSS_DBG_CT_REG25
Address Offset0x0000 00E4
Physical Address0x20AA 24E4
0x20AA 44E4
0x20AE 24E4
0x20AE 44E4
InstancePRUSS1_PRU0_DEBUG
PRUSS1_PRU1_DEBUG
PRUSS2_PRU0_DEBUG
PRUSS2_PRU1_DEBUG
DescriptionDEBUG PRU CONSTANTS TABLE ENTRY 25. This register allows an external agent to debug the PRU while it is disabled. Since some of the constants table entries may actually depend on system inputs / and or the internal state of the PRU, these registers are provided to allow an external agent to easily determine the state of the constants table.
TypeR
313029282726252423222120191817161514131211109876543210
CT_REG25
BitsField NameDescriptionTypeReset
31:0CT_REG25PRU Internal Constants Table Entry n: Reading this field directly inspects the corresponding entry in the PRU internal constants table.
This entry is partially programmable through the c25_blk_index in the PRU Control register.
The reset value for this Constant Table Entry is 0x00002n00, n=c25_blk_index[3:0].
R0x0
Table 30-147 PRUSS_DBG_CT_REG26
Address Offset0x0000 00E8
Physical Address0x20AA 24E8
0x20AA 44E8
0x20AE 24E8
0x20AE 44E8
InstancePRUSS1_PRU0_DEBUG
PRUSS1_PRU1_DEBUG
PRUSS2_PRU0_DEBUG
PRUSS2_PRU1_DEBUG
DescriptionDEBUG PRU CONSTANTS TABLE ENTRY 26. This register allows an external agent to debug the PRU while it is disabled. Since some of the constants table entries may actually depend on system inputs / and or the internal state of the PRU, these registers are provided to allow an external agent to easily determine the state of the constants table.
TypeR
313029282726252423222120191817161514131211109876543210
CT_REG26
BitsField NameDescriptionTypeReset
31:0CT_REG26PRU Internal Constants Table Entry n: Reading this field directly inspects the corresponding entry in the PRU internal constants table.
This entry is partially programmable through the c26_blk_index in the PRU Control register.
The reset value for this Constant Table Entry is 0x0002En00, n=c26_blk_index[3:0].
R0x0
Table 30-148 PRUSS_DBG_CT_REG27
Address Offset0x0000 00EC
Physical Address0x20AA 24EC
0x20AA 44EC
0x20AE 24EC
0x20AE 44EC
InstancePRUSS1_PRU0_DEBUG
PRUSS1_PRU1_DEBUG
PRUSS2_PRU0_DEBUG
PRUSS2_PRU1_DEBUG
DescriptionDEBUG PRU CONSTANTS TABLE ENTRY 27. This register allows an external agent to debug the PRU while it is disabled. Since some of the constants table entries may actually depend on system inputs / and or the internal state of the PRU, these registers are provided to allow an external agent to easily determine the state of the constants table.
TypeR
313029282726252423222120191817161514131211109876543210
CT_REG27
BitsField NameDescriptionTypeReset
31:0CT_REG27PRU Internal Constants Table Entry n: Reading this field directly inspects the corresponding entry in the PRU internal constants table.
This entry is partially programmable through the c27_blk_index in the PRU Control register.
The reset value for this Constant Table Entry is 0x00032n00, n=c27_blk_index[3:0].
R0x0
Table 30-149 PRUSS_DBG_CT_REG28
Address Offset0x0000 00F0
Physical Address0x20AA 24F0
0x20AA 44F0
0x20AE 24F0
0x20AE 44F0
InstancePRUSS1_PRU0_DEBUG
PRUSS1_PRU1_DEBUG
PRUSS2_PRU0_DEBUG
PRUSS2_PRU1_DEBUG
DescriptionDEBUG PRU CONSTANTS TABLE ENTRY 28. This register allows an external agent to debug the PRU while it is disabled. Since some of the constants table entries may actually depend on system inputs / and or the internal state of the PRU, these registers are provided to allow an external agent to easily determine the state of the constants table.
TypeR
313029282726252423222120191817161514131211109876543210
CT_REG28
BitsField NameDescriptionTypeReset
31:0CT_REG28PRU Internal Constants Table Entry n: Reading this field directly inspects the corresponding entry in the PRU internal constants table.
This entry is partially programmable through the c28_pointer in the PRU Control register.
The reset value for this Constant Table Entry is 0x00nnnn00, nnnn=c28_pointer[15:0].
R0x0
Table 30-150 PRUSS_DBG_CT_REG29
Address Offset0x0000 00F4
Physical Address0x20AA 24F4
0x20AA 44F4
0x20AE 24F4
0x20AE 44F4
InstancePRUSS1_PRU0_DEBUG
PRUSS1_PRU1_DEBUG
PRUSS2_PRU0_DEBUG
PRUSS2_PRU1_DEBUG
DescriptionDEBUG PRU CONSTANTS TABLE ENTRY 29. This register allows an external agent to debug the PRU while it is disabled. Since some of the constants table entries may actually depend on system inputs / and or the internal state of the PRU, these registers are provided to allow an external agent to easily determine the state of the constants table.
TypeR
313029282726252423222120191817161514131211109876543210
CT_REG29
BitsField NameDescriptionTypeReset
31:0CT_REG29PRU Internal Constants Table Entry n: Reading this field directly inspects the corresponding entry in the PRU internal constants table.
This entry is partially programmable through the c29_pointer in the PRU Control register.
The reset value for this Constant Table Entry is 0x49nnnn00, nnnn=c29_pointer[15:0].
R0x0
Table 30-151 PRUSS_DBG_CT_REG30
Address Offset0x0000 00F8
Physical Address0x20AA 24F8
0x20AA 44F8
0x20AE 24F8
0x20AE 44F8
InstancePRUSS1_PRU0_DEBUG
PRUSS1_PRU1_DEBUG
PRUSS2_PRU0_DEBUG
PRUSS2_PRU1_DEBUG
DescriptionDEBUG PRU CONSTANTS TABLE ENTRY 30. This register allows an external agent to debug the PRU while it is disabled. Since some of the constants table entries may actually depend on system inputs / and or the internal state of the PRU, these registers are provided to allow an external agent to easily determine the state of the constants table.
TypeR
313029282726252423222120191817161514131211109876543210
CT_REG30
BitsField NameDescriptionTypeReset
31:0CT_REG30PRU Internal Constants Table Entry n: Reading this field directly inspects the corresponding entry in the PRU internal constants table.
This entry is partially programmable through the c30_pointer in the PRU Control register.
The reset value for this Constant Table Entry is 0x40nnnn00, nnnn=c30_pointer[15:0].
R0x0
Table 30-152 PRUSS_DBG_CT_REG31
Address Offset0x0000 00FC
Physical Address0x20AA 24FC
0x20AA 44FC
0x20AE 24FC
0x20AE 44FC
InstancePRUSS1_PRU0_DEBUG
PRUSS1_PRU1_DEBUG
PRUSS2_PRU0_DEBUG
PRUSS2_PRU1_DEBUG
DescriptionDEBUG PRU CONSTANTS TABLE ENTRY 31. This register allows an external agent to debug the PRU while it is disabled. Since some of the constants table entries may actually depend on system inputs / and or the internal state of the PRU, these registers are provided to allow an external agent to easily determine the state of the constants table.
TypeR
313029282726252423222120191817161514131211109876543210
CT_REG31
BitsField NameDescriptionTypeReset
31:0CT_REG31PRU Internal Constants Table Entry n: Reading this field directly inspects the corresponding entry in the PRU internal constants table.
This entry is partially programmable through the c31_pointer in the PRU Control register.
The reset value for this Constant Table Entry is 0x80nnnn00, nnnn=c31_pointer[15:0].
R0x0