SPRUIL1D May 2019 – December 2024 DRA829J , DRA829J-Q1 , DRA829V , DRA829V-Q1 , TDA4VM , TDA4VM-Q1
The Enhanced Quadrature Encoder Pulse (EQEP) peripheral is used for direct interface with a linear or rotary incremental encoder to get position, direction and speed information from a rotating machine for use in high performance motion and position control system. The disk of an incremental encoder is patterned with a single track of slots patterns, as shown in Figure 12-438. These slots create an alternating pattern of dark and light lines. The disk count is defined as the number of dark/light line pairs that occur per revolution (lines per revolution). As a rule, a second track is added to generate a signal that occurs once per revolution (index signal: QEPI), which can be used to indicate an absolute position. Encoder manufacturers identify the index pulse using different terms such as index, marker, home position and zero reference.
Figure 12-438 Optical Encoder DiskTo derive direction information, the lines on the disk are read out by two different photo-elements that "look" at the disk pattern with a mechanical shift of 1/4 the pitch of a line pair between them. This shift is realized with a reticle or mask that restricts the view of the photo-element to the desired part of the disk lines. As the disk rotates, the two photo-elements generate signals that are shifted 90 degrees out of phase from each other. These are commonly called the quadrature QEPA and QEPB signals. The clockwise direction for most encoders is defined as the QEPA channel going positive before the QEPB channel and vise versa as shown in Figure 12-439.
The encoder wheel typically makes one revolution for every revolution of the motor or the wheel may be at a geared rotation ratio with respect to the motor. Therefore, the frequency of the digital signal coming from the QEPA and QEPB outputs varies proportionally with the velocity of the motor. For example, a 2000-line encoder directly coupled to a motor running at 5000 revolutions per minute (rpm) results in a frequency of 166.6 kHz, so by measuring the frequency of either the QEPA or QEPB output, the processor can determine the velocity of the motor.
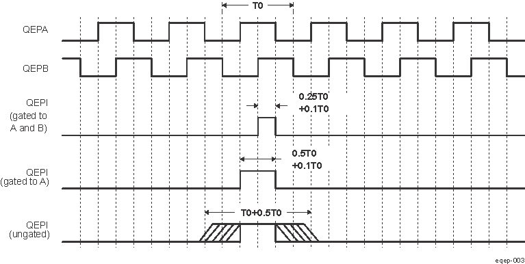
Figure 12-439 QEP Encoder Output Signal for Forward/Reverse MovementQuadrature encoders from different manufacturers come with two forms of index pulse (gated index pulse or ungated index pulse) as shown in Figure 12-440. A nonstandard form of index pulse is ungated. In the ungated configuration, the index edges are not necessarily coincident with A and B signals. The gated index pulse is aligned to any of the four quadrature edges and width of the index pulse and can be equal to a quarter, half, or full period of the quadrature signal.
Figure 12-440 Index Pulse ExampleSome typical applications for rotary encoders range from fax machines to motor controllers, and even robot localization. Rotary sensors are fundamental to the robotics and motion control systems found today. The optical shaft encoder can be used to improve a robot in various ways. The encoder can measure rotational distance traveled and speed, which can be used to monitor, for example, the angular position of a robot gripper arm or the speed of a robot.
General Issues: Estimating velocity from a digital position sensor is a cost-effective strategy in motor control. Two different first order approximations for velocity may be written as:

where
v(k): Velocity at time instant k
x(k): Position at time instant k
x(k-1): Position at time instant k - 1
T: Fixed unit time or inverse of velocity calculation rate
ΔX: Incremental position movement in unit time
t(k): Time instant "k"
t(k-1): Time instant "k - 1"
X: Fixed unit position
ΔT: Incremental time elapsed for unit position movement.
Equation 19 is the conventional approach to velocity estimation and it requires a time base to provide unit time event for velocity calculation. Unit time is the inverse of the velocity calculation rate.
The encoder count (position) is read once during each unit time event. The quantity [x(k) - x(k-1)] is formed by subtracting the previous reading from the current reading. Then the velocity estimate is computed by multiplying by the known constant 1/T (where T is the constant time between unit time events and is known in advance).
Estimation based on Equation 19 has an inherent accuracy limit directly related to the resolution of the position sensor and the unit time period T. For example, consider a 500-line per revolution quadrature encoder with a velocity calculation rate of 400 Hz. When used for position the quadrature encoder gives a four-fold increase in resolution, in this case, 2000 counts per revolution. The minimum rotation that can be detected is therefore 0.0005 revolutions, which gives a velocity resolution of 12 rpm when sampled at 400 Hz. While this resolution may be satisfactory at moderate or high speeds, for example, 1% error at 1200 rpm, it would clearly prove inadequate at low speeds. In fact, at speeds below 12 rpm, the speed estimate would erroneously be zero much of the time.
At low speed, Equation 20 provides a more accurate approach. It requires a position sensor that outputs a fixed interval pulse train, such as the aforementioned quadrature encoder. The width of each pulse is defined by motor speed for a given sensor resolution. Equation 20 can be used to calculate motor speed by measuring the elapsed time between successive quadrature pulse edges. However, this method suffers from the opposite limitation of Equation 19. A combination of relatively large motor speeds and high sensor resolution makes the time interval ΔT small, and thus more greatly influenced by the timer resolution. This can introduce considerable error into high-speed estimates.
For systems with a large speed range (that is, speed estimation is needed at both low and high speeds), one approach is to use Equation 20 at low speed and have the software switch over to Equation 19 when the motor speed rises above some specified threshold.
The device has three instances of the EQEP modules.
Table 12-461 shows the EQEP allocation across device domains.
| Instance | Domain | ||
| WKUP | MCU | MAIN | |
| EQEP0 | - | - | ✓ |
| EQEP1 | - | - | ✓ |
| EQEP2 | - | - | ✓ |
Figure 12-441 shows the EQEP module overview.
