SZZA030E August   2021  – June 2022 CD4016B , CD4016B-MIL , CD4051B , CD4051B-MIL , CD4051B-Q1 , CD4052B , CD4052B-MIL , CD4053B , CD4053B-MIL , CD4053B-Q1 , CD4066B , CD4066B-MIL , CD4066B-Q1 , CD4067B , CD4067B-MIL , CD4097B , CD4097B-MIL , CD54HC4051 , CD54HC4052 , CD54HC4053 , CD54HC4066 , CD54HC4316 , CD54HC4351 , CD54HCT4051 , CD74HC4016 , CD74HC4051 , CD74HC4051-EP , CD74HC4051-Q1 , CD74HC4052 , CD74HC4053 , CD74HC4066 , CD74HC4067 , CD74HC4316 , CD74HC4351 , CD74HC4352 , CD74HCT4051 , CD74HCT4051-Q1 , CD74HCT4052 , CD74HCT4053 , CD74HCT4066 , CD74HCT4066-Q1 , CD74HCT4067 , CD74HCT4067-Q1 , CD74HCT4316 , CD74HCT4351 , LMH6580 , LMH6583 , LMH6586 , LMS4684 , MAX4594 , MAX4595 , MAX4596 , MAX4597 , MPC506 , MPC507 , MPC508 , MPC509 , MUX36D04 , MUX36D08 , MUX36S08 , MUX36S16 , MUX506 , MUX507 , MUX508 , MUX509 , SN3257-Q1 , SN54CBTD3384 , SN74AHC4066 , SN74AUC1G66 , SN74AUC2G53 , SN74AUC2G66 , SN74CB3Q16210 , SN74CB3Q16211 , SN74CB3Q16244 , SN74CB3Q16245 , SN74CB3Q16811 , SN74CB3Q3125 , SN74CB3Q3244 , SN74CB3Q3245 , SN74CB3Q3251 , SN74CB3Q3253 , SN74CB3Q3257 , SN74CB3Q3305 , SN74CB3Q3306A , SN74CB3Q3306A-EP , SN74CB3Q3345 , SN74CB3Q3384A , SN74CB3Q6800 , SN74CB3T16210 , SN74CB3T16210-Q1 , SN74CB3T16211 , SN74CB3T16212 , SN74CB3T1G125 , SN74CB3T1G125-Q1 , SN74CB3T3125 , SN74CB3T3245 , SN74CB3T3253 , SN74CB3T3257 , SN74CB3T3306 , SN74CB3T3383 , SN74CB3T3384 , SN74CBT16209A , SN74CBT16210 , SN74CBT16210C , SN74CBT16211A , SN74CBT16211C , SN74CBT16212A , SN74CBT16212C , SN74CBT16213 , SN74CBT16214 , SN74CBT16214C , SN74CBT162292 , SN74CBT16232 , SN74CBT16233 , SN74CBT16244 , SN74CBT16244C , SN74CBT16245 , SN74CBT16245C , SN74CBT16292 , SN74CBT16390 , SN74CBT16800C , SN74CBT16811C , SN74CBT16861 , SN74CBT1G125 , SN74CBT1G384 , SN74CBT3125 , SN74CBT3125C , SN74CBT3126 , SN74CBT3244 , SN74CBT3244C , SN74CBT3245A , SN74CBT3245C , SN74CBT3251 , SN74CBT3253 , SN74CBT3253C , SN74CBT3257 , SN74CBT3257C , SN74CBT3305C , SN74CBT3306 , SN74CBT3306C , SN74CBT3345 , SN74CBT3345C , SN74CBT3383 , SN74CBT3383C , SN74CBT3384A , SN74CBT3384C , SN74CBT34X245 , SN74CBT3861 , SN74CBT6800A , SN74CBT6800C , SN74CBT6845C , SN74CBTD16210 , SN74CBTD16211 , SN74CBTD1G125 , SN74CBTD1G384 , SN74CBTD3305C , SN74CBTD3306 , SN74CBTD3306C , SN74CBTD3384 , SN74CBTD3384C , SN74CBTD3861 , SN74CBTH16211 , SN74CBTK6800 , SN74CBTLV16210 , SN74CBTLV16211 , SN74CBTLV16212 , SN74CBTLV16292 , SN74CBTLV16800 , SN74CBTLV1G125 , SN74CBTLV1G125-Q1 , SN74CBTLV3125 , SN74CBTLV3126 , SN74CBTLV3245A , SN74CBTLV3251 , SN74CBTLV3253 , SN74CBTLV3257 , SN74CBTLV3257-EP , SN74CBTLV3383 , SN74CBTLV3384 , SN74CBTLV3857 , SN74CBTLV3861 , SN74CBTLV3861-Q1 , SN74CBTS16211 , SN74CBTS16212 , SN74CBTS3306 , SN74CBTS3384 , SN74CBTS6800 , SN74HC151-Q1 , SN74HC4066 , SN74HC4851 , SN74HC4851-Q1 , SN74HC4852 , SN74HC4852-Q1 , SN74LV4051A , SN74LV4051A-EP , SN74LV4051A-Q1 , SN74LV4052A , SN74LV4052A-EP , SN74LV4052A-Q1 , SN74LV4053A , SN74LV4053A-EP , SN74LV4053A-Q1 , SN74LV4066A , SN74LVC1G3157 , SN74LVC1G3157-Q1 , SN74LVC1G66 , SN74LVC1G66-Q1 , SN74LVC2G53 , SN74LVC2G66 , SN74LVC2G66-Q1 , SN74TVC16222A , SN74TVC3010 , SN74TVC3306 , TMUX1072 , TMUX1101 , TMUX1102 , TMUX1104 , TMUX1108 , TMUX1109 , TMUX1111 , TMUX1112 , TMUX1113 , TMUX1119 , TMUX1121 , TMUX1122 , TMUX1123 , TMUX1133 , TMUX1134 , TMUX1136 , TMUX1204 , TMUX1208 , TMUX1209 , TMUX1219 , TMUX1247 , TMUX1308 , TMUX1308-Q1 , TMUX1309 , TMUX136 , TMUX1511 , TMUX154E , TMUX1574 , TMUX4051 , TMUX4052 , TMUX4053 , TMUX6104 , TMUX6111 , TMUX6112 , TMUX6113 , TMUX6119 , TMUX6121 , TMUX6122 , TMUX6123 , TMUX6136 , TS12A12511 , TS12A44513 , TS12A44514 , TS12A44515 , TS12A4514 , TS12A4515 , TS12A4516 , TS12A4517 , TS3A225E , TS3A24157 , TS3A24159 , TS3A27518E , TS3A27518E-Q1 , TS3A44159 , TS3A4741 , TS3A4742 , TS3A4751 , TS3A5017 , TS3A5017-Q1 , TS3A5018 , TS3A5223 , TS5A1066 , TS5A12301E , TS5A2053 , TS5A2066 , TS5A21366 , TS5A22362 , TS5A22364 , TS5A22364-Q1 , TS5A22366 , TS5A23157 , TS5A23157-Q1 , TS5A23159 , TS5A23160 , TS5A23166 , TS5A23167 , TS5A26542 , TS5A3153 , TS5A3154 , TS5A3157 , TS5A3159 , TS5A3159-EP , TS5A3159-Q1 , TS5A3159A , TS5A3160 , TS5A3166 , TS5A3166-Q1 , TS5A3167 , TS5A3357 , TS5A3357-Q1 , TS5A3359 , TS5A4594 , TS5A4595 , TS5A4596 , TS5A4597 , TS5A4624 , TS5A623157 , TS5A63157 , TS5A6542 , TS5A9411 , TS5MP645 , TS5MP646 , TS5N118 , TS5N214 , TS5N412

 

  1.   Selecting the Correct Texas Instruments Signal Switch
  2.   Trademarks
  3. 1Introduction
    1. 1.1 Ideal Versus Non-Ideal Switch
  4. 2Basic Signal Switch Structure
    1. 2.1 NFET Switch
    2. 2.2 Transmission Gate Switch
    3. 2.3 NFET With Charge Pump
  5. 3Analog Versus Digital Signal Switches
    1. 3.1 Bidirectional Switches
    2. 3.2 Configuration and Channels
  6. 4Signal Switch Specifications and Features
  7. 5Texas Instruments Analog Signal Switches and Multiplexers Portfolio
    1. 5.1 Precision Switches and Multiplexers
    2. 5.2 Protection Switches and Multiplexers
    3. 5.3 General Purpose Switches and Multiplexers
    4. 5.4 Automotive Switches and Multiplexers
  8. 6Switches and Multiplexers Performance in Digital Signal Applications
  9. 7Applications
    1. 7.1 SPI Multiplexing
    2. 7.2 Multiplexing Signals to External ADC
    3. 7.3 Multiplexing Signals to External ADC in Fault Sensitive Conditions
    4. 7.4 Switchable Op Amp Gain Setting
    5. 7.5 Multiplexing Body Control Module (BCM) Inputs
    6. 7.6 High Current Range Selection Using External Resistor
    7. 7.7 Fault Protection in Factory Automation Control Systems
    8. 7.8 Sample and Hold Circuitry
  10. 8Summary
  11. 9Revision History
  12.   A Appendix A
    1.     A.1 Analog Performance – CD, HC, CBT, LVC, and LV
    2.     A.2 SN74CBT Characteristics
    3.     A.3 CD74HCT Characteristics
    4.     A.4 CD74HC Characteristics
    5.     A.5 SN74HC Characteristics
    6.     A.6 CD4066B Characteristics
    7.     A.7 LV-A Characteristics
    8.     A.8 LVC Characteristics
    9.     A.9 CBTLV Characteristics

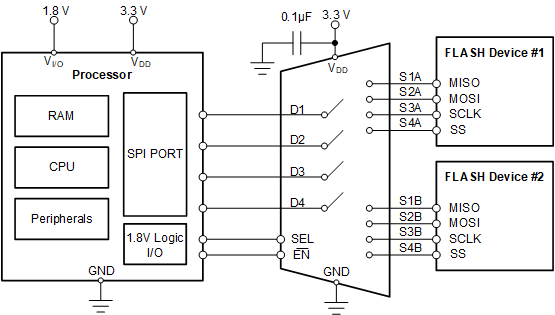
SPI Multiplexing

Common applications that require the features of the multiplexer like the TMUX1574 and SN3257-Q1 include multiplexing various protocols from a possessor or MCU such as SPI, eMMC, I2S, or standard GPIO signals. These devices provides superior isolation performance when the device is powered. The added benefit of powered-off protection allows a system to minimize complexity by eliminating the need for power sequencing in hot-swap and live insertion applications. The example shown in Figure 7-1 illustrates the use of the SN3257-Q1 to multiplex an SPI bus to multiple flash memory devices.

GUID-E60442D4-F1D9-4733-8AB8-F2A34234D10C-low.gifFigure 7-1 Multiplexing Flash Memory

One useful application of multiplexers is isolating various protocols from a possessor or MCU such as JTAG, SPI, or standard GPIO signals. Switch like the TMUX1511 provides excellent isolation performance when the device is powered. The added benefit of powered-off protection allows a system to minimize complexity by eliminating the need for power sequencing in hot-swap and live insertion applications

GUID-F57657C3-DEFC-4E96-A93C-0126A30E6EFD-low.gifFigure 7-2 Isolation of JTAG, SPI, and GPIO Signals